Изобретение относится к релейной защите высоковольтных линий электропередачи, которые работают в режиме с глухозаземленной нейтралью, в частности к распознаванию поврежденных фаз. Техническим результатом является упрощение и повышение распознающей способности способа фазовой селекции. Способ распознавания поврежденных фаз линий электропередачи при неполнофазном замыкании на землю включает этапы наблюдения токов и напряжений в начале линии, преобразования их в комплексные замеры, отображения каждого замера на комплексной плоскости соответствующего распознающего модуля, обучения распознающих модулей с использованием имитационных моделей линии электропередачи, воспроизводящих различные типы коротких замыканий. Для достижения технического результата формируют фазные и междуфазные замеры. Каждый фазный замер подают на такое число распознающих модулей, которое равно числу различных типов коротких замыканий, по одному модулю на каждый тип. Каждый междуфазный замер подают на такое число распознающих модулей, которое равно числу различных типов двухфазных замыканий. Каждый модуль обучают распознавать один из типов замыканий. Модули, относящиеся к одному и тому же типу замыкания, объединяют по схеме И в общий модуль, распознающий замыкание этого типа. Из всех общих модулей составляют для каждой фазы линии электропередачи две группы - блокирующую и разрешающую. В блокирующую группу собирают общие модули тех типов замыканий, в которых данная фаза не повреждена, а в разрешающую группу - общие модули остальных типов замыканий, в которых данная фаза повреждена. Далее констатируют замыкание в данной фазе при условии, что не сработал ни один из общих модулей блокирующей группы и сработал хотя бы один из общих модулей разрешающей группы. Дополнительно используют передающую модель неповрежденной линии электропередачи, преобразующую наблюдаемые в начале линии токи и напряжения в напряжения в конце линии, и определяют замеры как отношения одноименных напряжений на выходе и на входе передающей модели. 1 з.п. ф-лы, 16 ил.
1. Способ распознавания поврежденных фаз линий электропередачи при неполнофазном замыкании на землю путем наблюдения токов и напряжений в начале линии, преобразования их в комплексные замеры, отображения каждого замера на комплексной плоскости соответствующего распознающего модуля, обучения распознающих модулей с использованием имитационных моделей линии электропередачи, воспроизводящих различные типы коротких замыканий, отличающийся тем, что формируют фазные и междуфазные замеры, каждый фазный замер подают на такое число распознающих модулей, которое равно числу различных типов коротких замыканий, по одному модулю на каждый тип, каждый междуфазный замер подают на такое число распознающих модулей, которое равно числу различных типов двухфазных замыканий, каждый модуль обучают распознавать один из типов замыканий; модули, относящиеся к одному и тому же типу замыкания, объединяют по схеме И в общий модуль, распознающий замыкание этого типа, из всех общих модулей составляют для каждой фазы линии электропередачи две группы - блокирующую и разрешающую, в блокирующую группу собирают общие модули тех типов замыканий, в которых данная фаза не повреждена, а в разрешающую группу - общие модули остальных типов замыканий, в которых данная фаза повреждена, и констатируют замыкание в данной фазе при условии, что не сработал ни один из общих модулей блокирующей группы и сработал хотя бы один из общих модулей разрешающей группы. 2. Способ по п. 1, отличающийся тем, что используют передающую модель неповрежденной линии электропередачи, преобразующую наблюдаемые в начале линии токи и напряжения в напряжения в конце линии, и определяют замеры как отношения одноименных напряжений на выходе и на входе передающей модели.
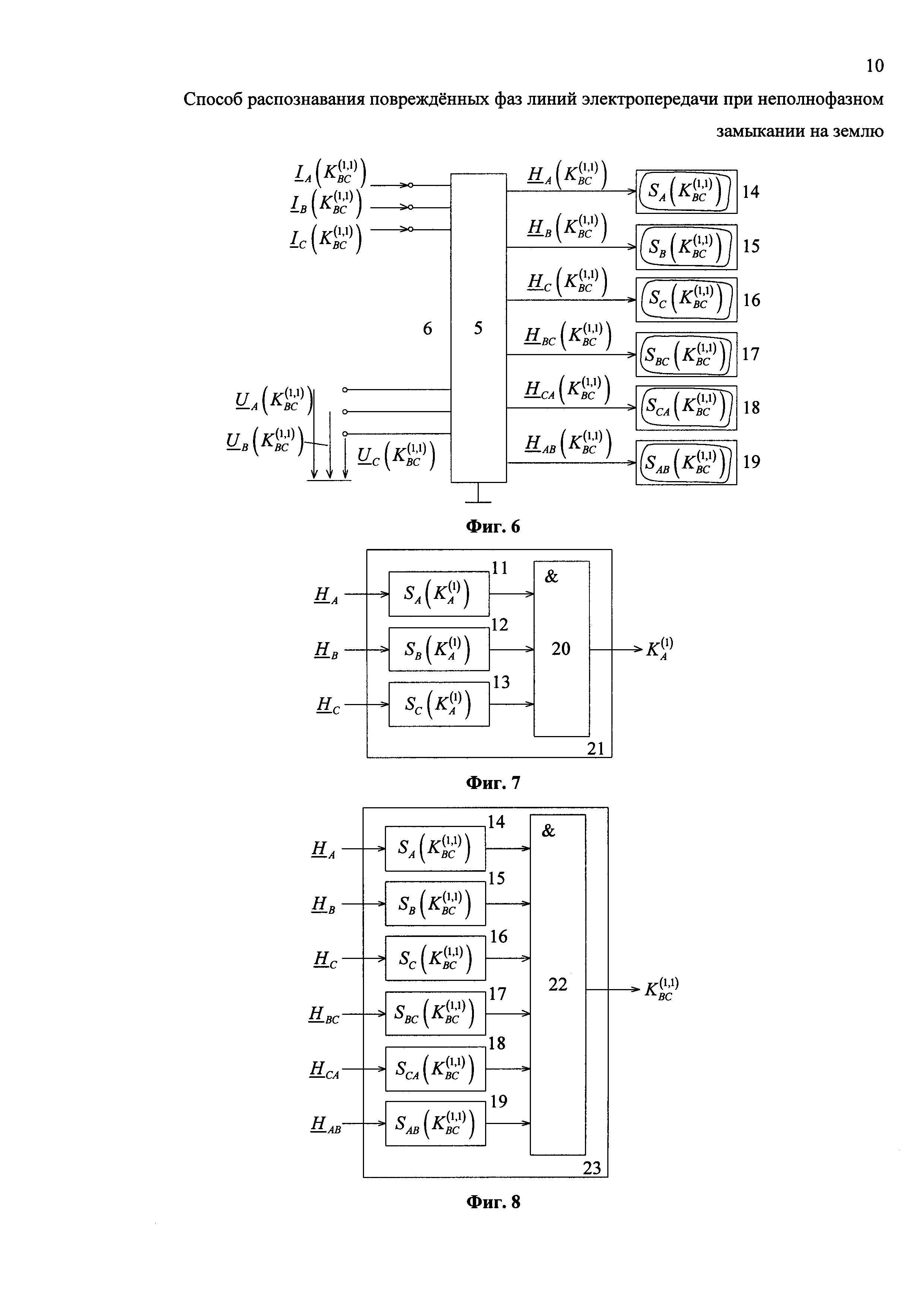
Изобретение относится к релейной защите высоковольтных линий электропередачи, которые работают в режиме с глухозаземленной нейтралью. В таких линиях существует задача фазовой селекции - распознавание поврежденных фаз. Технические средства решения данной задачи называются фазовым селектором или избирателем поврежденных фаз. Особую сложность представляет распознавание поврежденных фаз при замыканиях на землю [1, 2]. В трехфазной электропередаче возможны как однофазные, так и двухфазные замыкания на землю. Те и другие относятся к разряду неполнофазных. Замыканиям даны свои особые обозначения: однофазные - Применительно к микропроцессорной релейной защите разработан способ распознавания сложного повреждения электрической системы, достигающий высокой распознающей способности без привлечения информации о предшествующем режиме. Принципиально важная особенность этого способа - применение процедуры обучения распознающих модулей с учителем, роль которого отводится имитационной модели линии электропередачи. Имитационная модель варьирует свои параметры и воспроизводит всевозможные короткие замыкания, случающиеся в реальном объекте. По результатам обучения на плоскости двумерных сигналов строят области срабатывания и области блокирования распознающих модулей. Данный способ оказался сложным в реализации, так как он, имея целью распознавание сложного повреждения, отправляется именно от него, а не от его составных частей. В случае фазовой селекции распознавание двухфазного замыкания на землю трактуется как самостоятельная задача. На самом деле это не так. Достаточно убедиться, что повреждена каждая фаза в отдельности, чтобы прийти к заключению о двухфазном замыкании на землю. Основной целью изобретения является упрощение способа фазовой селекции, предполагающего обучение от имитационных моделей линии электропередачи, как и в прототипе. Дополнительно преследуется цель повышения распознающей способности фазового селектора за счет унификации операций отображения режимов электропередачи на плоскостях замеров, а также благодаря удачному подбору самих замеров, чему в прототипе вовсе не было уделено внимания. Поставленные цели достигаются благодаря сочетанию известных и новых технических признаков. К известным признакам относится одностороннее наблюдение токов и напряжений, их преобразование в замеры, в данном случае - в комплексы, отображение замеров на комплексных плоскостях, присутствующих в распознающих модулях, обучение распознающих модулей сигналами имитационных моделей. Отличительные признаки относятся к формированию замеров, к их дифференциации и взаимосвязи с распознающими модулями, к соединению модулей друг с другом и к логике работы фазового селектора. Формируют замеры двух видов - фазные и междуфазные (линейные). Первые формируют на основе фазных напряжений, вторые - линейных. В структуре фазового селектора, реализующего предлагаемый способ, предусматривают строго определенное число распознающих модулей. Оно определяется числом замеров и числом типов коротких замыканий. На каждый фазный замер приходится столько модулей, сколько всего различных типов замыканий типов замыканий, а на каждый междуфазный замер - сколько одних лишь двухфазных замыканий. Каждый модуль обучают распознавать только один тип замыканий. Модули одного и того же типа замыканий объединяют по схеме И в общий модуль, который распознает именно этот тип повреждения линии. В итоге получают для распознавания повреждения каждой фазы две группы общих модулей. Первая - блокирующая, в ней представлены те типы режимов, в которых данная фаза не затронута повреждением. Вторая - разрешающая, в которую входят остающиеся типы режимов, т.е. те, в которых эта фаза повреждена. Получается, что множество типов режимов короткого замыкания, представленное множеством общих модулей, для разных фаз одно и то же, но на блокирующую и разрешающую группу оно разделяется по-разному. Блокирующая и разрешающая группы модулей играют разные роли. Главенствующая роль принадлежит блокирующей группе. Некоторая фаза линии электропередачи будет признана поврежденной при выполнении двух условий. Главное условие, чтобы не сработал ни один из общих модулей блокирующей группы, составленной для этой фазы. Вообще говоря, данного условия достаточно для признания проверяемой фазы поврежденной. Но для придания принимаемому решению большей достоверности и повышения помехоустойчивости фазового селектора составляется еще и разрешающая группа общих модулей, дающая дополнительное подтверждение фактом срабатывания одного из своих модулей. Необходимо заметить, что одни и те же унифицированные общие модули входят для одних фаз в блокирующую группу, а для других - в разрешающую. Ни переобучения, ни каких-либо иных изменений при этом не требуется. Унификация операций блокирования и разрешения - одна из отличительных черт предлагаемого способа. В дополнительном пункте формулы изобретения конкретизируется процедура формирования замеров, которая оказывается наиболее эффективной для обеспечения высокой распознающей способности способа фазовой селекции. Оригинальность новому замеру придает передающая модель линии электропередачи, преобразующая наблюдаемые величины в напряжения на выходе линии, предположительно неповрежденной. На фиг. 1 показана наблюдаемая электропередача, в которой произошло одно- или двухфазное замыкание за землю. На фиг. 2 - формирователь замеров, преобразующий комплексы наблюдаемых токов и напряжений в фазные и междуфазные комплексные замеры. На фиг. 3 и 4 изображены имитационные модели электрической системы, воспроизводящие режимы однофазного (фиг. 3) и двухфазного замыкания на землю (фиг. 4). Фиг. 5 и 6 служат иллюстрацией процедуры обучения распознающих модулей фазового селектора сигналами первого (фиг. 5) и второго замыкания (фиг. 6). На фиг. 7 и 8 показаны структуры общих распознающих модулей. Первый (фиг. 7) срабатывает при однофазном замыкании в фазе А. Второй (фиг. 8) - при замыкании на землю фаз В и С. На фиг. 9-10 приведены оконечные части структуры фазового селектора, выявляющие поврежденные фазы. Первая (фиг. 9) выдает сигнал о повреждении фазы А, вторая (фиг. 10) - фазы В и третья (фиг. 11) - фазы С. Последующие иллюстрации поясняют, как выполняются основные операции предлагаемого способа. На фиг. 12 показана конкретная линия электропередачи, наблюдаемая вначале и ненаблюдаемая в конце. На фиг. 13 та же линия показана в предположении, что она не повреждена, и неизвестные напряжения в конце линии представлены своими оценками. На фиг. 14 линия по фиг. 13 представлена своей передающей моделью 14, выдающей указанные оценки. На фиг. 15, 16 показаны формирователи фазного (фиг. 15) и междуфазного (фиг. 16) замеров. Линия электропередачи 1 наблюдается в своем начале - на подстанции 2. Фиксируют токи и напряжения всех трех фаз. Входные блоки релейной защиты преобразуют информацию в комплексную форму: Iν, Uν, ν=A, B, C - комплексы токов и напряжений. Линия повреждена, в ней произошло замыкание на землю. Место замыкания, как и его вид, неизвестны. Это может быть замыкание 3 какой-либо одной из фаз А, В или С, а также встречающееся реже, но тем не менее реальное замыкание на землю двух фаз 4 (В и С, С и А или А и В). Входные величины Iν, Uν преобразуют в фазные замеры Hν или междуфазные Hν,ν-1 где ν-1 - обозначение отстающей фазы. Эту функцию выполняет формирователь замеров 5 с шестью входными зажимами 6. Число выходных зажимов 7 не лимитируется. Принято, что оно также равно шести по числу контуров трехфазной электропередачи. Для обучения фазового селектора используют имитационную модель 8 электропередачи 1, воспроизводящую на своем выходе 9 величины однофазного замыкания, которые обозначены с указанием поврежденной фазы, в данном случае фазы А, - В качестве примера на фиг. 5 и 6 проиллюстрировано обучение распознающих модулей 11-13 и 14-19. Модули 11-13 и 14-16 обучают фазными замерами Hν, а модули 17-19 - междуфазными замерами. До обучения модули стереотипны. После обучения различаются областями отображения режимов линии электропередачи. Так, модули 11-13 сохраняют на своих комплексных плоскостях Hν отображения однофазного замыкания. Области отображения обозначены как Распознающие модули 11-19, прошедшие обучение однотипными режимами, объединяют по схеме И в общий модуль. Выходной сигнал общего модуля свидетельствует о том, что режим такого типа возможен. Иначе говоря, быть может, наблюдается режим именно этого типа. Никаких гарантий того, что этот режим безусловно имеет место, модуль не выдает. Распознающие модули 11-13 объединены по схеме И 20 в общий модуль 21 режима Важным признаком данного способа является составление групп общих модулей для распознавания повреждения каждой из фаз линии электропередачи. Каждая фаза получает в свое распоряжение все общие модули - одни и те же, но из них по-разному для разных фаз составляют две группы - блокирующую и распознающую. Главную роль играет блокирующая группа. Для фазы А в блокирующую группу сведены по схеме ИЛИ 24 общие модули тех типов замыканий, в которых фаза А не задета: Аналогичные структуры составляют для распознавания повреждения отдельно фазы В и отдельно фазы С. Для фазы В блокирующий элемент ИЛИ 27 соединяет общие модули режимов На фиг. 1-11 иллюстрируются основные операции предлагаемого способа. Комплексные замеры Hν и Hν,ν-1 полагаются произвольными. Фиг. 12-16 иллюстрируют операции формирования замеров, обеспечивающих наиболее высокую распознающую способность фазового селектора. На фиг. 12 линия 1 показана на протяжении всей своей длины от наблюдаемой подстанции 2 до ненаблюдаемой 33. Наблюдаемые величины Iνs, Uνs, ненаблюдаемые - Iνr, Uνr. На фиг. 13 та же линия представлена в своеобразном режиме: без повреждения, но с сохранением наблюдаемых величин в начале линии и с новыми неизвестными напряжениями в ее конце, отмеченными верхним символом, - Обнаружилась высокая эффективность замеров, сформированных из напряжений на входе и выходе передающей модели 35. Формирователь фазного замера 38 воспринимает на своих входах 39, 40 напряжения одной и той же фазы, скажем UAs и Аналогично действует формирователь междуфазного замера 41, на входы которого 42, 43 подают одноименные линейные напряжения, для примера UBCs и Формирование замеров (1) и (2) в каждом из трех фазных и трех междуфазных каналов происходит автономно, благодаря чему процедура обучения распознающих модулей 11-19 приобретает конкретное содержание. Рассмотрим последовательность операций, выполняемых по предлагаемому способу. Предположим для упрощения, что электропередача симметричная, благодаря чему можно ограничиться обучением распознающих модулей 11-19 от имитационных моделей только в двух режимах - После обучения и полной структуризации фазовый селектор вводят в действие на реальном объекте. Передающую модель 35 предлагается рассматривать как преобразователь входных величин Iνs, Uνs, а формирователи замеров 38, 41 оперируют только парами напряжений. Замеры Hν, Hν,ν-1, подают на фазные и междуфазные общие модули 21, 23, сигналы которых, образуя блокирующую группы 24, 27, 30 и разрешающие группы 25, 28, 31, выявляют поврежденную фазу при однофазном замыкании и две поврежденные фазы при двухфазном замыкании. Важно заметить, что три универсальных выходных сигнала Kν, ν=А, В, С, дают ответы на все вопросы, возникающие при повреждении линии электропередачи. Простота решения заключается в том, что распознавание поврежденных фаз не требует построения характеристик срабатывания фазового селектора. Источники информации 1. Патент РФ №1820974, Н02Н 3/26,1992. 2. Патент РФ №2006124, Н02Н 3/26,1992. 3. Патент РФ №2031506, Н02Н 3/16, Н02Н 3/26, Н02Н 3/42, 1992. 4. Патент РФ №2037246, Н02Н 3/40, Н02Н 3/26, G01R 31/08, 1992. 5. Патент РФ №2050660, Н02Н 3/38, Н02Н 3/26, Н02Н 7/26, 1992. 6. Патент РФ №2444829, Н02Н 6/00, Н02Н 3/16, Н02Н 3/40, G01R 31/08, 2010 (прототип).
,
,
, двухфазные -
,
,
, нижние индексы - поврежденные фазы. Существует подчиненный основной проблеме вопрос о распознавании особой фазы при неполнофазном замыкании [3]. Ответить на него, как и справиться со всей проблемой в целом, удается, если имеется возможность добавить к информации о текущем режиме короткого замыкания информацию о предшествующем режиме [4, 5]. Однако такое решение возможно не всегда. Во-первых, предшествующего режима может не быть. Например, при включении линии, уже поврежденной или получившей повреждение сразу после включения. Во-вторых, информация о двух режимах сочетается при условии, что угол передачи линии остается неизменным. На малом интервале времени после короткого замыкания такое условие приемлемо (несколько периодов частоты сети), но на больших интервалах, когда с выдержкой времени работают старшие ступени дистанционной защиты, необходима дополнительная проверка результата совмещения информации о двух режимах.
,
, ν=А, В, С, а кроме того, используют имитационную модель 10 в режиме замыкания
. Выходные зажимы 9 у обеих моделей одни и те же, различаются только внутренние структуры.
, ν=А, В, С. В симметричной электропередаче замыкания других фаз
,
рассматривать не требуется, в несимметричной - необходимо. Модули 14-19 хранят отображения двухфазного замыкания на землю. Обозначения областей отображения замеров сохраняют указание типа замера и вида замыкания
- модули 14-16 и
- модули 17-19.
, а модули 14-19 объединены по схеме И 22 в общий модуль 23 режима
.
,
,
. В разрешающую группу сведены по схеме ИЛИ 25 остальные общие модули:
,
,
. Группы 24 и 25 воздействуют на выходную схему И 26, первая группа выдает сигнал запрета НЕ KА, исключая вероятность ошибочного решения о повреждении фазы А. Вторая группа 25 выдает разрешающий сигнал KА со знаком вопроса, который может быть снят только в отсутствие запрета. Выходной сигнал KА элемента 26 означает констатацию повреждения фазы А.
,
и
, а разрешающий элемент ИЛИ 28 соединяет модули режимов
,
,
. Сигнал о повреждении фазы В выдает выходной элемент И 29. Подобным же образом по отношению к фазе С действуют блокирующая группа общих модулей
,
,
с элементом ИЛИ 30 и разрешающая группа
,
,
с элементом ИЛИ 31. Решение о том, повреждена ли фаза С, принимает элемент И 32.
. Линию 34 в таком условном режиме представляют в виде передающей модели 35 - многополюсника в режиме обратной передачи с входными токами и напряжениями Iνs, Uνs и выходными напряжениями
. Входные зажимы модели 36 соответствуют месту наблюдения 2, а выходные зажимы 37 - концу линии 33.
, и выдает замер в виде их отношения
. Замер на выходе формирователя
и
. Всего по максимуму будет задействованы шесть фазных модулей 11-16 и три междуфазных 17-19. Распознающие модули фиксируют отображения имитируемых режимов на своих комплексных плоскостях Hν и Hν,ν-1. Результатом обучения становятся максимум девять областей существования режимов однофазного и двухфазного замыкания
,
и
. На следующем этапе из модулей, прошедших обучение, составляют общие модули 21, 23, относящиеся к одному и тому же типу повреждения. По максимуму получают три распознающих модуля в общем модуле 21 однофазного замыкания и шесть в общем модуле 23 двухфазного замыкания. Далее общие модули собирают в блокирующие группы 24, 27, 30 и разрешающие 25, 28, 31. Группы 24, 25; 27, 28; 30, 31 взаимодействуют попарно через выходные элементы 26, 29, 32. Каждая из аналогичных структур 24-26, 27-29, 30-32 распознает повреждение одной из фаз электропередачи вне зависимости от типа замыкания.