патент
№ RU 2303778
МПК G01N25/00

СПОСОБ ОПРЕДЕЛЕНИЯ СУММАРНОЙ ПРОПУСКНОЙ СПОСОБНОСТИ ВНУТРЕННИХ СКВОЗНЫХ КАНАЛОВ В ИЗДЕЛИИ

Авторы:
Чумаков Александр Григорьевич Павлухин Вячеслав Владимирович Мулишкин Игорь Анатольевич
Все (6)
Номер заявки
2006111376/28
Дата подачи заявки
10.04.2006
Опубликовано
27.07.2007
Страна
RU
Как управлять
интеллектуальной собственностью
Реферат

[35]

Изобретение относится к контрольно-диагностическим технологиям. Способ включает заполнение газом ресивера и продувку каналов изделия газом из ресивера через трубопровод, при этом ресивер заполняют газом до давления, обеспечивающего критический перепад между давлением в ресивере и давлением среды, в которую происходит истечение газа из изделия, измеряют в ресивере температуру газа, давление газа в начальный момент времени продувки и давление газа в конечный момент времени продувки и определяют темп изменения давления. Технический результат - повышение точности определения пропускной способности сквозных каналов в изделии и снижение трудоемкости способа. 1 ил.

Формула изобретения

Способ определения суммарной пропускной способности внутренних сквозных каналов в изделии, включающий заполнение газом ресивера и продувку каналов изделия газом из ресивера через трубопровод, отличающийся тем, что ресивер заполняют газом до давления, обеспечивающего критический перепад между давлением в ресивере и давлением среды, в которую происходит истечение газа из изделия, продувку производят при сохранении критического перепада между давлением в ресивере и давлением среды, в которую происходит истечение газа из изделия, измеряют в ресивере температуру газа, давление газа в начальный момент времени продувки и давление газа в конечный момент времени продувки и определяют темп изменения давления по формуле

ΔP=ln(P1/P2)/(t2-t1),

где Р1 - давление газа в ресивере в начальный момент времени продувки;

Р2 - давление газа в ресивере в конечный момент времени продувки;

t1 - начальный момент времени продувки;

t2 - конечный момент времени продувки;

а в качестве параметра, характеризующего пропускную способность, используют эквивалентную площадь внутренних каналов изделия, определяемую по формуле

F=C-ΔP,

где Δ Р - темп изменения давления;

C=V/mR√T - постоянная величина для конкретной системы;

V - объем ресивера;

m - постоянный для данной рабочей среды коэффициент;

R - газовая постоянная;

Т - средняя температура газа в ресивере за время продувки.

Описание

[1]

Изобретение относится к контрольно-диагностическим технологиям, в частности к способам определения суммарной пропускной способности внутренних сквозных каналов, и может найти применение в машиностроении, авиадвигателестроении и других областях техники при оценке и регулировке суммарной пропускной способности внутренних сквозных каналов в изделиях, предназначенных для работы с газами, например, в охлаждаемых лопатках турбин, в теплообменных аппаратах и т.д.

[2]

Известен способ контроля пропускной способности внутренних сквозных каналов, включающий заполнение ресивера рабочей средой до заданного давления, нагрев изделия, пропускание через его каналы рабочей среды с переменным расходом и с температурой, не равной средней температуре нагрева изделия, измерение поля температур на поверхности изделия во время пропускания рабочей среды через его каналы, определение по результатам измерения поля температур производной от темпа изменения температуры по расходу рабочей среды и контролирование пропускной способности каналов по абсолютным величинам расхода рабочей среды (см. патент RU №2219531, кл. G01N 25/00, опубл. 20.12.2003).

[3]

Однако точно оценить суммарную пропускную способность каналов по данному способу не представляется возможным из-за больших погрешностей в определении конечных величин, кроме этого данный способ достаточно трудоемкий и требует применения дорогостоящего оборудования, в частности тепловизора.

[4]

Необходимость суммарной оценки пропускной способности каналов изделия обусловлена следующим. Так, например, для турбины газотурбинного двигателя необходимо из комплекта лопаток выбрать те, пропускная способность которых одинакова. Это необходимо для обеспечения идентичных условий охлаждения для всех лопаток, что обеспечивает более надежную эксплуатацию двигателя в целом. В противном случае, при установке на ротор турбины лопаток с разной пропускной способностью сквозных каналов реализуется различный режим охлаждения лопаток, приводящий к уменьшению ресурса работы лопаток и двигателя в целом.

[5]

Технический результат предложенного способа - повышение точности определения пропускной способности сквозных каналов в изделии и снижение трудоемкости.

[6]

Указанный технический результат достигается тем, что в способе определения суммарной пропускной способности внутренних сквозных каналов в изделии, включающем заполнение газом ресивера и продувку каналов изделия газом из ресивера через трубопровод, согласно изобретению ресивер заполняют газом до давления, обеспечивающего критический перепад между давлением в ресивере и давлением среды, в которую происходит истечение газа из изделия, продувку производят при сохранении критического перепада между давлением в ресивере и давлением среды, в которую происходит истечение газа из изделия, измеряют в ресивере температуру газа, давление газа в начальный момент времени продувки и давление газа в конечный момент времени продувки и определяют темп изменения давления по формуле

[7]

ΔР=ln(P1/P2)/(t2-t1),

[8]

где P1 - давление газа в ресивере в начальный момент времени продувки,

[9]

P2 - давление газа в ресивере в конечный момент времени продувки,

[10]

t1 - начальный момент времени продувки,

[11]

t2 - конечный момент времени продувки,

[12]

а в качестве параметра, характеризующего пропускную способность, используют эквивалентную площадь внутренних каналов изделия, определяемую по формуле

[13]

F=C·ΔР,

[14]

где ΔР - темп изменения давления,

[15]

С=V/mR√T - постоянная величина для конкретной системы,

[16]

V - объем ресивера,

[17]

m - постоянный для данной рабочей среды коэффициент,

[18]

R - газовая постоянная,

[19]

Т - средняя температура газа в ресивере.

[20]

Ресивер необходимо заполнять до давления, которое обеспечивает критический перепад между давлением в ресивере и давлением среды, в которую происходит истечение газа из изделия. Это упрощает расчет эквивалентной площади внутренних каналов изделия и, соответственно, повышает достоверность способа, так как в формулу для определения С - постоянной величины для конкретной системы входит величина q(λ) - газодинамическая функция, т.е. C=V/q(λ)mR√T. Однако q(λ) принимает величину, равную 1 при критическом перепаде между давлением в ресивере и давлением среды, в которую происходит истечение газа из изделия. При докритическом перепаде давления функция q(λ) не равна 1, и ее расчет достаточно сложен. Сложность расчета указанной величины приводит к значительным ошибкам при определении величины эквивалентной площади F и, соответственно, к снижению достоверности результатов.

[21]

Термин «критический перепад давления» известен из уровня техники (см., например, О.С.Сергель «Прикладная гидрогазодинамика». M.: Машиностроение, 1981, стр.246).

[22]

Средой, в которую происходит истечение газа на выходе из исследуемого изделия, как правило, является окружающее пространство с атмосферным давлением.

[23]

Задача определения эквивалентных величин, в частности эквивалентных площадей, актуальна в связи с тем, что позволяет рассчитать расход рабочего тела. Понятие «эквивалентная площадь» известно в уровне техники (см., например, а.с. СССР №712716, кл. G01M 3/24, опубл. 30.01.80; ГОСТ Р 51330.1 - 99 (МЭК 600-1-9879) «Наружные вентиляционные и разгрузочные устройства»).

[24]

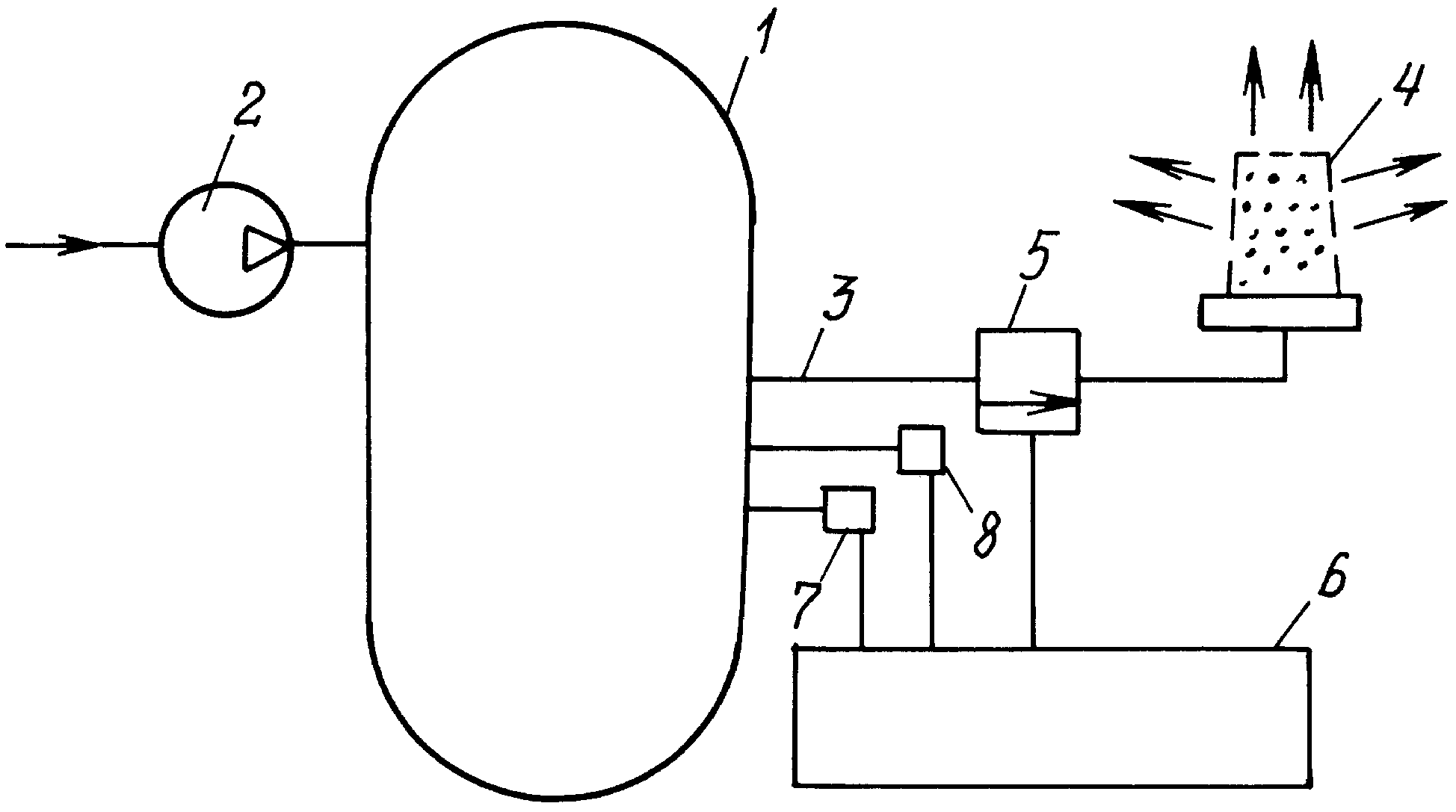
На чертеже представлена схема установки для реализации способа.

[25]

Установка содержит ресивер 1 емкостью 50-300 литров и предельным давлением 8-100 кгс/см2 (емкость ресивера и предельное давление выбирают в каждом конкретном случае индивидуально в зависимости от исследуемого изделия). Ресивер 1 соединен с одной стороны с источником 2 рабочей среды, например воздушным компрессором, и с другой стороны соединен с трубопроводом 3, подсоединенным ко входу исследуемого изделия, в качестве которого выбрана, например, лопатка 4 турбины газотурбинного двигателя, в теле которой имеются внутренние сквозные каналы охлаждения. Во входном трубопроводе 3 расположен клапан 5. Площадь проходного сечения клапана 5 и трубопровода 3 в пять - десять раз больше эквивалентной площади внутренних каналов эталонного изделия, что позволяет пренебречь общими потерями давления от выходного сечения ресивера до входного сечения исследуемого изделия. Эквивалентную площадь внутренних сквозных каналов эталонного изделия рассчитывают при проектировании и при сдаточных испытаниях, например, путем продувки до десяти раз партии из 100 заведомо пригодных изделий. Для управления процессом испытания, сбором информации и ее обработки, а также для определения времени продувки предназначен компьютер 6. Для измерения давления используют датчик 7. Для измерения температуры в ресивере 1 используют, например, термометр 8 сопротивления.

[26]

Способ реализуется следующим образом.

[27]

Реализация способа рассмотрена на примере определения суммарной пропускной способности внутренних сквозных каналов охлаждаемой лопатки турбины газотурбинного двигателя.

[28]

Предварительно ресивер 1 объемом 50 литров заполняют воздухом до давления 8 кгс/см2. Данное значение давления выбрано из следующих условий: с одной стороны начальное давление воздуха должно обеспечить критический перепад между давлением в ресивере и давлением среды (в данном случае воздуха), в которую происходит истечение воздуха из изделия, а с другой стороны - достаточное время для проведения необходимого объема измерений. Критический перепад давления зависит от показателя политропы газа. Для воздуха указанная константа равна 1,4, и критический перепад давления реализуется при отношении давлений в ресивере к давлению в окружающей среде - воздуху больше величины 1,8. Предварительно окончание продувки устанавливают по достижении давления в ресивере 2-2,5 кгс/см2, что обеспечивает критический перепад давления на протяжении всего времени продувки. После заполнения ресивера 1 воздухом до давления 8 кгс/см2 открывают клапан 5 трубопровода 3 и осуществляют продувку каналов лопатки 4. После открытия клапана 5 фиксируют начальный момент времени t1 и измеряют давление P1 и температуру в ресивере 1. В процессе продувки непрерывно измеряют текущее время продувки, давление и температуру газа в ресивере 1. При давлении в ресивере 2-2,5 кгс/см2 автоматически, по команде компьютера 6, закрывают клапан 5. После закрытия клапана 5 фиксируют конечный момент времени продувки t2, измеряют давление Р2 и температуру Т газа в ресивере 1. Рассчитывают среднюю температуру Т газа в ресивере, как среднее арифметическое величин температур, измеренных во время продувки.

[29]

По формуле ln(Р12)/t2-t1, где Р1 - давление газа в ресивере в начальный момент времени продувки; Р2 - давление газа в ресивере в конечный момент времени продувки; t1 - начальный момент времени продувки; t2 - конечный момент времени продувки, - определяют темп изменения давления ΔР за время продувки. Затем рассчитывают эквивалентную площадь F каналов по формуле F=C·ΔР, где ΔР - темп изменения давления, С=V/mR√T - постоянная величина для конкретной системы; V - объем ресивера; m - постоянный для данной рабочей среды коэффициент (для воздуха m=0,0404); R - газовая постоянная; Т - средняя температура газа в ресивере.

[30]

Значения m и R для различных видов газов приведены, например, О.С.Сергель «Прикладная гидрогазодинамика». M.: Машиностроение, 1981, стр.201.

[31]

Темп изменения давления ΔР является величиной постоянной для случая истечения газа из закрытого ресивера при условии отсутствия теплообмена с окружающей средой в связи с тем, что давление в ресивере изменяется по экспоненциальному закону по времени продувки. Таким образом, результат определения эквивалентной площади сквозных каналов изделия не зависит от выбранного интервала расчета в диапазоне времени продувки.

[32]

Эквивалентную площадь F используют в качестве параметра, характеризующего суммарную пропускную способность каналов лопатки.

[33]

При контроле пропускной способности каналов рассчитанную эквивалентную площадь конкретного изделия сравнивают с заранее рассчитанной эталонной величиной. По результатам сравнения осуществляют оценку пригодности изделия. Так например, допустимая пропускная способность лопатки по ее эквивалентной площади находится в пределах от 0,95 до 1,05 от эталонной величины. Если эквивалентная площадь исследуемой лопатки попадает в данной диапазон, лопатка считается пригодной. Если эквивалентная площадь исследуемой лопатки меньше эталонного диапазона, то существует технология коррекции каналов. Если площадь исследуемой лопатки больше эталонного диапазона, то лопатка, как правило, бракуется.

[34]

Способ рассмотрен на примере охлаждаемой лопатки турбины газотурбинного двигателя. Для других изделий, работающих на газах, с внутренними сквозными каналами реализация способа аналогична.

Как компенсировать расходы
на инновационную разработку
Похожие патенты