патент
№ RU 2698891
МПК B01D53/52

СПОСОБ ПОДГОТОВКИ СЕРОВОДОРОДСОДЕРЖАЩЕЙ НЕФТИ С ВЫСОКОЙ КОНЦЕНТРАЦИЕЙ СЕРОВОДОРОДА

Авторы:
Нургалиев Азат Альбертович
Номер заявки
2018126144
Дата подачи заявки
13.07.2018
Опубликовано
30.08.2019
Страна
RU
Как управлять
интеллектуальной собственностью
Чертежи 
1
Реферат

Изобретение может быть использовано в химической промышленности для подготовки сероводородсодержащей нефти к транспорту. Сырую сероводородсодержащую нефть подают по трубопроводу в сепаратор первой ступени сепарации 1. Далее откачивают насосами 13 через теплообменники 2 в блок нагрева нефти 3. После нагрева сероводородсодержащую нефть направляют в верхнюю часть десорбционной колонны 7 на очистку от сероводорода методом отдувки газом. Газ подают в объеме 3-10 м/т нефти в зависимости от исходного содержания сероводорода (250-1500 млн) и необходимой степени очистки нефти от сероводорода 20 или 100 млн. Для отдувки сероводорода из нефти по газопроводу подают сухой отбензиненный газ, при этом процесс отдувки осуществляют при температуре 45-60 °С и абсолютном давлении в десорбционной колонне 0,14-0,18 МПа. Сероводородсодержащий газ с десорбционной колонны 7 подают после охлаждения газа в конденсатосборник 8. Охлаждение газа с десорбционной колонны 7 производят за счет холодной пресной воды, которую после этого направляют в поток нефти перед десорбционной колонной для обессоливания. Очищенную от сероводорода товарную нефть с нижней части десорбционной колонны 7 последовательно подают в сепаратор горячей ступени сепарации 4, на установку обезвоживания и обессоливания нефти, и по нефтепроводу откачивают в систему магистральных нефтепроводов. Выделившийся при этих операциях сероводородсодержащий газ также подают в конденсатосборник 8 для отделения конденсата, который возвращают в сепаратор первой ступени сепарации 1. Весь полученный газ из кондесатосборника 8 подают на прием компрессоров установки сероочистки и после очистки от сероводорода направляют на газоперерабатывающий завод. Предложенное изобретение позволяет снизить удельную норму подачи газа не менее чем на 20-30%, а в результате подачи предлагаемого газа увеличивается объем отдувки легких фракций из перерабатываемой нефти, что повышает количество продуктов переработки газа. 1 ил.

Формула изобретения

Способ подготовки сероводородсодержащей нефти с высокой концентрацией сероводорода, включающий подачу сырой сероводородсодержащей нефти по трубопроводу в сепаратор первой ступени сепарации, откачиваемой далее насосами и проходящей через теплообменники в блок нагрева нефти, поступающей после нагрева в верхнюю часть десорбционной колонны на отдувку сероводорода из нефти, для чего подают газ в объеме 3-10 м3/т нефти в зависимости от исходного содержания сероводорода (250-1500 млн-1) и необходимой степени очистки нефти от сероводорода 20 или 100 млн-1, при этом для отдувки сероводорода из нефти по газопроводу подают сухой отбензиненный газ, при этом процесс отдувки осуществляют при температуре 45-60°С и абсолютном давлении в десорбционной колонне 0,14-0,18 МПа, сероводородсодержащий газ с десорбционной колонны подают после охлаждения газа в конденсатосборник, причем охлаждение газа с десорбционной колонны производят за счет холодной пресной воды, которую после этого направляют в поток нефти перед десорбционной колонной для обессоливания, очищенную от сероводорода товарную нефть с нижней части десорбционной колонны последовательно подают в сепаратор горячей ступени сепарации, на установку обезвоживания и обессоливания нефти, по нефтепроводу откачивают в систему магистральных нефтепроводов, выделившийся при этих операциях сероводородсодержащий газ также подается в конденсатосборник для отделения конденсата, который возвращают в сепаратор первой ступени сепарации, а весь полученный газ из кондесатосборника подают на прием компрессоров установки сероочистки и после очистки от сероводорода направляют на газоперерабатывающий завод.

Описание

[1]

Изобретение относится к способам подготовки нефти к транспорту и может найти применение при подготовке сероводородсодержащих нефтей, преимущественно на объектах системы нефтесбора.

[2]

Известен способ подготовки сероводородсодержащей нефти, включающий ее сепарацию с последующей нейтрализацией сероводорода реагентом (Сахабутдинов Р.З. и др. Решение проблемы удаления сероводорода из товарной нефти // Технологии нефти и газа. - 2007. - №2. - С. 13).

[3]

Недостатком указанного способа является то, что для снижения массовой доли сероводорода в нефти до нормативных значений после сепарации при избыточном давлении требуется подача в нефть значительного количества реагента, ухудшающего качество нефти и приводящего к значительным затратам.

[4]

Известен способ подготовки сероводородсодержащей нефти, включающий ее многоступенчатую сепарацию, отдувку углеводородным газом в десорбционной колонне, последовательный ввод в нефть при перемешивании азотсодержащего основного и/или щелочного реагента и окислителя с последующей сепарацией (пат. RU №2196804, МПК C10G 27/06, опубл. 20.01.2003 г., Бюл. №2).

[5]

Недостатком данного способа является то, что при проведении отдувки нефти газом, не содержащим сероводорода, образуется значительное количество сероводородсодержащего газа. На объектах подготовки сероводородсодержащей нефти, не имеющих системы газосбора, сероводородсодержащий газ с десорбционной колонны сжигают на факеле. При этом на факеле сжигают как легкие углеводороды C1-3, так и ценные бензиновые фракции, входящие в состав газа сепарации и отдувки. Это приводит к существенному снижению выхода товарной нефти, а сжигание значительного количества сероводородсодержащего газа на факелах - к загрязнению окружающей среды сернистыми соединениями.

[6]

Наиболее близким к предлагаемому изобретению является способ подготовки сероводородсодержащей нефти, включающий многоступенчатую сепарацию и отдувку очищенным углеводородным газом в концевой ступени сепарации (в концевом сепараторе) при температуре 30-70°С и удельном расходе очищенного газа 5-20 м3/т нефти. При этом очистку газов сепарации от сероводорода проводят прямым каталитическим окислением кислородом воздуха при соотношении H2S:O2=1:0,55-0,6 с последующим выделением из очищенных газов образующейся элементарной серы (пат. RU №2071377, МПК B01D 53/52, B01D 19/00, опубл. 10.01.1997, Бюл. №01).

[7]

Недостатком указанного способа является недостаточно высокая степень очистки нефти от сероводорода и легких меркаптанов. Так, при проведении процесса указанным способом остаточное содержание сероводорода в подготовленной нефти составляет в пределах 31-64 ppm при удельном расходе отдувочного газа 5 м3/т и 24-57 ppm при расходе газа 20-25 м3/т нефти. Однако в соответствии с требованиями и нормами проекта нового ГОСТ на нефть остаточное содержание сероводорода в подготовленной для транспортировки нефти не должно превышать 20 ppm и метил-, этилмеркаптанов в сумме - 40 ppm (см. ГОСТ Р 51858-2002 "Нефть. Общие технические условия". Проект. Окончательная редакция. Дата введения 01.07.2002, г. Уфа, "ИПТЭР", 2001. Взамен ГОСТ 9965-76). Кроме того, указанный способ предусматривает использование достаточно сложного для осуществления в промысловых условиях нового процесса сероочистки углеводородного газа прямым каталитическим окислением сероводорода кислородом воздуха. Это ограничивает также практическое использование способа на существующих установках подготовки сероводородсодержащей нефти, где уже имеется узел сероочистки газов сепарации растворами этаноламинов.

[8]

Задачей изобретения является снижение остаточного содержания сероводорода в подготовленной нефти (до уровня современных требований) при сохранении высокого выхода товарной нефти, а также сокращение расхода десорбирующего газа и повышения количества продуктов переработки газа.

[9]

Поставленная задача решается способом подготовки сероводородсодержащей нефти с высокой концентрацией сероводорода, включающим подачу сырой сероводородсодержащей нефти по трубопроводу в сепаратор первой ступени сепарации, откачиваемой далее насосами и проходящей через теплообменники в блок нагрева нефти, поступающей после нагрева в верхнюю часть десорбционной колонны на отдувку сероводорода из нефти, для чего подают газ в объеме 3-10 м3/т нефти, в зависимости от исходного содержания сероводорода (250-1500 млн-1) и необходимой степени очистки нефти от сероводорода 20 или 100 млн-1, при этом для отдувки сероводорода из нефти по газопроводу подают сухой отбензиненный газ, при этом процесс отдувки осуществляют при температуре 45-60°С и абсолютном давлении в десорбционной колонне 0,14-0,18 МПа, сероводородсодержащий газ с десорбционной колонны подают после охлаждения газа в консатосборник, причем охлаждение газа с десорбционной колонны производят за счет холодной пресной воды, которую после этого направляют в поток нефти перед десорбционной колонной для обессоливания, очищенная от сероводорода товарная нефть с нижней части десорбционной колонны последовательно подают в сепаратор горячей ступени сепарации, на установку обезвоживания и обессоливания нефти, по нефтепроводу откачивают в систему магистральных нефтепроводов, выделившийся при этих операциях сероводородсодержащий газ также подается в конденсатосборник для отделения конденсата, который возвращают в сепаратор первой ступени сепарации, а весь полученный газ из кондесаторосборника подают на прием компрессоров установки сероочистки, и после очистки от сероводорода направляют на газоперерабатывающий завод.

[10]

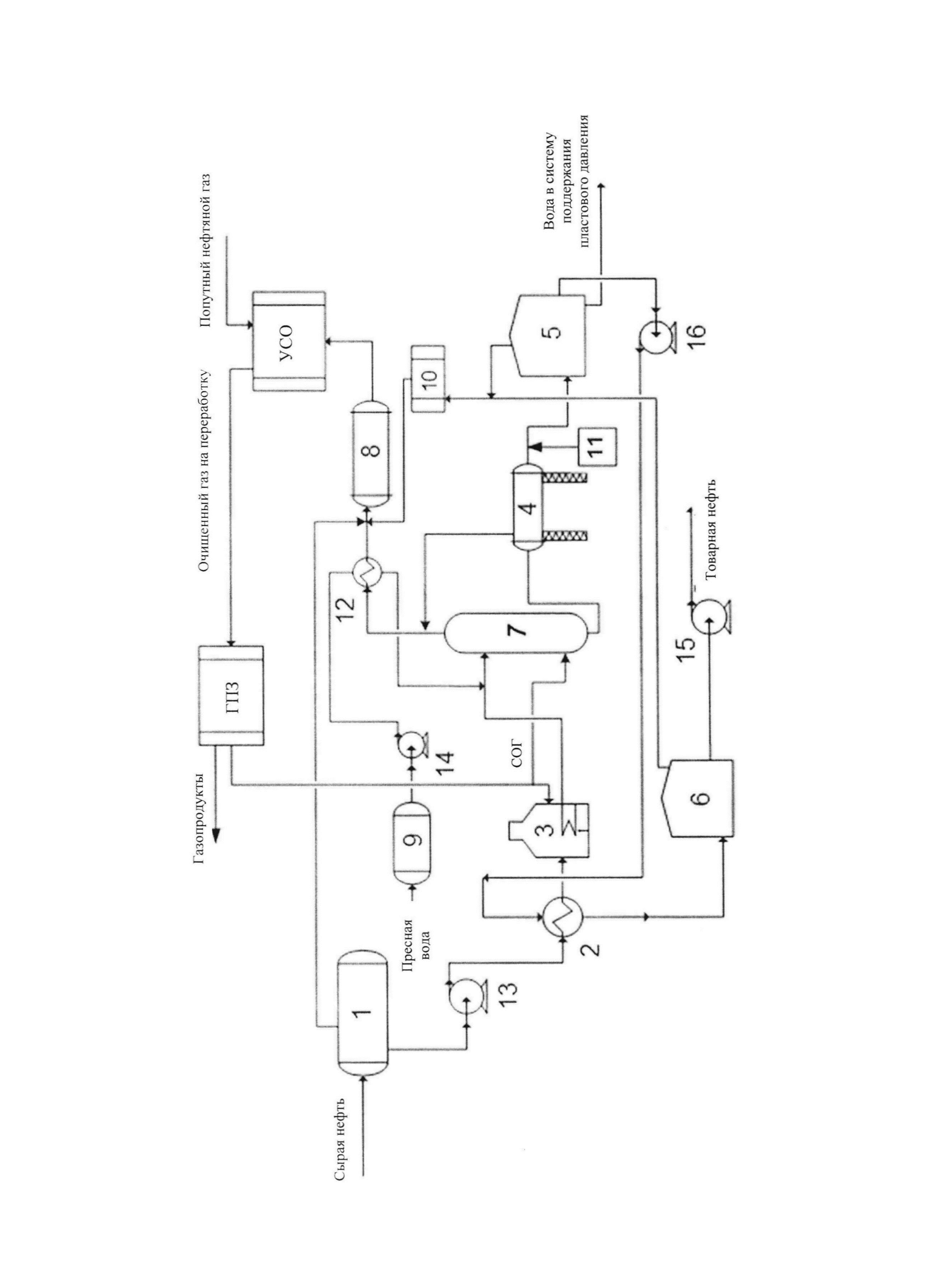
На чертеже изображена принципиальная схема установки подготовки высокосернистой нефти (далее УПВСН) с новыми технологичными решениями.

[11]

Изображены на чертеже следующие элементы: первая ступень сепарации нефти 1, теплообменник 2, блок нагрева 3, горячая ступень сепарации 4, технологические резервуары 5, товарные резервуары 6, десорбционная колонна - колонна отдувки 7, кондесатосборник 8, буферная емкость пресной воды 9, система улавливания легких фракций 10, реагентное хозяйство 11, теплообменник 12 охлаждения газа, насосы 13-16, сухой отбензиненный газ (СОГ), установка сероочистки (УСО), газоперерабатывающей завод (ГПЗ).

[12]

Предложенный способ осуществляется согласно принципиальной схеме УПВСН с новыми технологическими решениями.

[13]

Сырая сероводородсодержащая нефть по трубопроводу (показаны условно) подают в сепаратор первой ступени сепарации 1. Далее откачивают насосами 13 для подачи через теплообменники 2 в блок нагрева нефти 3. После нагрева сероводородсодержащая нефть направляют в верхнюю часть десорбционной колонны 7 для очистки от сероводорода методом отдувки газом. Удельная норма подаваемого газа в колонну составляет 3-10 м3 на 1 тонну нефти, которая зависит от исходного содержания сероводорода (250-1500 млн-1) и необходимой степени очистки нефти от сероводорода (20 или 100 млн-1). Процесс отдувки осуществляют при температуре 45-60°С и абсолютном давлении в десорбционной колонне 0,14-0,18 МПа. Проводить отдувку нефти при температуре ниже 45°С нецелесообразно вследствие необходимости подачи в десорбционную колонну большого количества газа, а отдувка при температуре выше 60°С ограничивается температурой сдачи нефти. Отдувка нефти при абсолютном давлении ниже 0,15 МПа ограничена характеристиками компрессоров на приеме УСО, выше 0,2 МПа - необходимостью подачи на отдувку значительного количества газа для доведения массовой доли сероводорода до нормативных значений. Для отдувки сероводорода из нефти по газопроводу предусмотрена подача сухого отбензиненного газа с ГПЗ и очищенного нефтяного газа с установки сероочистки. Сероводородсодержащий газ с десорбционной колонны 7 охлаждают в теплообменнике 12, где также нагревают пресную воду, подаваемую для обессоливания в поток нефти перед подачей в десорбционную колонну 7. Охлаждение в теплообменники 12 сероводородсодержащего газа пресной водой по сравнению с нефтью или использованием аппаратов воздушного охлаждения позволяет снизить капельный унос легких фракций нефти с газом и снизить затраты на нагрев нефти, так как подача 2-6% холодной пресной воды приводит к охлаждению нефти на 1-3°С. Перед нагревом пресная вода закачивают в буферную накопительную емкость 9 откуда откачивают насосом 14 в поток нефти. После охлаждения сероводородсодержащий газ направляют на прием конденсатосборника 8. На прием конденсатосборника 8 также подают газ с первой ступени сепарации 1 и газ, поступающий с системы улавливания легких фракций 10. Очищенная от сероводорода товарная нефть с нижней части десорбционной колонны 7 поступает в сепаратор 4 горячей ступени и далее в технологические резервуары 5, где происходит обезвоживание и обессоливание нефти. Из резервуаров 5 нефть насосами 16 прокачивают через теплообменники 2 в товарные резервуары 6, откуда насосами 16 по нефтепроводу откачивают насосами 15 в систему магистральных нефтепроводов (показаны условно). При этом выделившийся газ из резервуаров 5 подают в систему улавливания легких фракций 10, а выделившуюся воду - в систему подержания пластового давления. И конденсатосборника 8 освобожденный от конденсата газ подают на прием компрессоров УСО, а после очистки от сероводорода, из которого в отличие от других предлагаемых вариантов весь газ подается на ГПЗ, тем самым увеличивая количество продуктов переработки газа.

[14]

В данной технологической схеме предусмотрен дополнительный блок очистки нефти от сероводорода - реагентное хозяйство 11, которое можно использовать для очистки нефти от сероводорода во время планово-предупредительных ремонтах на установке сероочистки или на газоперерабатывающем заводе, а также для использования комбинированного метода очистки нефти, то есть сначала производится отдувка нефти сухим отбензиненным газом до 100-300 млн-1, а потом подается реагент нейтрализатор сероводорода для достижения остаточного содержания сероводорода в нефти 20-100 млн-1.

[15]

В предложенном способе подача сухого отбензиненного газа по газопроводу для отдувки сероводорода из нефти позволяет снизить удельную норму подачи газа не менее чем на 20-30%, а в результате подачи предлагаемого газа увеличивается объем отдувки легких фракций из перерабатываемой нефти, что повышает соответственно количество продуктов переработки газа.

Как компенсировать расходы
на инновационную разработку
Похожие патенты