патент
№ RU 2541509
МПК H05H5/00

БЛОК ИЗЛУЧАТЕЛЯ НЕЙТРОНОВ

Авторы:
Пресняков Юрий Константинович Бобылев Владимир Тимофеевич Брагин Сергей Иванович
Все (5)
Номер заявки
2013148413/07
Дата подачи заявки
31.10.2013
Опубликовано
20.02.2015
Страна
RU
Как управлять
интеллектуальной собственностью
Чертежи 
2
Реферат

Изобретение относится к устройствам импульсных излучателей с получением разовых или многоразовых импульсов нейтронного и рентгеновского излучения. В заявленном блоке излучателя нейтронов нейтронная трубка (8) с металлическим корпусом (9) герметично закреплена на торце корпуса блока схемы питания, имеет с ним тепловой и электрический контакты с возможностью смены нейтронной трубки. При этом нейтронная трубка размещена с зазором между высоковольтным изолятором (16) нейтронной трубки и изолятором блока схемы питания (17), заполненным газообразным диэлектриком (18). Между корпусом нейтронной трубки и мишенью расположено керамическое кольцо с электрическим сопротивлением, равным сопротивлению смещения. Блок схемы питания и нейтронная трубка электрически соединены между собой плавающими контактами. Техническим результатом является увеличение ресурса, повышение интенсивности излучения за счет удаления изоляционных материалов из области вокруг ускоряющего электрода, повышение стабильности. 2 з.п. ф-лы, 3 ил.

Формула изобретения

1. Блок излучателя нейтронов, содержащий нейтронную трубку со схемой питания, включающей накопительный конденсатор, схему формирования ускоряющего импульса напряжения на нейтронную трубку, схему питания ионного источника нейтронной трубки, схему формирования импульса поджига нейтронной трубки, причем схема питания размещена отдельным блоком в металлическом герметичном корпусе, залитом жидким диэлектриком, с системой термокомпенсации, отличающийся тем, что нейтронная трубка с металлическим корпусом герметично закреплена на торце корпуса блока схемы питания, имеет с ним тепловой и электрический контакты с возможностью смены нейтронной трубки, нейтронная трубка размещена с зазором между высоковольтным изолятором нейтронной трубки и изолятором блока схемы питания, заполненным газообразным диэлектриком.

2. Блок излучателя нейтронов по п.1, отличающийся тем, что между корпусом нейтронной трубки и мишенью расположено керамическое кольцо с электрическим сопротивлением, равным сопротивлению смещения.

3. Блок излучателя нейтронов по п.1, отличающийся тем, что блок схемы питания и нейтронная трубка электрически соединены между собой плавающими контактами.

Описание

[1]

Изобретение относится к устройствам импульсных излучателей - генераторов разовых или многоразовых импульсов нейтронного и рентгеновского излучения.

[2]

Известно устройство для импульсного нейтронного каротажа скважин, состоящее из наземной аппаратуры временного анализа импульсов, блока управления и питания и скважинного прибора, содержащего импульсный источник быстрых нейтронов, выполненный на ускорительной трубке с мишенью, каналы регистрации нейтронов и гамма-квантов, схему управления источником нейтронов, источник питания, в котором в каналы регистрации введены преобразующие сплошной спектр счетных импульсов в линейчатые схемы пропускания, управляемые одним задающим генератором и генератором цуга, а в цепь генератора цуга введена линия задержки и триггер, выходы которого подключены к входам управления схемы пропускания. Задающий генератор выполнен по схеме ждущего мультивибратора, одно плечо которого подключено к наземному источнику регулируемого напряжения. Авторское свидетельство СССР №447097, МПК: G01V 5/10, 2000 г. Устройство нестабильно и ненадежно в работе, громоздко.

[3]

Известен импульсный нейтронный генератор на вакуумной нейтронной трубке, содержащий блок трубки в виде металлического корпуса, залитого жидким диэлектриком, в котором расположена нейтронная трубка с ее схемой питания, блок коммутации со схемой формирования управляющего импульса, блока электроники. Серийно выпускаемый блок трубки ИНГ-013БТ. Прототип. Сборник материалов, Межотраслевой научно-технической конференции «Портативные генераторы нейтронов и технологии на их основе», Всероссийский научно-исследовательский институт автоматики им. Н.Л. Духова, 2004, с.73. Прототип имеет ограниченный ресурс работы.

[4]

Задачей изобретения является разработка мощного, стабильного нейтронного генератора с большим ресурсом работы.

[5]

Техническим результатом изобретения является увеличение ресурса, повышение интенсивности за счет удаления изоляционных материалов из области вокруг ускоряющего электрода, повышение стабильности.

[6]

Технический результат достигается тем, что в блоке излучателя нейтронов, содержащем нейтронную трубку со схемой питания, включающей накопительный конденсатор, схему формирования ускоряющего импульса напряжения на нейтронную трубку, схему питания ионного источника нейтронной трубки, схему формирования импульса поджига нейтронной трубки, причем схема питания размещена отдельным блоком в металлическом герметичном корпусе, залитом жидким диэлектриком, с системой термокомпенсации, нейтронная трубка с металлическим корпусом герметично закреплена на торце корпуса блока схемы питания, имеет с ним тепловой и электрический контакты с возможностью смены нейтронной трубки, нейтронная трубка размещена с зазором между высоковольтным изолятором нейтронной трубки и изолятором блока схемы питания, заполненным газообразным диэлектриком. Между корпусом нейтронной трубки и мишенью расположено керамическое кольцо с электрическим сопротивлением, равным сопротивлению смещения. Блок схемы питания и нейтронная трубка электрически соединены между собой плавающими контактами.

[7]

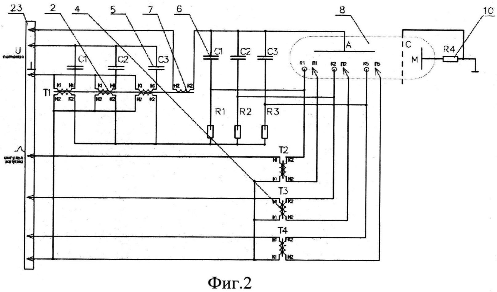
Сущность изобретения поясняется на фиг.1, фиг.2 и фиг.3.

[8]

На фиг.1 схематично представлен продольный разрез блока излучателя, где: 1 - металлический корпус блока схемы питания нейтронной трубки; 2 - металлический замкнутый сердечник высоковольтного трансформатора, 3 - импульсный высоковольтный трансформатор, 4 - трансформаторы поджига НТ, 5 - накопительный конденсаторы, 6 - конденсаторы источников, 7 - дроссель, 8 - нейтронная трубка, 9 - металлический корпус НТ, 10 - сопротивление смещения, 11 - мишенный электрод НТ, 12 - сеточный электрод НТ, 13 - анодный электрод НТ, 14 - катодный электрод НТ, 15 - поджигающий электрод НТ, 16 - высоковольтный изолятор НТ, 17 - изолятор блока схемы питания, 18 - газообразный диэлектрик, 19 - жидкий диэлектрик, 20 - электрический экран, 21 - плавающие контакты, 22 - элементы крепления и герметизации, 23 - проходные керамические изоляторы, 24 - термокомпенсатор.

[9]

На фиг.2 представлена схема блока излучателя нейтронов, где: 2 - металлический замкнутый сердечник высоковольтного трансформатора, 4 - трансформаторы поджига НТ, 5 - накопительный конденсаторы, 6 - конденсаторы источников, 7 - дроссель, 8 - нейтронная трубка, 10 - сопротивление смещения, 23 - проходные керамические изоляторы.

[10]

На фиг.3 схематично представлено разбиение блока излучателя нейтронного генератора на функциональные блоки: блок схемы питания нейтронной трубки БП и блок нейтронной трубки в металлическом корпусе НТ, где: 10 - сопротивление смещения, 11 - мишенный электрод НТ, 12 - сеточный электрод НТ, 21 - плавающие контакты.

[11]

Блок излучателя выполнен в виде двух функциональных блоков (фиг.3): блока схемы питания нейтронной трубки БП и нейтронной трубки в металлическим корпусом НТ. БП заполнен жидким диэлектриком. Полость между изолятором НТ и изолятором БП заполнена газообразным диэлектриком. Такое конструктивное выполнение излучателя позволяет осуществлять быструю замену НТ при отработке ее ресурса.

[12]

Блок схемы питания нейтронной трубки БП включает корпус 1, высоковольтную часть схемы ее питания, обеспечивающую ускоряющее напряжение с высоковольтным трансформатором 3 на замкнутом металлическом сердечнике 2, трансформатор поджига 4, накопительные конденсаторы 5, конденсатор источника ионов 6, дроссель 7.

[13]

Для обеспечения электрической прочности и теплопередачи от внутренних источников энергии во внешнюю среду БП залит жидким диэлектриком 19. Для компенсации температурного изменения объема жидкого диэлектрика установлен компенсатор 24.

[14]

Нейтронная трубка 8 НТ содержит металлический корпус 9, несколько ионных искровых источников дейтонов 14, 15 при общем аноде 13. Анодный узла обеспечивает повышенный в 2-3 раза ресурс работы трубки.

[15]

Сеточный электрод 12 жестко соединен с корпусом 9 нейтронной трубки, внутри которой коаксиально закреплена мишень и сопротивление смещения 10 (керамическое кольцо).

[16]

Сопротивление керамического кольца 10 равно сопротивлению смещения между сеточным 12 и мишенным 11 электродами. Величина этого сопротивления лежит в пределах от 800 Ом до 5 кОм.

[17]

Технологически сопротивление на керамике может быть выполнено различными способами: напылением резистивного слоя, выполнением объемного сопротивления в керамике и т.д.

[18]

Анодный узел 13 жестко закреплен на одном конце высоковольтного керамического изолятора 16, другой конец которого закреплен на корпусе 9 нейтронной трубки 8 и соединен с электрическим экраном 20 для выравнивания электрического поля в блоке излучателя.

[19]

Нейтронная трубка 8 с металлическим корпусом 9 герметично и жестко закреплена на торце корпуса 1 блока схемы питания при помощи элементов крепежа и герметизации 22, имеет с корпусом 1 электрический и тепловой контакт, размещена с зазором 18 между высоковольтным изолятором 16 и изолятором блока питания 17 заполненным газообразным диэлектриком. В качестве газообразного диэлектрика в излучателе использован элегаз, имеющий лучшие по сравнению с жидкими диэлектриками свойства.

[20]

В качестве жидкого диэлектрика 19 в БП использовано масло ТКп, имеющее хорошие диэлектрические свойства. Одним из наиболее подходящих жидких диэлектриков является кремнийорганическая жидкость ПФМС-2/5 Л, обладающая аналогичными с маслом ТКп диэлектрическими свойствами (50 кВ/2,5 мм) и коэффициентом объемного расширения.

[21]

Внешнее питание и импульсы запуска подают через керамические проходные изоляторы 23.

[22]

Блок излучателя работает следующим образом.

[23]

При срабатывании коммутирующего элемента (на фигурах не показан) накопительные конденсаторы 5, заряженные до напряжения 4,5 кВ, разряжаются через первичные обмотки трансформатора 4. На вторичной обмотке формируется импульс напряжения 100-150 кВ длительностью 4 мкс, положительной полярности и через систему контактов 21 подается на катод 14 нейтронной трубки. С задержкой 0,8 мкс один из трансформаторов 4 формирует импульс поджига ионного источника и разряд конденсаторов 6 через анод13 и катод 14. Образовавшиеся ионы дейтерия бомбардируют мишенный электрод нейтронной трубки 8. На мишени в результате реакции1H2+1H32He4+n образуются нейтроны с энергией 14 МэВ и вторичные электроны.

[24]

При протекании тока через ускоряющий зазор на сопротивлении смещения 10 возникает разность потенциалов, которая запирает вторичные электроны, образовавшиеся в процессе бомбардировки мишени нейтронной трубки 8 ионами дейтерия, что позволяет уменьшить паразитный ток трубки и повысить тем самым срок ее службы.

[25]

При работе блока излучателя происходит разогрев мишенного электрода 11 до температуры 100°C. Так как мишень блока открыта, она охлаждается естественным путем и принудительным охлаждением воздухом или водой.

[26]

В излучателе можно последовательно автоматически подключать источники, увеличивая ресурс работы блока излучателя до 500-600 часов.

[27]

Ресурс определен длительностью работы блока питания и составляет 1000 часов.

Как компенсировать расходы
на инновационную разработку
Похожие патенты