патент
№ RU 2685546
МПК H04B1/00

Корабельный комплекс связи для кораблей 3-го и 4-го рангов и судов обеспечения

Авторы:
Березовский Владимир Александрович Юрьев Александр Николаевич Зачатейский Дмитрий Евгеньевич
Все (5)
Номер заявки
2017138173
Дата подачи заявки
01.11.2017
Опубликовано
22.04.2019
Страна
RU
Как управлять
интеллектуальной собственностью
Чертежи 
1
Реферат

Изобретение относится к области связи, а именно к технике корабельных комплексов радиосвязи, и может быть использовано для организации внутренней и внешней связи на малых кораблях 3-го и 4-го рангов, судах обеспечения и других подвижных объектах. Технический результат – обеспечение электромагнитной совместимости при одновременной работе комплекса связи в нескольких направлениях. Корабельный комплекс связи содержит антенно-фидерную подсистему, приемную штыревую антенну, две приемопередающие антенны УКВ-диапазона, антенный коммутатор передающих антенн, радиопередающие и радиоприемные устройства КВ-диапазона, первую и вторую радиостанции УКВ-диапазона, автоматизированную интеллектуально-управляющую подсистему, магнитную приемную антенну, две штыревые широкополосные передающие KB антенны, пульт управления коммутатором передающих антенн, модифицированное автоматизированное рабочее место дежурного по связи (АРМ ДС), обеспечивающее возможность выполнения функции как АРМ ДС, так и АРМ оператора. 1 ил.

Формула изобретения

Корабельный комплекс связи, содержащий в своем составе антенно-фидерную подсистему, приемную штыревую антенну, а также первую и вторую приемопередающие антенны УКВ-диапазона, антенный коммутатор передающих антенн, каналообразующую подсистему, включающую первое, второе и третье радиоприемные устройства КВ-диапазона, первую и вторую радиостанции УКВ-диапазона, автоматизированную интеллектуально-управляющую подсистему, включающую первый, второй, третий и четвертый распределительные блоки, адаптеры технических средств, первый и второй коммутаторы Ethernet, коммутатор ШАС, подсистему обработки, распределения и защиты информации, включающую шифровальную аппаратуру телефонного сигнала, выносные посты связи, подсистему электропитания, включающую распределительные коробки электропитания, источники бесперебойного питания, отличающийся тем, что дополнительно введены магнитная приемная антенна, первый и второй выходы которой подключены к высокочастотным входам соответственно первого и второго приемников, первая и вторая штыревые широкополосные передающие KB антенны с нормированным КСВ, обеспечивающие работу передатчика на них без согласующего устройства, пульт управления коммутатором передающих антенн, автоматизированное рабочее место дежурного по связи (АРМ ДС), обеспечивающее возможность выполнения функций как АРМ ДС, так и АРМ оператора, аппаратура передачи ШАС, телефонный аппарат, при этом входы первой и второй передающих антенн подключены соответственно к первому и второму выходу коммутатора передающих антенн, к первому и второму входу которого подключены высокочастотные выходы соответственно первого и второго KB передатчиков, к входу-выходу коммутатора передающих антенн подключен первый вход-выход пульта управления, первый и второй выходы приемной магнитной антенны подключены соответственно к высокочастотным входам первого и второго приемников, выход приемной штыревой антенны подключен к высокочастотному входу третьего приемника, входы-выходы первой и второй приемопередающих УКВ антенн подключены к высокочастотным входам-выходам соответственно первой и второй УКВ радиостанций, первый и второй входы-выходы первого распределительного блока подключены к первым входам-выходам соответственно первого и второго KB передатчика, третий вход-выход распределительного блока подключен ко второму входу-выходу пульта управления, четвертый, пятый и шестой входы-выходы распределительного блока подключены к входам-выходам соответственно первого, второго и третьего приемников, седьмой, восьмой, девятый, десятый, одиннадцатый и двенадцатый входы-выходы подключены к первым входам-выходам первого, второго, третьего, четвертого, пятого и шестого адаптеров технических средств, второй и третий выходы каждого из которых подключены соответственно к первому и второму коммутатору Ethernet, входы-выходы первой и второй приемопередающих УКВ антенн подключены к высокочастотным входам-выходам УКВ радиостанций, низкочастотные выходы которых подключены через распределительные блоки к первым входам-выходам седьмого и восьмого адаптера технических средств, второй и третий выходы каждого из которых подключены соответственно к первому и второму коммутатору Ethernet, первый вход-выход девятого адаптера подключен к первому входу-выходу первой телефонной шифровальной аппаратуры связи, второй вход-выход подключен к специальному телефонному аппарату, первый вход-выход десятого и одиннадцатого адаптера технических средств через распределительный блок подключены к первому входу-выходу второй телефонной шифровальной аппаратуры связи (ШАС), второй вход-выход которой подключен к первому входу-выходу коммутатора шифровальной аппаратуры, первый вход-выход двенадцатого и тринадцатого адаптера технических средств подключены к первому входам-выходам распределительного блока, к третьему и четвертому входам-выходам которого соответственно - датчик кода Морзе и аппаратура передачи данных ШАС, пятый и шестой вход-выход распределительного блока подключены к второму и третьему входам-выходам коммутатора ШАС соответственно, к пятому и шестому выходам которого подключены первый и второй выносные посты связи, первые входы-выходы четырнадцатого и пятнадцатого адаптеров ТС подключены к двуканальному устройству записи, первый и второй входы-выходы АРМ ДС соединены с соответствующими входами-выходами первого и второго коммутатора Ethernet.

Описание

[1]

Изобретение относится к области связи, а именно к технике корабельных комплексов радиосвязи, и может быть использовано для организации внутренней и внешней связи на малых кораблях 3-го и 4-го рангов, судах обеспечения и других подвижных объектах.

[2]

Известен корабельный комплекс связи (патент на полезную модель №47154) [1]. Комплекс состоит из подсистемы антенно-коммутационного оборудования, подсистемы радиоканальных средств радиосвязи, подсистемы аппаратуры управления и подсистемы оконечной и специальной аппаратуры, соединенных между собой посредством системы цифровой коммутации и управления (СЦКУ). Недостатком прототипа является применение СЦКУ для объединения подсистем, что увеличивает массогабаритные и стоимостные характеристики комплекса, по сравнению с применением для коммутации аппаратуры комплекса локальной вычислительной сети Ethernet.

[3]

Наиболее близким к предлагаемому является корабельный комплекс связи (патент на изобретение №2608562 [2], выполненный в виде пяти подсистем, соединенных между собой посредством разнесенной по кораблю внутрикомплексной транспортной сети, при этом основным элементом комплекса является вычислительный комплекс управления информационно-управляющей системы, который обеспечивает автоматизацию процессов управления соединений в сетях радиосвязи с заданными корреспондентами, оценку и выбор радиоканалов, динамическое управление параметрами радиоканала, мониторинг радиосетей, формирование и контроль состояния трактов связи, а также коммутацию АРМ ДС на оконечную аппаратуру и радиоканальные средства связи.

[4]

Недостатками известного корабельного комплекса являются излишне высокие массогабаритные характеристики аппаратуры комплекса, сложность обеспечения электромагнитной совместимости приемных и передающих антенн, надежность при его установке на малые корабли.

[5]

Создание корабельного комплекса связи для малых кораблей не может быть реализовано одним только масштабированием в меньшую сторону количества аппаратуры комплекса связи корабля старшего ранга и предполагает решение таких вопросов, как снижение массогабаритных характеристик аппаратуры из состава комплекса и комплекса связи в целом, обеспечение высокой надежности работы аппаратуры комплекса, в связи с ограниченными возможностями резервирования аппаратуры, решение вопросов электромагнитной совместимости, из-за ограничений на разнесение приемных и передающих антенн.

[6]

В частности, причиной недостатков прототипа является неоптимальный для малого корабля выбор антенн. Так, примененная в корабельном комплексе-прототипе передающая KB антенна К-667-001 в диапазоне частот 1,5-4,0 МГц имеет ненормированный коэффициент бегущей волны (КБВ) и слишком малый КБВ в диапазоне 4,0-6,0 МГц. Поэтому, для работы комплекса через данную антенну необходимо применить согласующее устройство.

[7]

Примененное в прототипе согласующее устройство ШСУ имеет интерфейс провод-команда, что дополнительно усложняет схему комплекса за счет необходимости применения помимо адаптера технических средств блока расширения, который оказывается необходим из-за недостаточного количества цепей провод-команд в адаптере ТС.

[8]

Примененная в прототипе приемная штыревая антенна К-660 также не оптимальна для малого корабля, где возникает проблема обеспечения электромагнитной совместимости приемных и передающих трактов из-за ограниченности размеров корабля и невозможности достаточного пространственного разноса приемной и передающей штыревых антенн.

[9]

Применение используемых в прототипе УКВ радиостанций Р-625 также неоптимально для малого корабля из-за устаревшего интерфейса провод-команда в радиостанции и необходимости использовать для управления радиостанцией, помимо адаптера ТС, дополнительно блок расширения, что усложняет схему и снижает надежность работы.

[10]

Задача изобретения - снижение массогабаритных характеристик аппаратуры комплекса, обеспечение электромагнитной совместимости приемных и передающих антенн, повышение надежности и живучести комплекса при сохранении или минимальном снижении функциональных возможностей.

[11]

Поставленная задача достигается тем, что в корабельном комплексе связи, содержащем в своем составе антенно-фидерную подсистему, включающую приемную штыревую антенну, а также первую и вторую приемопередающие антенны УКВ диапазона, антенный коммутатор передающих антенн, каналообразующую подсистему, включающую первое и второе радиопередающие, первое, второе и третье радиоприемные устройства СВ и КВ-диапазона, первую и вторую радиостанции УКВ диапазона, автоматизированную интеллектуально-управляющую подсистему, включающую первый, второй, третий и четвертый распределительные блоки, адаптеры технических средств, первый и второй коммутаторы Ethernet, коммутатор ШАС, подсистему обработки, распределения и защиты информации, включающую шифровальную аппаратуру телефонного сигнала, выносные посты связи, подсистему электропитания, включающую распределительные коробки электропитания, источники бесперебойного питания, дополнительно введены магнитная приемная антенна, первая и вторая штыревые широкополосные передающие KB антенны с нормированным КСВ, обеспечивающие работу передатчика на них без согласующего устройства, пульт управления коммутатором передающих антенн, модифицированное автоматизированное рабочее место дежурного по связи (АРМ ДС), обеспечивающий возможность выполнения функций как АРМ ДС, так и АРМ оператора, аппаратура передачи данных ШАС, специальный телефонный аппарат, При этом, первый и второй выходы магнитной приемной антенны подключены к высокочастотным входам соответственно первого и второго приемников, входы первой и второй передающих антенн подключены соответственно к первому и второму выходу коммутатора передающих антенн, к первому и второму входу которого подключены высокочастотные выходы соответственно первого и второго KB передатчиков, к входу-выходу коммутатора передающих антенн подключен первый вход-выход пульта управления, первый и второй выходы приемной магнитной антенны подключены соответственно к высокочастотным входам первого и второго приемников, выход приемной штыревой антенны подключен к высокочастотному входу третьего приемника. Входы-выходы первой и второй приемопередающих УКВ антенн подключены к высокочастотным входам-выходам соответственно первой и второй УКВ радиостанций, первый и второй входы-выходы первого распределительного блока подключены к первым входам-выходам соответственно первого и второго KB передатчика, третий вход-выход распределительного блока подключен ко второму входу-выходу пульта управления, четвертый, пятый и шестой входы-выходы распределительного блока подключены к входам-выходам соответственно первого, второго и третьего приемников, седьмой, восьмой, девятый, десятый, одиннадцатый и двенадцатый входы-выходы подключены к первым входам-выходам первого, второго, третьего, четвертого, пятого и шестого адаптеров технических средств, второй и третий выходы каждого из которых подключены соответственно к первому и второму коммутатору Ethernet. Входы-выходы первой и второй приемопередающих УКВ антенн подключены к высокочастотным входам-выходам УКВ радиостанций, низкочастотные выходы которых подключены через распределительные блоки к первым входам-выходам седьмого и восьмого адаптера технических средств, второй и третий выходы каждого из которых подключены соответственно к первому и второму коммутатору Ethernet, второй и третий входы-выходы каждого из адаптеров с девятого по пятнадцатый подключены соответственно к первому и второму коммутатору Ethernet, первый вход-выход девятого адаптера подключен к первому входу-выходу первой телефонной шифровальной аппаратуры связи, второй вход-выход которой подключен к специальному телефонному аппарату, первый вход-выход десятого и одиннадцатого адаптера технических средств через распределительный блок подключены к первому входу-выходу второй телефонной шифровальной аппаратуры связи (ШАС), второй вход-выход которой подключен к первому входу-выходу коммутатора шифровальной аппаратуры, первый вход-выход двенадцатого и тринадцатого адаптера технических средств подключены к первому и второму входам-выходам распределительного блока, к третьему и четвертому входам-выходам которого подключены соответственно датчик кода Морзе и аппаратура передачи данных ШАС, пятый и шестой вход-выход распределительного блока подключены к второму и третьему входам-выходам коммутатора ШАС соответственно, к пятому и шестому выходам которого подключены первый и второй выносные посты связи, первые входы-выходы четырнадцатого и пятнадцатого адаптеров ТС подключены к двухканальному устройству записи, первый и второй входы-выходы модернизированного АРМ ДС соединены с соответствующими входами-выходами первого и второго коммутатора Ethernet. При этом шифровальная телефонная аппаратура первого типа, шифровальная телефонная аппаратура второго типа и аппаратура передачи данных АПД ШАС устанавливается в комплексе только в случаях, когда ее необходимость диктуется выполняемыми данным кораблем задачами.

[12]

Достигаемым техническим результатом является снижение массогабаритных характеристик аппаратуры комплекса, обеспечение электромагнитной совместимости приемных и передающих антенн, при сохранении или минимальном снижении функциональных возможностей.

[13]

Снижение массогабаритных характеристик обеспечивается за счет применения широкополосных передающих антенн, не требующих согласующих устройств за счет:

[14]

- использования в составе комплекса программно-управляемых устройств преимущественно с интерфейсом Ethernet, что позволяет не использовать адаптер ТС;

[15]

- отказ от применения в ККС изделий, управляемых по стыку провод-команда, что позволяет не использовать блок расширения совместно с адаптером ТС;

[16]

- использования в антенно-фидерной подсистеме широкополосных передающих коротковолновых антенн, не требующих применения согласующих устройств;

[17]

- объединение в одном изделии АРМ ДС функций АРМ ДС и функции АРМ О, путем интеграции программного обеспечения АРМ О в изделие АРМ ДС. Это позволяет для малых кораблей с небольшим трафиком одному дежурному по связи работать с АРМ ДС и с АРМ О.

[18]

Электромагнитная совместимость приемных и передающих антенн обеспечивается на малом корабле путем использования штыревых передающих и магнитных приемных антенн, что позволяет их устанавливать друг от друга на расстоянии не более 10 м (Изделие «Акция-КВ». СКЖГ.464.639.005 ТУ) [3]. Это объясняется тем, что на малых удалениях от штыревой передающей антенны электромагнитное поле имеет преимущественно электрический характер, в то время, как магнитная антенна воспринимает только магнитную составляющую.

[19]

Применение такой системы позволяет снизить массогабаритные характеристики аппаратуры комплекса, обеспечить электромагнитную совместимость приемных и передающих антенн, а также повысить надежность работы комплекса связи.

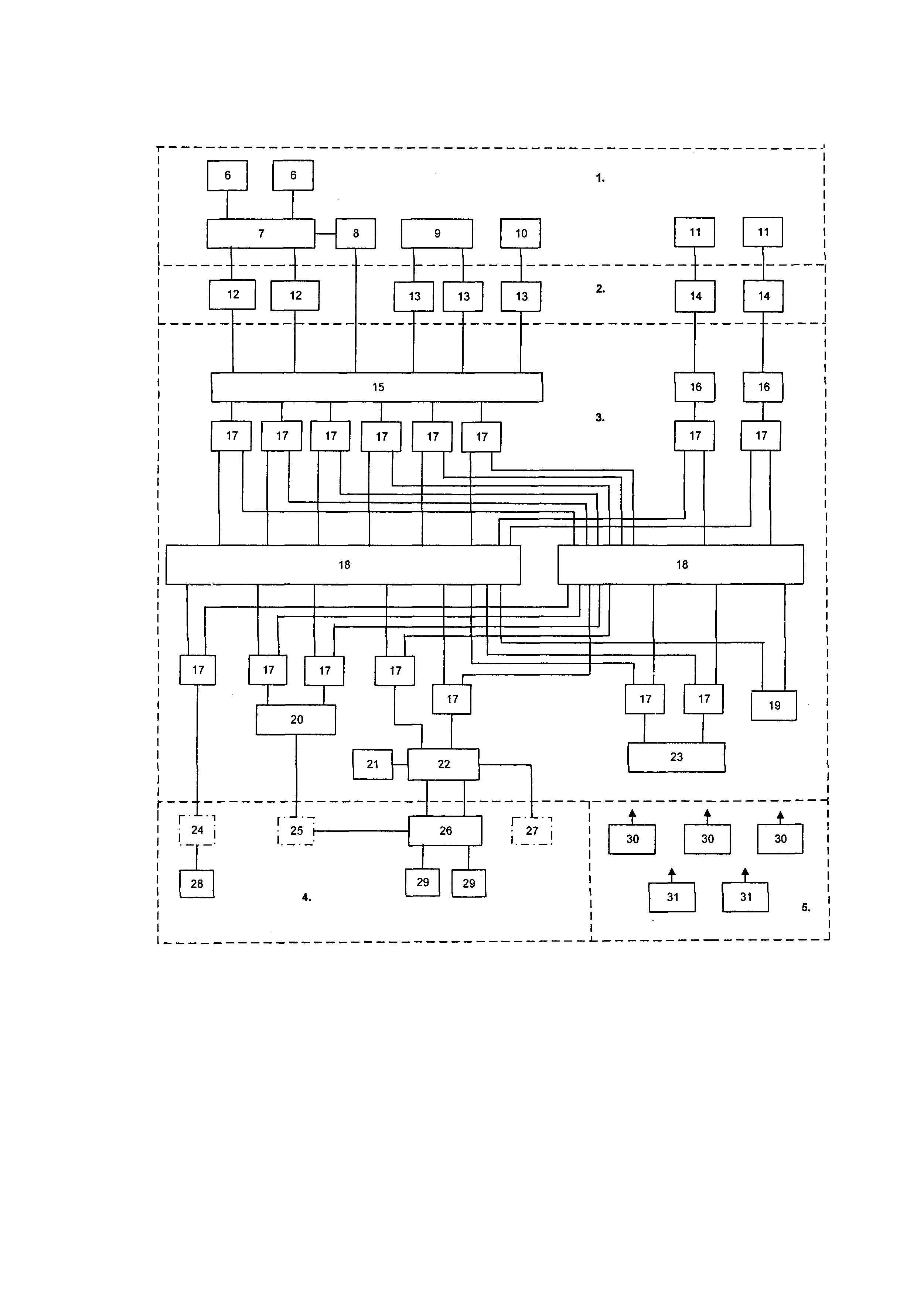
[20]

На чертеже представлена схема предлагаемого корабельного комплекса связи, содержащая следующие основные подсистемы:

[21]

- антенно-фидерная подсистема (АФП) - 1;

[22]

- каналообразующая подсистема (КОП) - 2;

[23]

- автоматизированная интеллектуально-управляющая подсистема (АИУП) - 3;

[24]

- подсистема обработки, распределения и защиты информации (ПОРЗИ) - 4;

[25]

- подсистема электропитания (ПЭП) - 5;

[26]

АФП состоит из следующих основных элементов:

[27]

- передающих антенн KB диапазона К-638 - 6;

[28]

- коммутатора передающих антенн (КПрдА) 4×4 - 7;

[29]

- пульта управления - 8;

[30]

- приемной магнитной антенны СВ/КВ диапазона «Акция-КВ» - 9;

[31]

- приемной антенны СВ/КВ диапазона АПС-6Б - 10;

[32]

- приемо-передающих антенн УКВ диапазона К-674-11Б - 11.

[33]

КОП состоит из следующих основных элементов:

[34]

- радиопередающие устройства (РПДУ) KB диапазона Р-646 - 12;

[35]

- радиоприемные устройства (РПУ) KB диапазона - 13 (качестве РПУ может быть использован Скаляр К1-М, обеспечивающий диапазон частот приема 1,5÷59,99999, либо Скаляр-ДСК1-М с диапазоном частот приема 0,1÷59,99999 МГц, если предполагается использовать нижнюю часть СВ диапазона);

[36]

- радиостанции УКВ диапазона Р-612 - 14.

[37]

АИУП состоит из следующих основных элементов:

[38]

- распределительный блок Б12-179 - 15;

[39]

- распределительный блок Б12-178 - 16;

[40]

- блок адаптера ТС - 17;

[41]

- коммутатор Ethernet - 18;

[42]

- модифицированный АРМ ДС - 19;

[43]

- распределительный блок Б12-176 - 20;

[44]

- датчик кода Морзе Р-020 - 21;

[45]

- распределительный блок Б12-180 - 22;

[46]

- аппарат П-425М - 23;

[47]

- коммутатор ШАС - 24.

[48]

ПОРЗИ состоит из следующих основных элементов:

[49]

- шифровальная телефонная аппаратура первого типа (ТЛФ ШАС 1) - 25;

[50]

- шифровальная телефонная аппаратура второго типа (ТЛФ ШАС 2) - 26;

[51]

- аппаратура передачи данных АПД ШАС - 27;

[52]

- телефонный аппарат АТ-3031 - 28;

[53]

- выносной пост связи ВПС-М1 - 29.

[54]

ПЭП состоит из следующих основных элементов:

[55]

- распределительные коробки электропитания - 30;

[56]

- источников бесперебойного питания (ИБЭП КЕДР 220-00) - 31.

[57]

Передающие антенны 6 предназначены для передачи электромагнитного излучения KB диапазона.

[58]

Приемные антенны 9 и 10 предназначены для приема электромагнитного излучения в диапазонах волн СВ, КВ.

[59]

Приемопередающие антенны 11 предназначены для приема и передачи электромагнитного излучения УКВ диапазона.

[60]

Коммутатор передающих антенн 7 осуществляет коммутацию РПДУ на передающие антенны.

[61]

Пульт управления коммутатором 8 обеспечивает передачу команд управления от подсистемы АИУП 3 на коммутатор передающих антенн.

[62]

РПДУ 12 осуществляют радиопередачу в KB диапазоне.

[63]

РПУ 13 осуществляют прием в KB диапазоне.

[64]

Радиостанции УКВ диапазона 14 обеспечивают обмен информацией по каналам ближней ультракоротковолновой связи.

[65]

Модифицированный АРМ ДС 19 предназначено для осуществления функций централизованного контроля и управления корабельным комплексом связи и дополнительно реализует функции АРМ оператора. АРМ ДС 19 обеспечивает:

[66]

- автоматизированное формирование/расформирование и контроль трактов комплекса связи;

[67]

- автоматизированный контроль и управление техническими средствами (ТС) комплекса;

[68]

- добавление новых ТС;

[69]

- ведение протоколов работы комплекса связи и действий оператора;

[70]

- формирование и ведение баз данных по организации связи;

[71]

- предоставление графического операторского интерфейса для управления;

[72]

- осуществление слухового контроля сформированных трактов связи;

[73]

- осуществляет обмен телеграфной информацией в открытом сегменте.

[74]

Блок адаптера ТС 17 необходим для подключения к сети Ethernet аппаратуры, не имеющей интерфейса Ethernet, в том числе аппаратуры старого парка и обеспечивает преобразование аналоговых стыков в цифровые.

[75]

Коммутаторы Ethernet 18 необходимы для коммутации сигналов Ethernet и реализации режима коммутации информационных пакетов.

[76]

Распределительные блоки: 15, 16, 20, 22 предназначены для обеспечения коммутации адаптеров ТС 17 с аппаратурой, не имеющей интерфейса Ethernet.

[77]

Аппарат П-425М 23 предназначен для записи и воспроизведения аналоговой и импульсной информации в цифровой форме в составе существующих и вновь разрабатываемых комплексов связи. Аппарат обеспечивает запись аналоговой и импульсной информации с сохранением и без сохранения (по кольцу), воспроизведение с регулируемой скоростью, архивирование и хранение записанной информации.

[78]

Коммутатор ШАС 24 предназначен для обеспечения коммутации выносных постов связи (ВПС-М1) на каналообразующую аппаратуру.

[79]

Шифровальная телефонная аппаратура первого типа (ТЛФ ШАС 1) 25 предназначена для кодирования и декодирования ТЛФ переговоров при встречной работе с такой же аппаратурой и обеспечивает совместную работу с четырехпроводным телефоном АТ-3031 28.

[80]

Шифровальная телефонная аппаратура второго типа (ТЛФ ШАС 2) 26 предназначена для кодирования и декодирования ТЛФ переговоров при встречной работе такой же аппаратурой и обеспечивает совместную работу с выносным постом связи ВПС-М1 29.

[81]

Аппаратура передачи данных (АПД ШАС) 27 предназначена для шифрования передаваемых и дешифрования принимаемых данных.

[82]

Телефонный аппарат AT 3031 28 и выносной пост связи ВПС-М1 29 предназначены для обеспечения ТЛФ радиопереговоров должностных лиц корабля.

[83]

Распределительные коробки электропитания 30 и источники бесперебойного питания (ИБЭП КЕДР 220-00) 31 обеспечивают бесперебойным питанием корабельный комплекс связи.

[84]

ККС обеспечивает радиосвязь корабля с береговыми командными пунктами, надводными кораблями, подводными лодками, летательными аппаратами в диапазонах СВ, KB и УКВ. ККС осуществляет связь по каналам передачи данных, телефонной и телеграфной связи.

[85]

Формирование трактов связи осуществляется дежурным по связи на АРМ ДС 19, при этом выбираются незадействованные технические средства. После выполнения команды дежурный получает уведомление о формировании/неформировании тракта, если ТС, применяемые в тракте, уже используются или неисправны.

[86]

Установка необходимых параметров программно-управляемых технических средств (рабочая частота, вид работы и др.) может осуществляться как во время формирования, так и после формирования тракта. При этом для технических средств, имеющих интерфейс Ethernet пакеты команд, содержащих информацию о параметрах настройки, передается от АРМ ДС 19 через коммутатор Ethernet 18 непосредственно на техническое средство. Для технических средств, не имеющих интерфейс Ethernet пакеты команд, содержащих информацию о параметрах настройки, передаются от АРМ ДС 19 через коммутатор Ethernet 18 непосредственно на техническое средство. Для технических средств, не имеющих интерфейс Ethernet, пакеты команд, содержащих информацию о параметрах настройки, передаются от АРМ ДС 19 через коммутатор Ethernet 18 на адаптер ТС 17, где производится преобразование интерфейса Ethernet в интерфейс, имеющийся у заданного технического средства. Далее с выхода адаптера ТС 17 пакеты команд поступают на соответствующий интерфейс технического средства.

[87]

Источники информации

[88]

1. Патент на полезную модель №47154, Н04В 13/00, опубл. 10.08.2005.

[89]

2. Патент на изобретение №2608562, Н04В 1/00, опубл. 10.08.2016.

[90]

3. Изделие «Акция-КВ». СКЖГ.464.639.005 ТУ.

Как компенсировать расходы
на инновационную разработку
Похожие патенты