Изобретение относится к технике связи, предназначено для обмена данными и может быть использовано при проведении тестирования радиолиний связи и контроле информационного обмена между подвижными объектами и наземными комплексами. Технический результат изобретения заключается в повышении надежности связи, качества и объема передаваемой информации с источников, установленных на подвижных объектах, создании единого информационного пространства и самоорганизующейся сети связи для объектов системы радиосвязи. Заявленный результат достигается за счет введения на наземном комплексе блока формирования планов полетов и связи, на каждом подвижном объекте - второго бортового вычислителя, источника информации, блока памяти, а также соответствующих связей. 1 ил.
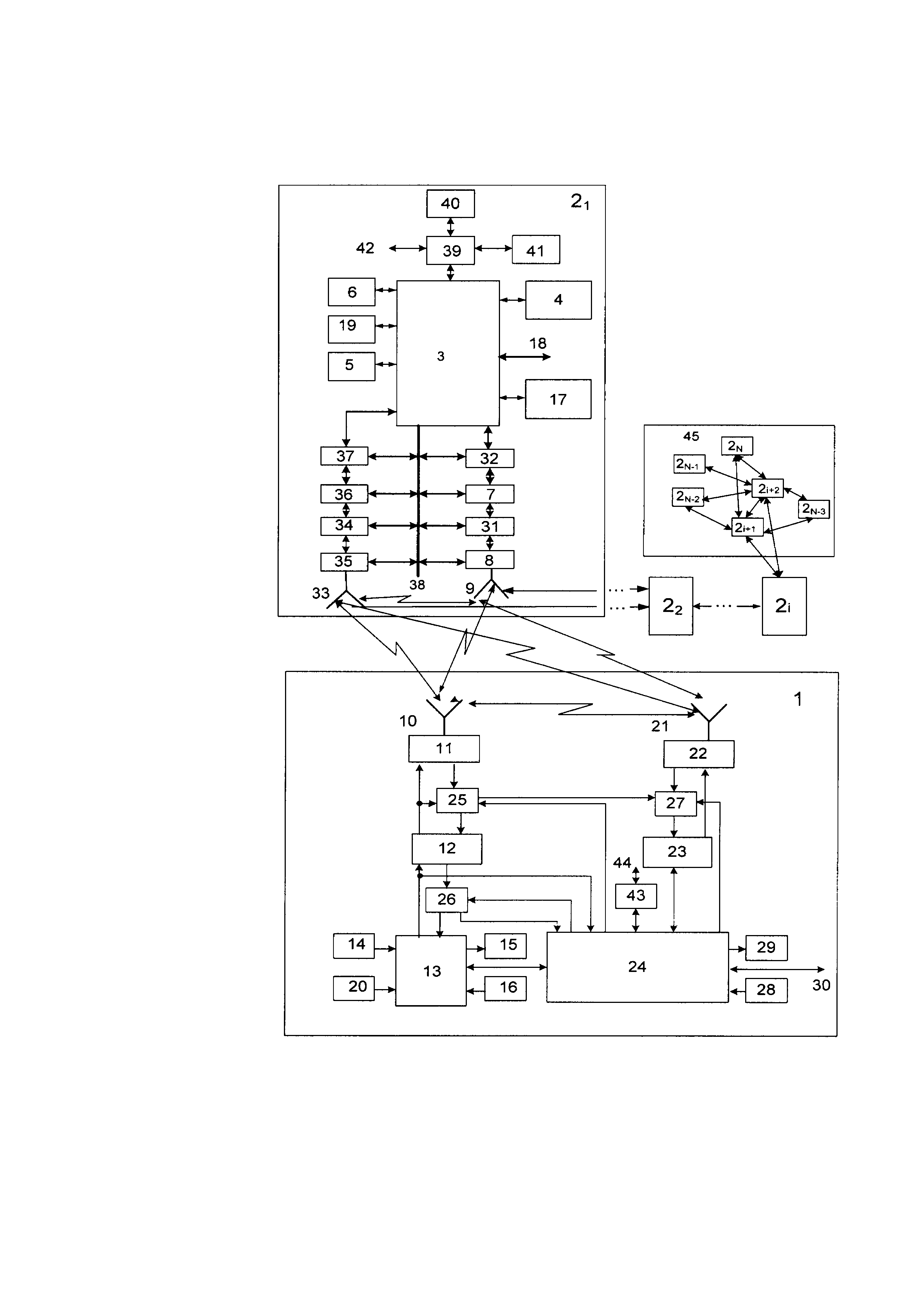
Система радиосвязи с подвижными объектами (ПО), состоящая из наземного комплекса (НК), содержащего первую наземную антенну, подключенную к высокочастотному входу/выходу первой радиостанции, низкочастотный вход которой подключен к первому выходу первой аппаратуры передачи данных (АПД), первый вычислитель автоматизированного рабочего места (АРМ), первый выход которого подключен к первому входу первой АПД, второй выход - к первому монитору АРМ, первый вход первого вычислителя автоматизированного рабочего места подключен к наземному приемнику сигналов глобальных навигационных спутниковых систем, второй вход - к первому пульту управления АРМ, третий вход - к наземному формирователю типа ретранслируемых сообщений, вторую наземную радиостанцию, высокочастотный вход/выход которой подключен к второй наземной антенне, а низкочастотный вход наземной радиостанции подключен к выходу второй АПД, вход/выход второй АПД соединен двухсторонними связями с первым входом/выходом второго вычислителя автоматизированного рабочего места, коммутатор, первый и второй распределители сигналов, причем низкочастотный выход первой радиостанции через первый распределитель сигналов подключен к входу коммутатора и второму входу первой АПД, а второй выход первой АПД через второй распределитель сигналов подключен к четвертому входу первого вычислителя автоматизированного рабочего места и первому входу второго вычислителя автоматизированного рабочего места, управляющие входы первого и второго распределителей сигналов и коммутатора соединены с первым, вторым и третьим выходами второго вычислителя автоматизированного рабочего места соответственно, первый выход первого вычислителя АРМ подключен к второму входу второго вычислителя АРМ, первый выход первой АПД соединен также с вторым входом первого распределителя сигналов, низкочастотный выход второй радиостанции через коммутатор подключен к входу второй аппаратуры передачи данных, первый и второй вычислители АРМ соединены между собой двухсторонними связями, третий вход второго вычислителя АРМ подключен к второму пульту управления АРМ, четвертый выход второго вычислителя АРМ - к второму монитору АРМ, третий вход/выход второго вычислителя АРМ является входом/выходом системы радиосвязи для сопряжения с внешними системами, при этом первая и вторая наземные антенны связаны по эфиру между собой, и N подвижных объектов, в состав каждого из которых входят бортовые датчики, приемник сигналов глобальных навигационных спутниковых систем, анализатор типа принимаемых сообщений и бортовой формирователь типа ретранслируемых сообщений, каждый из которых соединен двухсторонними связями с соответствующими входами/выходами первого бортового вычислителя, вход/выход которого подключен к двунаправленной шине системы управления подвижным объектом, первый бортовой вычислитель соединен двухсторонними связями с входами/выходами первого и второго бортовых распределителей сигналов, первый бортовой вычислитель через локальную вычислительную сеть подключен двухсторонними связями к первому и второму бортовым распределителям сигналов, первой и второй бортовым аппаратурам передачи данных, первому и второму бортовым коммутаторам, первой и второй бортовым радиостанциям, при этом второй бортовой распределитель сигналов, вторая бортовая аппаратура передачи данных, второй бортовой коммутатор, вторая бортовая радиостанция, вторая бортовая антенна последовательно соединены двухсторонними связями, первый бортовой распределитель сигналов, первая бортовая аппаратура передачи данных, первый бортовой коммутатор, первая бортовая радиостанция, высокочастотный вход/выход которой подключен к первой бортовой антенне, также последовательно соединены двухсторонними связями, первая и вторая бортовые антенны связаны по эфиру между собой, а в зоне устойчивой связи - с первой и второй наземными антеннами и с первой и второй бортовыми антеннами удаленных подвижных объектов, отличающаяся тем, что в каждый подвижный объект введены блок памяти, соединенный двухсторонними связями с соответствующим входом/выходом первого бортового вычислителя, второй бортовой вычислитель, первый вход/выход которого соединен с соответствующим входом/выходом первого бортового вычислителя, второй вход/выход второго бортового вычислителя соединен с входом/выходом источника информации, третий вход/выход - с входом/выходом блока преобразования и обработки информации, при этом второй бортовой вычислитель имеет четвертый вход/выход для подключения к аппаратуре НК, а на наземном комплексе введен блок формирования планов полетов и связи, первый вход/выход которого соединен с соответствующим входом/выходом второго вычислителя АРМ, а второй вход/выход блока формирования планов полетов и связи предназначен для программирования вторых бортовых вычислителей подвижных объектов системы при предстартовой подготовке путем подключения к четвертым входам/выходам вторых бортовых вычислителей, которые также используются для считывания информации после приземления подвижных объектов путем подключения к входу/выходу системы радиосвязи для сопряжения с внешними системами, причем передача данных с НК обеспечивается по цепочке последовательно соединенных по эфиру первого ПО-ретранслятора, второго ПО-ретранслятора и далее до i-го ПО-ретранслятора, который передает информацию ведущему из группы (N-i)-мy подвижному объекту и резервному из группы (N-i)-мy подвижному объекту, причем ведущий и резервный подвижные объекты соединены по эфиру между собой и с каждым подвижным объектом из группы (N-i)-x подвижных объектов, а передача данных с N-го или другого подвижного объекта на НК осуществляется в обратном порядке.
Изобретение относится к радиосистемам обмена данными и может быть использовано при проведении тестирования радиолиний связи и контроле информационного обмена между подвижными объектами (ПО) и наземными комплексами (НК). Известна "Система радиосвязи с подвижными объектами" [1], в которой во время движения подвижные объекты, находящиеся в пределах радиогоризонта, обмениваются данными с наземным комплексом. Принимаемые наземной радиостанцией из канала "воздух - земля" сообщения через аппаратуру передачи данных поступают в вычислитель автоматизированного рабочего места (АРМ) на базе ПЭВМ, где в соответствии с принятым в системе протоколом обмена, производится идентификация принятого в сообщении адреса с адресами подвижных воздушных объектов, хранящимися в его блоке памяти. При совпадении адреса подвижного воздушного объекта с хранящимся в списке адресом информация о местоположении, параметрах движения ПО и состоянии его датчиков выводится на экран монитора наземного АРМ. В вычислителе АРМ на базе ПЭВМ решается задача обеспечения постоянной радиосвязи со всеми N ПО. При выходе за пределы радиогоризонта хотя бы одного из ПО или приближении к границе зоны устойчивой радиосвязи, определяется программно один из ПО, который назначается ретранслятором сообщений. По результатам анализа местоположения и параметров движения остальных ПО определяются оптимальные пути доставки сообщений удаленному от НК за радиогоризонт выбранному подвижному воздушному объекту. Сообщение от НК через последовательную цепочку, состоящую из (N-1)-го ПО, может быть доставлено N-му ПО. Для этого на НК в формирователе типа ретранслируемых сообщений в заранее определенные разряды (заголовок) передаваемой кодограммы закладываются номер ПО, назначенного ретранслятором и адреса подвижных воздушных объектов, обеспечивающих заданный трафик сообщения. По принятым на ПО сообщениям в блоке анализа типа сообщений решается вопрос о направлении данных по двунаправленной шине на систему управления объекта или ретрансляции их на соседний ПО. В обычном режиме, когда не требуется ретрансляция сигналов, с НК осуществляется адресный опрос ПО путем формирования сообщения для передачи в канал радиосвязи в соответствии с протоколом обмена. Набираемое оператором (диспетчером) сообщение отображается на мониторе АРМ. На ПО после прохождения через бортовую антенну, радиостанцию, аппаратуру передачи данных сигнал поступает в бортовой вычислитель, где происходит идентификация принятого в сообщении адреса с собственным адресом подвижного воздушного объекта. Далее сообщение передается в блок анализа типа ретранслируемого сообщения, где происходит дешифрация полученного заголовка (служебной части) сообщения, и определяется в каком режиме должна работать аппаратура ПО. Информационная часть сообщения записывается в блок памяти бортового вычислителя и при необходимости выводится на экран блока регистрации данных, который может быть выполнен в виде монитора или другого устройства отображения. Формирователи типа ретранслируемых сообщений позволяют обеспечить обмен цифровыми данными по каналу "воздух-земля" взамен существующей речевой информации. Они предназначены для выбора элементов сообщений разрешения/информации/запроса, которые соответствуют принятой речевой фразеологии, и набора произвольного текста. Отображение набираемых и принятых сообщений осуществляется на блоке регистрации данных ПО и мониторе АРМ НК соответственно. Сообщения с выходов приемников сигналов глобальных навигационных спутниковых систем записываются в соответствующую память наземного и бортового вычислителей с привязкой к глобальному времени и используются для расчета навигационных характеристик и параметров движения каждого ПО. Принятые на НК навигационные сообщения от всех ПО обрабатываются в вычислителе и выводятся на экран монитора АРМ. У аналога имеются недостатки, которые заключаются в том, что система не обеспечивает требуемую надежность связи, особенно при работе подвижных объектов в составе группы. Известна система радиосвязи с подвижными объектами [2], Система предназначена для обмена данными между подвижными объектами и наземным комплексом. НК содержит первую наземную антенну, подключенную к высокочастотному входу/выходу первой радиостанции, низкочастотный вход которой подключен к соответствующему выходу первой аппаратуры передачи данных (АПД). Первый вычислитель автоматизированного рабочего места, первый выход которого подключен к первому входу первой АПД, первый вход первого вычислителя автоматизированного рабочего места подключен к наземному приемнику сигналов глобальных навигационных спутниковых систем, второй вход - к первому пульту управления АРМ, второй выход - к первому монитору АРМ. Наземный формирователь типа ретранслируемых сообщений соединен с третьим входом первого вычислителя АРМ. Вторая наземная радиостанция, высокочастотный вход/выход которой подключен к второй наземной антенне, а ее низкочастотный вход соединен с выходом второй АПД. Вход/выход второй АПД соединен двухсторонними связями с первым входом/выходом второго вычислителя автоматизированного рабочего места. В состав НК входят также коммутатор, первый и второй распределители сигналов. Низкочастотный выход первой радиостанции через первый распределитель сигналов подключен к входу коммутатора и второму входу первой АПД. Второй выход первой АПД через второй распределитель сигналов подключен к четвертому входу первого вычислителя автоматизированного рабочего места и первому входу второго вычислителя автоматизированного рабочего места. Управляющие входы первого и второго распределителей сигналов и коммутатора соединены с первым, вторым и третьим выходами второго вычислителя автоматизированного рабочего места соответственно. Первый выход первого вычислителя АРМ подключен к второму входу второго вычислителя АРМ. Первый выход первой АПД соединен со вторым входом первого распределителя сигналов. Низкочастотный выход второй радиостанции через коммутатор подключен к входу второй аппаратуры передачи данных. Первый и второй вычислители АРМ соединены между собой двухсторонними связями. Третий вход второго вычислителя АРМ подключен к второму пульту управления АРМ, а четвертый выход второго вычислителя АРМ - к второму монитору АРМ. Третий вход/выход второго вычислителя АРМ является входом/выходом системы радиосвязи для сопряжения с внешними системами. Передача данных с НК обеспечивается по цепочке последовательно соединенных первого подвижного объекта, второго ПО и далее до N-го ПО, а передача данных с N-го ПО на НК осуществляется в обратном порядке. В состав системы входят N подвижных объектов, в каждый из которых входят бортовые датчики, блок регистрации данных, приемник сигналов навигационных спутниковых систем, анализатор типа принимаемых сообщений и бортовой формирователь типа ретранслируемых сообщений. Каждый из упомянутых узлов соединен двухсторонними связями с соответствующими входами/выходами бортового вычислителя, вход/выход которого подключен к двунаправленной шине системы управления подвижным объектом. Первая бортовая аппаратура передачи данных соединена двухсторонними связями с бортовым вычислителем и бортовой радиостанцией. Высокочастотный вход/выход первой бортовой радиостанции подключен к первой бортовой антенне. У аналога имеются недостатки, которые заключаются в том, что система не обеспечивает требуемую надежность связи, особенно при работе подвижных объектов в составе группы, которые находятся за пределами прямой (оптической) видимости от наземного комплекса. Наиболее близким по назначению и большинству существенных признаков является система радиосвязи с подвижными объектами [3], которая взята за прототип. В системе во время движения подвижные объекты, находящиеся в пределах радиогоризонта, обмениваются данными с наземным комплексом, содержащим коммутатор, первый и второй распределители сигналов, первую наземную антенну, подключенную к высокочастотному входу/выходу первой радиостанции, низкочастотный вход которой подключен к соответствующему выходу первой аппаратуры передачи данных. Вход первого вычислителя автоматизированного рабочего места подключен к первому входу первой АПД. Первый вход первого вычислителя автоматизированного рабочего места подключен к наземному приемнику сигналов навигационных спутниковых систем, второй вход - к первому пульту управления АРМ, второй выход - к первому монитору АРМ. Наземный формирователь типа ретранслируемых сообщений, соединен с третьим входом первого вычислителя АРМ. Высокочастотный вход/выход второй наземной радиостанции подключен к второй наземной антенне, а ее низкочастотный вход - к выходам второй АПД. Вход/выход второй АПД соединен двухсторонними связями с первым входом/выходом второго вычислителя автоматизированного рабочего места. Низкочастотный выход первой радиостанции через первый распределитель сигналов подключен к входу коммутатора и второму входу первой АПД, а второй выход первой АПД через второй распределитель сигналов подключен к четвертому входу первого вычислителя автоматизированного рабочего места и первому входу второго вычислителя автоматизированного рабочего места. Управляющие входы первого и второго распределителей сигналов и коммутатора соединены с первым, вторым и третьим выходами второго вычислителя автоматизированного рабочего места соответственно. Первый выход первого вычислителя АРМ подключен также к второму входу второго вычислителя АРМ. Первый выход первой АПД соединен также со вторым входом первого распределителя сигналов. Низкочастотный выход второй радиостанции через коммутатор подключен к входу второй аппаратуры передачи данных. Первый и второй вычислители АРМ соединены между собой двухсторонними связями. Третий вход второго вычислителя АРМ подключен к второму пульту управления АРМ, четвертый выход второго вычислителя АРМ - к второму монитору АРМ, третий вход/выход второго вычислителя АРМ является входом/выходом системы радиосвязи для сопряжения с внешними системами. В состав каждого из N подвижных объектов входят бортовые датчики, блок регистрации данных, приемник сигналов глобальных навигационных спутниковых систем, анализатор типа принимаемых сообщений и бортовой формирователь типа ретранслируемых сообщений, каждый из которых соединен двухсторонними связями с соответствующими входами/выходами первого бортового вычислителя, вход/выход которого подключен к двунаправленной шине системы управления подвижным объектом. Высокочастотный вход/выход первой бортовой радиостанции подключен к первой бортовой антенне, при этом первая и вторая наземные антенны связаны по эфиру между собой, первый и второй бортовые коммутаторы, первый и второй бортовые распределители сигналов, последовательно соединенные двухсторонними связями второй бортовой распределитель сигналов, вторая бортовая аппаратура передачи данных, второй бортовой коммутатор, вторая бортовая радиостанция, вторая бортовая антенна. Бортовой вычислитель соединен двухсторонними связями с входами/выходами первого и второго бортовых распределителей сигналов. Вход/выход первого бортового распределителя сигналов подключен к входу/выходу первой бортовой аппаратуры передачи данных, вход/выход которой через первый бортовой коммутатор подключен к входу/выходу первой бортовой радиостанции. Соответствующие входы/выходы бортового вычислителя через локальную вычислительную сеть соединены двухсторонними связями с входами/выходами первого и второго бортовых распределителей сигналов, первой и второй бортовых аппаратур передачи данных, первого и второго бортовых коммутаторов, первой и второй бортовых радиостанций. Первая и вторая бортовые антенны связаны по эфиру между собой, а в зоне устойчивой связи - с первой и второй наземными антеннами и с первой и второй бортовыми антеннами удаленных подвижных объектов. Однако прототипу присущи следующие недостатки: - отсутствует источник информации, поэтому нет возможности получить и передать на НК широкополосную информацию во время полета ПО и, следовательно, повысить эффективности использования подвижных объектов; - не обеспечивается требуемая надежность связи, особенно при работе в составе группы тех подвижных объектов, которые находятся за пределами прямой (оптической) видимости от наземного комплекса из-за чего снижается качество управления функционированием ПО, особенно при работе в помехах; - не определяется подвижный объект, который в вероятностном смысле может быть назначен в данный момент времени ретранслятором информационного обмена между группой подвижных объектов с наземными комплексами связи, что снижает эффективность использования сообщений с подвижных объектов. Технической задачей, на решение которой направлено заявляемое изобретение, является повышение надежности связи, качества и объема передаваемой информации с источников, установленных на подвижных объектах, создания единого информационного пространства и самоорганизирующейся сети связи для объектов системы радиосвязи. Указанный технический результат достигается тем, что в систему радиосвязи с подвижными объектами, состоящую из наземного комплекса (НК), содержащего первую наземную антенну, подключенную к высокочастотному входу/выходу первой радиостанции, низкочастотный вход которой подключен к первому выходу первой аппаратуры передачи данных (АПД), первый вычислитель автоматизированного рабочего места (АРМ), первый выход которого подключен к первому входу первой АПД, второй выход - к первому монитору АРМ, первый вход первого вычислителя автоматизированного рабочего места подключен к наземному приемнику сигналов глобальных навигационных спутниковых систем, второй вход - к первому пульту управления АРМ, третий вход - к наземному формирователю типа ретранслируемых сообщений, вторую наземную радиостанцию, высокочастотный вход/выход которой подключен к второй наземной антенне, а низкочастотный вход наземной радиостанции подключен к выходу второй АПД, вход/выход второй АПД соединен двухсторонними связями с первым входом/выходом второго вычислителя автоматизированного рабочего места, коммутатор, первый и второй распределители сигналов, причем низкочастотный выход первой радиостанции через первый распределитель сигналов подключен к входу коммутатора и второму входу первой АПД, а второй выход первой АПД через второй распределитель сигналов подключен к четвертому входу первого вычислителя автоматизированного рабочего места и первому входу второго вычислителя автоматизированного рабочего места, управляющие входы первого и второго распределителей сигналов и коммутатора соединены с первым, вторым и третьим выходами второго вычислителя автоматизированного рабочего места соответственно, первый выход первого вычислителя АРМ подключен к второму входу второго вычислителя АРМ, первый выход первой АПД соединен также со вторым входом первого распределителя сигналов, низкочастотный выход второй радиостанции через коммутатор подключен к входу второй аппаратуры передачи данных, первый и второй вычислители АРМ соединены между собой двухсторонними связями, третий вход второго вычислителя АРМ подключен к второму пульту управления АРМ, четвертый выход второго вычислителя АРМ - к второму монитору АРМ, третий вход/выход второго вычислителя АРМ является входом/выходом системы радиосвязи для сопряжения с внешними системами, при этом первая и вторая наземные антенны связаны по эфиру между собой, и N подвижных объектов, в состав каждого из которых входят бортовые датчики, приемник сигналов глобальных навигационных спутниковых систем, анализатор типа принимаемых сообщений и бортовой формирователь типа ретранслируемых сообщений, каждый из которых соединен двухсторонними связями с соответствующими входами/выходами первого бортового вычислителя, вход/выход которого подключен к двунаправленной шине системы управления подвижным объектом, первый бортовой вычислитель соединен двухсторонними связями с входами/выходами первого и второго бортовых распределителей сигналов, первый бортовой вычислитель через локальную вычислительную сеть подключен двухсторонними связями к первому и второму бортовым распределителям сигналов, первой и второй бортовым аппаратурам передачи данных, первому и второму бортовым коммутаторам, первой и второй бортовым радиостанциям, при этом второй бортовой распределитель сигналов, вторая бортовая аппаратура передачи данных, второй бортовой коммутатор, вторая бортовая радиостанция, вторая бортовая антенна последовательно соединены двухсторонними связями, первый бортовой распределитель сигналов, первая бортовая аппаратура передачи данных, первый бортовой коммутатор, первая бортовая радиостанция, высокочастотный вход/выход которой подключен к первой бортовой антенне также последовательно соединены двухсторонними связями, первая и вторая бортовые антенны связаны по эфиру между собой, а в зоне устойчивой связи - с первой и второй наземными антеннами и с первой и второй бортовыми антеннами удаленных подвижных объектов, в каждый подвижный объект дополнительно введены блок памяти, соединенный двухсторонними связями с соответствующим входом/выходом первого бортового вычислителя, второй бортовой вычислитель, первый вход/выход которого соединен с соответствующим входом/выходом первого бортового вычислителя, второй вход/выход второго бортового вычислителя соединен с входом/выходом источника информации, третий вход/выход - с входом/выходом блока преобразования и обработки информации, при этом второй бортовой вычислитель имеет четвертый вход/выход для подключения к аппаратуре НК, а на наземном комплексе введен блок формирования планов полетов и связи, первый вход/выход которого соединен с соответствующим входом/выходом второго вычислителя АРМ, а второй вход/выход блока формирования планов полетов и связи предназначен для программирования вторых бортовых вычислителей подвижных объектов системы при предстартовой подготовке путем подключения к четвертым входам/выходам вторых бортовых вычислителей, которые также используются для считывания информации после приземления подвижных объектов путем подключения к входу/выходу системы радиосвязи для сопряжения с внешними системами, причем передача данных с НК обеспечивается по цепочке последовательно соединенных по эфиру первого ПО-ретранслятора, второго ПО-ретранслятора и далее до i-го ПО-ретранслятора, который передает информацию ведущему из группы (N-i)-му подвижному объекту и резервному из группы (N-i)-му подвижному объекту, причем ведущий и резервный подвижные объекты соединены по эфиру между собой и с каждым подвижным объектом из группы (N-i)-х подвижных объектов, а передача данных с N-го или другого подвижного объекта на НК осуществляется в обратном порядке. На фигуре представлена система радиосвязи с подвижными объектами, где обозначено: 1 - наземный комплекс; 2 - подвижный объект, причем объекты (21 - 2i) работают в качестве ретрансляторов, объекты 2i+1 и 2i+2 - ведущий и резервный подвижные объекты группы соответственно, (N-i) - число подвижных объектов группы; 3 - первый бортовой вычислитель; 4 - бортовые датчики; 5 - бортовой приемник сигналов навигационных спутниковых систем; 6 - блок памяти; 7 - первая бортовая аппаратура передачи данных; 8 - первая бортовая радиостанция; 9 - первая бортовая антенна; 10 - первая наземная антенна; 11 - первая наземная радиостанция; 12 - первая наземная аппаратура передачи данных; 13 - первый вычислитель АРМ; 14 - наземный приемник сигналов глобальных навигационных спутниковых систем; 15 - первый монитор АРМ; 16 - первый пульт управления АРМ; 17 - анализатор типа принимаемых сообщений; 18 - двунаправленная шина системы управления подвижным объектом; 19 - бортовой формирователь типа ретранслируемых сообщений; 20 - наземный формирователь типа ретранслируемых сообщений; 21 - вторая наземная антенна; 22 - вторая наземная радиостанция; 23 - вторая наземная аппаратура передачи данных; 24 - второй вычислитель АРМ; 25 - первый распределитель сигналов; 26 - второй распределитель сигналов; 27 - коммутатор; 28 - второй пульт управления АРМ; 29 - второй монитор АРМ; 30 - вход/выход системы радиосвязи для сопряжения с внешними системами; 31 - первый бортовой коммутатор; 32 - первый бортовой распределитель сигналов; 33 - вторая бортовая антенна; 34 - второй бортовой коммутатор; 35 - вторая бортовая радиостанция; 36 - вторая бортовая аппаратура передачи данных; 37 - второй бортовой распределитель сигналов; 38 - локальная вычислительная сеть (ЛВС). 39 - второй бортовой вычислитель; 40 - источник информации; 41 - блок преобразования и обработки информации; 42 - вход/выход второго бортового вычислителя для подключения к блоку формирования планов полетов и связи 43 и для считывания информации после приземления подвижных объектов путем подключения к входу/выходу 30 системы радиосвязи для сопряжения с внешними системами; 43 - блок формирования планов полетов и связи; 44 - вход/выход блока формирования планов полетов и связи для подключения через вход/выход 42 к второму бортовому вычислителю 39 для программирования вторых бортовых вычислителей 39 подвижных объектов системы и считывания с них информации после приземления. 45 - группа (N-i)-х подвижных объектов. Алгоритм работы системы заключается в создании единого информационного пространства для, например, беспилотных объектов системы радиосвязи с целью управления режимами работы техническими средствами ПО 2 на всех стадиях организации связи: в начале работы - во время предстартовой подготовки и функционального контроля подвижных объектов, трансляции планов полета и связи с входа/выхода 44 блока 43 формирования планов полетов и связи через вход/выход 42 второго бортового вычислителя 39 каждого подвижного объекта 2 и далее в процессе сеанса связи НК 1 со всеми ПО 2, находящимися относительно друг друга и в зоне прямой видимости и устойчивого приема. Зона устойчивого приема - это область пространства, в которой величина отношения сигнал/шум на приемной стороне больше или равна заданной. Принцип работы системы основан на взаимодействии узлов: блока 43 формирования планов полетов и связи и второго бортового вычислителя 39. В блоке 43 формирования планов полетов и связи осуществляются с помощью второго вычислителя 24 АРМ и соответствующего обрамления формирование и запись следующих процедур разработки алгоритмов: - определение функций ведущего и резервного ПО 2 из группы 45 ПО и алгоритмов обмена данными между ними, с другими ПО 2 и ПО-ретрансляторами; - назначение ПО-ретрансляторами и порядок определения их зоны барражирования, например, по окружности, чтобы обеспечивать устойчивую связь с соответствующими объектами системы; - обмен данными между ПО-ретрансляторами, с другими ПО 2 при потере связи с НК 1, например, при удалении ПО 2 группы 45 от последнего i-го ПО-ретранслятора, и создания самоорганизирующейся сети связи для объектов группы 45 ПО; - прием (ретрансляция) на ПО 2 управляющей информации с НК 1; - системные операции повышения помехозащищенности, например использование режимов псевдослучайной перестройки рабочей частоты с привязкой к точному времени, изменение времени сеансов связи НК 1 с ПО 2 и другие; - формирование планов полетов и связи; - выбор и распределение рабочих частот и временных интервалов (несколько вариантов) для организации связи в системе; - определение точек поворота маршрута и пунктов приземления ПО 2; - считывание, обработка на узле 24 и отображение на мониторах 15 и 29 записанных во время полета данных с входа/выхода 42 второго бортового вычислителя 39 каждого подвижного объекта 2 после их приземления; - считывание широкополосной информации с источника 40, обработка ее на узле 39 для передачи ее в соответствующем сеансе связи или передачи через вход/выход 42 на вход/выход системы радиосвязи для сопряжения с внешними системами 30 после приземления ПО 2. Во втором бортовом вычислителе 39 выполняются операции: - прием данных для функционирования оборудования ПО 2 через входы/выходы 42 и 44 на узел 43 при предстартовой подготовке и передача данных через входы/выходы 42 на вход/выход системы радиосвязи для сопряжения с внешними системами 30, выполняемые после приземления ПО 2; - создание самоорганизирующейся сети связи для объектов группы 45 при потере связи с НК 1; - обмен данными источника 40 информации с НК 1 в соответствующие сеансы связи напрямую или через ПО-ретрансляторы, ведущий или резервный ПО; - включение режима ретрансляции по командам с НК 1 или со второго бортового вычислителя; - сокращение избыточности информации источника 40 совместно с узлом 41; - включение режима ведущего или резервного в группе 45 подвижных объектов 2 по командам с НК 1 или со второго бортового вычислителя; - прием команд управления с НК 1 или с ведущего (резервного) ПО 2 (при потере связи с НК 1) и формирование ответных донесений об их выполнении; - коррекция параметров движения ПО 2; - сопряжение источника 40 информации с бортовым оборудованием ПО 2; - организация в едином информационном пространстве системы режимов псевдослучайной перестройки рабочей частоты с привязкой к точному времени, изменение времени сеансов связи НК 1 с ПО 2 и др.; - работа в системе единого времени с использованием временных меток с выхода приемника сигналов глобальных навигационных спутниковых систем; - обмен данными с первым бортовым вычислителем 3; - хранение в блоке 6 широкополосной информации источника 40 на время полета ПО 2 и привязка их к хранимой электронной карте местности; - включение режима контроля состояния радиолинии связи или оборудования подвижного объекта 2 по командам с НК 1 или со второго бортового вычислителя; - организация «спящего» режима ПО 2 при отсутствии информации с источника 40; - выбор данных источника 40, которые наиболее ценные в вероятностном смысле на текущий момент времени, передача их на НК 1. При предстартовой подготовке после проведения функционального контроля в НК 1 и во всех ПО 2 с помощью наземных вычислителей 13 и 24, блока 43 формируются планы полетов и связи, которые затем должны быть записаны во второй бортовой вычислитель 39 через входы/выходы 44 и 42, например, в режиме многоканального радиодоступа [4]. Во время функционального контроля ПО 2 осуществляется тестирование аппаратуры. Для этого с бортового вычислителя 3 поочередно на две ветви посылается тестовое сообщение, которое сначала проходит основные узлы первой ветви: первый бортовой распределитель 32 сигналов, первую бортовую АПД 7, где для повышения помехоустойчивости сообщение кодируется, при необходимости, с ним осуществляются специальные процедуры и оно преобразуется к виду, необходимому для сопряжения с первым бортовым коммутатором 31, затем тестовое сообщение проходит первую бортовую радиостанцию 8, после чего в форме радиосигналов через первую бортовую антенну 9 излучается в пространство. Во время прохождения сигналов по указанной ветви после прохождения каждого узла они автоматически контролируются на бортовом вычислителе 3 методом сравнения с помощью аналогичных устройств второй ветви 37, 36, 35, 34 и 33, объединенных между собой шиной 38, например, в соответствии с протоколом МКИО [5, 6]. При положительных результатах контроля, отображаемых на экране бортового регистратора 6, аналогичным образом проверяются устройства второй ветви: 37, 36, 35, 34 и 33, но с помощью узлов первой ветви: 32, 7, 31, 8 и 9. В случае отрицательного результата определяется неисправный узел и заменяется. Если неисправность случилась на маршруте и нет возможности обеспечить замену неисправного устройства, то с помощью первого бортового вычислителя 3 осуществляется «обход» неисправного узла и данные проходят по узлам работоспособной ветви. В планах полетов, например, классифицируются все объекты системы, определяются ПО 2, которые будут ретрансляторами, их дублеры при выходе из строя оборудования первых, последовательность их расстановки и район барражирования, ведущий и резервный подвижные объекты и сопрягаемые с ними ПО 2, определение точек поворота маршрута и пунктов приземления ПО 2, прием команд управления с НК 1 или с ведущего (резервного) ПО 2 (при потере связи с НК 1) и формирование ответных донесений об их выполнении. В планах связи, например, определяются алгоритмы обмена данными между ПО 2 в зависимости от их назначения в обычном режиме и при потере связи с НК 1, при отдалении ПО 2 из группы 45 от последнего i-го ПО-ретранслятора, и создания самоорганизирующейся сети связи для объектов группы 45, вводятся системные операции повышения помехозащищенности например, использование режимов псевдослучайной перестройки рабочей частоты с привязкой к точному времени, изменение времени сеансов связи НК 1 с ПО 2, выбираются и распределяются рабочие частоты и временные интервалы (несколько вариантов) для организации связи в системе и их выбора, вводятся алгоритмы: обработки широкополосной информации с источника 40, на узле 39 для сокращения избыточности и передачи ее в соответствующем сеансе связи на НК 1 через соответствующие ПО 2 или передачи через вход/выход 42 на вход/выход системы радиосвязи для сопряжения с внешними системами 30 после приземления ПО 2, приема данных для функционирования оборудования ПО 2 и передачи данных после приземления ПО 2, создания самоорганизирующейся сети связи для объектов группы 45 при потере связи с НК 1, обмена данными источника 40 информации с НК 1 в соответствующие сеансы связи напрямую или через ПО-ретрансляторы, ведущий или резервный ПО, включения режима ретрансляции по командам с НК 1 или со второго бортового вычислителя, включения режима ведущего или резервного в группе 45 подвижных объектов 2 по командам с НК 1 или со второго бортового вычислителя, выбор данных источника 40 информации, которые наиболее ценные в вероятностном смысле на текущий момент времени. Во время начального включения оборудования при функциональном контроле осуществляется совместное тестирование всей аппаратуры системы. Для этого со второго вычислителя 24 АРМ на первый вычислитель 13 АРМ посылается тестовое сообщение, которое, пройдя основные узлы первого вычислителя 13 АРМ, поступает в первую АПД 12. Это сообщение с выхода первого вычислителя 13 АРМ контролируется с помощью второго вычислителя 24 АРМ по известному формату переданного сигнала, например, методом сравнения. В первой АПД 12 для повышения помехоустойчивости сообщение кодируется, при необходимости с ним осуществляются специальные преобразования, а затем оно преобразуется к виду, необходимому для сопряжения с первой радиостанцией 11. Сигнал с выхода первой АПД 12 подается на первую радиостанцию 11 и через первый распределитель 25, коммутатор 27 на вход второй АПД 23, где соответствующим образом преобразуется и поступает во второй вычислитель 24 АРМ для сравнения. Сформированный первой радиостанцией 11 радиосигнал через первую наземную антенну 10 излучается в пространство. Первая и вторая радиостанции 11 и 22, первая и вторая АПД 12 и 23 имеют идентичные параметры трактов передачи, приема и обработки сигналов, заложенные заранее во время предстартовой подготовки. Это обстоятельство положено в основу контроля оборудования НК 1. Излученный радиосигнал, пройдя процедуру приема и обработки в цепочке узлов из второй наземной антенны 21, второй радиостанции 22, второй АПД 23 поступает во второй вычислитель 24 АРМ для сравнения. Результаты контроля отображаются на экране второго монитора 29 АРМ и могут быть транслированы на другие системы наземного комплекса 1 и на первый вычислитель 13 АРМ для отображения на первом мониторе 15. Если на всех стадиях контроля получены положительные результаты, то оборудование НК 1 считается готовым для организации связи с подвижным объектом 2. Во время движения подвижные объекты обмениваются данными с наземным комплексом 1 и устанавливается заложенная во время предстартовой подготовки процедура составления цепочки подвижных объектов по трассе полета. Принимаемые первой наземной радиостанцией 11 из канала "воздух-земля" сообщения через первую аппаратуру 12 передачи данных поступают в первый наземный вычислитель 13 АРМ, выполненный, например, на базе ПЭВМ, где в соответствии с принятым в плане связи протоколом обмена проводится идентификация принятого в сообщении адреса с адресами подвижных воздушных объектов, хранящимися в памяти первого вычислителя 13 АРМ. При совпадении адреса подвижного объекта с хранящимся в списке адресом информация о местоположении, параметрах движения ПО 2 и состоянии его датчиков выводится на экран первого монитора 15 АРМ НК 1. В первом вычислителе 13 АРМ решаются задачи: обеспечение сеансов радиосвязи со всеми N ПО 2, оптимальное управление их движением ПО 2, решение конфликтных ситуаций и выполнение других операций. Процесс обмена данными контролируется с помощью оценки параметров передаваемых сигналов, приема, обработки и оценки сообщений, прошедших по тракту, состоящему из устройств: второй антенны 21, второй радиостанции 22, второй наземной АПД 23, второго вычислителя 24 АРМ. При выходе за пределы радиогоризонта, хотя бы одного из ПО 2, или приближении к границе зоны устойчивой радиосвязи, в соответствии с планом связи определяется программно один из ПО 2, который назначается первым ретранслятором сообщений, условно обозначенный на фигуре цифрой 21. Затем назначается второй ретранслятор, третий и так далее до i-го. При постоянном изменении дальности между взаимодействующими ПО 2 в качестве ретранслятора может быть определен назначенный заранее ПО, местоположение которого оптимально по отношению к НК 1 или предыдущему ретранслятору и ведущему или резервному ПО. В этом случае автоматически назначается ПО 21, который в течение определенного времени будет использоваться в качестве ретранслятора. По анализу местоположения и параметров движения остальных ПО 2 определяются оптимальные пути доставки сообщений удаленному от НК 1 за радиогоризонт, например, подвижному объекту 2N. Сообщение от НК 1 через последовательную цепочку, состоящую из (1- i) ПО-ретрансляторов, ведущий или резервный ПО может быть доставлено N-y ПО 2n. Для этого на НК 1 в формирователе 20 типа ретранслируемых сообщений в заранее определенные разряды передаваемой кодограммы закладываются номера ПО 21, назначенных во время предстартовой подготовки ретрансляторами, ведущего и резервного ПО, обеспечивающих заданный трафик сообщения. Принятые с помощью узлов 9, 8, 31, 7, 32, 3 или 33, 35, 34, 36, 37, 3 данные в блоке 17 анализа типа сообщений подвижного объекта 2 обрабатываются. Если сообщение предназначено для данного ПО 2, то после анализа решается вопрос о направлении данных по двунаправленной шине 18 на систему управления ПО 2, не указанную на фигуре, если сообщение предназначено для ретрансляции, то после анализа данные передаются на соответствующий ПО 2. Для исключения коллизий минимизируется число разрядов в передаваемом сообщении и ретрансляция данных осуществляется последовательно во времени. При обмене данными по линии «воздух-земля», особенно при наличии потенциально конфликтной ситуации, выполняются приоритетные команды оператора НК 1, имеющего больший объем информации о воздушной (надводной) ситуации в своей зоне ответственности, или при их отсутствии - от ведущего или резервного ПО. При передаче с НК 1 приоритетных сообщений для ПО 2 в соответствии с принятыми в плане связи с подвижными объектами категориями срочности в формирователе 20 типа ретранслируемых сообщений в заголовке сообщения формируется код запрета передачи других сообщений на время, отводимое для трансляции данных с НК 1 на выбранный ПО 2 с учетом времени реакции ПО 2 на принятое сообщение и времени задержки в трактах обработки дискретных сигналов. Принимаемая на ПО 2 информация ретранслируется или передается по шине 18 на систему управления ПО 2. Остальные менее приоритетные сообщения в соответствии с протоколом обмена находятся в очереди соответствующей категории срочности. В вычислителях 3 и 13 определяется время "старения" информации, и если сообщение в течение определенного промежутка времени не было передано в канал связи, то оно "стирается" и посылается запрос на повторную передачу сообщения. Первая и вторая радиостанции 11 и 22, первая и вторая АПД 12 и 23 имеют идентичные параметры трактов передачи, приема и обработки сигналов. Это обстоятельство положено в основу контроля оборудования НК 1. Излученный радиосигнал, пройдя процедуру приема и обработки в цепочке узлов из второй наземной антенны 21, второй радиостанции 22, второй АПД 23 поступает во второй вычислитель 24 АРМ для сравнения. Результаты контроля отображаются на экране второго монитора 29 АРМ и могут быть транслированы на другие системы наземного комплекса 1 и на первый вычислитель 13 АРМ для отображения на первом мониторе 15. Если на всех стадиях контроля получены положительные результаты, то оборудование НК 1 считается готовым для организации связи с ПО 2. В обычном режиме с НК 1, когда не требуется ретрансляция сигналов, осуществляется адресный опрос ПО 2 путем формирования сообщения для передачи в канал радиосвязи в соответствии с планом связи. Набираемое оператором (диспетчером) с первого пульта 16 управления АРМ сообщение отображается на экране первого монитора 15 АРМ и параллельно после прохождения сигнала на НК 1 через первый вычислитель 13 АРМ, первую аппаратуру передачи данных 12, первую радиостанцию 11, первую наземную антенну 10 и на ПО 2 - через первую или вторую бортовые антенны 9 или 33, первую или вторую бортовые радиостанции 8 или 35, первый или второй бортовые коммутаторы 31 или 34, первую или вторую бортовые аппаратуры передачи данных 7 или 36, первый или второй бортовые распределители 32 или 37 поступает в бортовой вычислитель 3, где происходит идентификация принятого в сообщении адреса с собственным адресом ПО 2. Далее сообщение передается в блок 17 анализа типа ретранслируемого сообщения для дешифрации служебной части полученного сообщения и определения режима работы аппаратуры ПО 2. Информационная часть сообщения записывается в блок 6 памяти через первый бортовой вычислитель 3 и при необходимости может быть выведена через узлы 3 и 39 на вход/выход 42. Бортовая аппаратура ПО 2 может обеспечить одновременный обмен данными с двумя источниками (потребителями) информации, например, с НК 1 и с одним ПО 2 или с двумя ПО 2. В режиме адресного опроса инициатором связи может быть НК 1 или ведущий (резервный) ПО 2. Если подвижные объекты 2 сформировали для передачи сообщения, то они информируют ведущего или резервного ПО, которые определяют степень важности информации и принимают решение о начале цикла передачи данных, в том числе о местоположении источника 40 информации, в пространстве для более качественной обработки полученных данных и случайным образом в выделенных им временных слотах, назначенных в планах связи, распределяют передаваемые сообщения. В каждом из ПО 2 используются адаптивно выбранный уровень радиосигнала несущей частоты в радиоканале и импульсы синхронизации для выбора в первом бортовом вычислителе 3 интервалов передачи. При совпадении расчетного интервала передачи в плане связи с установленной очередностью ПО 2 начинает передачу собственного пакета данных в выделенном интервале времени по любой из двух ветвей или для повышения помехозащищенности одного сигнала по двум ветвям одновременно. В таблице приведены основные функции, выполняемые бортовой аппаратурой, и получаемый при их реализации эффект - технический результат. Формирователи 20 и 19 типа ретранслируемых сообщений, первый пульт управления 16 в НК 1 в соответствии с планом связи позволяют обеспечить обмен цифровыми данными в системе по каналам "воздух-земля" и "воздух-воздух". Сообщения с выходов приемников 5 и 14 сигналов навигационных спутниковых систем, например, ГЛОНАСС/GPS, записываются в блок 6 памяти через первый бортовой вычислитель 3 и в первый наземный вычислитель 13 с привязкой к глобальному времени [7]. В вычислителях 3 и 13 эти данные используются для расчета навигационных характеристик и параметров движения каждого ПО в зоне радиосвязи НК 1. В зависимости от выбранного интервала времени выдачи на НК 1 сообщений о местоположении ПО 2 в вычислителе 3 в заданное время формируется соответствующее сообщение с привязкой к глобальному времени проведения измерения координат ПО 2. Принятые на НК 1 навигационные сообщения от всех ПО 2 обрабатываются в первом вычислителе 13 АРМ, выводятся на экран первого монитора 15 АРМ. В вычислителях 3 и 13 решается задача выбора оптимального пути трансляции управляющих сообщений от НК 1, так как постоянно в вычислителе 13 АРМ известными методами [5, 6] оцениваются зоны устойчивой радиосвязи для НК 1 и всех ПО 2. Наличие приемника 14 сигналов глобальных навигационных спутниковых систем позволяет проводить управление ПО 2 с мобильного, например, надводного НК 1. В аппаратуре передачи данных 7, 12, 23 и 36 осуществляются известные операции: модуляции и демодуляции, кодирования и декодирования и другие, например, необходимые для защиты информации [4, 8, 9]. Для повышения надежности связи и эффективности управления подвижными объектами непрерывно осуществляется контроль информационного обмена между подвижными объектами и наземным комплексом в процессе сеанса связи. Контроль осуществляется с помощью устройств 21-29 НК 1 и 31-37 ПО 2, позволяющих оценить параметры сигналов на выходах блоков 11-13 НК 1 и 7-9 ПО 2. Чтобы эта оценка была постоянно достоверной, во время отсутствия сеансов связи при необходимости проводится самотестирование оборудования НК 1 и ПО 2 с помощью сигналов, сформированных во втором вычислителе 24 АРМ и бортовом вычислителе 3. Введенное оборудование (устройства 39, 41, 43) может быть выполнено на серийных вычислительных элементах. Источник 40 информации может быть выполнен на инфракрасной или видеокамере, радиолокаторе и других изделиях. Кроме того, в бортовом вычислителе 3 имитируются функции наземных узлов НК 1: навигации, управления и других. Если в процессе работы в оборудовании НК 1 обнаружится неисправность (отказ), то во втором вычислителе 24 АРМ формируется сообщение, структура которого при прохождении устройств 11-13 позволит охватить наибольшее количество входящих в них узлов, чтобы выявить неисправный для последующей его замены. При обнаружении в процессе работы неисправности оборудования ПО 2 (отказа) в бортовом вычислителе 3 формируется сообщение, структура которого при прохождении устройств 7-9, 31-37 позволит охватить наибольшее количество входящих в них узлов, чтобы выявить неисправный для последующей его замены. В случае, когда наступит потеря связи с НК 1, например, при выходе ведущего или его заменяющего резервного подвижного объекта за пределы прямой оптической видимости от последнего i-го ПО-ретранслятора создается самоорганизирующаяся сеть связи для оставшихся подвижных объектов системы. Функционирование сети заключается в том, что все процедуры организации возлагаются на ведущего или его заменяющего резервного ПО, которые в соответствии с заложенными в них планами полета и связи руководят процедурами управления процессами движения и обмена данными в группе 45, например, выдача команды на повторный просмотр определенной местности или окончание программы полета и возвращения в пункт прибытия и т.П. Момент потери связи с НК 1 обнаруживается по резкому увеличению количества ошибок в двух трактах обмена данными ведущего или его заменяющего резервного ПО с последним i-м ПО-ретранслятором, что равнозначно уменьшению отношения сигнал/шум меньше заданного в плане связи, введенного по шине 42 и второй и первый бортовые вычислители 39 в блок 6 памяти при предстартовой подготовке. Если антенны 10 и 21, как и антенны 9 и 33 разнесены в пространстве так, что принимаемые с ПО 2 и с НК 1 радиосигналы являются некоррелированными, то объединяя и обрабатывая сигналы известными программными методами с помощью первого или второго вычислителей 13 или 24 АРМ, например, по критерию максимального правдоподобия [4, 8, 9], можно повысить достоверность принимаемой информации. Управление режимами работы устройств 31-37 по шине 38: в начальный момент включения системы, при появлении неисправности, в процессе сеанса связи с НК 1 или с другими ПО 2 осуществляется с помощью второго вычислителя 24 АРМ или первого бортового вычислителя 3. Введенное оборудование (устройства 39-42, 43-44) повышает также эффективность системы, так как осуществляется запись в блок 6 памяти широкополосной информации с источника 40 и считывание ее для обработки после приземления ПО 2, и передачи в соответствующих сеансах связи обработанной в узле 41 информации источника 40. На момент подачи заявки разработаны алгоритмы работы заявляемой системы радиосвязи. Узлы и шины 1-5, 7-38 одинаковые с прототипом. Вводимые узлы 6, 41, 43 могут быть выполнены программно или на серийных ИМС. Вычислители 3 и 39 могут быть выполнены, например, на плате процессорной 5066-586-133MHz-1 MB и 2 MB Flash CPU Card фирмы Octagon Systems соответственно, а вычислитель 24 - на базе ЭВМ типа «Багет-01-07» ЮКСУ.466225.001. Использование заявляемой системы радиосвязи, например, с беспилотными подвижными объектами позволяет: - повысить надежность связи за счет повышения помехозащищенности автоматической передачи информации, а, именно, при одновременной работе оборудования связи ПО и НК на двух частотах и в различных интервалах времени; - увеличить объем передаваемой информации с источников 40, установленных на подвижных объектах за счет использования на НК как обработанной информации, транслируемой в соответствующих сеансах связи практически в реальном масштабе времени, так и широкополосной информации - после приземления ПО; - повысить качество обрабатываемой на НК информации с источников 40 за счет создания единого информационного пространства и самоорганизирующейся сети связи для беспилотной объектов системы; - обеспечить удобство эксплуатации за счет наличия резервных (дублирующих) объектов, а так же непрерывного автоматического контроля информации в узлах бортовой аппаратуры связи и наземного комплекса. Литература 1. Патент РФ №44907. 2. Патент РФ №99261. 3. Патент РФ №2643182 (прототип). 4. Виды радиодоступа в системах подвижной связи. Учебное пособие для вузов /А.В. Кейстович, В.Р. Милов - М.: Горячая линия - Телеком, 2015. - 278 с. 5. Эрглис К.Э. Интерфейсы открытых систем. - М.: Горячая линия-Телеком, 2000, 256 с. 6. Мячев А.А. Интерфейсы средств вычислительной техники. Энциклопедический справочник. - М.: Радио и связь, 1993, 350 с. 7. GPS - глобальная система позиционирования. - М.: ПРИН, 1994, 76 с. 8. Радиосистемы передачи информации: Учеб. пособие для ВУЗов/И.М. Тепляков и др. Под ред. И.М. Теплякова. - М.: Радио и связь, 1982. 9. Уильям К. Ли. Техника подвижных систем связи. - М.: Радио и связь, 1985, 391 с.