патент
№ RU 2606927
МПК G01R29/00

ИЗМЕРИТЕЛЬ НАПРЯЖЕННОСТИ ЭЛЕКТРОСТАТИЧЕСКОГО ПОЛЯ

Авторы:
Фролов Александр Валерьевич Филиппов Анатолий Николаевич Петренко Олег Петрович
Все (4)
Номер заявки
2015133456
Дата подачи заявки
10.08.2015
Опубликовано
10.01.2017
Страна
RU
Как управлять
интеллектуальной собственностью
Чертежи 
1
Реферат

[15]

Изобретение относится к измерительной технике и может быть использовано для измерения напряженности электростатических полей различных заряженных материалов и изделий. Технический результат заключается в увеличении чувствительности измерителя посредством увеличения его помехозащищенности. Измеритель напряженности электростатического поля содержит чувствительный электрод, подключенный к входу усилителя, экранирующий электрод, электромагнитный привод, механически связанный с экранирующим электродом, генератор возбуждения, выход которого соединен с входом электромагнитного привода, синхронный детектор, выход которого через фильтр нижних частот подключен к индикатору, и основной двухполярный блок питания, шины питания которого соединены с шинами питания усилителя, синхронного детектора и фильтра нижних частот. Кроме того, в устройство введены дополнительный двухполярный блок питания и блок гальванической развязки, шины питания дополнительного двухполярного блока питания соединены с шинами питания электромагнитного привода, генератора возбуждения и с входной ступенью блока гальванической развязки. При этом шины питания выходной ступени блока гальванической развязки подключены к шинам питания основного двухполярного блока питания, выход генератора возбуждения соединен с входом блока гальванической развязки, выход блока гальванической развязки подключен к управляющему входу синхронного детектора, общие шины двухполярных блоков питания соединены с экранирующим электродом. 1 з.п. ф-лы, 1 ил.

Формула изобретения

1. Измеритель напряженности электростатического поля, содержащий чувствительный электрод, подключенный к входу усилителя, экранирующий электрод, электромагнитный привод, механически связанный с экранирующим электродом, генератор возбуждения, выход которого соединен с входом электромагнитного привода, синхронный детектор, выход которого через фильтр нижних частот подключен к индикатору, и основной двухполярный блок питания, шины питания которого соединены с шинами питания усилителя, синхронного детектора и фильтра нижних частот, отличающийся тем, что в него введен дополнительный двухполярный блок питания и блок гальванической развязки, шины питания дополнительного двухполярного блока питания соединены с шинами питания электромагнитного привода, генератора возбуждения и с входной ступенью блока гальванической развязки, кроме того, шины питания выходной ступени блока гальванической развязки подключены к шинам питания основного двухполярного блока питания, выход генератора возбуждения соединен с входом блока гальванической развязки, выход блока гальванической развязки подключен к управляющему входу синхронного детектора, кроме того, общие шины двухполярных блоков питания соединены с экранирующим электродом.

2. Измеритель по п. 1, отличающийся тем, что блок гальванической развязки выполнен на сдвоенном транзисторном оптроне, коллектор транзистора первого оптрона соединен с плюсовой шиной основного двухполярного блока питания, эмиттер транзистора первого оптрона соединен с коллектором транзистора второго оптрона и с выходом блока гальванической развязки, эмиттер транзистора второго оптрона соединен с минусовой шиной основного двухполярного блока питания, анод светодиода первого оптрона соединен с катодом светодиода второго оптрона и с входом блока гальванической развязки, катод светодиода первого оптрона соединен с анодом второго оптрона и с общими шинами блока гальванической развязки и дополнительного двухполярного блока питания.

Описание

[1]

Изобретение относится к измерительной технике и может быть использовано для измерения напряженности электростатических полей различных заряженных материалов и изделий.

[2]

Известен измеритель напряженности электрического поля, содержащий чувствительный электрод, усилитель и индикатор. Чувствительный электрод установлен в отверстии металлического корпуса и соединен через усилитель с индикатором (а.с. СССР №464872, кл. G01R 29/12, 1975 г.). Этот измеритель за счет неподвижного чувствительного электрода измеряет только напряженность переменных электрических полей, создаваемых изменяющимися электрическими зарядами заряженных тел и поверхностей. Данное устройство не позволяет измерять напряженность постоянных и медленно меняющихся электрических полей, создаваемых статическими зарядами неподвижных тел и поверхностей.

[3]

Наиболее близким по технической сущности к заявляемому техническому решению является измеритель напряженности электрического поля, построенный по принципу электростатического генератора. Он содержит чувствительный и экранирующий электроды, усилитель, синхронный детектор, фильтр нижних частот, электромагнитный привод, генератор и блок питания, шины питания которого подключены к шинам питания усилителя, генератора, синхронного детектора, фильтра нижних частот и электромагнитного привода. Чувствительный электрод подключен через усилитель к измерительному входу синхронного детектора, выход которого через фильтр нижних частот соединен с индикатором. Выход генератора подключен к электромагнитному приводу и к управляющему входу синхронного детектора. Экранирующий электрод, механически связанный с электромагнитным возбудителем, установлен с возможностью экспонирования чувствительного электрода в исследуемом электрическом поле (см. патент РФ №2414717, кл. G01R 29/12 от 18.01.2010 г.). В данном измерителе экранирующий электрод за счет электромагнитного привода колеблется с частотой генератора, изменяя при этом степень электростатической связи чувствительного электрода с исследуемым электрическом полем, благодаря чему на чувствительном электроде наводится переменный электрический заряд, пропорциональный напряженности электрического поля. Наведенный заряд затем преобразуется усилителем, синхронным детектором и фильтром нижних частот в постоянное напряжение, величина которого пропорциональна напряженности измеряемого электрического поля, а знак - его полярности.

[4]

Данное устройство может измерять напряженность постоянных и медленно меняющихся электрических полей, создаваемых статическими зарядами неподвижных заряженных тел и поверхностей. Существенным недостатком измерителя является наличие синфазной помехи, возникающей за счет протекания токов возбуждения генератора и электромагнитного привода по общей шине измерителя. Так как общая шина измерителя имеет конечное омическое сопротивление порядка rобщ=0,1…10 Ом (особенно при двухблочной конструкции измерителя, когда датчик поля подключен к измерительной схеме кабелем длиной 1…10 м), то протекание токов возбуждения генератора и электромагнитного привода создает падение напряжения (синфазное с полезным сигналом), поступающее на вход усилителя. Синфазная помеха заметно ограничивает чувствительность измерителя.

[5]

Задача, решаемая изобретением, заключается в увеличении чувствительности измерителя посредством увеличения его помехозащищенности.

[6]

Ожидаемый технический эффект достигается тем, что в измеритель напряженности электростатического поля, содержащий чувствительный электрод, подключенный к входу усилителя, экранирующий электрод, электромагнитный привод, механически связанный с экранирующим электродом, генератор возбуждения, выход которого соединен с входом электромагнитного привода, синхронный детектор, выход которого через фильтр нижних частот подключен к индикатору, и основной двухполярный блок питания, шины питания которого соединены с шинами питания усилителя, синхронного детектора и фильтра нижних частот, измеритель отличается тем, что в него введен дополнительный двухполярный блок питания и блок гальванической развязки, шины питания дополнительного двухполярного блока питания соединены с шинами питания электромагнитного привода, генератора возбуждения и с входной ступенью блока гальванической развязки, кроме того, шины питания выходной ступени блока гальванической развязки подключены к шинам питания основного двухполярного блока питания, выход генератора возбуждения соединен с входом блока гальванической развязки, выход блока гальванической развязки подключен к управляющему входу синхронного детектора, кроме того, общие шины двухполярных блоков питания соединены с экранирующим электродом.

[7]

Блок гальванической развязки выполнен на сдвоенном транзисторном оптроне, коллектор транзистора первого оптрона соединен с плюсовой шиной основного двухполярного блока питания, эмиттер транзистора первого оптрона соединен с коллектором транзистора второго оптрона и с выходом блока гальванической развязки, эмиттер транзистора второго оптрона соединен с минусовой шиной основного двухполярного блока питания, анод светодиода первого оптрона соединен с катодом светодиода второго оптрона и с входом блока гальванической развязки, катод светодиода первого оптрона соединен с анодом второго оптрона и с общими шинами блока гальванической развязки и дополнительного двухполярного блока питания.

[8]

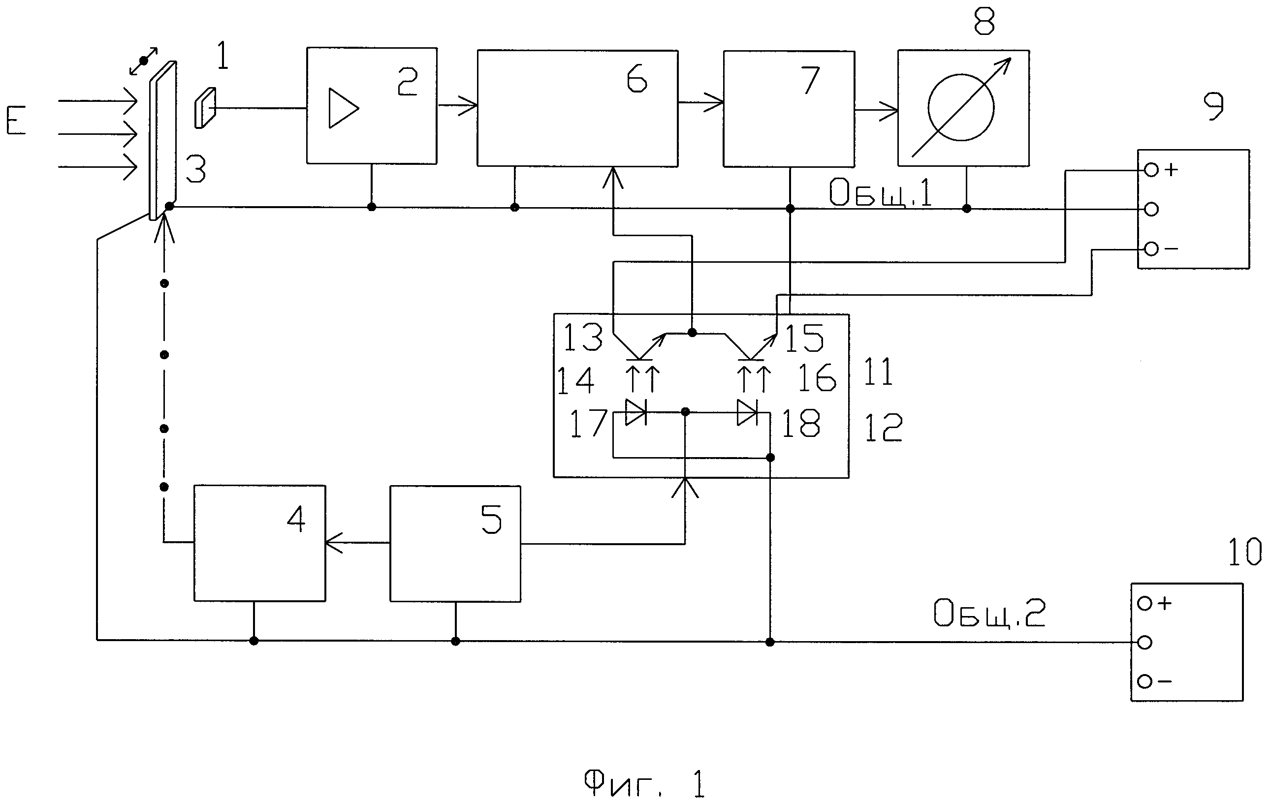
Функциональная схема предлагаемого устройства приведена на фиг. 1.

[9]

Измеритель напряженности электростатического поля содержит чувствительный электрод 1, подключенный к входу усилителя 2, экранирующий электрод 3, электромагнитный привод 4, механически связанный с экранирующим электродом 3, генератор возбуждения 5, выход которого соединен с входом электромагнитного привода 4, синхронный детектор 6, выход которого через фильтр нижних частот 7 подключен к индикатору 8, и основной двухполярный блок питания 9, шины питания которого соединены с шинами питания усилителя 2, синхронного детектора 6 и фильтра нижних частот 7. Измеритель содержит также дополнительный двухполярный блок питания 10 и блок гальванической развязки 11, шины питания дополнительного блока питания 10 соединены с шинами питания электромагнитного привода 4, генератора возбуждения 5 и с входной ступенью блока гальванической развязки 11. Выход генератора возбуждения 5 соединен с входом блока гальванической развязки 11, выход блока гальванической развязки 11 подключен к управляющему входу синхронного детектора 6. Шины питания выходной ступени блока гальванической развязки 11 подключены к шинам питания основного двухполярного блока питания 9, а общие шины двухполярных блоков питания 9, 10 соединены с экранирующим электродом 3.

[10]

Кроме того, блок гальванической развязки 11 выполнен на сдвоенном транзисторном оптроне 12, коллектор транзистора 13 первого оптрона 14 соединен с плюсовой шиной основного двухполярного блока питания 9, эмиттер транзистора 13 первого оптрона 14 соединен с коллектором транзистора 15 второго оптрона 16 и с выходом блока гальванической развязки 11, эмиттер транзистора 15 второго оптрона 16 соединен с минусовой шиной основного двухполярного блока питания 9, анод светодиода 17 первого оптрона 14 соединен с катодом светодиода 18 второго оптрона 16 и с общими шинами блока гальванической развязки 11 и дополнительного двухполярного блока питания 10, катод светодиода 17 первого оптрона 14 соединен с анодом светодиода 18 второго оптрона 16 и с входом блока гальванической развязки 11.

[11]

Измеритель напряженности электростатического поля работает следующим образом. При включении измерителя электромагнитный привод 4 заставляет колебаться экранирующий электрод 3 с амплитудой и частотой, задаваемой генератором возбуждения 5. При этом экранирующий электрод 3 периодически экранирует чувствительный электрод 1 от воздействия электростатического поля, благодаря чему на чувствительном электроде 1 наводится переменный электрический заряд q1, пропорциональный величине напряженности электростатического поля Е= и площади чувствительного электрода 1. Усилитель 2, преобразуя и усиливая переменный электрический заряд q1, вырабатывает переменное синусоидальное напряжение U2 с амплитудой, пропорциональной напряженности электрического поля Е=.

[12]

Переменное синусоидальное напряжение U2 поступает на сигнальный вход синхронного детектора 6, в то время как на управляющий вход синхронного детектора подается сигнал с выхода блока гальванической развязки 11. С выхода генератора возбуждения 5 синусоидальное напряжение поступает на блок гальванической развязки 11, который с помощью светодиодов 17, 18 и фототранзисторов 13, 15 оптронов 14 и 16 вырабатывает переменное напряжение U11 прямоугольной формы с частотой генератора возбуждения 5. При совпадении фаз переменных напряжений U2 и U11 синхронный детектор 6 вырабатывает полусинусоиды положительной полярности, которые на выходе фильтра нижних частот 7 преобразуются в постоянное положительное напряжение U7, которое затем регистрируется индикатором 8. При сдвиге фаз переменных напряжений U2 и U11 синхронный детектор 6 вырабатывает полусинусоиды отрицательной полярности, которые на выходе фильтра нижних частот 7 преобразуются в постоянное отрицательное напряжение U7. Величина напряжения U7 пропорциональна величине напряженности поля Е=, а знак соответствует полярности электростатического поля.

[13]

«Слаботочный» сигнальный переменный ток высокочувствительного усилителя 2 протекает по общей шине «Общ. 1» основного двухполярного блока питания 9, в то время как «сильноточный» переменный ток возбуждения генератора 5 и электромагнитного усилителя 4 и светодиодов 17, 18 (порядка I=5…30 мА) протекает по общей шине «Общ. 2» дополнительного двухполярного блока питания 10 и создает на ней падение переменного напряжения с частотой генератора 5 и амплитудой Uпп⋅rобщ2≈0,5…300 мВ, которая не протекает по общей шине «Общ. 1» и поэтому не создает синфазной помехи на входе усилителя 2.

[14]

Экспериментально было установлено, что предлагаемый измеритель позволяет исключить синфазную помеху на входе усилителя 2 за счет исключения протекания токов электромагнитного привода 4 и генератора возбуждения 5 по общей шине основного двухполярного блока питания 9, к которому подключен усилитель 2, благодаря чему чувствительность измерителя увеличилась более чем в 10 раз.

Как компенсировать расходы
на инновационную разработку
Похожие патенты