Изобретение относится к измерительной технике и может быть использовано для измерения напряженности электрического поля различных заряженных материалов и изделий. Технический результат заключаются в увеличении широкополосности измерителя и увеличении чувствительности измерителя при измерении постоянных и медленно меняющихся электрических полей. Измеритель напряженности электрического поля вибрационного типа содержит чувствительный и экранирующий электроды, усилитель, синхронный детектор, фильтр нижних частот, генератор, электромеханический привод, механически связанный с экранирующим электродом, и индикатор, выход генератора подключен к электромеханическому приводу и управляющему входу синхронного детектора. Дополнительно введены второй чувствительный электрод и второй усилитель, причем чувствительные электроды установлены в одной плоскости с зазором симметрично относительно экранирующего электрода. Вибрирующая часть экранирующего электрода в одном крайнем положении электростатически связана с локальным участком первого чувствительного электрода, а в другом крайнем положении электростатически связана с локальным участком второго чувствительного электрода. Площади локальных участков чувствительных электродов, прилегающие к зазору, установлены равными между собой и имеют значения больше нуля, но меньше полных площадей чувствительных электродов, обращенных в сторону исследуемого поля. 2 ил.
Измеритель напряженности электрического поля вибрационного типа, содержащий чувствительный и экранирующий электроды, усилитель, синхронный детектор, фильтр нижних частот, генератор, электромеханический привод, механически связанный с экранирующим электродом, и индикатор, выход генератора подключен к электромагнитному приводу и управляющему входу синхронного детектора, отличающийся тем, что в него введены второй чувствительный электрод и второй усилитель, причем чувствительные электроды установлены в одной плоскости с зазором симметрично относительно экранирующего электрода, при этом вибрирующая часть экранирующего электрода в одном крайнем положении электростатически связана с локальным участком первого чувствительного электрода, а в другом крайнем положении электростатически связана с локальным участком второго чувствительного электрода, площади локальных участков чувствительных электродов, прилегающие к зазору, установлены равными между собой и имеют значения больше нуля, но меньше полных площадей чувствительных электродов, обращенных в сторону исследуемого поля, кроме того, первый усилитель выполнен дифференциальным, а второй усилитель - суммирующим, первый и второй чувствительные электроды подключены к инвертирующему и неинвертирющему входам дифференциального усилителя, выход которого соединен с измерительным входом синхронного детектора, причем первый и второй чувствительные электроды подключены соответственно к первому и второму входам суммирующего усилителя, выход синхронного детектора через фильтр нижних частот соединен с третьим входом суммирующего усилителя, выход которого подключен к индикатору.
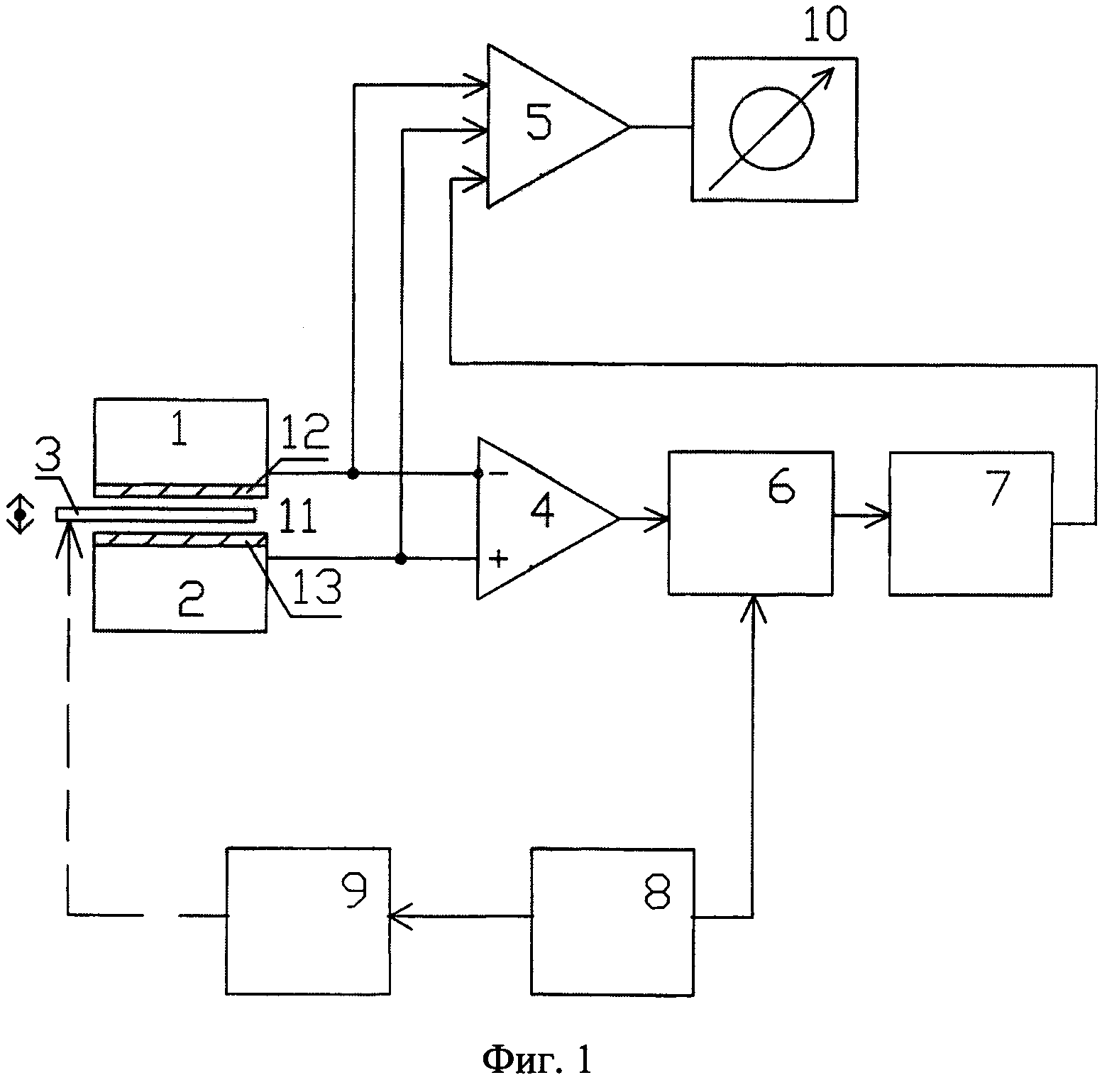
Изобретение относится к измерительной технике и может быть использовано для измерения напряженности электрического поля различных заряженных материалов и изделий. Известен измеритель напряженности электрического поля, содержащий чувствительный электрод, усилитель и индикатор. Чувствительный электрод установлен в отверстии металлического корпуса и соединен через усилитель с индикатором (SU 464872, 25.03.1975). Этот измеритель за счет неподвижного чувствительного электрода измеряет только напряженность переменных электрических полей, создаваемых изменяющимися электрическими зарядами заряженных тел и поверхностей. Данное устройство не позволяет измерять напряженность постоянных и медленно меняющихся электрических полей, создаваемых статическими зарядами неподвижных тел и поверхностей. Наиболее близким по технической сущности к заявляемому техническому решению является измеритель напряженности электрического поля, построенный по принципу электростатического генератора. Он содержит чувствительный и экранирующий электроды, усилитель, синхронный детектор, фильтр нижних частот, электромеханический привод и генератор. Чувствительный электрод подключен через усилитель к измерительному входу синхронного детектора, выход которого через фильтр нижних частот соединен с индикатором. Выход генератора подключен к электромагнитному приводу и к управляющему входу синхронного детектора. Экранирующий электрод, механически связанный с электромеханическим возбудителем, установлен с возможностью экспонирования чувствительного электрода в исследуемом электрическом поле (US 4763078, 9.08.1988; US 5489850, 6.02.1996; RU №2414717, 18.01.2010). В данном измерителе экранирующий электрод за счет электромеханического привода колеблется с частотой генератора, изменяя при этом степень электростатической связи чувствительного электрода с исследуемым электрическим полем, благодаря чему на чувствительном электроде наводится переменный электрический заряд, пропорциональный напряженности электрического поля. Наведенный заряд затем преобразуется усилителем, синхронным детектором и фильтром нижних частот в постоянное напряжение, величина которого пропорциональна напряженности измеряемого электрического поля, а знак - его полярности. Данное устройство может измерять напряженность постоянных и медленно меняющихся электрических полей, создаваемых статическими зарядами неподвижных заряженных тел и поверхностей. Быстро изменяющиеся электрические поля, имеющие частоту выше, чем частота колебаний экранирующего электрода, данный измеритель измерять не может. Это является существенным недостатком измерителя. Технический результат, обеспечиваемый изобретением, заключаются в увеличении широкополосности измерителя и увеличении чувствительности измерителя при измерении постоянных и медленно меняющихся электрических полей. Ожидаемый технический результат достигается тем, что в измеритель напряженности электрического поля вибрационного типа, содержащий чувствительный и экранирующий электроды, усилитель, синхронный детектор, фильтр нижних частот, генератор, электромеханический привод, механически связанный с экранирующим электродом, и индикатор, выход генератора подключен к электромеханическому приводу и управляющему входу синхронного детектора, дополнительно введены второй чувствительный электрод и второй усилитель, причем чувствительные электроды установлены в одной плоскости с зазором симметрично относительно экранирующего электрода, при этом вибрирующая часть экранирующего электрода в одном крайнем положении электростатически связана с локальным участком первого чувствительного электрода, а в другом крайнем положении электростатически связана с локальным участком второго чувствительного электрода, площади локальных участков чувствительных электродов, прилегающие к зазору, установлены равными между собой и имеют значения больше нуля, но меньше полных площадей чувствительных электродов, обращенных в сторону исследуемого поля, кроме того, первый усилитель выполнен дифференциальным, а второй усилитель - суммирующим, первый и второй чувствительные электроды подключены к инвертирующему и неинвертирующему входам дифференциального усилителя, выход которого соединен с измерительным входом синхронного детектора, причем первый и второй чувствительные электроды подключены соответственно к первому и второму входам суммирующего усилителя, выход синхронного детектора через фильтр нижних частот соединен с третьим входом суммирующего усилителя, выход которого подключен к индикатору. Функциональная схема предлагаемого устройства приведена на фиг. 1, на фиг. 2 показаны временные диаграммы электрических сигналов на выходах чувствительных электродов 1, 2, усилителей 4, 5, фильтра нижних частот 7 при воздействии на измеритель постоянных и переменных электрических полей. Измеритель напряженности электрического поля вибрационного типа (фиг. 1) содержит чувствительные электроды 1 и 2, экранирующий электрод 3, усилители 4 и 5, синхронный детектор 6, фильтр нижних частот 7, генератор 8, электромеханический привод 9, механически связанный с экранирующим электродом 3, и индикатор 10. Выход генератора 8 подключен к электромеханическому приводу 9 и управляющему входу синхронного детектора 6. Чувствительные электроды 1 и 2 установлены в одной плоскости с зазором 11 симметрично относительно экранирующего электрода 3. Вибрирующая часть экранирующего электрода 3 в одном крайнем положении электростатически связана с локальным участком 12 первого чувствительного электрода 1, а в другом крайнем положении электростатически связана с локальным участком 13 второго чувствительного электрода 2. Площади локальных участков 12 и 13 чувствительных электродов 1 и 2, прилегающие к зазору 11, установлены равными и имеют значения, большие нуля, но меньшие полных площадей чувствительных электродов 1 и 2, обращенных в сторону исследуемого поля. Усилитель 4 выполнен дифференциальным, а усилитель 5 - суммирующим. Чувствительные электроды 1 и 2 подключены к инвертирующему и неинвертирующему входам дифференциального усилителя 4 и к первому и второму входам суммирующего усилителя 5. Выход дифференциального усилителя 4 соединен с измерительным входом синхронного детектора 6, выход которого через фильтр нижних частот 7 соединен с третьим входом суммирующего усилителя 5, выход которого подключен к индикатору 10. Измеритель напряженности электрического поля работает следующим образом. При воздействии на измеритель постоянного электрического поля, имеющего напряженность E(t)=E=, экранирующий электрод 3, совершающий при помощи электромеханического привода 9 периодические колебания поперек зазора 11, поочередно изменяет напряженность электрического поля у локальных участков 12, 13 чувствительных электродов 1, 2. Благодаря этому на локальных участках 12, 13 наводятся переменные электрические заряды q12, q13, пропорциональные величине напряженности электрического поля Е= и площадям локальных участков 12, 13. Причем амплитуды и частоты наведенных зарядов q12, q13 равны, а фазы отличаются на 180° (фиг. 2, а). Противофазные переменные заряды q12, q13 поступают на инвертирующий и не инвертирующий входы дифференциального усилителя 4, который, преобразуя и суммируя их, вырабатывает переменное напряжение U4 с амплитудой, пропорциональной напряженности электрического поля Е=. Переменное напряжение U4 преобразуется синхронным детектором 6 и фильтром нижних частот 7 в постоянное напряжение U7, величина которого пропорциональна величине напряженности поля Е=, а знак соответствует полярности электростатического поля. Переменные заряды q12, q13 поступают так же на первый и второй входы суммирующего усилителя 5, а напряжение U7 - на третий его вход. Так как переменные заряды q12, q13 изменяются в противофазе, то после сложения в усилителе 5 они уничтожаются, поэтому на выходе усилителя 5 действует только постоянное напряжение U7, соответствующее величине и знаку измеряемого постоянного поля, которое затем регистрируется индикатором 10. При воздействии на измеритель переменного электрического поля, имеющего напряженность E(t)=E~ (фиг. 2, б), на чувствительные электроды 1 и 2 наводятся переменные электрические заряды q1 и q2, равные q1, q2 - заряды, наведенные на полные площади S1 и S2 чувствительных электродов 1 и 2, обращенных в сторону измеряемого электрического поля, q12, q13 - заряды, наведенные на локальные участки 12 и 13, модулируемые экранирующим электродом 3 и имеющие площади соответственно S12 и S13, q1', q2' - заряды, наведенные на площади (S1-S12) и (S2-S13) чувствительных электродов 1 и 2, обращенных в сторону измеряемого электрического поля, но не модулируемых экранирующим электродом 3. Переменные электрические заряды q1, q2, имеющие в силу симметрии конструктивного исполнения чувствительных электродов 1 и 2 одинаковые величины, поступают на инвертирующий и неинвертирующий входы дифференциального усилителя 4, где взаимно уничтожаются, поэтому напряжения U4, U6, U7 на выходах усилителя 4, синхронного детектора 6 и фильтра нижних частот 7 равны нулю. В то же время эти же заряды q1, q2 поступают на первый и второй входы суммирующего усилителя 5, где складываются и преобразуются усилителем 5 в напряжение U5, величина и форма которого соответствует величине и форме электрического поля Е~. Напряжение U5 индицируется индикатором 10. Переменные электрические заряды q12, q13, образующиеся на локальных участках 12 и 13 от противофазной модуляции переменного электрического поля Е~ колеблющимся экранирующим электродом 3, изменяются в противофазе, поэтому на первом и втором суммирующих входах усилителя 5 они уничтожаются. На инвертирующем и неинвертирующем входах дифференциального усилителя 4 переменные заряды q12, q13 складываются и, если частота изменения переменного электрического поля fE превышает частоту среза фильтра нижних частот 7, после детектирования синхронным детектором 6 и интегрирования фильтром нижних частот 7 уничтожаются, то есть сигнал на третьем суммирующем входе усилителя 5 равен нулю. Поэтому напряжение U5 на выходе усилителя 5 определяется лишь суммой зарядов q1, q2, воздействующих на первый и второй входы суммирующего усилителя 5. Если частота изменения fE переменного электрического поля Е~ не превышает 0,01f7 частоту среза фильтра нижних частот 7, то на выходе фильтра 7 вырабатывается медленно меняющееся напряжение U7, амплитуда которого пропорциональна напряженности переменного электрического поля Е~, а частота будет равна частоте изменения поля Е~. Напряжение U7 поступает на третий суммирующий вход усилителя 5, где складывается с сигналами на первом и втором суммирующих входах и после усиления усилителем 5 поступает на индикатор 10. Если электрическое поле E(t) содержит одновременно постоянную Е= и переменную Е~ составляющие (фиг. 2, в), то постоянные и переменные составляющие наведенных зарядов q1, q2, пройдя уже упомянутую обработку элементами схемы измерителя, будут зафиксированы индикатором 10. Из приведенного выше описания видно, что, если площади локальных участков 12, 13 равны нулю или очень малы [меньше 0,01S1(S2)], то измеритель вырождается в измеритель напряженности переменного электрического поля. Если площади локальных участков 12, 13 равны площадям чувствительных электродов 1, 2, обращенных в сторону исследуемого поля E(t), то измеритель не обеспечивает измерений переменного электрического поля, вырождаясь в измеритель напряженности электростатического поля дифференциального типа. Экспериментально было установлено, что предлагаемый измеритель позволяет измерять напряженности электрических полей, изменяющихся в диапазоне частот от 0 до 1 МГц, в то время как известное устройство обеспечивает измерение электрических полей от 0 до 0,01Ω, где Ω - частота вибрации экранирующего электрода, которая для измерителей вибрационного типа не превышает 500 Гц, то есть верхняя частота изменения электрического поля, которую способен измерить прототип, не превышает нескольких герц. Кроме того, конструктивное исполнение предложенного измерителя обеспечивает дифференциальное преобразование статических и квазистатических полей, что, как известно, повышает вдвое чувствительность устройства.