патент
№ RU 2701813
МПК A01B35/16

Многофункциональный почвообрабатывающий агрегат для восстановления деградированных земель

Авторы:
Лобачевский Яков Петрович Старовойтов Сергей Иванович Измайлов Андрей Юрьевич
Все (4)
Номер заявки
2019108471
Дата подачи заявки
25.03.2019
Опубликовано
01.10.2019
Страна
RU
Как управлять
интеллектуальной собственностью
Чертежи 
3
Реферат

Изобретение относится к сельскохозяйственному машиностроению, в частности к техническим средствам для основной безотвальной обработки почвы. Многофункциональный почвообрабатывающий агрегат для восстановления деградированных земель состоит из несущей рамы и установленных на ней рабочих органов с воздушно-импульсным приводом, трех секций 1, 2, 3, жестко закрепленных на раме с возможностью демонтажа, первая и третья из которых складывающиеся, вторая секция – базовая и выполнена со сницей 4, опорными 5 и транспортными 6 колесами и баллоном 7 сжатого воздуха. Каждая секция выполнена в виде двух рам. Передняя рама каждой секции выполнена в виде полого вала, связанного с баллоном сжатого воздуха 7, с жестко закрепленными на нем рабочими органами в виде обода, полых ступицы и спиц со съемными конусными насадками в виде корпуса и втулки–поршня с радиальными отверстиями на них и заостренным наконечником. Спицы с конусными насадками выполнены в виде логарифмической спирали. Угол между конусной насадкой и спицей составляет 120°.Насадки установлены с возможностью изменения их количества. Рабочие органы выполнены c возможностью смещения вдоль рамы при изменении вида обработки почвы. На задней раме каждой секции закреплены почвообрабатывающие фрезы 18 и кольчато-зубчатые катки 19, установленные с возможностью их замены. Такое выполнение позволит снизить тяговое сопротивление агрегата и увеличить производительность за счет роста скорости агрегата. 5 ил.

Формула изобретения

Многофункциональный почвообрабатывающий агрегат для восстановления деградированных земель, содержащий несущую раму и установленные на ней рабочие органы с воздушно-импульсным приводом, три секции, жестко закрепленные на раме с возможностью демонтажа, первая и третья из которых складывающиеся, вторая секция – базовая и выполнена со сницей, опорными и транспортными колесами и баллоном сжатого воздуха, каждая секция выполнена в виде двух рам, отличающийся тем, что передняя рама каждой секции выполнена в виде полого вала, связанного с баллоном сжатого воздуха, с жестко закрепленными на нем рабочими органами в виде обода, полых ступицы и спиц со съемными конусными насадками в виде корпуса и втулки-поршня с радиальными отверстиями на них и заостренным наконечником, спицы с конусными насадками выполнены в виде логарифмической спирали, при этом угол между конусной насадкой и спицей составляет 120°, насадки установлены с возможностью изменения их количества, а рабочие органы выполнены c возможностью смещения вдоль рамы при изменении вида обработки почвы, на задней раме каждой секции закреплены почвообрабатывающие фрезы и кольчато-зубчатые катки, установленные с возможностью их замены.

Описание

[1]

Изобретение относится к сельскохозяйственному машиностроению, в частности, к техническим средствам для основной безотвальной обработки почвы.

[2]

Известно множество почвообрабатывающих устройств, содержащие как отвальные так безотвальные рабочие органы, рыхлители пассивного и активного действия (RU 2335107, МПК, 2008, SU 1664128 МПК, RU 2335107, МПК,2008, РФ 2491807, МПК,2012; RU 136275, МПК, 2013; RU 136674, МПК, 2014).

[3]

Недостатком известных почвообрабатывающих устройств является то, что все они предназначены обрабатывать почву механическим воздействием на нее, что приводит к нарушению структурного содержания почвы, ее уплотнению и ухудшению водо-воздушного режима.

[4]

Наиболее, близким по технической сущности к заявляемому устройству является выбранное в качестве прототипа устройство для обработки почвы, содержащее несущую раму и установленные на ней рабочие органы с воздушно-импульсным приводом, три секции, жестко закрепленные на раме с возможностью демонтажа, первая и третья из которых складывающиеся, вторая секция – базовая - выполнена со сницей, опорными и транспортными колесами и баллоном сжатого воздуха, каждая секция выполнена в виде двух рам (патент РФ № 183739, МПК A01B79/02, 2018 г.).

[5]

Недостатком известного устройства является высокое тяговое сопротивление агрегата при обработке почвы, по этой причине низкая рабочая скорость, что приводит к снижению производительности.

[6]

Технической задачей предполагаемого изобретения является снижение тягового сопротивления агрегата, увеличение производительности за счет роста скорости агрегата.

[7]

Поставленная техническая задача достигается тем, что многофункциональный почвообрабатывающий агрегат для восстановления деградированных земель, содержащий несущую раму и установленные на ней рабочие органы с воздушно-импульсным приводом, три секции, жестко закрепленные на раме с возможностью демонтажа, первая и третья из которых складывающиеся, вторая секция – базовая - выполнена со сницей, опорными и транспортными колесами и баллоном сжатого воздуха, каждая секция выполнена в виде двух рам, согласно изобретению, передняя рама каждой секции выполнена в виде полого вала, связанного с баллоном сжатого воздуха, с жестко закрепленными на нем рабочими органами в виде обода, полых ступицы и спиц со съемными конусными насадками в виде корпуса и втулки - поршня с радиальными отверстиями на них и заостренным наконечником, спицы с конусными насадками выполнены в виде логарифмической спирали, при этом угол между конусной насадкой и спицей составляет 120о, насадки установлены с возможностью изменения их количества, рабочие органы выполнены c возможностью смещения вдоль рамы при изменении вида обработки почвы, на задней раме каждой секции закреплены почвообрабатывающие фрезы и кольчато-зубчатые катки, установленные с возможностью их замены.

[8]

Изобретение поясняется чертежами.

[9]

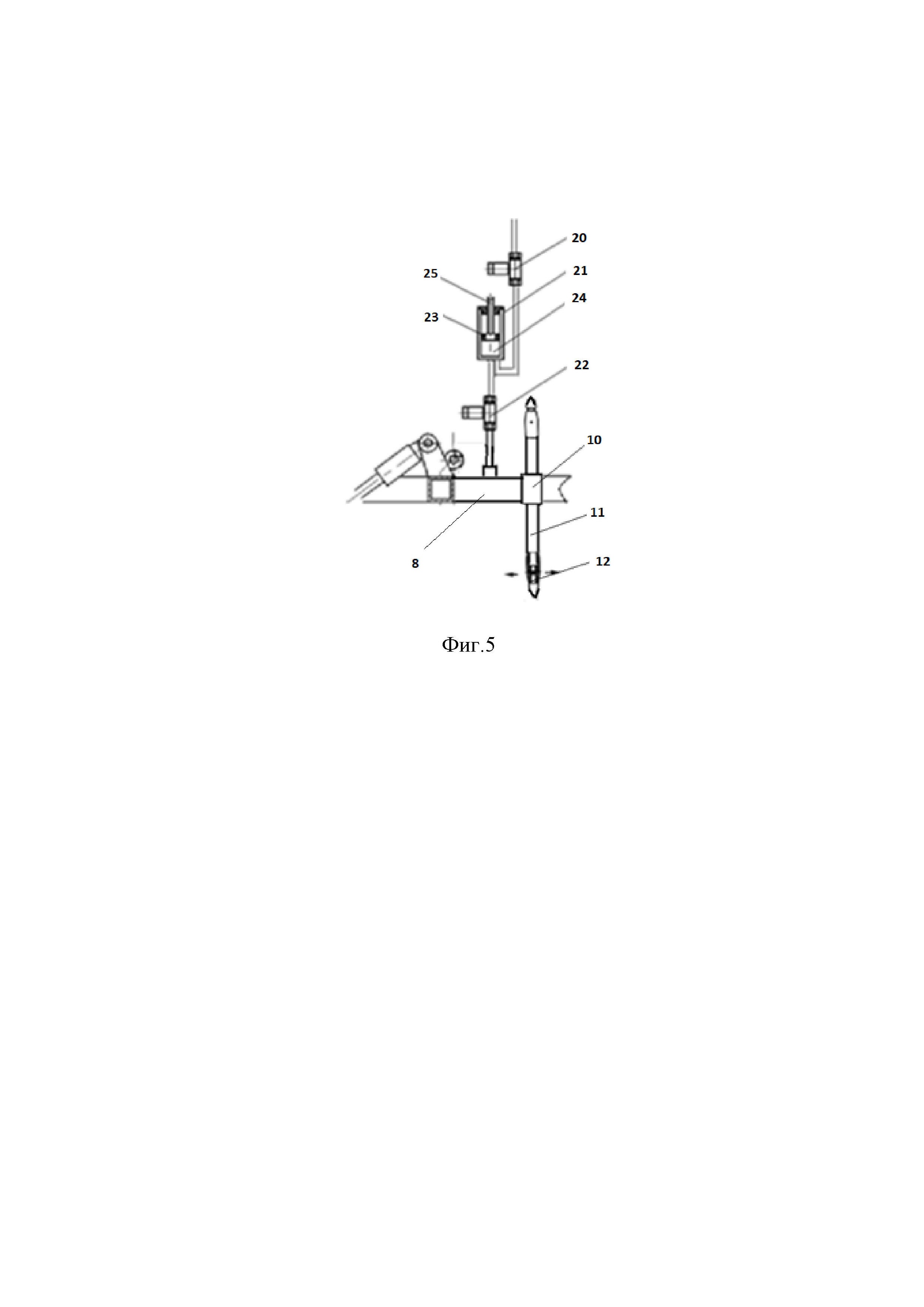
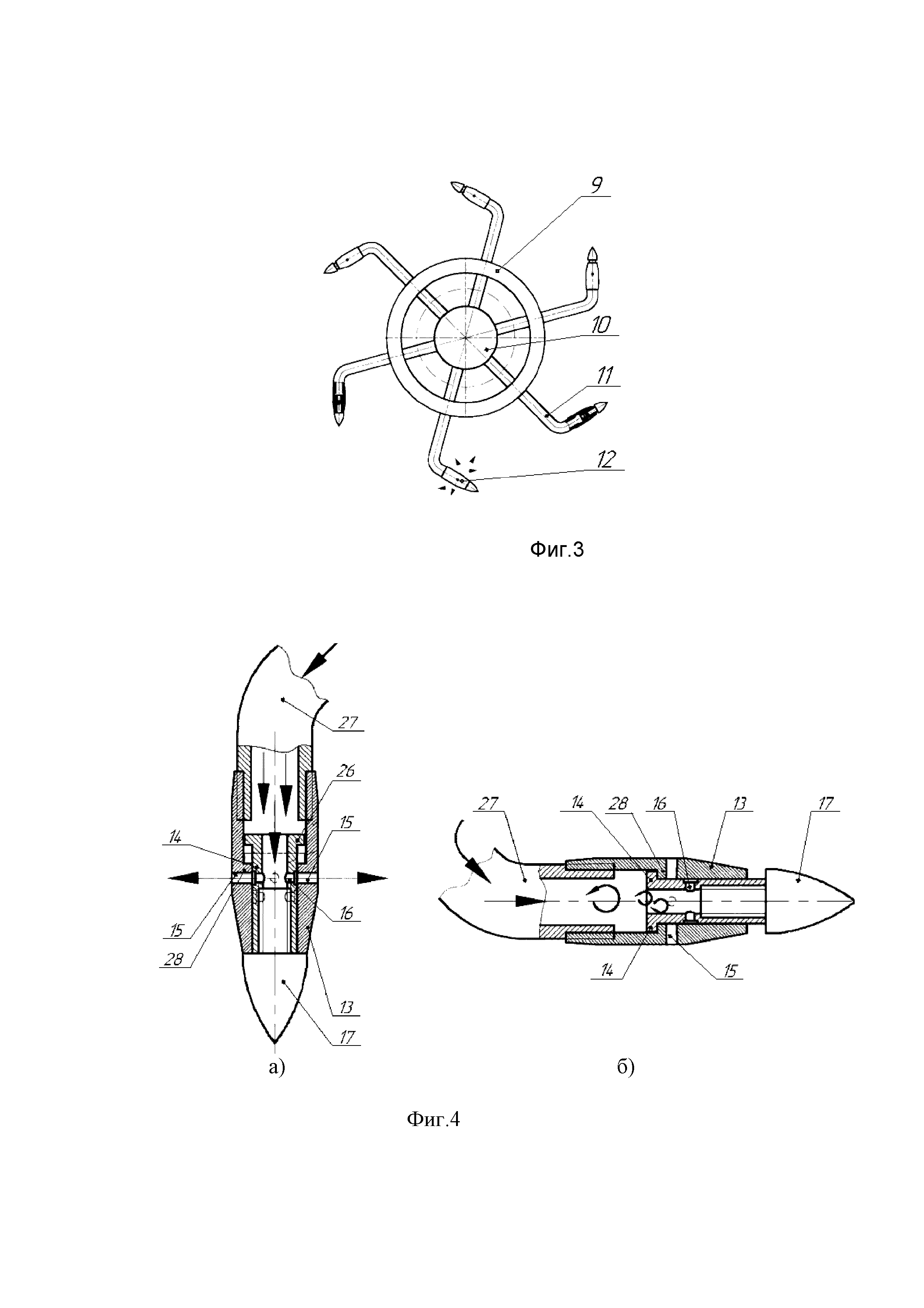
На фиг. 1. Представлен многофункциональный почвообрабатывающий агрегат для восстановления деградированных земель, вид сверху; на фиг. 2. то же, вид сбоку; фиг. 3 – то же, рабочий орган; на фиг. 4 – то же, две позиции конусной насадки: а) над почвой с выдвинутым заостренным наконечником; б) в почве с замкнутым наконечником; фиг. 5 – то же, система пуска сжатого воздуха.

[10]

Многофункциональный почвообрабатывающий агрегат для восстановления деградированных земель содержит три секции, первая 1 и третья 2 из которых складывающиеся, вторая секция 3 – базовая - выполнена со сницей 4, опорными 5 и транспортными 6 колесами и баллоном 7 сжатого воздуха. Передняя рама каждой секции выполнена в виде полого вала 8, связанного с баллоном сжатого воздуха 7, с жестко закрепленными на нем рабочими органами в виде обода 9, полых ступицы 10 и спиц 11. Спицы 11 изготовлены со съемными конусными насадками 12, содержащими корпус 13, втулку - поршень 14 с радиальными отверстиями 15 и 16 на них и заостренным наконечником 17. Конусные насадки 12 установлены с возможностью изменения их количества. Рабочие органы выполнены c возможностью смещения вдоль рамы при изменении вида обработки почвы, например, от полостной обработки почвы на сплошную. На задней раме каждой секции 1, 2 и 3 на кронштейнах закреплены почвообрабатывающие фрезы 18 и кольчато-зубчатые катки 19, установленные с возможностью их замены на ширину захвата зависящей от вида (сплошной или полосной) обработки почвы сжатым воздухом.

[11]

Передние рамы каждой секции 1, 2 и 3 выполнены в виде полого вала 8 и подсоединены к баллону 7 сжатого воздуха через пневмоэлектроклапаны 20, микрорессиверы 21 и пневмоэлектроклапаны 22. Каждый микрорессивер 21 имеет устройство для изменения объема, например поршень 23, перемещаемый внутри цилиндра 24 с помощью винтового механизма 25. В зависимости от физико-механических свойств почвы определяется и устанавливается требуемый объем сжатого воздуха в микрорессивере 21 с помощью винтового механизма 25. По команде системы управления производится дозаправка микрорессиверов 21 сжатым воздухом большого давления перед очередным импульсным воздействием на почву из баллона высокого давления 7 через общую заправочную магистраль за счет кратковременного открытия пневмоэлектроклапанов 20. Постоянное рабочее давление в баллонах 7 поддерживается компрессором (не показан).

[12]

Конусная насадка 12 является продолжением спиц 11 с резьбовым соединением к ним под углом 120⁰. Отверстия 15 и 16 выполнены для прохода сжатого воздуха. Цилиндрический корпус 13 содержит хвостовик 26 удерживающий втулку - поршень 15 от выпадения из пневмоканала 27. На конце пневмоканала 27 выполнена отбуртовка 28 корпуса 13, взаимодействующая с хвостовиком 26.

[13]

Многофункциональный почвообрабатывающий агрегат для восстановления деградированных земель работает следующим образом.

[14]

Перед движением агрегата с помощью гидроцилиндров 29 полые валы 8 всех секций, вместе с жестко закрепленными на них ободами 9, полыми ступицами 10 и спицами 11 с конусными насадками на конце 12, опускают на установочную глубину обработки почвы. Сжатый воздух к насадкам 12 поступает из баллона 7 высокого давления, проходя общую заправочную магистраль, ступицу 10 и спицы 11. Компрессор поддерживает постоянное давление сжатого воздуха в баллоне 7. При открытии пневмоэлектроклапанов 20 происходит заполнение всех микрорессиверов 21 трех секций (трубопроводы не показаны) сжатым воздухом высокого давления. После их заполнения пневмоэлектроклапаны 20 закрываются и отсекают их от общей заправочной магистрали. Таким образом, все микрорессиверы 21 оказываются подготовленными для подачи малообъемного импульса сжатого воздуха к конусным насадкам 12 через полый вал 8. По команде системы управления срабатывают пневмоэлектроклапаны 22 и обеспечивают подачу сжатого воздуха большого давления из микрорессиверов 21 в полый вал 8. Далее поток сжатого воздуха направляется к конусным насадкам 12, следуя через ступицу 10 и спицы 11 к втулкам - поршням 14 и заставляет конечник 17 выдвинутся до упора. В это время и радиальные отверстия 15 и 16 находятся перекрытыми, а хвостовик 26 удерживает втулку - поршень 14 с заостренным наконечником 17 от выпадения из пневмоканала 27, упираясь на отбортовку 28 трубчатой части. При этом все конусные насадки 12 вращаясь над поверхностью почвы, находятся не в рабочем положении, т.е. до их входа в почву и после выхода из нее.

[15]

Обод 9 вращаясь, поочередно погружает в почву спицы 11 с конусными насадками 12. Заостренный наконечник 17 конусной насадки 12, закрепленный под углом 120о к спице 11 внедряется в почву под углом, зависящий от глубины обработки почвы. По мере углубления наконечника 17 почва противодействием заставляет втулку - поршень 14 вернутся в исходное положение. Отверстия 15 и 16 совпадают, что способствует выходу сжатого воздуха. Выход импульсов сжатого воздуха в внутрипочвенное пространство характеризуется микровзрывным воздействием на почву, в последствии происходит рыхление. После этого цикл повторяется. Внедрение в почву наконечника 17 требует минимальной энергетики за счет сцепления его заостренной части с почвой.

[16]

Почвообрабатывающие фрезы 18, расположенные за колесами 6 измельчают почву, а кольчато-зубчатые катки 19 завершают обработку почвы уплотняя поверхность.

[17]

Многофункциональный почвообрабатывающий агрегат для восстановления деградированных земель позволяет за один проход проводить обработку почву прецинзионно пульсирующими ударами сжатого воздуха на установочную глубину, фрезы 18 измельчают почву, а кольчато-зубчатые катки 19 завершают обработку почвы уплотняя поверхность.

[18]

В настоящее время в отечественном и мировом земледелии широкое признание получают новые энерго- и экологически эффективные почвовлагосберегающие технологии, основанные на сокращении количества и глубины обработок почвы, что способствует не только сохранению плодородия, но и обеспечивают значительное снижение трудовых и энергетических затрат и рост урожайности сельхозкультур, что важно при проведении восстановительных обработок деградированных угодий. Однако технических средств, для выполнения поставленной задачи крайне мало, а почвообрабатывающей сельскохозяйственной техники работающей на основе сжатого воздуха и вовсе нет.

[19]

Выполнение устройства для обработки почвы трехсекционным со складывающимися боковыми секциями позволяет менять ширину захвата.

[20]

Применение заявляемого устройства позволит снизить тяговое сопротивление агрегата, увеличить его производительность за счет роста скорости.

Как компенсировать расходы
на инновационную разработку
Похожие патенты