патент
№ RU 2696890
МПК B60L1/00

Тепловоз с системой электроснабжения пассажирских вагонов

Авторы:
Ким Сергей Ирленович
Номер заявки
2018136972
Дата подачи заявки
22.10.2018
Опубликовано
07.08.2019
Страна
RU
Как управлять
интеллектуальной собственностью
Чертежи 
1
Реферат

Изобретение относится к электрооборудованию железнодорожного транспорта. Тепловоз с системой электроснабжения пассажирских вагонов, включающей в себя межтепловозное соединение, кабель питания пассажирского состава и вспомогательный синхронный генератор с одной низковольтной и двумя высоковольтными трехфазными обмотками, подключенными к выпрямительным установкам энергоснабжения. Выпрямительные установки соединены параллельно и подключены к первому и второму контактам блочных частей разъемных соединений, расположенных с торцов тепловоза. Межтепловозное соединение выполнено в виде четырехпроводной кабельной сборки с разъемными соединениями, в которой первый и второй контакты с каждой стороны кабельной сборки электрически соединены соответственно с третьим и четвертым контактами с другой стороны. Кабель питания пассажирского состава выполнен в виде кабельной сборки, первый и четвертый контакты с каждой стороны кабельной сборки электрически соединены соответственно с первым и четвертым контактами с другой стороны, а второй и третий контакты разъемного соединения соединены между собой. Технический результат изобретения заключается в упрощении системы электроснабжения пассажирских вагонов с обеспечением равномерной загрузки высоковольтных обмоток вспомогательных генераторов. 1 ил.

Формула изобретения

Тепловоз с системой электроснабжения пассажирских вагонов, включающей в себя межтепловозное соединение, кабель питания пассажирского состава и вспомогательный синхронный генератор с одной низковольтной трехфазной обмоткой и двумя сдвинутыми между собой на 30 электрических градусов высоковольтными трехфазными обмотками, подключенными к выпрямительным установкам энергоснабжения, отличающейся тем, что выпрямительные установки электроснабжения соединены параллельно и подключены плюсовым и минусовым зажимами соответственно к первому и второму контактам блочных частей четырехконтактных разъемных соединений, расположенных с торцов тепловоза, одноименные контакты блочных частей четырехконтактных разъемных соединений по обоим торцам тепловоза электрически соединены между собой, межтепловозное соединение выполнено в виде четырехпроводной кабельной сборки с разъемными соединениями, в которой первый и второй контакты разъемного соединения с каждой стороны кабельной сборки электрически соединены соответственно с третьим и четвертым контактами разъемного соединения с другой стороны кабельной сборки, кабель питания пассажирского состава выполнен в виде кабельной сборки, причем первый и четвертый контакты разъемного соединения с каждой стороны кабельной сборки электрически соединены соответственно с первым и четвертым контактами разъемного соединения с другой стороны кабельной сборки, а второй и третий контакты разъемного соединения с каждой стороны тепловоза соединены между собой.

Описание

[1]

Изобретение относится к железнодорожному транспорту и может быть использовано в тяговом электроприводе рельсовых транспортных средств, в частности для тепловозов с электрической передачей.

[2]

Известен универсальный грузо-пассажирский тепловоз 2ТЭ116УП, система энергоснабжения пассажирских вагонов которого включает вспомогательный генератор с высоковольтными обмотками, подключенными к двум последовательно соединенным выпрямительным установкам (Руководство по эксплуатации 2ТЭ116УП.70.00.00.000РЭ, г. Луганск, 1995 г.).

[3]

Недостатком этой системы является сложность обеспечения параллельной работы двух соединенных секций тепловозов в качестве источника энергоснабжения пассажирского состава вследствие большого разброса нагрузок высоковольтных обмоток вспомогательных генераторов обеих секций тепловозов.

[4]

Известен пассажирский тепловоз ТЭП70БС, принятый за прототип, система энергоснабжения пассажирских вагонов которого включает вспомогательный синхронный генератор с одной низковольтной трехфазной обмоткой и двумя сдвинутыми между собой на 30 электрических градусов высоковольтными трехфазными обмотками, подключенными к двум выпрямительным установкам, соединенным последовательно (Руководство по эксплуатации ТЭП70А.70.00.002.РЭ, г. Коломна).

[5]

Недостатком этой системы является сложность обеспечения параллельной работы двух соединенных тепловозов в качестве источника энергоснабжения пассажирского состава повышенной составности (более 20 вагонов) вследствие большого разброса нагрузок высоковольтных обмоток вспомогательных генераторов.

[6]

Технический результат изобретения заключается в упрощении системы электроснабжения пассажирских вагонов с обеспечением равномерной загрузки высоковольтных обмоток вспомогательных генераторов.

[7]

Технический результат достигается тем, что в тепловозе с системой электроснабжения пассажирских вагонов, включающей в себя межтепловозное соединение, кабель питания пассажирского состава и вспомогательный синхронный генератор с одной низковольтной трехфазной обмоткой и двумя сдвинутыми между собой на 30 электрических градусов высоковольтными трехфазными обмотками, подключенными к выпрямительным установкам энергоснабжения, выпрямительные установки электроснабжения соединены параллельно и подключены плюсовым и минусовым зажимами соответственно к первому и второму контактам блочных частей четырехконтактных разъемных соединений, расположенных с торцов тепловоза, одноименные контакты блочных частей четырехконтактных разъемных соединений по обоим торцам тепловоза электрически соединены между собой, межтепловозное соединение выполнено в виде четырехпроводной кабельной сборки с разъемными соединениями, в которой первый и второй контакты разъемного соединения с каждой стороны кабельной сборки электрически соединены соответственно с третьим и четвертым контактами разъемного соединения с другой стороны кабельной сборки, кабель питания пассажирского состава выполнен в виде кабельной сборки, причем первый и четвертый контакты разъемного соединения с каждой стороны кабельной сборки электрически соединены соответственно с первым и четвертым контактами разъемного соединения с другой стороны кабельной сборки, а второй и третий контакты разъемного соединения с каждой стороны тепловоза соединены между собой.

[8]

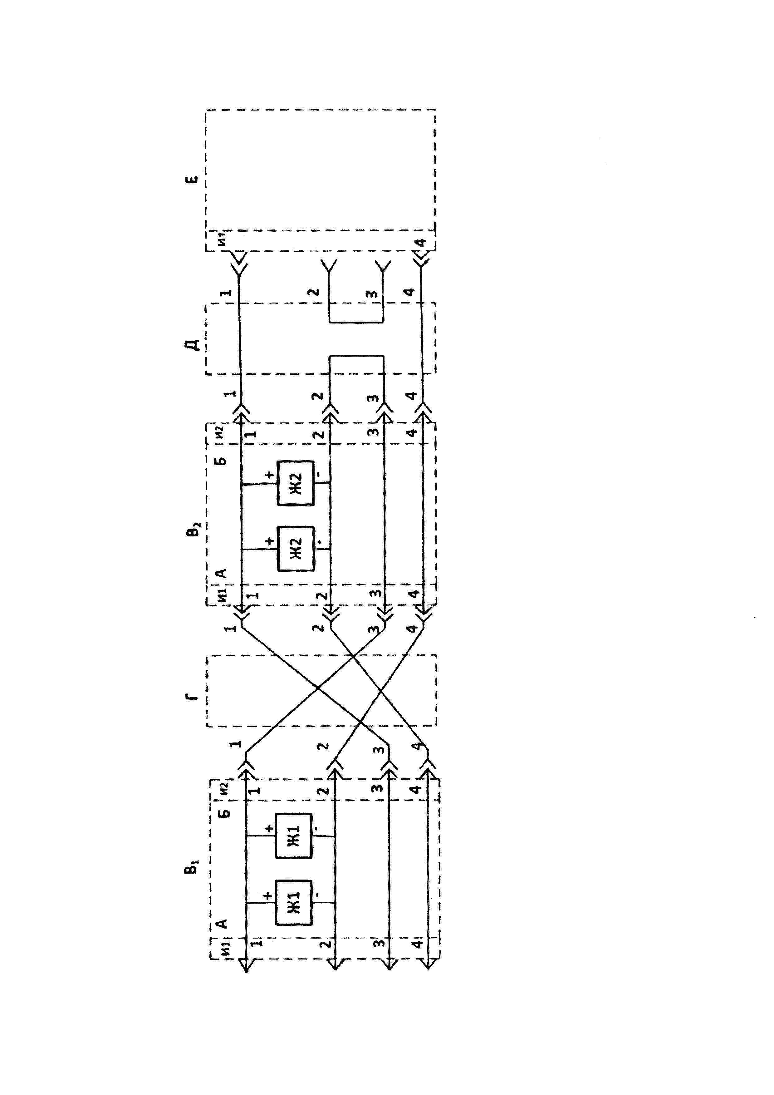
На чертеже схематически представлена система электроснабжения пассажирских вагонов.

[9]

На чертеже показаны тепловозы В1 и В2, подключенные друг к другу посредством межтепловозного соединения Г, и пассажирский состав Е, подключенный к ближайшему от пассажирского состава Е тепловозу B2 посредством кабеля Д питания пассажирского состава. Выпрямительные установки Ж1 и Ж2 электроснабжения каждого из тепловозов B1 и В2 соединены параллельно, плюсовые и минусовые выводы выпрямительных установок Ж1 и Ж2 электроснабжения соединены, соответственно, с 1 и 2 контактами блочных частей И1 и И2 разъемных соединений, размещенных на обоих торцах каждого из тепловозов В1 и В2, причем одноименные контакты блочных частей И1 и И2 разъемных четырехконтактных соединений, размещенных на обоих торцах каждого из тепловозов B1 и В2 соединены между собой (1-1, 2-2, 3-3, 4-4).

[10]

Межтепловозное соединение Г выполнено в виде четырехпроводной кабельной сборки с разъемными соединениями по перекрестной схеме, при которой 1 и 2 контакты разъемного соединения с одной стороны кабельной сборки электрически соединены, соответственно, с 3 и четвертым 4 контактами разъемного соединения с другой стороны кабельной сборки, а контакты 3 и 4 разъемного соединения с одной стороны кабельной сборки электрически соединены, соответственно, с 1 и 2 контактами разъемного соединения с другой стороны кабельной сборки.

[11]

Кабель Д питания пассажирского состава выполнен в виде кабельной сборки, причем 1 и 4 контакты разъемного соединения, расположенные с одной стороны кабельной сборки, электрически соединены, соответственно, с 1 и 4 контактами разъемного соединения с другой стороны кабельной сборки (1-1, 4-4), а 2 и 3 контакты разъемных соединений с каждой стороны кабельной сборки соединены между собой.

[12]

Система электроснабжения пассажирских вагонов работает следующим образом:

[13]

Посредством межтепловозного соединения Г напряжения выпрямительных установок Ж1 и Ж2 электроснабжения обоих тепловозов суммируются и общее напряжение подается на пассажирский состав через кабель Д питания пассажирского состава. Цепь тока электроснабжения следующая: плюсовой вывод выпрямительных установок Ж1 электроснабжения тепловоза B1, контакт 1 блочной части разъемного соединения И2 тепловоза B1, контакт 1 левой по чертежу части межтепловозного соединения Г, межтепловозное соединение Г, контакт 3 правой по чертежу части межтепловозного соединения Г, контакт 3 блочной части И1 правого разъемного соединения тепловоза В2, контакт 3 блочной части И1 тепловоза В2, контакты 3 и 2 кабеля Д питания пассажирского состава, контакт 2 блочной части И2 разъемного соединения тепловоза В2, минусовые выводы соединенных параллельно выпрямительных установок Ж2 электроснабжения тепловоза В2, выпрямительные установки Ж2 электроснабжения тепловоза В2, плюсовой вывод выпрямительных установок Ж2 электроснабжения тепловоза В2, контакт 1 блочной части И2 разъемного соединения тепловоза В2, контакт 1 левой по чертежу части кабеля Д питания пассажирского состава Е, кабель Д питания пассажирского состава Е, контакт 1 правой по чертежу части разъемного соединения кабеля Д питания пассажирского состава Е, контакт 1 блочной части И разъемного соединения пассажирского состава Е, потребители (на чертеже не показано) пассажирского состава Е, контакт 4 блочной части И разъемного соединения пассажирского состава Е, контакт 4 правого по чертежу разъемного соединения кабеля Д питания пассажирского состава Е, кабель Д питания пассажирского состава Е, контакт 4 левого по чертежу разъемного соединения кабеля Д питания пассажирского состава Е, контакт 4 блочной части И2 разъемного соединения тепловоза В2, контакт 4 блочной части И1 разъемного соединения тепловоза В2, контакт 4 правой по чертежу части межтепловозного соединения Г, контакт 2 левой по чертежу части межтепловозного соединения Г, контакт 2 блочной части И2 разъемного соединения тепловоза B1, минусовые выводы выпрямительных установок Ж1 электроснабжения тепловоза В1.

[14]

В результате на пассажирский состав Е подается напряжение, равное сумме напряжений выпрямительных установок электроснабжения обоих тепловозов. Ток нагрузки для обоих тепловозов один и тот же и никаких действий по выравниванию нагрузок не требуется.

[15]

Предлагаемое изобретение опробовано на стенде и показало положительные результаты.

Как компенсировать расходы
на инновационную разработку
Похожие патенты