патент
№ RU 2595064
МПК B64D47/00

СПОСОБ РЕГИСТРАЦИИ ТЕЛЕМЕТРИЧЕСКОЙ ИНФОРМАЦИИ БЕСПИЛОТНОГО ЛЕТАТЕЛЬНОГО АППАРАТА И УСТРОЙСТВО ДЛЯ ЕГО РЕАЛИЗАЦИИ

Авторы:
Бец Владимир Пантелеевич Дорохин Алексей Вячеславович Иванов Павел Евгеньевич
Все (4)
Номер заявки
2015125996/11
Дата подачи заявки
30.06.2015
Опубликовано
20.08.2016
Страна
RU
Как управлять
интеллектуальной собственностью
Чертежи 
1
Реферат

Группа устройств относится к способу и устройству регистрации телеметрической информации беспилотного летательного аппарата (БПЛА). Для регистрации телеметрической информации передают сигналы с функциональных групп датчиков, а также телеметрическую информацию от составных частей БПЛА аппарата в модуль обработки сигналов, где сигналы усиливают, оцифровывают и передают на модуль передачи телеметрической информации, а телеметрическую информацию обрабатывают и записывают на съемный запоминающий модуль для анализа и дальнейшей обработки. Устройство для регистрации телеметрической информации содержит не менее трех функциональных групп датчиков, модуль передачи телеметрической информации, интерфейсный модуль, средство передачи телеметрической информации на наземную телеметрическую станцию. Интерфейсный модуль состоит из модуля обработки сигналов, съемного запоминающего модуля и средства для преобразования кадра. Модуль обработки сигналов содержит усилитель и преобразователь сигналов. Обеспечивается повышение объема и достоверности получаемой телеметрической информации, скорость ее обработки и уменьшение веса БПЛА. 2 н. и 3 з.п. ф-лы, 1 ил.

Формула изобретения

1. Способ регистрации телеметрической информации беспилотного летательного аппарата, при котором сигналы с функциональных групп датчиков передают в модуль обработки сигналов, полученные данные усиливают, оцифровывают и передают на съемный запоминающий модуль, одновременно цифровые данные преобразуют в средстве преобразования кадра и передают по интерфейсному каналу на модуль передачи телеметрической информации, также телеметрическую информацию от составных частей беспилотного летательного аппарата передают на модуль передачи телеметрической информации, обрабатывают и записывают цифровые данные на съемный запоминающий модуль, при этом телеметрическую информацию, поступившую на съемный запоминающий модуль со всей регистрирующей аппаратуры, считывают и используют для анализа и дальнейшей обработки.

2. Способ по п. 1, при котором беспилотный летательный аппарат установлен на контрольно-испытательном стенде.

3. Способ по п. 1, при котором беспилотный летательный аппарат размещен на авиационном носителе.

4. Способ по п. 1, при котором беспилотный летательный аппарат совершает автономный полет, при этом телеметрическую информацию передают на наземную телеметрическую станцию.

5. Устройство для регистрации телеметрической информации беспилотного летательного аппарата, содержащее, по крайней мере, три функциональные группы датчиков, модуль передачи телеметрической информации, интерфейсный модуль, состоящий из модуля обработки сигналов, съемного запоминающего модуля и средства для преобразования кадра, при этом модуль обработки сигналов включает в себя усилитель сигналов и преобразователь сигналов, при том выход каждой функциональной группы датчиков связан с соответствующим входом модуля обработки сигналов, первый выход модуля обработки сигналов связан с входом средства преобразования кадра, второй выход модуля обработки сигналов связан с первым входом съемного запоминающего модуля, выход средства преобразования кадра связан с первым входом модуля передачи телеметрической информации, первый выход модуля передачи телеметрической информации связан со вторым входом съемного запоминающего модуля, второй выход модуля передачи телеметрической информации связан со средством передачи телеметрической информации на наземную телеметрическую станцию по радиоканалу.

Описание

[1]

Предлагаемое техническое решение относится к информационно-измерительной технике и может быть использовано в системах регистрации, хранения и передачи данных в беспилотных летательных аппаратах (БПЛА).

[2]

Из уровня техники известен способ регистрации телеметрической информации космического аппарата (KA) (RU, патент №2498399, МПК G06F 17/00, Н04В 7/185), при котором телеметрическая информация от каждого блока регистрирующей аппаратуры, включающей функциональные группы датчиков, расположенные на внешней стороне КА, поступает в систему бортовых измерений, там ее преобразуют, обрабатывают и передают на наземную телеметрическую станцию.

[3]

Также телеметрическую информацию сохраняют в собственном запоминающем устройстве для последующей синхронной передачи цифровых массивов в режиме оперативного сброса на наземную телеметрическую станцию при входе КА в плотные слои атмосферы.

[4]

Этот способ осуществляет система КА, включающая несколько блоков регистрирующей аппаратуры, блок управления и обработки данных, устройство сопряжения, автономное таймерное устройство, одноплатный компьютер, систему термодатчиков, запоминающее устройство, блок синхронной передачи данных, блок вторичного питания.

[5]

Недостатками данного способа и системы являются сложность и высокие массогабаритные характеристики системы.

[6]

Из уровня техники известен способ регистрации телеметрической информации для среднего и тяжелого классов ракетоносителей (http://www.rusnauka.com/5_SVMN_2013/Tecnic/6_129395.doc.htm), при котором регистрируют сигналы, преобразуют, обрабатывают и передают на наземную телеметрическую станцию.

[7]

Этот способ реализован при помощи универсальной малогабаритной телеметрической системы Астра, состоящей из трех блоков: формирователя телеметричекого кадра, коммутатора и передатчика. К системе Астра могут быть подключены аналоговые, пьезоэлектрические и температурные датчики, а также цифровые абоненты через четыре входа интерфейса RS485.

[8]

Недостатком этого аналога является сложность обработки телеметрической информации и невозможность ее хранения на борту ЛА без передачи на наземную телеметрическую станцию.

[9]

Из уровня техники известна бортовая телеметрическая система «Орбита-4МТ» (Назаров А.В. и др., «Современная телеметрия в теории и на практике», издательство «Наука и техника», Санкт-Петербург, 2007, стр. 470-471), состоящая из центрального формирователя, шинного контроллера, модулей формирования измерительных каналов, вторичного источника питания и радиопередатчика метрового диапазона. «Орбита-4МТ» работает в кадре приемной наземной станции РТС «Орбита-ТМ».

[10]

«Орбита-4МТ» представляет собой набор функционально законченных модулей, обеспечивающих моноблочную и поприборную компоновку. Модули формирования измерительных каналов обрабатывают сигналы со следующих типов датчиков: аналоговых, акселерометров, термопар и термосопротивлений, сигнальных и контактных.

[11]

Недостатком аналога является недостаточный объем памяти статического запоминающего устройства и невозможность использования телеметрической информации без передачи на наземную телеметрическую станцию, а также невозможность подключения к системе необходимого количества датчиков.

[12]

Задачей предлагаемого изобретения является устранение указанных выше недостатков и создание способа регистрации телеметрической информации беспилотного летательного аппарата и устройства для его реализации, позволяющих обеспечить сбор телеметрической информации с необходимого количества датчиков, повысить объем и достоверность получаемой телеметрической информации, ускорить ее обработку и снизить вес БПЛА.

[13]

Поставленная задача решается за счет того, что регистрация телеметрической информации беспилотного летательного аппарата происходит следующим образом: сигналы с функциональных групп датчиков передают в модуль обработки сигналов, полученные данные усиливают, оцифровывают и передают на съемный запоминающий модуль, одновременно цифровые данные преобразуют в средстве преобразования кадра и передают по интерфейсному каналу на модуль передачи телеметрической информации, также телеметрическую информацию от составных частей беспилотного летательного аппарата передают на модуль передачи телеметрической информации, обрабатывают и записывают цифровые данные на съемный запоминающий модуль, при этом телеметрическую информацию, поступившую со всей регистрирующей аппаратуры на съемный запоминающий модуль, считывают и используют для анализа и дальнейшей обработки.

[14]

В первом частном случае поставленная задача решается за счет того, что беспилотный летательный аппарат устанавливают на контрольно-испытательном стенде.

[15]

Во втором частном случае поставленная задача решается за счет того, что беспилотный летательный аппарат размещают на авиационном носителе.

[16]

В третьем частном случае поставленная задача решается за счет того, что беспилотный летательный аппарат находится в автономном полете, при этом телеметрическую информацию передают на наземную телеметрическую станцию.

[17]

Поставленная задача решается за счет того, что устройство для регистрации телеметрической информации беспилотного летательного аппарата содержит, по крайней мере, три функциональные группы датчиков, модуль передачи телеметрической информации, интерфейсный модуль, состоящий из модуля обработки сигналов, съемного запоминающего модуля и средства для преобразования кадра, при этом модуль обработки сигналов включает в себя: усилитель сигналов и преобразователь сигналов, при том выход каждой функциональной группы датчиков связан с соответствующим входом модуля обработки сигналов, первый выход модуля обработки сигналов связан с входом средства преобразования кадра, второй выход модуля обработки сигналов связан с первым входом съемного запоминающего модуля, выход средства преобразования кадра связан с первым входом модуля передачи телеметрической информации, первый выход модуля передачи телеметрической информации связан со вторым входом съемного запоминающего модуля, второй выход модуля передачи телеметрической информации связан со средством передачи информации на наземную телеметрическую станцию по радиоканалу.

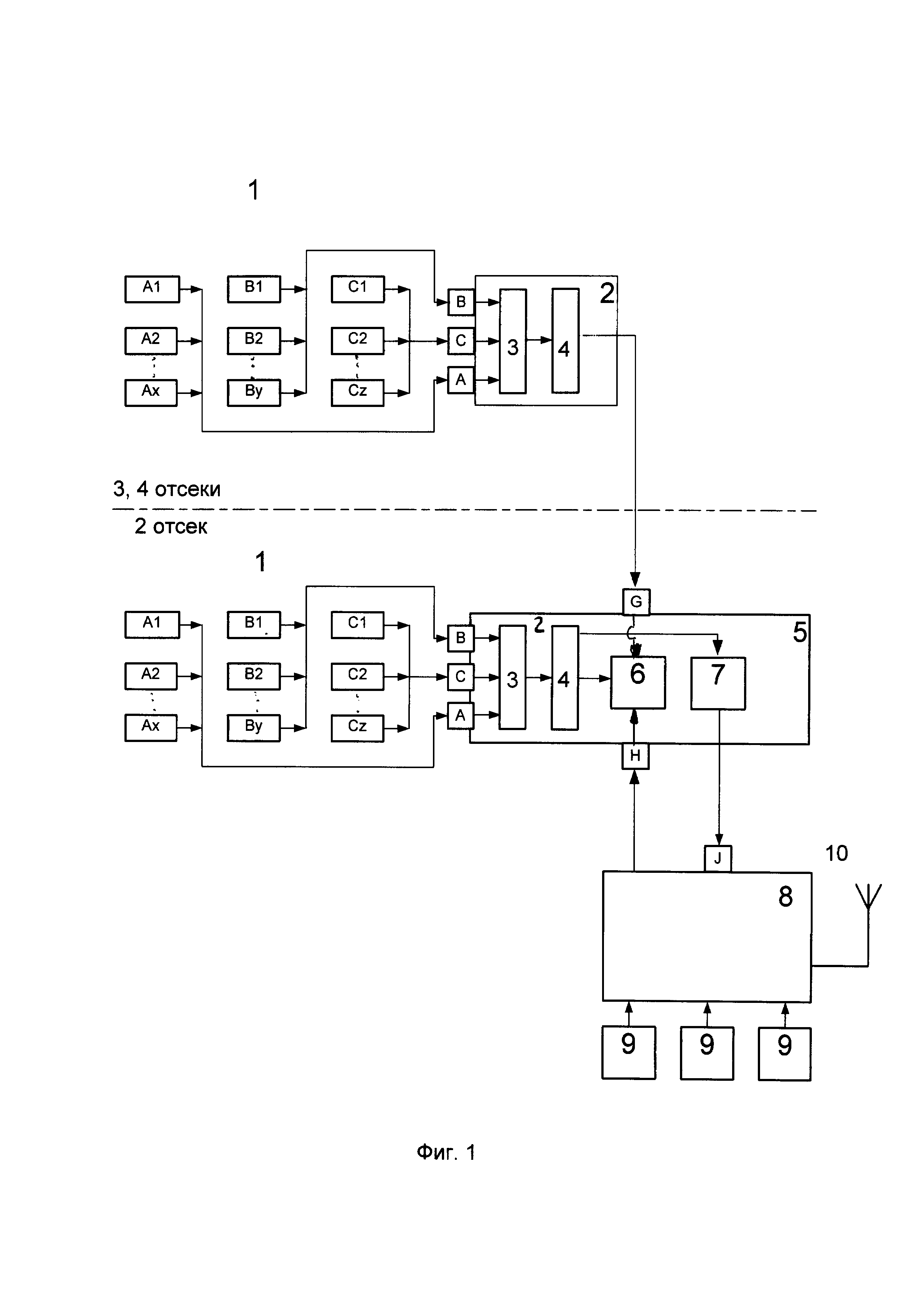
[18]

Сущность изобретения поясняется структурной схемой одного из вариантов устройства для регистрации телеметрической информации беспилотного летательного аппарата, представленной на фиг. 1.

[19]

На фиг. 1 обозначены:

[20]

1 - функциональные группы датчиков;

[21]

2 - модули обработки сигналов;

[22]

3 - усилители сигналов;

[23]

4 - модули преобразования сигналов;

[24]

5 - интерфейсный модуль;

[25]

6 - съемный запоминающий модуль;

[26]

7 - средство преобразования кадра;

[27]

8 - модуль передачи телеметрической информации;

[28]

9 - составные части БПЛА;

[29]

10 - средство передачи телеметрической информации на наземную телеметрическую станцию по радиоканалу.

[30]

На фиг. 1 также обозначены: A1, …, Ах - датчики температуры,

[31]

В1, …, By - датчики вибрации; С1, …, Cz - датчики давления.

[32]

Предлагаемый способ заключается в том, что регистрацию телеметрической информации беспилотного летательного аппарата осуществляют следующим образом: сигналы с функциональных групп датчиков 1 передают в модуль обработки сигналов 2, полученные данные усиливают в усилителе сигналов 3, оцифровывают в модуле преобразования сигналов 4 и передают на съемный запоминающий модуль 6. Одновременно цифровые данные преобразуют в средстве преобразования кадра 7 и передают по интерфейсному каналу на модуль передачи телеметрической информации 8, также телеметрическую информацию с составных частей беспилотного летательного аппарата 9 передают на модуль передачи телеметрической информации 8, обрабатывают и записывают цифровые данные на съемный запоминающий модуль 6.

[33]

При реализации способа может быть использован вариант размещения БПЛА на контрольно-испытательном стенде. На БПЛА подают температурные, вибрационные, акустические и прочие нагрузки, записывают телеметрическую информацию на съемный запоминающий модуль 6, считывают, анализируют и при необходимости калибруют измерительные каналы.

[34]

При реализации способа может быть использован вариант размещения БПЛА внутри фюзеляжа авиационного носителя. Телеметрическую информацию записывают на съемный запоминающий модуль 6, считывают и используют для анализа и дальнейшей доработки БПЛА.

[35]

При реализации способа БПЛА может совершать автономный полет. Телеметрическую информацию записывают на съемный запоминающий модуль 6 и одновременно передают с помощью средства передачи информации по радиоканалу на наземную телеметрическую станцию 10, данные сравнивают и используют для дальнейшего анализа.

[36]

Использование съемного запоминающего модуля значительно упрощает процесс обработки и анализа телеметрической информации и повышает ее достоверность.

[37]

Сущность изобретения поясняется структурной схемой одного из вариантов устройства для регистрации телеметрической информации беспилотного летательного аппарата, представленной на фиг. 1.

[38]

В варианте исполнения, представленном на фиг. 1, функциональные группы датчиков 1 установлены во всех отсеках БПЛА, модули обработки сигналов 2 - во всех отсеках БПЛА, кроме первого. Модуль обработки сигналов 2 содержит усилитель сигналов 3 и модуль преобразования сигналов 4. Во втором отсеке расположены модуль передачи телеметрической информации 8 и интерфейсный модуль 5, в состав которого входят: модуль обработки сигналов 2, съемный запоминающий модуль 6 и средство для преобразования кадра 7. В первом и втором отсеке каждый выход функциональной группы датчиков 1 связан с соответствующим входом модуля обработки сигналов 2, находящимся во втором отсеке. Во всех остальных отсеках БПЛА каждый выход функциональной группы датчиков 1 связан с соответствующим входом модуля обработки сигналов 2. Во втором отсеке первый выход модуля обработки сигналов 2 связан с входом средства преобразования кадра 7, второй выход модуля обработки сигналов 2 связан с первым входом съемного запоминающего модуля 6, выход средства преобразования кадра 7 связан с первым входом модуля передачи телеметрической информации 8, первый выход модуля передачи телеметрической информации 8 связан со вторым входом съемного запоминающего модуля 6, второй выход модуля передачи телеметрической информации 8 связан со средством передачи информации на наземную телеметрическую станцию по радиоканалу 10. Во втором и последующих отсеках выход модуля обработки сигналов 2 связан с соответствующим входом интерфейсного модуля 5.

[39]

Функциональные группы датчиков могут состоять из датчиков давления, вибрации, температуры, акустики и т.п. Модули обработки сигналов, расположенные во втором и последующих отсеках, могут быть выполнены как моноблоки. Модулем преобразования сигналов 4 может служить бортовой компьютер, средство для преобразования кадра 7 может быть выполнено как плата, с расположенными на ней микросхемами. Съемный запоминающий модуль 6 может быть выполнен в виде флэш-памяти и защищен бронированным футляром. Модулем передачи телеметрической информации может служить «Орбита». Составными частями БПЛА могут быть инерциальная система управления, головка самонаведения и блок рулевых приводов. Средством передачи информации на Землю по радиоканалу может служить антенна.

[40]

Предлагаемые способ и устройство предназначены для регистрации, хранения и передачи данных в БПЛА, в частности для хранения телеметрической информации на съемном запоминающем модуле и передачи ее по радиоканалу и позволяют упростить схему измерений, снизить вес БПЛА, повысить достоверность, ускорить сбор и обработку телеметрической информации, а также обеспечить надежность ее получения.

[41]

Представленные чертежи и описание устройства позволяют, используя существующую элементную базу, изготовить устройство и осуществить способ, что характеризует предлагаемое устройство и способ как промышленно применимые.

Как компенсировать расходы
на инновационную разработку
Похожие патенты