An apparatus method for driving light emitting diodes (LEDs), comprising: receiving an alternating current input; producing a DC current having a voltage with an AC-DC boost power-factor correction stage, having a variable-frequency operation, and a set of switches controlled in dependence on the voltage to limit a peak LED current; and producing an LED drive current with a DC-DC power conversion stage having a set of switches to selectively pulse-width modulate the LEDs to control a brightness, wherein the set of switches in the AC-DC boost power-factor correction stage and the set of switches in the DC-DC power conversion stage are each controlled to switch at zero current.
1. An electronic driver circuit, comprising:
an input configured to receive an alternating current input; an AC-DC boost stage, having a first set of switches, the AC-DC boost stage producing a load-dependent instantaneous ripple voltage; a DC-DC power conversion stage, having a second set of switches; an AC coupling device configured to transfer power from the AC-DC boost stage to the DC-DC power conversion stage; and a controller configured to control:
the first set of switches in the AC-DC boost stage, to transfer power to the DC-DC power conversion stage, while limiting a peak current, and the second set of switches in the DC-DC power conversion stage, to selectively pulse-width modulate an average current, a pulse width modulation frequency of the DC-DC power conversion stage being dependent on the load and the instantaneous ripple voltage, wherein the first set of switches in the AC-DC boost stage and the second set of switches in the DC-DC power conversion stage are each controlled to switch at zero voltage; and an output configured to supply the pulse width modulated current. 2. The electronic driver circuit according to 3. The electronic driver circuit according to 4. The electronic driver circuit according to 5. The electronic driver circuit according to 6. The electronic driver circuit according to 7. The electronic driver circuit according to 8. The electronic driver circuit according to 9. The electronic driver circuit according to 10. The electronic driver circuit according to 11. The electronic driver circuit according to 12. The electronic driver circuit according to 13. The electronic driver circuit according to 14. A method for driving a load, comprising:
receiving an alternating current input; producing a DC current having an average voltage and a load-dependent instantaneous ripple voltage with an AC-DC boost stage, having a frequency operation and a maximum load, and a first set of switches controlled in dependence on the average voltage to limit a peak load current; and producing a pulse width modulated output current to drive the load with a DC-DC power conversion stage coupled to the AC-DC boost stage through an AC coupling device, the DC-DC power conversion stage having a second set of switches to control a pulse-width modulation frequency of the pulse width modulated output current dependent on the pulse width modulated output current supplied to the load and the instantaneous ripple voltage, wherein the first set of switches in the AC-DC boost stage and the second set of switches in the DC-DC power conversion stage are each controlled to switch at zero voltage. 15. The method according to 16. The method according to 17. The method according to 18. The method according to the AC coupling device comprises a non-electrolytic capacitor, and an input AC power source supplies the output current operating substantially without an electrolytic capacitor passing a load current; the DC-DC power conversion stage comprises a symmetric half-bridge non-resonant DC-DC converter, a high frequency transformer, and a symmetric voltage multiplier output rectifier with purely capacitive output; the DC-DC power conversion stage receives power from the DC bus at a DC bus voltage; and the pulse width modulation frequency is varied in dependence on at least the DC bus voltage. 19. The method according to 20. A driver circuit, comprising:
an AC-DC boost stage, having a first set of switches; a DC-DC power conversion stage having a second set of switches; a controller configured to control the first set of switches to provide power to the DC-DC power conversion stage by non-resonant operation at a frequency above a resonant frequency, while limiting a peak output current of the DC-DC power conversion stage, and to control and the second set of switches to selectively pulse-width modulate the output current of the DC-DC power conversion stage at a pulse width modulation frequency by shorting a transformer current, wherein the first set of switches and the second set of switches are each controlled to switch at zero voltage, and the pulse width modulation frequency is different from the frequency above the resonant frequency of operation of the AC-DC boost stage.
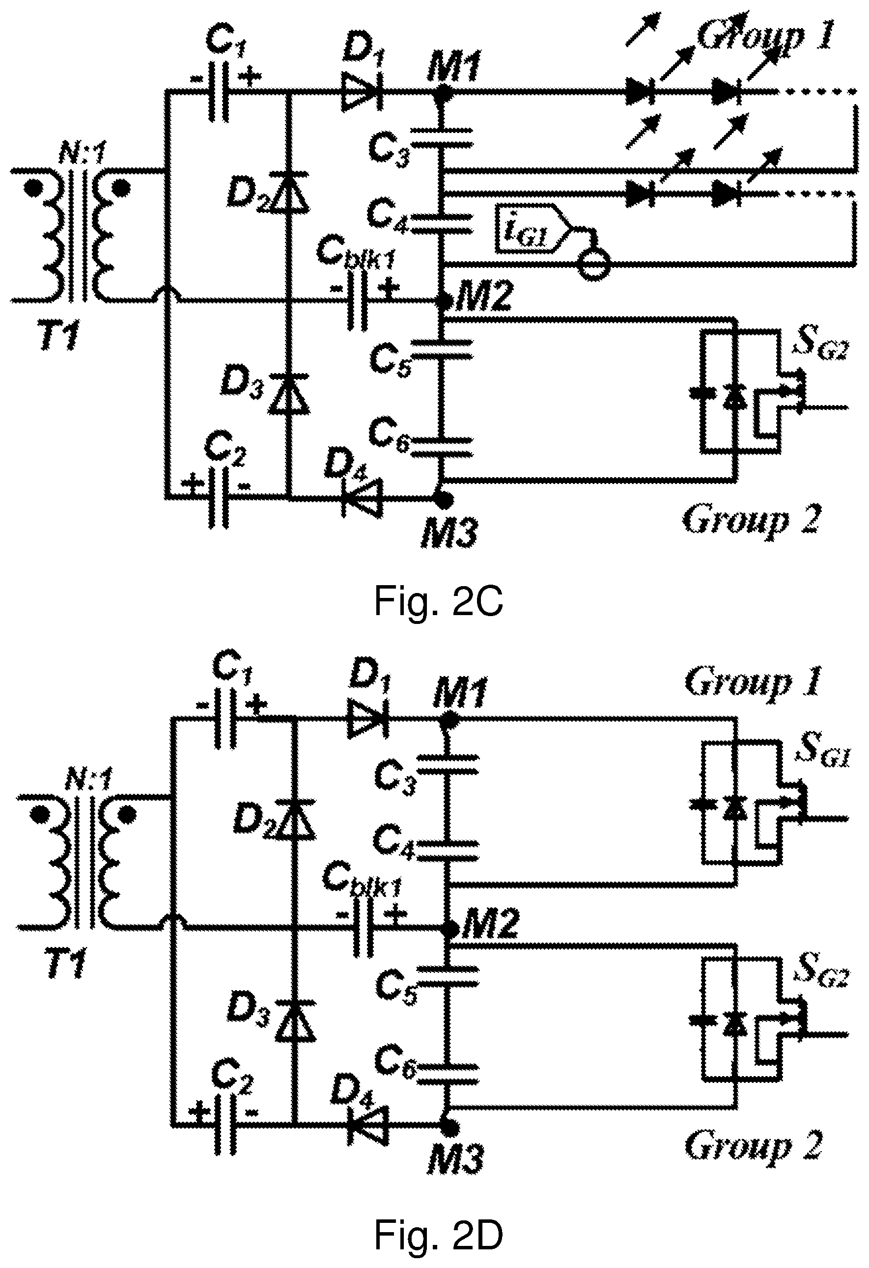
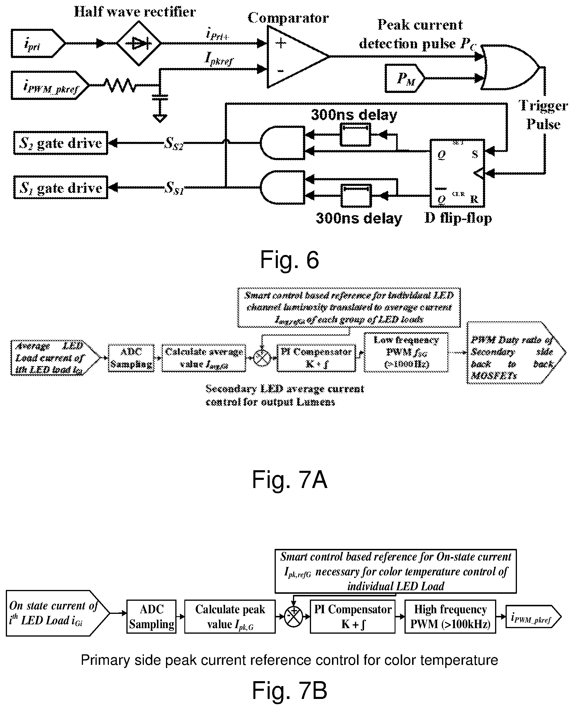
The present application is a Continuation of U.S. patent application Ser. No. 16/875,821, filed May 15, 2020, now U.S. Pat. No. 11,013,083, issued May 18, 2021, which is a non-provisional of, and claims benefit of priority from, U.S. Provisional Patent Application No. 62/850,071, filed May 20, 2019, the entirety of which are expressly incorporated herein by reference. The present inventions relates to the field of AC-DC power converters, and more particularly to a circuit and method for converting power main AC voltage to a DC driving current for LED lighting. AC-DC LED drivers suffer from short lifetime because of the low lifetime electrolytic capacitors used for DC bus decoupling. There has been a growing Impetus to reduce energy consumption in urban buildings so as to reduce the related pollution of environment [1]. This has led to research and development of “NET ZERO Buildings” wherein a building or a group of buildings will produce their own energy from renewable energy sources (solar, etc. [2]) installed on site and will have highly energy efficient smart appliances which are operated optimally so as to reduce electrical power demand [3]. One of the key electrical loads in buildings is lighting. It constitutes about 10%-12% of the total electrical loads in a commercial building. It has been found that LEDs (typically 180 lumens per watt [4]) are three times more efficient than Compact Fluorescent Lamps (CFL) (50-70 lm/W [5]) in converting electrical energy to light and also their disposal is easier than mercury filled CFL lamps. Optimized lighting with LED, precisely conforming to the exact needs for lumens in a certain zone in a building depending on available natural light and occupancy and other factors can significantly reduce the electrical energy demands for lighting. Also, LEDs can operate up to 100,000 hours, equivalently 10 years. Added to that is the ease of dimming of LEDs. LEDs require DC current for their operation, so available electrical energy from the utility mains or renewable energy needs to be converted into a constant current source. This is where lies the importance in developing the power electronics involved in driving LEDs. Multi-channel LED drivers have the advantages of high efficiency and low device count compared to single-Channel LED drivers for large area lighting applications. In some applications, the LEDs connected to different channels of a multi-channel driver are required to operate at different brightness. In such applications, a multi-channel LED driver with selective dimming of its channels presents a cost effective solution. One commercial application for the LED drivers with the requirement of selective dimming is shown in There are some solutions for multi-channel LED drivers with selective dimming proposed in [6-16]. One conventional method is to use multi LED drivers for each LED channel respectively to achieve selective dimming [6, 7]. This reduces the driver efficiency compared to multi-channel LED drivers because of multiple energy conversion stages. Also, it increases the total size and cost since a large number of active and passive components are needed for separate control of converters at the input of every LED channel. Typically the efficiency of the LED drivers ranges from 75% to 85% only. This is due to the fact that the power converter topologies used in these drivers are based on single switch isolated DC-DC converters like the flyback converter [8] along with secondary side active switching devices, needed to operate at high switching frequency comparable to the primary side devices. This results in reduced overall efficiencies of such flyback converter based drivers. Some non-isolated selective dimming LED drivers [9-13] are only available for low power and low voltage applications. However, for high power LED drivers, galvanic isolation is needed, and hence one more isolated stage of power conversion has to be added leading to increased cost and reduced efficiency. Some isolated resonant DC-DC selectively dimmed LED drivers are proposed in [14-16]. A switched capacitor based selective dimming LED driver presented in [14] uses non-resonant DC-DC stage for isolation and each pair of channels of LEDs can achieve selective dimming. However, it needs four diodes, one MOSFET, one filter inductor and several capacitors on the secondary side of DC-DC stage for each pair of channels. An isolated Quasi-two-stage (PFC and resonant DC-DC) selective dimming LED driver [15, 16] uses two secondary side DC buses obtained from a resonant DC-DC stage for LED current and dimming control. However, an auxiliary Buck-Boost stage including one buck-boost control chip, one filter inductor, one MOSFET and one diode, has to be added for each channel to achieve the selective dimming. Numbers of active or passive decoupling methods [3]-[33] of the LED drivers have been proposed to reduce the capacitance on the DC bus so as to use long lifetime film capacitors, instead of electrolytic capacitors, to increase the lifetime of LED drivers. An auxiliary valley-fill circuit based method with increased voltage stress of the boost devices for mitigating ripple power variation is proposed in [3], [4]. An auxiliary bidirectional buck-boost converter connected parallel to the DC bus based on the flyback topology [5]-[7] is proposed for decoupling. Three port converter based decoupling circuits are proposed in [8]-[17]. One of the major drawbacks of three-port based decoupling method [8]-[17] is that the third port with auxiliary active or passive devices reduces efficiency and increases cost compared to conventional flyback or forward based converters. Other flyback based converters for ripple cancellation are proposed in [18], [19]. In [18], an integrated stage design which combines single-ended primary inductor converter (SEPIC) and flyback converter, is proposed to eliminate electrolytic capacitors. Another flyback based converter with an active rectifier and a unidirectional circuit for decoupling is proposed in [19] with extra efficiency loss. The buck-boost based converters [20]-[22] and boost based converter [23] are also used for ripple decoupling. In [20], a buck-boost converter, followed by a buck converter with auxiliary power flow, is proposed for ripple cancellation. An integrated double buck-boost converter with active-ripple-compensation technique is proposed in [21] leading to half reduction of capacitance. Two buck-boost converters based topology is introduced in [22] to reduce the output current ripple. However, the THD and capacitance of this topology are still considerable. In [23], a boost PFC followed by a forward converter topology is proposed to reduce half of capacitance with the method of zero-low-level square-wave driving current. Single-stage asymmetrical resonant based converters [24], [25] and multiple-stage resonant based converters [26]-[30] are proposed for decoupling. In [24], an asymmetrical resonant converter integrated with boost or buck-boost PFC stage with variable frequency and duty ratio control is proposed to reduce capacitance. An asymmetrical half-bridge resonant converter based LED driver Integrated with bridgeless boost PFC stage is proposed in [25] for reduction of capacitance. A two-stage LED driver Including integrated boost PFC and resonant converter, and twin-bus multiple buck-type current regulators is proposed in [26] for decoupling. A pulse frequency modulation (PFM) applied in this topology leads to that the bus voltage is more than twice the peak of input voltage. An improved control method of a hybrid PFM-asymmetric PWM strategy with 3% efficiency reduction is proposed in [27] to reduce the bus voltage. In [28], a two-stage LED driver with an additional hybrid film-ceramic stacked switched capacitor (SSC) energy buffer for ripple decoupling is introduced. However, the SSC energy buffer with reduced overall efficiency requires extra active and passive devices for operation. An electronic ballast for LED application is proposed in [29]. The high-cost electrolytic capacitors are used on the secondary side, instead of primary side of the transformer in this topology. In [30], a three-stage LED drive using third stage of buck converters for ripple decoupling is proposed. However, these additional buck converters with extra efficiency loss require bulky inductive output filters for each channel of LEDs. The LED drivers without electrolytic capacitors are also developed with two-stage asymmetrical half-bridge (AHB) based converters [31]-[33]. Table II shows a comparison of LED driver circuits for N groups of selective dimming. A multi-channel LED driver with efficiency >94% using Silicon superjunction devices and SiC diodes have been demonstrated in: 1) C. Ye, P. Das and S. K. Sahoo, “Peak Current Control based Power Ripple Decoupling of AC-DC Multi-Channel LED Driver,” in IEEE Transactions on Industrial Electronics (2019). doi: 10.1109/TIE.2019.2893853. 2) C. Ye, P. Das and S. Kumar Sahoo, “Peak Current Control of Multichannel LED Driver With Selective Dimming,” in 3) R. Kathiresan, P. Das, T. Reindl and S. K. Panda, “Novel High-Power Nonresonant Multichannel LED Driver,” in 4) WO/2018/038681 (PCT/SG2017/050413) “A Multi-Channel Driver Circuit And Method For LEDS” 5) U.S. Patent Application No 20170280523 (Sep. 28, 2017), Each of the foregoing is expressly incorporated herein by reference in its entirety. A primary side peak current control method is applied to control the peak value of LED currents by controlling the primary side switches. This method prevents high instantaneous and repetitive peak currents in LED loads during the ON time of PWM-based dimming of all or selected channels, which is essential for mitigating electromigration in LED loads. The brightness based on average current of each group of LEDs is controlled by duty ratios of four secondary side switches, respectively. This topology has the advantages of high power capability, high efficiency (>94%) with complete soft switching of primary side switches, and zero voltage switching (ZVS) turning OFF of secondary side rectifier diodes, and reduction in power conversion stage. A multi-channel LED driver consisting of front-end AC-DC boost Power Factor Correction (PFC) converter followed by a DC-DC power conversion stage with selective dimming capability for LED based lighting is provided. Selective dimming of groups of output channels of a multi-channel LED driver comprising of symmetric half bridge non-resonant DC-DC converter, high frequency transformer and symmetric voltage multiplier output rectifier with purely capacitive output is accomplished. The driver has the advantages of low device count, high efficiency and can handle high power. A primary side peak current control method is applied to control the peak value of primary side current, and hence the LED peak current, by controlling the primary side switches. The brightness based on average current of four groups of LEDs is controlled by duty ratios of four primary side switches, respectively. A long lifetime and small film capacitor is used for implementing the intermediate DC bus. The primary side peak current control method which controls the peak value of the primary side current of the transformers is applied to the DC-DC stage to ensure constant DC current output of LEDs in spite of the widely varying DC bus voltage due to low bus capacitance. The peak current control approach compensates the effect of the large DC bus voltage ripple by automatically varying the switching frequency of the primary side devices and hence the gain of the DC-DC converter. According to the present invention, a primary side peak current control method is applied for driving a two-stage multi-channel LED driver. The LED driver consists of an AC-DC boost power factor correction stage, and an isolated DC-DC non-resonant stage. A long lifetime and small film capacitor is used for implementing the intermediate DC bus. The technology controls the peak value of the primary side current of the transformers, applied to the DC-DC stage, to ensure constant DC current output of LEDs in spite of the widely varying DC bus voltage due to low bus capacitance. The technology compensates the effect of the large DC bus voltage ripple by varying the switching frequency of the primary side switches. Selective dimming of LED channels may be performed by low frequency switched bidirectional switches provided in parallel to the power transformers. Cycle by cycle peak current mode control, with time multiplexing, is used to control both the peak and the average currents in each channel, so as to realize individual dimming while maintaining a fixed peak on-state current in each channel of LEDs. A new topology for multi-channel LED driver with selective dimming of output channels is provided herein. The topology is based on a non-resonant multi-channel equivalent dimming LED driver [17] with the advantages of high power and efficiency, complete soft switching of all high frequency switched semiconductor devices, reduction in power conversion stage, and inherent protection against LED failures for both electrically open and short circuit conditions of the LEDs. In this topology, selective dimming is achieved for groups of output channels of a multi-channel LED driver comprising a symmetric half bridge DC-DC converter, high frequency transformer and symmetric voltage multiplier output rectifier with purely capacitive output. This topology has the advantages of low device count, high power and high efficiency (>94%). The present design employs a truly single DC-DC stage converter, which reduces additional active and passive devices resulting in reduced cost and increased electrical efficiency. The present technology eliminates need for use of an electrolytic capacitor, which permits long lifetime and high temperature operation. The present technology also avoids need for a sensor for determining actual LED current in each LED channel, and a feedback mechanism employing the sensor output, by controlling he peak current during every cycle of operation. The present technology permits the primary side to be completely disabled when all channels at the output are shorted during pulse width modulation dimming. The technology controls both LED ON-state peak current, and average current, which in turn eliminates chromatic shift in LEDs, and also control the luminosity of the LED channels. The switches in the secondary side, which providing dimming capability, are configured to short the transformers which, when controlled with a peak current limitation in the primary side, limit the power dissipated, and improves efficiency as compared to series-connected switches. The controller may be implemented in an ARM Cortex processor microcontroller. The non-resonant energy conversion is achieved by energizing and de-energizing the high leakage inductance of the high frequency transformer T1 and T2 results in globally asymptotic stability of the converter. The wide load range zero voltage switching of primary side switches is realized using the extremums of the transformer primary side current. The converter operates in the lagging current mode wherein the zero crossings of the transformer primary side current lags those of the output voltage at the output of the half-bridge converter. No high voltage DC blocking capacitor is necessary due to symmetry of the half bridge used. Selective dimming of each group of LED channels with LED peak current control eliminates electromigration related aging of LEDs Hybrid analog and digital peak current control is applied for the DC-DC stage, with variable frequency control of primary side switches. Based on this control method, the electrolytic capacitor traditionally used on the DC bus, e.g., in [34], is replaced by a small film capacitor without adding any auxiliary active or passive power devices. The technology merges two technologies: (1) elimination of electrolytic capacitor at the input permits extended lifetime (beyond 2 years) under high ambient temperatures (>60 C) for applications in high power luminaires (>300 W). This is done by a unique cycle by cycle control of peak current of the transformer primary side current in the DC DC converter. (2) Using the same control technology and adding a shorting device across each transformer primary for realizing selective dimming of individual channels and also controlling the LED peak currents during their ON times. This peak current control is essential for mitigating cross talk between channels during selective dimming and also eliminates electro-migration related damage in LEDs due to high ON state currents during selective dimming, especially in extreme cases of say only a single channel out of four or more channels working. It is therefore an object to provide a driver circuit for light emitting diodes (LEDs), comprising: an input configured to receive an alternating current input; an AC-DC boost stage, having a set of switches controlled to limit a peak LED current; a DC-DC power conversion stage having a set of switches; a controller configured to control the set of switches in the AC-DC boost stage to provide power to the DC-DC power conversion stage, while limiting peak LED current, and to control and the set of switches in the DC-DC power conversion stage to selectively pulse-width modulate the LEDs to control an LED brightness, wherein the set of switches in the AC-DC boost stage and the set of switches in the DC-DC power conversion stage are each controlled to switch at zero voltage; and an output configured to supply power to the LEDs with the pulse width modulated output of the DC-DC power conversion stage. The AC-DC boost stage may have a variable frequency. It is also an object to provide a method for driving light emitting diodes (LEDs), comprising: receiving an alternating current input; producing a DC current having a voltage with an AC-DC boost stage, and a set of switches controlled in dependence on the voltage to limit a peak LED current; producing an LED drive current with a DC-DC power conversion stage having a set of switches to selectively pulse-width modulate the LEDs to control a brightness, wherein the set of switches in the AC-DC boost stage and the set of switches in the DC-DC power conversion stage are each controlled to switch at zero voltage. The driver circuit may comprise a plurality of DC-DC power conversion stages sharing a common AC-DC boost stage, wherein each DC-DC power conversion stage is controlled to have an independent pulse width modulation to control the brightness of respective LEDs receiving power from the respective DC-DC power conversion stage. The DC-DC power conversion stage may be non-resonant. The DC-DC power conversion stage may comprise a symmetric half-bridge non-resonant DC-DC converter, a high frequency transformer, and a symmetric voltage multiplier output rectifier with purely capacitive output. The DC-DC power conversion stage may be substantially without an electrolytic capacitor passing a load current. A frequency of operation of the AC-DC boost stage may be varied in dependence on at least a varying DC bus voltage, wherein the DC-DC power conversion stage receives power from the DC bus. The controller may be configured to implement cycle by cycle peak current mode control, with time multiplexing, to control both the peak and the average currents to the LED. The controller may be configured to control the switches of the AC-DC boost stage to correct a power factor. The selective dimming multi-channel LED driver has AC mains input, that according to a preferred implementation, can vary from 90 Vac to 265 Vac. The AC mains passes through a rectifier and PFC boost circuit which accomplishes input power factor correction (PFC) and also boosting input AC to DC output voltage VDC (around 400 Vdc). This DC voltage VDC feeds a housekeeping flyback converter with an isolated DC output (about 12 Vdc) for the switches gate drive power supply, and also an LDO so as to produce a 3.3 VDC output for micro-controller and signal circuit power supply. The main function of VDC is to power the selective dimming isolated non-resonant DC-DC converter according to the present technology. In this part of the circuit, the DC bus voltage VDC is converted to a high frequency bipolar AC waveform by properly gating the switches S1 and S2 ON and OFF on the primary side of transformers T1 and T2. This high frequency AC voltage is incident across the primary side of the high frequency transformers T1 and T2 that provides galvanic isolation of the output LEDs from the input AC mains. The secondary side symmetric quadrupler rectifiers rectify the secondary side high frequency AC current to drive LED loads. The control of the primary side switches depends on the peak value of the transformer primary side current, which is proportional to the LED current, and the control of secondary side switches depends on the reference values of average LED currents. This topology uses a symmetric half bridge non-resonant DC-DC converter, two high frequency transformers T1 and T2 to control the brightness of each of the four groups of LED channels by selectively switching ON and OFF four secondary switches SG1, SG2, SG3 and SG4. The secondary side switches will be operated at the frequency fSG (1 kHz) of PWM dimming which is much less than the switching frequency fSW (80 kHz˜130 kHz) of primary side switches. Primary side switches S1 and S2 are used to control the peak value of primary side current Ipri,pk by sampling the primary side current ipri and hence control the peak current of LEDs. Secondary side switches aim to control the average current of each group of LEDs by sampling each group of LED currents iG1, iG2, iG3 and iG4, respectively. On the primary side of transformers T1 and T2, due to the capacitors Cb1 and Cb2 of equal capacitances, the voltage across them is about VDC/2. When the switch S1 is ON and S2 is OFF, the voltage across A and B is about VAB=VDC/2. In this situation, the primary side current ipri of transformers increases due to the positive voltage across the combined leakage inductance Llk of the primary side of transformers. When S1 is OFF and S2 is ON, the voltage VAB=−VDC/2. In this situation, the primary side current ipri reduces due to the negative voltage. Once the primary side current ipri reduces to zero, it will ramp in the negative direction. As a result of this charging and discharging of the primary side leakage inductor Llk, energy is transferred from the primary side to secondary side of the transformers. The rectifiers (symmetric voltage quadrupler) on the secondary side will rectify the high frequency AC current to drive the LED loads. It should be noted that each primary side switch is ON for half of the total switching cycle. By changing the frequency of the gating waveforms of the switches S1 and S2, the peak value of primary side current Ipri,pk of the transformers T1 and T2 is varied, which leads to the variation in the energy transferred through the transformers and hence the average current fed to the output LEDs whose light intensity can hence be varied. For example, by increasing the frequency fSW of switches S1 and S2, the charging or discharging time of the primary side leakage inductor Llk reduces. As a result, the peak value of primary side current Ipri,pk reduces, and hence the peak currents and average currents of LED loads reduce when they are in the ON state, and vice versa. (a) (b) (c) (d) For the secondary side of the transformers T1 and T2, the LED currents of four groups of LED channels are controlled by four secondary side switches SG1, SG2, SG3 and SG4, respectively. When SG1 is ON, the LEDs of Group 1 will be OFF, and when SG1 is OFF, the LEDs of Group 1 will be ON. Similarly, the switches SG2, SG3 and SG4 control the brightness of the LEDs of Group 2, 3 and 4, respectively. Based on the control of secondary side switches SG1, SG2, SG3 and SG4, the average currents of groups of LED channels to be dimmed simultaneously are sensed and fed back to the controller which controls the duty ratio of the gating pulses of the secondary side switches to realize selective dimming for four groups of LEDs. In [34], a large electrolytic capacitor Cbus is used on DC bus for mitigating the double line frequency power-ripple from the AC input. With negligible DC bus ripple, the constant frequency control of switches S1 and S2 can be applied in DC-DC stage for constant LED DC current output. The ripple voltage in DC bus is given by (1). where vr(t) is AC ripple voltage of DC bus, Po is output power, VDC is average voltage of DC bus, ω=2πf and f is line frequency of input voltage. Hence, VDC(t) can be given by (2). The electrolytic capacitor Cbus traditionally used in other architectures is replaced by a low-value long lifetime film capacitor. This results in higher DC bus voltage ripple based on (1). The effect of the DC bus voltage ripple is eliminated from the LED output current by the control method described herein. A. Primary Side Peak Current Control Method In this LED driver, the LED DC currents can be maintained constant by controlling the peak value of primary side current Ipri,pk based on sampling primary side current of transformers ipri. As described in [34], the symmetric complementary constant frequency control of the switches S1 and S2 transfers the energy through transformers to supply LEDs. However, this constant frequency control will result in LED currents having second harmonic ripples similar to vdc(t). This leads to the low frequency flicker of LED light output and lifetime reduction due to higher peak currents of LEDs. In order to keep the LED output current constant, the switching frequency fSW of switches S1 and S2 needs to vary based on vdc(t), which in turn will vary the gain of the DC-DC non-resonant converter. The peak current control method keeps Ipri,pk constant to ensure constant DC current output of LEDs. Based on (3)-(4), the voltage vLlk of inductor Llk is shown in Hence, ipri can be derived by (6) from T0 to T2, and by (7) from T2 to T3 based on According to (6) and (7), fSW can be derived by (8). As described in [34], 300 ns dead-time between signals SS1 and SS2 achieves the complete soft switching of switches S1 and S2, where SS1 and SS2 are the gating control pulses of switches S1 and S2, respectively. The DC bus voltage vdc(t) has considerable second harmonic ripple due to low DC bus capacitance. However, Vo,avg remains constant since Ipri,pk and average current of LEDs are controlled to be constant by the control method. Hence, fSW in (8) reduces with reduced vdc(t) as shown in Selective Dimming Control by Peak Current Control: The control method is realized by switching the primary side switches S1 and S2 at fSW which varies depending on varied vdc(t). Analysis of the Converter with Peak Current Control The LED driver with proposed peak current control is designed and analyzed under 180 W setup. The specification of this driver is shown as follows: 1) DC bus voltage vdc(t)=380-520 V, with average voltage of 450 V and 10 μF film capacitor on DC bus; 2) Universal input voltage: 90 Vrms-264 Vrms, 47 Hz-63 Hz; 3) Each channel LED DC output voltage Vo=0-45 Vdc, and LED DC current Io=0-0.7 Adc; 4) Input power factor: higher than 0.97 at full load, and input current harmonics satisfying IEC EN 61000-3-2 Class C; 5) PWM dimming (3 kHz) of LEDs for down to 5%. A. Steady-State Analysis The output DC bus voltage vdc(t) of the boost PFC converter should be larger than the peak value of maximum input AC voltage Vin,max. Meanwhile, vdc(t) should be lower than αVdev, where Vdev is the device rated voltage on DC bus, and α is the de-rating factor of the device. Hence, the requirement is vdc (t) should be equal to (9). Based on (1), (2) and (9), (10) is derived. When VDC=(Vin,max+αVdev)/2, Cbus is minimal. Considering the worst case of this LED driver, Po=180 W, the minimum value of f is 47 Hz, Vin,max=374 V. For 600 V rated MOSFETs on DC bus with 0.9 derating factor, αVdev=540 V. Under this condition, the minimum value of Cbus is about 8 μF. For the analysis and experimental prototype of this LED driver, Cbus=10 μF is chosen. Based on the symmetric quadrupler rectifier principles [35], the average value of rectified current on the transformer secondary side windings is equal to four folds of the output current Jo of LEDs. Under the steady-state operation of the converter, the currents of the transformer secondary side windings (isec1 for T1, isec2 for T2) are equal to Nipri. Hence, the relationship between average value of rectified current of transformer primary side winding |ipri|avg, average values of rectified currents of transformer secondary side windings (|isec1|avg for T1, |isec2|avg for T2), and LED DC output current Io can be given by (11). The rectified current of transformer primary side winding |ipri| is close to a triangle, so that (12) can be derived. Therefore, according to (1), (2), (8), (11) and (12), the relationship among the average voltage of LED channels Vo,avg, the DC output current of LEDs Jo, and the switching frequency fSW can be given by (13). For the dc-dc converter in Energy is transferred from the primary side to the secondary side of the transformers based on charging and discharging of the combined primary side leakage inductor Llk. The symmetric quadrupler rectifiers rectify the secondary side high frequency ac current to drive LED loads. Primary side switches S1 and S2 are used to control the peak value of primary side current Ipri,pk by sampling the primary side current ipri of transformers T1 and T2, and hence control the peak current of LEDs. Secondary side switches SG 1-SG 4 aim to control the average currents of each group of LEDs by sampling each group of LED currents iG1-iG4, respectively, to achieve selective dimming. For the secondary side of transformers T1 and T2, the average currents of the groups of LEDs to be dimmed are sensed using resistive sensing and fed back to the controller, which controls the duty ratios of the gating pulses of four secondary side switches SG 1-SG 4 at the frequency fSG (250 Hz). This dimming frequency fSG is higher than the mini-mum recommended frequency of above 160 Hz [30], [31], and much lower than the typical switching frequency fSW (80-160 kHz) of the primary side switches S1 and S2. The embodiments disclosed herein are exemplary, and the invention encompasses all individual aspects, combinations, subcombinations, and permutations disclosed herein. Each patent and other reference is expressly incorporated herein by reference in its entirety. See U.S. Pat. No. 6,111,369; 6,272,025; 6,348,769; 6,369,525; 6,493,242; 6,504,423; 6,507,501; 6,567,281; 6,952,355; 7,282,889; 7,531,984; 7,745,970; 7,992,332; 8,127,477; 8,413,359; 8,587,212; 8,587,217; 8,739,440; 8,739,441; 8,803,366; 9,030,849; 9,107,259; 9,119,244; 9,123,467; 9,192,003; 9,210,749; 9,269,489; 9,282,601; 9,295,117; 9,330,561; 9,351,354; 9,406,220; 9,432,091; 9,526,148; 9,602,010; 9,629,209; 9,648,678; 9,660,520; 9,693,411; 9,723,667; 9,761,370; 9,762,115; 9,769,896; 9,787,195; 9,806,614; 9,825,545; 9,840,159; 9,843,228; 9,844,107; 9,844,108; 9,844,121; 9,844,123; 9,846,752; 9,848,467; 9,853,498; 9,853,550; 9,853,555; 9,853,556; 9,854,640; 9,854,649; 9,859,830; 9,860,946; 9,860,947; 9,863,984; 9,866,124; 9,867,243; 9,868,171; 9,871,438; 9,872,153; 9,872,367; 9,876,692; 9,877,363; 9,882,506; 9,882,606; 9,883,562; 9,887,618; 9,888,533; 9,888,535; 9,888,538; 9,888,540; 9,889,517; 9,893,560; 9,894,727; 9,897,304; 9,897,461; 9,898,026; 9,903,895; 9,906,067; 9,906,137; 9,907,130; 9,909,720; 9,909,901; 9,911,589; 9,912,246; 9,913,320; 9,913,329; 9,913,330; 9,915,908; 9,917,524; 9,923,448; 9,924,571; 9,927,470; 9,927,759; 9,929,640; 9,930,736; 9,931,187; 9,933,842; 9,936,544; 9,936,545; 9,936,551; 9,939,464; 9,939,471; 9,941,803; 9,942,953; 9,942,964; 9,942,969; 9,943,923; 9,946,247; 9,948,100; 9,948,125; 9,948,188; 9,949,328; 9,949,330; 9,952,261; 9,952,568; 9,954,445; 9,958,134; 9,958,146; 9,960,686; 9,961,418; 9,961,728; 9,961,731; 9,961,734; 9,964,982; 9,965,007; 9,967,933; 9,967,940; 9,967,951; 9,970,975; 9,973,036; 9,973,095; 9,974,125; 9,974,129; 9,979,202; 9,979,270; 9,980,330; 9,982,443; 9,985,539; 9,985,627; 9,986,604; 9,986,619; 9,989,618; 9,991,791; 9,991,802; 9,991,821; 9,992,827; 9,992,830; 9,995,815; 9,998,941; RE46715; 10,003,268; 10,006,609; 10,008,857; 10,008,873; 10,008,882; 10,008,910; 10,014,091; 10,014,570; 10,014,771; 10,015,848; 10,015,849; 10,015,851; 10,015,860; 10,015,861; 10,020,677; 10,020,895; 10,027,233; 10,028,340; 10,028,347; 10,028,349; 10,030,863; 10,033,284; 10,033,292; 10,034,338; 10,036,515; 10,037,296; 10,039,171; 10,041,984; 10,044,254; 10,044,518; 10,047,717; 10,048,088; 10,048,123; 10,049,565; 10,050,535; 10,050,552; 10,051,696; 10,051,697; 10,051,698; 10,051,710; 10,058,089; 10,060,957; 10,063,077; 10,064,248; 10,069,398; 10,069,402; 10,070,488; 10,074,997; 10,075,042; 10,075,064; 10,079,551; 10,079,765; 10,082,284; 10,090,777; 10,091,842; 10,091,844; 10,092,007; 10,097,240; 10,098,194; 10,098,195; 10,098,196; 10,099,308; 10,101,716; 10,103,631; 10,104,731; 10,104,732; 10,104,735; 10,110,075; 10,111,290; 10,114,784; 10,116,138; 10,116,239; 10,120,361; 10,122,257; 10,122,259; 10,123,388; 10,128,101; 10,128,740; 10,128,761; 10,128,774; 10,129,961; 10,129,962; 10,135,331; 10,135,361; 10,136,483; 10,136,484; 10,137,520; 10,139,093; 10,141,740; 10,141,770; 10,141,830; 10,143,064; 10,143,070; 10,145,830; 10,148,170; 10,148,175; 10,149,362; 10,149,370; 10,152,068; 10,153,692; 10,153,702; 10,154,551; 10,154,569; 10,154,570; 10,158,282; 10,158,284; 10,159,123; 10,159,125; 10,159,126; 10,159,132; 10,161,616; 10,162,785; 10,163,554; 10,164,513; 10,165,631; 10,168,360; 10,170,999; 10,172,191; 10,172,197; 10,172,199; 10,172,211; 10,172,214; 10,176,764; 10,178,715; 10,178,719; 10,178,720; 10,178,742; 10,181,796; 10,181,798; 10,182,488; 10,187,934; 10,187,946; 10,193,341; 10,193,351; 10,193,467; 10,193,628; 10,194,500; 10,194,501; 10,194,770; 10,205,324; 10,205,381; 10,206,270; 10,211,702; 10,211,742; 10,212,769; 10,217,419; 10,218,218; 10,219,335; 10,224,831; 10,225,901; 10,228,265; 10,230,243; 10,230,296; 10,231,301; 10,236,174; 10,236,772; 10,240,841; 10,241,136; 10,241,322; 10,243,376; 10,243,406; 10,243,472; 10,243,473; 10,243,478; 10,250,071; 10,251,226; 10,255,215; 10,256,712; 10,256,715; 10,257,894; 10,257,897; 10,263,458; 10,263,508; 10,263,510; 10,263,532; 10,264,636; 10,271,390; 10,271,391; 10,271,409; 10,274,573; 10,274,980; 10,275,840; 10,277,114; 10,277,727; 10,278,244; 10,284,096; 10,285,231; 10,286,176; 10,292,223; 20020039298; 20020172056; 20020176263; 20020181250; 20030002303; 20040012986; 20040267501; 20060181242; 20070210724; 20070210748; 20080001695; 20090284164; 20090284165; 20090284179; 20100141162; 20100237799; 20100295471; 20110007525; 20110204820; 20120001563; 20120074861; 20120104956; 20120133299; 20120169230; 20120217892; 20120268021; 20130015776; 20130039104; 20130051088; 20130188397; 20130193846; 20130193852; 20130207468; 20130207601; 20130278076; 20130285565; 20130307436; 20140100801; 20140103813; 20140103828; 20140103829; 20140103838; 20140103899; 20140104831; 20140111091; 20140111113; 20140113828; 20140117865; 20140117868; 20140117878; 20140125228; 20140125230; 20140125234; 20140125241; 20140125244; 20140125248; 20140125252; 20140126174; 20140132172; 20140132179; 20140132184; 20140132210; 20140133156; 20140136178; 20140139112; 20140139117; 20140139142; 20140142731; 20140145594; 20140145595; 20140145596; 20140145597; 20140145598; 20140145599; 20140145600; 20140145601; 20140145602; 20140145603; 20140145604; 20140145605; 20140145606; 20140145607; 20140145608; 20140145617; 20140145618; 20140145619; 20140145620; 20140145621; 20140145637; 20140152012; 20140153291; 20140153292; 20140159584; 20140159585; 20140159605; 20140159608; 20140159615; 20140159648; 20140159652; 20140159692; 20140159693; 20140160801; 20140160802; 20140160807; 20140163761; 20140164803; 20140167634; 20140167639; 20140167649; 20140167652; 20140167974; 20140168567; 20140175866; 20140175898; 20140175997; 20140176008; 20140176017; 20140177304; 20140178845; 20140184080; 20140184087; 20140184093; 20140191624; 20140191659; 20140191683; 20140192527; 20140192562; 20140197751; 20140198337; 20140204614; 20140210352; 20140210358; 20140210362; 20140210369; 20140210377; 20140211345; 20140211518; 20140211519; 20140217910; 20140218008; 20140218978; 20140225449; 20140225515; 20140225521; 20140226370; 20140226371; 20140232270; 20140232282; 20140232284; 20140233269; 20140236372; 20140239810; 20140239830; 20140239831; 20140239832; 20140239833; 20140246924; 20140246976; 20140246988; 20140247117; 20140247148; 20140247152; 20140249825; 20140252954; 20140252955; 20140252973; 20140252990; 20140253011; 20140253032; 20140253090; 20140265834; 20140265844; 20140265859; 20140265885; 20140265899; 20140265900; 20140265901; 20140265909; 20140265912; 20140265913; 20140265916; 20140265932; 20140265935; 20140266389; 20140268888; 20140268918; 20140268941; 20140285097; 20140285102; 20140285103; 20140292215; 20140292229; 20140292288; 20140293601; 20140299715; 20140300274; 20140306614; 20140312706; 20140312707; 20140312796; 20140312797; 20140312804; 20140312806; 20140312969; 20140319916; 20140319917; 20140319932; 20140320008; 20140320009; 20140321057; 20140327308; 20140327992; 20140333226; 20140334134; 20140340943; 20140346874; 20140346896; 20140346960; 20140346962; 20140346973; 20140347039; 20140347903; 20140354048; 20140354155; 20140354156; 20140354170; 20140354172; 20140360713; 20140361627; 20140361697; 20140361698; 20140361700; 20140361701; 20140361703; 20140362583; 20140363169; 20140368109; 20140368114; 20140368215; 20140369083; 20140375203; 20140375276; 20150002032; 20150002043; 20150002044; 20150002049; 20150002050; 20150002068; 20150002137; 20150003115; 20150003122; 20150003123; 20150008826; 20150008827; 20150008828; 20150008831; 20150008844; 20150009722; 20150012145; 20150015145; 20150015149; 20150015153; 20150022087; 20150022176; 20150023064; 20150028753; 20150028761; 20150035442; 20150035449; 20150035450; 20150036389; 20150036401; 20150042228; 20150042231; 20150042314; 20150043252; 20150048758; 20150054414; 20150054417; 20150056107; 20150056567; 20150057821; 20150057822; 20150057827; 20150061503; 20150061516; 20150061521; 20150061522; 20150061524; 20150061534; 20150061569; 20150061614; 20150062975; 20150062977; 20150062978; 20150064278; 20150069831; 20150069924; 20150070946; 20150076999; 20150077003; 20150077009; 20150077016; 20150078041; 20150084544; 20150085537; 20150091448; 20150091456; 20150091457; 20150091458; 20150091459; 20150091460; 20150091462; 20150091465; 20150091466; 20150092458; 20150093453; 20150108905; 20150108912; 20150115800; 20150115815; 20150115822; 20150115824; 20150115838; 20150115839; 20150115845; 20150123484; 20150123554; 20150123573; 20150123600; 20150124426; 20150124437; 20150130363; 20150130372; 20150132006; 20150137687; 20150137690; 20150137691; 20150137693; 20150137694; 20150137707; 20150137859; 20150138847; 20150144424; 20150149617; 20150155789; 20150155860; 20150161298; 20150162833; 20150163879; 20150171742; 20150171757; 20150171760; 20150173134; 20150173145; 20150173153; 20150179098; 20150180325; 20150189068; 20150189707; 20150189710; 20150191840; 20150192337; 20150192346; 20150194883; 20150195878; 20150195883; 20150197868; 20150200599; 20150200601; 20150204497; 20150204561; 20150207421; 20150208469; 20150208472; 20150208474; 20150208479; 20150214746; 20150222178; 20150222189; 20150223303; 20150226583; 20150229357; 20150230300; 20150230304; 20150231408; 20150236546; 20150236581; 20150237689; 20150237700; 20150237702; 20150244121; 20150244272; 20150244273; 20150245438; 20150248510; 20150249397; 20150252970; 20150255994; 20150256091; 20150257223; 20150257226; 20150260384; 20150263627; 20150263638; 20150263646; 20150264755; 20150264758; 20150264761; 20150264762; 20150264769; 20150264780; 20150270719; 20150271883; 20150280592; 20150282262; 20150282264; 20150288225; 20150289332; 20150294572; 20150295413; 20150295500; 20150303787; 20150303792; 20150303796; 20150303812; 20150303813; 20150303898; 20150305101; 20150305104; 20150305110; 20150305112; 20150305120; 20150309951; 20150309952; 20150311803; 20150311808; 20150312974; 20150312983; 20150312986; 20150312989; 20150318685; 20150318704; 20150318772; 20150318787; 20150318796; 20150319817; 20150319820; 20150326008; 20150326117; 20150326131; 20150326152; 20150331436; 20150333630; 20150333638; 20150333764; 20150334780; 20150334781; 20150334782; 20150334783; 20150334784; 20150338862; 20150340955; 20150340957; 20150341996; 20150349535; 20150351175; 20150351180; 20150351184; 20150351188; 20150351205; 20150357831; 20150357899; 20150357908; 20150357910; 20150359066; 20150362941; 20150365003; 20150365004; 20150366013; 20150366033; 20150372586; 20150373796; 20150373811; 20150380927; 20150380982; 20150381054; 20150382413; 20150382429; 20160006361; 20160007417; 20160014850; 20160014861; 20160014865; 20160020691; 20160021713; 20160028243; 20160029450; 20160029451; 20160029465; 20160043569; 20160043571; 20160049881; 20160056664; 20160056725; 20160057822; 20160057824; 20160057825; 20160057826; 20160065051; 20160066379; 20160072378; 20160072551; 20160073455; 20160073456; 20160073457; 20160073460; 20160073463; 20160073471; 20160076743; 20160079872; 20160087523; 20160087535; 20160087537; 20160087687; 20160088698; 20160098046; 20160105936; 20160105941; 20160111876; 20160113083; 20160113086; 20160118792; 20160118901; 20160119987; 20160119990; 20160119992; 20160126846; 20160126860; 20160126949; 20160127875; 20160131686; 20160134187; 20160134188; 20160134189; 20160134194; 20160134196; 20160134197; 20160135267; 20160139548; 20160141951; 20160141964; 20160143097; 20160143104; 20160143108; 20160146868; 20160149500; 20160150604; 20160150609; 20160150612; 20160150613; 20160150620; 20160156269; 20160156275; 20160157313; 20160164291; 20160165684; 20160165685; 20160165686; 20160165688; 20160172981; 20160172985; 20160174310; 20160174311; 20160181918; 20160181927; 20160183351; 20160187449; 20160190927; 20160190939; 20160190941; 20160192448; 20160195864; 20160196375; 20160197478; 20160197489; 20160198532; 20160198541; 20160202116; 20160204652; 20160204692; 20160205733; 20160205735; 20160211759; 20160211841; 20160212816; 20160216662; 20160216663; 20160218524; 20160218626; 20160223588; 20160224048; 20160227614; 20160227615; 20160230767; 20160234899; 20160246904; 20160246907; 20160248250; 20160248323; 20160252367; 20160261123; 20160261199; 20160268841; 20160270169; 20160270174; 20160276936; 20160276949; 20160278171; 20160278180; 20160278639; 20160286612; 20160286618; 20160286635; 20160294227; 20160295653; 20160301253; 20160302266; 20160302268; 20160308367; 20160308370; 20160308374; 20160309557; 20160313744; 20160316530; 20160316533; 20160322910; 20160323943; 20160323945; 20160323947; 20160323953; 20160323955; 20160329722; 20160329745; 20160330808; 20160335220; 20160336812; 20160336861; 20160336864; 20160338159; 20160338163; 20160349295; 20160352210; 20160356837; 20160358553; 20160362015; 20160363308; 20160365731; 20160365799; 20160366732; 20160366733; 20160366734; 20160366735; 20160366743; 20160368392; 20160370204; 20160372970; 20160374164; 20160374168; 20160375058; 20160380441; 20160380476; 20160380516; 20160380528; 20160380545; 20160381745; 20160381756; 20170005652; 20170006681; 20170006683; 20170006688; 20170007060; 20170012562; 20170013417; 20170013683; 20170013688; 20170013690; 20170016598; 20170016603; 20170016610; 20170017600; 20170019963; 20170019964; 20170019967; 20170025962; 20170026189; 20170027029; 20170027043; 20170027168; 20170034879; 20170040799; 20170041996; 20170042004; 20170045571; 20170046458; 20170047859; 20170048937; 20170053736; 20170053737; 20170054306; 20170055321; 20170062124; 20170063215; 20170063242; 20170068233; 20170070162; 20170070180; 20170071039; 20170071043; 20170077703; 20170077798; 20170078109; 20170078110; 20170078906; 20170079095; 20170079099; 20170083043; 20170083062; 20170085153; 20170089192; 20170090396; 20170095286; 20170099710; 20170105255; 20170105265; 20170105266; 20170105391; 20170111086; 20170111965; 20170111977; 20170117748; 20170117806; 20170117813; 20170117814; 20170118809; 20170118812; 20170118814; 20170122542; 20170125892; 20170126016; 20170127485; 20170127493; 20170133886; 20170141688; 20170142794; 20170149285; 20170149342; 20170150566; 20170154739; 20170156780; 20170164439; 20170164440; 20170167744; 20170168034; 20170171937; 20170176581; 20170179808; 20170179823; 20170182895; 20170184640; 20170187292; 20170187294; 20170187836; 20170188422; 20170188425; 20170188426; 20170188429; 20170188430; 20170189640; 20170192398; 20170196056; 20170196059; 20170196063; 20170199265; 20170201129; 20170201161; 20170202062; 20170207695; 20170208656; 20170208659; 20170212399; 20170214322; 20170215240; 20170215256; 20170215295; 20170220505; 20170222720; 20170223795; 20170228479; 20170228653; 20170229051; 20170229897; 20170231058; 20170232122; 20170237254; 20170238377; 20170238379; 20170238380; 20170238381; 20170238382; 20170238386; 20170238401; 20170245339; 20170245341; 20170245350; 20170250620; 20170256944; 20170257919; 20170257928; 20170261910; 20170263374; 20170265259; 20170270069; 20170271979; 20170279287; 20170279300; 20170279367; 20170280523; 20170288466; 20170288557; 20170290113; 20170290114; 20170299444; 20170300107; 20170302200; 20170303353; 20170309232; 20170310224; 20170311396; 20170311397; 20170311400; 20170311401; 20170311409; 20170318631; 20170318633; 20170325299; 20170331364; 20170332453; 20170346345; 20170346386; 20170346413; 20170347413; 20170348350; 20170353097; 20170353100; 20170358441; 20170358989; 20170359874; 20170359880; 20170366022; 20170366029; 20170366099; 20170367345; 20170373496; 20180003746; 20180004240; 20180007751; 20180007766; 20180013349; 20180013351; 20180020516; 20180020521; 20180023788; 20180026521; 20180026523; 20180026550; 20180027386; 20180027630; 20180034268; 20180034446; 20180035500; 20180035503; 20180042075; 20180046208; 20180048239; 20180049289; 20180059175; 20180062503; 20180062551; 20180063910; 20180078072; 20180083529; 20180083539; 20180084616; 20180091041; 20180092167; 20180092190; 20180101500; 20180103411; 20180103520; 20180103529; 20180110099; 20180110101; 20180112837; 20180115168; 20180116017; 20180116034; 20180122567; 20180123351; 20180123442; 20180123464; 20180124890; 20180132318; 20180139811; 20180145583; 20180145599; 20180146522; 20180149349; 20180152110; 20180153008; 20180153010; 20180153014; 20180153020; 20180156394; 20180157284; 20180159432; 20180162229; 20180184493; 20180187877; 20180191237; 20180191930; 20180192478; 20180192488; 20180198371; 20180199782; 20180205315; 20180210012; 20180210023; 20180213621; 20180213687; 20180217205; 20180217658; 20180219481; 20180220506; 20180224922; 20180228001; 20180233911; 20180234019; 20180235043; 20180235047; 20180238531; 20180238942; 20180238955; 20180242437; 20180243062; 20180243527; 20180248472; 20180248760; 20180249539; 20180249543; 20180255626; 20180260352; 20180262013; 20180262102; 20180263087; 20180263096; 20180266125; 20180269013; 20180270925; 20180278071; 20180279429; 20180279431; 20180279437; 20180287522; 20180288845; 20180295692; 20180301931; 20180302967; 20180331603; 20180336152; 20180343057; 20180343718; 20180351447; 20180358893; 20180358894; 20180359828; 20180367029; 20180368225; 20180373824; 20180373827; 20180376556; 20190005165; 20190006940; 20190008008; 20190008011; 20190008012; 20190008022; 20190013960; 20190020210; 20190020264; 20190020270; 20190021154; 20190025348; 20190025363; 20190029086; 20190032864; 20190035569; 20190036456; 20190041008; 20190041920; 20190044432; 20190044433; 20190044434; 20190044505; 20190045593; 20190052175; 20190052176; 20190053350; 20190056803; 20190058393; 20190059386; 20190063702; 20190064133; 20190065973; 20190067958; 20190069361; 20190069364; 20190069370; 20190072596; 20190073331; 20190075629; 20190075630; 20190076033; 20190081565; 20190089254; 20190090330; 20190097448; 20190097539; 20190097542; 20190098721; 20190098723; 20190098725; 20190101967; 20190103750; 20190104583; 20190109891; 20190115837; 20190115979; 20190116636; 20190116651; 20190123094; 20190124740; 20190132055; 20190132815; 20190140554; 20190140556; 20190141804; 20190141822; 20190143119; 20190149051; and 20190149761. See also, WO2012/0119244; WO2014/0798998; EP0236717; JP2004-235123; JP2006-262640; JP2013-162649; and JP2013-235848.
CROSS REFERENCE TO RELATED APPLICATIONS
FIELD OF THE INVENTION
BACKGROUND OF THE INVENTION
SUMMARY OF THE INVENTION
BRIEF DESCRIPTION OF THE DRAWINGS
DETAILED DESCRIPTION OF THE PREFERRED EMBODIMENTS
|REFERENCES
Topology No. of PWM DC bus for LED Trans- Secondary Dimming dimming input Output Reference Isolation Channels Switch Diode Inductor Capacitor former Windings Method frequency voltage power [7] Flyback N N N + 1 N N + 1 1 1 PWM 240 Hz / 20 W [8] Flyback N N 1 1 2 1 1 PWM 333 Hz / 40 W [9], [10] Flyback N 2N 1 N N + 1 1 1 AM / 300 V 300 W [11] Forward 3N N 2N + 2 2N + 1 N + 1 1 2 AM/ 200 Hz 20-30 V 16.5 W PWM [12] Forward N N N − 1 N/3 2N/3 1 N/3 PWM 60 Hz 400 Hz 30 W [13] Forward N 0 2N 2N N 1 N AM / 48 V 54.4 W [14] Non- N 0 2N N N N 2N AM / 380 V 50 W resonant [15] Resonant 2N N 4N N 4N 1 N AM/ / 48 V 20 W PWM [16] Resonant N 2N + 2 4N 1 3N + 2 1 1 AM/ 300 Hz 400 V 60 W PWM [17] Resonant N N N + 4 N N + 2 1 2 AM/ Unspec- 400 V 80 W PWM ified [18] Resonant N 2N N + 4 N N + 2 1 2 AM/ 200 Hz 400 V 100 W PWM Proposed Non- 2N N 2N 0 7N/2 2 N/2 AM/ 250 Hz 400 V 150 W resonant PWM AC-DC Isolated Reference System DC-DC Notes [7] / / Additional buck/boost stage including related control and sensing of each channel for selective dimming [8] >90% / Uncontrollable current amplitude in LEDs during selective dimming [9], [10] >90% / Uncontrollable current amplitude in LEDs, additional buck stage for selective dimming [11] / 88% Magnetic-amplifier post-regulator for current balancing among different channels [12] / / Magnetic-amplifier control for current balancing, deviation inductor applied with ER-28 core for each group of interleaved three-channel PWM dimming [13] / 86% Secondary side variable inductor with high loss, instead of switches, to control each group LED current, lower efficiency with increased selectively dimming groups of LEDs, not suitable for low power applications [14] / 90.5% Primary side variable inductors with high loss to control each group current of LEDs, lower efficiency with increased power due to higher variable inductor loss; only 85% efficient at 50 W [15] / 92.4% Switch-controlled capacitors at each secondary side winding for selective dimming/current balancing [16] / 85.5% Switch-controlled capacitors for selective dimming and current balancing; one secondary side winding with parallel connected LED strings requires full-bridge rectifier and two switches with low efficiency for each LED string [17] 92% / Twin bus output topology; additional buck-boost stage controlled by IC MP4601 of each channel for current balancing; another switch of each channel for selective dimming [18] 87.5% / Additional buck stage controlled by IC LT1510 of each channel for selective dimming Proposed 94.3% 97.5% ZVS of primary side switches; ZCS of secondary side rectifier diodes; passive rectifiers achieve current balancing; only one additional low frequency switched device required of each group of LEDs for selective dimming