A fault protection method used in a multiphase switching converter which includes a plurality of switching circuits coupled in parallel and a plurality of control circuits configured in a daisy chain. Each control circuit has a first terminal coupled to a phase control signal, a second terminal coupled to a previous control circuit in the daisy chain to receive a phase input signal, and a third terminal coupled to a latter control circuit in the daisy chain to provide a phase output signal. The fault protection method includes: configuring a first control circuit as a master control circuit to provide the phase control signal; respectively configuring the rest of the control circuits as a slave control circuit to receive the phase control signal; if a fault condition is detected in the first control circuit, changing the first control circuit into a slave control circuit and generating a second pulse on the phase output signal of the first control circuit; and if a second pulse is detected on a phase input signal of a second control circuit, changing the second control circuit into a master control circuit.
1. A fault protection method used in a multiphase switching converter, wherein the multiphase switching converter includes a plurality of switching circuits coupled in parallel, and a plurality of control circuits configured in a daisy chain and respectively coupled to a corresponding one of the plurality of switching circuits, each of the control circuits has a first terminal, a second terminal and a third terminal, and wherein the first terminals of the plurality of control circuits are coupled together to share a phase control signal, the second terminal of each control circuit is coupled to a previous control circuit in the daisy chain to receive a phase input signal, and the third terminal of each control circuit is coupled to a latter control circuit in the daisy chain to provide a phase output signal, wherein the phase output signal has a first pulse in normal operation, the fault protection method comprises:
configuring a first control circuit as a master control circuit to provide the phase control signal; and respectively configuring each of the rest of the plurality of control circuits as a slave control circuit to receive the phase control signal; wherein if a fault condition is detected in the first control circuit, changing the first control circuit into a slave control circuit and generating a second pulse on the phase output signal of the first control circuit; and wherein if a second pulse is detected on a phase input signal of a second control circuit, changing the second control circuit into a master control circuit. 2. The fault protection method of 3. The fault protection method of 4. The fault protection method of if a fault condition is detected in a control circuit configured as a slave control circuit, changing the phase output signal of the control circuit to be substantially identical to the phase input signal of the control circuit. 5. The fault protection method of 6. The fault protection method of 7. The fault protection method of 8. The fault protection method of adjusting the phase control signal to stop all of the plurality of switching circuits from providing power to the load; determining whether an output voltage of the multiphase switching converter drops to a predetermined threshold; and when the output voltage of the multiphase switching converter drops to the predetermined threshold, changing the first control circuit into a slave control circuit and generating a second pulse on the phase output signal of the first control circuit. 9. A fault protection method used in a control circuit, wherein the control circuit is adapted to be configured in daisy chain and adapted to be used in a multiphase switching converter includes with a plurality of switching circuits coupled in parallel, the control circuit has a first terminal configured to share a phase control signal, a second terminal configured to receive a phase input signal from a previous control circuit in the daisy chain, and a third terminal configured to provide a phase output signal to a latter control circuit in the daisy chain, wherein the phase output signal has a first pulse in normal operation, the fault protection method comprises:
determining whether the control circuit is configured as a master control circuit or a slave control circuit; providing the phase control signal at the first terminal of the control circuit if the control circuit is configured as a master control circuit, and receiving the phase control signal at the first terminal of the control circuit if the control circuit is configured as a slave control circuit; determining whether there exists a fault condition in the control circuit; and if the control circuit is configured as a master control circuit and a fault condition is detected in the control circuit, changing the control circuit into a slave control circuit and generating a second pulse on the phase output signal of the control circuit. 10. A fault protection method of if the control circuit is configured as a slave control circuit and a second pulse is detected on the phase input signal of the control circuit, changing the control circuit into a master control circuit. 11. The fault protection method of 12. The fault protection method of 13. The fault protection method of if the control circuit is configured as a slave control circuit and a fault condition is detected in the control circuit, changing the phase output signal of the control circuit to be substantially identical to the phase input signal of the control circuit. 14. The fault protection method of 15. The fault protection method of 16. The fault protection method of adjusting the phase control signal to stop all of the plurality of switching circuits from providing power to a load; determining whether an output voltage of the multiphase switching converter drops to a predetermined threshold; and when the output voltage of the multiphase switching converter drops to the predetermined threshold, changing the control circuit into a slave control circuit and generating a second pulse on the phase output signal of the control circuit. 17. A control circuit adapted to be configured in daisy chain and adapted to be used in a multiphase switching converter with a plurality of switching circuits coupled in parallel, wherein the control circuit comprises:
a first terminal configured to share a phase control signal; a second terminal configured to receive a phase input signal from a previous control circuit in the daisy chain; and a third terminal configured to provide a phase output signal to a latter control circuit in the daisy chain, wherein the phase output signal has a first pulse in normal operation; wherein the control circuit is configured to provide the phase control signal when it is configured as a master control circuit, and is configured to receive the phase control signal when it is configured as a slave control circuit; and wherein if the control circuit is configured as a master control circuit and a fault condition is detected in the control circuit, the control circuit will change into a slave control circuit and generate a second pulse on the phase output signal of the control circuit. 18. The control circuit of 19. The control circuit of 20. The control circuit of 21. The control circuit of 22. The control circuit of 23. The control circuit of 24. The control circuit of 25. The control circuit of a master control unit configured to generate the phase control signal; a fault detection configured to detect whether there exists a fault condition in the control circuit, and generate a fault detection signal; a master slave determination circuit configured to determine whether the control circuit is configured as a master control circuit or a slave control circuit, and generate a master slave determination signal to control the master control unit; and a switch control circuit coupled to the fault detection circuit and the master slave determination circuit, and configured to generate the phase output signal and a switch control signal for controlling a corresponding one of the plurality of switching circuits, based on the phase control signal, phase input signal, fault detection signal and master slave determination signal.
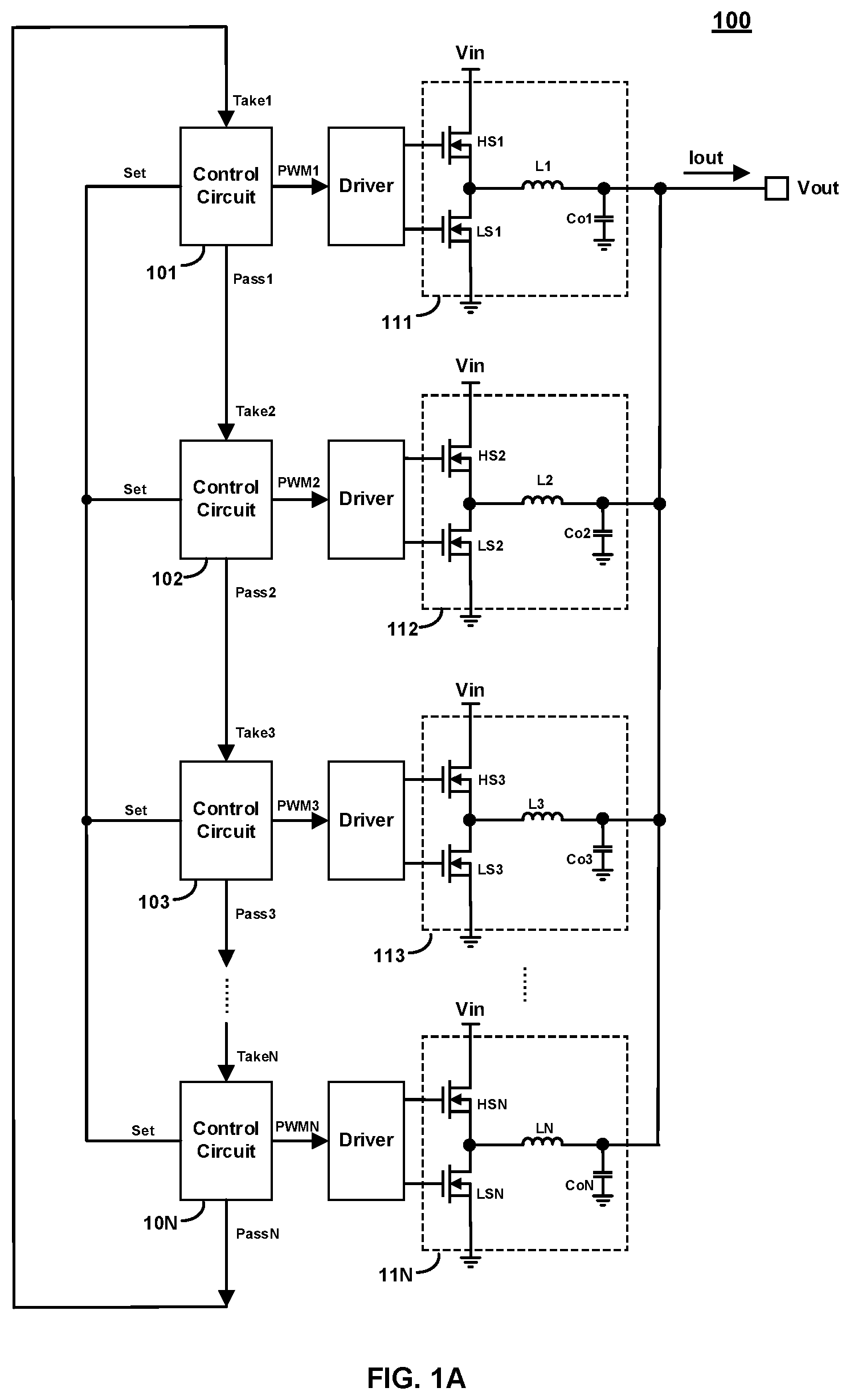
This application claims the benefit of CN application 201910686386.9, filed on Jul. 26, 2019, and incorporated herein by reference. The present invention generally relates to electronic circuits, and more particularly but not exclusively, to multiphase switching converters. In recent years, along with the rapid development of central processing units (CPUs), multiphase switching converters with outstanding performance in thermal, EMI and load transient response are widely used in power solutions for the CPUs. The number of phases in the multiphase switching converter is determined by the load, and needs to be increased when current required by the load increases. For multiphase switching converters with single controller, this means logic, circuit, structure and size of the controller all need to be adjusted, which undoubtedly increases the burden of system development and overall cost. Therefore, daisy chain architecture with good scalability is introduced into the multiphase switch converter, wherein a plurality of control circuits are utilized and each of the control circuit is used for driving one phase. In this configuration, the total phase number of the multiphase phase switching converter can be easily adjusted according to practical applications. If the phase number needs to be increased, users only need to add new control circuits and corresponding components into the daisy chain, with very simple adjustment of electrical connections. However, how to realize fault protection in multiphase switching converters, so the converter could still work even when one or more phases have failed, becomes a new challenge. Embodiments of the present invention are directed to a fault protection method used in a multiphase switching converter, wherein the multiphase switching converter includes a plurality of switching circuits coupled in parallel, and a plurality of control circuits configured in a daisy chain and respectively coupled to a corresponding one of the plurality of switching circuits. Each of the control circuits has a first terminal, a second terminal and a third terminal, wherein the first terminals of the plurality of control circuits are coupled together to share a phase control signal, the second terminal of each control circuit is coupled to a previous control circuit in the daisy chain to receive a phase input signal, and the third terminal of each control circuit is coupled to a latter control circuit in the daisy chain to provide a phase output signal, wherein the phase output signal has a first pulse in normal operation. The fault protection method comprises: configuring a first control circuit as a master control circuit to provide the phase control signal; and respectively configuring each of the rest of the plurality of control circuits as a slave control circuit to receive the phase control signal. If a fault condition is detected in the first control circuit, changing the first control circuit into a slave control circuit and generating a second pulse on the phase output signal of the first control circuit. If a second pulse is detected on a phase input signal of a second control circuit, changing the second control circuit into a master control circuit. Embodiments of the present invention are also directed to a fault protection method used in a control circuit of a multiphase switching converter. The fault protection method comprises: determining whether the control circuit is configured as a master control circuit or a slave control circuit; providing the phase control signal at the first terminal of the control circuit if the control circuit is configured as a master control circuit, and receiving the phase control signal at the first terminal of the control circuit if the control circuit is configured as a slave control circuit; determining whether there exists a fault condition in the control circuit; and if the control circuit is configured as a master control circuit and a fault condition is detected in the control circuit, changing the control circuit into a slave control circuit and generating a second pulse on the phase output signal of the control circuit. Embodiments of the present invention are further directed to a control circuit used in a multiphase switching converter. The control circuit comprises: a first terminal configured to share a phase control signal with the rest of the plurality of control circuits; a second terminal configured to receive a phase input signal from a previous control circuit in the daisy chain; and a third terminal configured to provide a phase output signal to a latter control circuit in the daisy chain, wherein the phase output signal has a first pulse in normal operation. The control circuit is configured to provide the phase control signal when it is configured as a master control circuit, and is configured to receive the phase control signal when it is configured as a slave control circuit; and wherein if the control circuit is configured as a master control circuit and a fault condition is detected in the control circuit, the control circuit will change into a slave control circuit and generate a second pulse on the phase output signal of the control circuit. The present invention can be further understood with reference to the following detailed description and the appended drawings, wherein like elements are provided with like reference numerals. Reference will now be made in detail to the preferred embodiments of the invention, examples of which are illustrated in the accompanying drawings. While the invention will be described in conjunction with the preferred embodiments, it will be understood that they are not intended to limit the invention to these embodiments. On the contrary, the invention is intended to cover alternatives, modifications and equivalents, which may be included within the spirit and scope of the invention as defined by the appended claims. Furthermore, in the following detailed description of the present invention, numerous specific details are set forth in order to provide a thorough understanding of the present invention. However, it will be obvious to one of ordinary skill in the art that the present invention may be practiced without these specific details. In other instances, well-known methods, procedures, components, and circuits have not been described in detail so as not to unnecessarily obscure aspects of the present invention. Reference to “one embodiment”, “an embodiment”, “an example” or “examples” means: certain features, structures, or characteristics are contained in at least one embodiment of the present invention. These “one embodiment”, “an embodiment”, “an example” and “examples” are not necessarily directed to the same embodiment or example. Furthermore, the features, structures, or characteristics may be combined in one or more embodiments or examples. In addition, it should be noted that the drawings are provided for illustration, and are not necessarily to scale. And when an element is described as “connected” or “coupled” to another element, it can be directly connected or coupled to the other element, or there could exist one or more intermediate elements. In contrast, when an element is referred to as “directly connected” or “directly coupled” to another element, there is no intermediate element. When a signal is described as “equal to” another signal, it is substantially identical to the other signal. During normal operation, the control circuit 10 The phase control signal Set normally includes a plurality of pulses, such as PULSE 1˜PULSE N, for successively triggering the plurality of switching circuits to provide power to the load. Generally speaking, the switch control signals PWM1˜PWMN are respectively synchronized with one of the plurality of pulses PULSE 1˜PULSE N. For example, the rising edge of the switch control signal PWMi is synchronized with the rising edge of PULSE i, so that the high side transistor HSi is turned on and the low side transistor LSi is turned off at the rising edge of PULSE i, and the corresponding switching circuit 11 In step S121, one of the plurality of control circuits 101˜10N, e.g., the control circuit 101, is configured as a master control circuit to provide the phase control signal Set at its first terminal. In step S122, the rest of the plurality of control circuits, e.g., the control circuits 102˜10N, are respectively as a slave control circuit to receive the phase control signal Set. In step S123, whether there exists a fault condition in the control circuit 101 is determined. If yes, the process will go to step S124. In step S124, the control circuit 101 is changed into a slave control circuit. It stops providing the phase control signal Set at its first terminal, and produces a second pulse on its phase output signal Pass1. In some embodiments, the control circuit 101 will change its phase output signal Pass1 to be equal to its phase input signal Take1 after the second pulse is ended, so as to bypass itself. In some further embodiments, the control circuit 101 could resume to normal operation as a slave control circuit, if the fault condition disappears later on. In step S125, whether a second pulse is detected on a phase input signal (e.g. Take2) of a slave control circuit (e.g. the control circuit 102) is determined. If yes, the process will go to step S126. In step S126, the control circuit 102, which has detected a second pulse at its phase input signal Take2, is changed into a mater control circuit to provide the phase control signal Set at its first terminal. Through the aforementioned procedure, the multiphase switching converter 100 could work normally even if the master control circuit fails. Embodiments of the present invention will be further illustrated in conjunction with working waveforms. People of ordinary skills in the art could realize, however, that these waveforms are only used for exemplary purpose, rather than for limiting the present invention. Taking a dual-phase switching converter (N=2) as an example, as shown in At t1, the control circuit 101 detects a fault condition, and then changes into a slave control circuit and generates a second pulse with a pulse amplitude of vp2 on its phase output signal Pass1. In some embodiments, vp1 is about 3.3V and vp2 is about 1.5V. The control circuit 102 detects a second pulse on its phase input signal Take2 based on the pulse amplitude, and then changes into a master control circuit to provide the phase control signal Set at its first terminal. In some embodiments, a voltage level between a threshold voltage Vth1 (e.g. 2V) and a power supply voltage Vcc (e.g. 3.3V) is considered as a logical high level (“1”), a voltage level between zero voltage (0 V) and a threshold voltage Vth2 (e.g. 1V) is considered as a logical low level (“0”), and a voltage level between the threshold voltage Vth2 and Vth1 is considered as an intermediate level. The first pulse is switched between a low level and a high level, and the second pulse is switched between a low level and an intermediate level. The control circuit will determine that a second pulse has been detected, if an intermediate level is discovered on its phase input signal. After the second pulse ends, the control circuit 101 changes its phase output signal Pass1 to be equal to the phase input signal Take1, until it exits the fault condition at t2. After t2, the dual-phase switching converter resumes to normal operation. However, at this time, the control circuit 101 is a slave control circuit, and the control circuit 102 is a master control circuit. In the embodiments of The foregoing fault condition may include one or more of over voltage, over current, over temperature, under voltage, and transistor failure of the control circuit or its corresponding switching circuit. In order to prevent false triggering, in some cases, only after the aforementioned fault condition occurs for several times or lasts for a period of time, could the fault be determined as being detected and the corresponding fault protection be conducted. In addition, the master control circuit does not necessarily switch to a slave control circuit and generate a second pulse immediately after a fault condition is detected. The master-to-slave switching and second pulse generation could be performed after other protection actions are completed or after a certain delay. Similarly, the slave control circuit does not necessarily switch to a master control circuit immediately after detecting a second pulse at its phase input signal, nor necessarily start to generate the phase control signal immediately after becoming a master control circuit. There may be delay between these actions. In some embodiments, when the control circuit is set as a mater control circuit, in addition to generating the phase control signal Set, it can also communicate with a host controller through a communication bus to receive commands from the host controller, and feedback working states of the multiphase switching converter to the host controller. Moreover, the master control circuit can further be responsible for managing the start-up, shutdown and protection of the entire multiphase switching converter, and monitoring whether there exists a fault condition in all the slave control circuits. In some embodiments, if the control circuit 102 is also in a fault condition when it detects a second pulse on the phase input signal Take2, it will remain as a slave control circuit, instead of changing into a master control circuit. At this time, the second pulse on the phase input signal Take2 is transferred to the phase output signal Pass2. If the control circuit 103 detects a second pulse on its phase input signal Take3 and the control circuit itself is not in a fault condition, the control circuit 103 will change into a master control circuit and provide the phase control signal Set at its first terminal. The master control unit is used to generate the phase control signal Set. The fault detection circuit 2034 is configured to determine whether a fault condition has occurred in the control IC 230A, and generate a fault detection signal FAULT. The master slave determination circuit 2030 is coupled to the pin TAKE and the fault detection circuit 2034. Based on the phase input signal Take and the fault detection signal FAULT, the master slave determination circuit 2030 determines whether the control IC 230A should be set as a master control IC or a slave control IC, and generates a master slave determination signal MS for controlling the master control unit. The switch control circuit 2033 is coupled to the pins SET and TAKE, the fault detection circuit 2034 and the master slave determination circuit 2030, and is configured to generate a switch control signal PWM and the phase output signal Pass based on the phase control signal Set, phase input signal Take, fault detection signal FAULT and master slave determination signal MS. In one embodiment, the master control unit includes a turn-on signal generator 2031, a signal modulator 2032 and a switch 51. The turn-on signal generator 2031 is configured to generate a turn-on control signal Set_ana. The signal modulator 2032 is coupled to the turn-on signal generator 2031, and configured to generate a preprocess signal Set_out based on the turn-on control signal Set_ana. The switch 51 has a first terminal, a second terminal and a control terminal, wherein the first terminal is coupled to the signal modulator 2032 to receive the preprocess signal Set_out, the second terminal is coupled to pin SET, and the control terminal is coupled to the master slave determination circuit 2030 to receive the master slave determination signal MS. In step S240, the control IC 230A is powered on, and starts to work. In step S241, it is determined whether the control IC 230A is initially configured as a master control IC or a slave control IC. If the control IC 230A is initially configured as a master control IC, the process will proceed to step S242. As a master control IC, the master control unit of the control IC 230A will be responsible for providing the phase control signal Set to the pin SET. If the control IC 230A is initially set as a slave control IC, the process will proceed to step S248. In one embodiment, the control IC 230A further includes a pull-down resistor R1 coupled between the pin PASS and a reference ground. In a daisy chain architecture, the control IC 230A can be initially configured as a master control IC by connecting the pin TAKE to a power supply voltage through an external pull-up resistor. Alternatively, without such an external pull-up resistor connected to pin TAKE, the control IC 230A is configured as a slave control IC. When the control IC 230A is just powered on, it will set the pin PASS to a high-impedance state for a period of time. And during this time period, the master slave determination circuit 2030 monitors the voltage at the pin TAKE to determine whether the control IC is configured as a master control IC or a slave control IC. If the voltage at the pin TAKE is high, the control IC is initially configured as a master control IC, else if the voltage at the pin TAKE is low, the control IC is initially configured as a slave control IC. In some other embodiments, the initial master-slave setting can also be achieved by adjusting the voltage, current, or resistance of other specific pins. In step S242, it is determined whether the fault detection circuit 2034 has detected a fault condition, and if so, proceed to step S243, otherwise, proceed to step S247. In step S243, the control IC 230A changes into a slave control IC, and its master control unit stops providing the phase control signal Set to the pin SET. In step S244, the control IC 230A generates a second pulse on the phase output signal Pass. In step S245, the phase output signal Pass is set to be equal to the phase input signal Take. A person skilled in the art could understand that there is not necessarily a chronological relationship between steps S243 and S244, thus they may be performed at the same time, or one may precede the other. It should also be noted that these two steps do not have to be performed immediately after a fault condition of the control IC is detected. In step S246, it is determined whether the fault condition has disappeared. If yes, the process will proceed to step S247. In step S247, the control IC 230A operates normally, and generates the switch control signal PWM, and the phase output signal Pass with the first pulse according to the phase control signal Set and the phase input signal Take. In step S248, it is determined whether the fault detection circuit 2034 has detected a fault condition, and if so, the process will proceed to step S249. If not, the process will proceed to step S251. In step S249, the phase output signal Pass is set to be equal to the phase input signal Take. In step S250, it is determined whether the fault condition has disappeared. If yes, the process will proceed to step S247. In step S251, it is determined whether a second pulse is detected on the phase input signal Take. If yes, proceed to step S252. Otherwise, proceed to step S247. In step S252, the control IC 230A changes into a master control IC, and its master control unit provides a phase control signal Set to the pin SET. Afterwards, the process proceeds to step S247. The switch control generator 2336 generates the switch control signal PWM based on the signal PWM_Normal and the fault detection signal FAULT. Under normal operation, the switch control signal PWM is equal to PWM_Normal. In some embodiment, if a fault condition is detected by the fault detection circuit 2034, the switch control signal PWM will be set to a high impedance state, so the power unit is disabled, and both the transistors HS and LS are off. The phase output generator 2337 generates the phase output signal Pass based on the signal Pass_Normal, phase input signal Take, fault detection signal FAULT and master slave determination signal MS. Under normal operation, the phase output signal Pass is equal to Pass_Normal. If a fault condition is detected by the fault detection circuit 2034 and the control IC 230A is set as a master control IC, the phase output generator 2337 will generate a second pulse at the phase output signal Pass, and then change the phase output signal Pass to be equal to the phase input signal Take. If a fault condition is detected by the fault detection circuit 2034 and the control IC 230A is set as a slave control IC, the phase output generator 2337 will change the phase output signal Pass to be equal to the phase input signal Take. At t4, the control IC 231 detects a fault condition, and therefore becomes a slave control IC. It stops providing the phase control signal Set, and generates a second pulse on its phase output signal Pass1. Compared with the first pulse in normal operation, the second pulse has a different pulse width and a different pulse amplitude. After the second pulse ends, the control IC 231 changes its phase output signal Pass1 to be equal to the phase input signal Take1. The control IC 232 detects the second pulse on its phase input signal Take2, and does not detect a fault condition in itself, so it becomes a master control IC and provides the phase control signal Set from t5. The control IC 232 detects a second pulse on its phase input signal Take2, and does not detect a fault condition in itself. So the control IC 232 changes into a master control IC, and start to provide the phase control signal Set from t8. Although switching circuits are all configured in synchronous BUCK in the foregoing embodiments, it can be understood by those skilled in the art that, the switching circuit can also adopt other topologies, such as asynchronous BUCK, BOOST, BUCK-BOOST, etc. The transistors contained therein could also use other suitable controllable semiconductor transistors, besides MOSFET. These transistors can be discrete devices, or integrated together with the corresponding control circuit and driver circuit. In some applications, inductors and capacitors in switching circuits can also be integrated. Moreover, the switch control circuit can adopt control methods other than the constant on time control. These modifications are easy to be understood by people of ordinary skills in the art, thus do not depart from the scope of the present invention. Moreover, for ease of description, the control circuit in the aforementioned embodiments is divided and illustrated in functional blocks, but this is not used to limit the invention. Some of the blocks in the control circuit may be implemented by discrete devices or ICs, while some blocks may be partially combined and realized by digital signal processing circuits or programmable devices (e.g. PLA, PAL, GAL, EPLD, CPLD, FPGA, etc.). A high impedance state refers to an output state of a digital circuit, which is neither logical high nor logical low. If this high impedance state is provided to a downstream circuit, its voltage level will be wholly determined by the downstream circuit, thus might be any of the logical high, logical low and intermediate levels. In some of the foregoing embodiments, the switch control signal changes to a high impedance state in fault condition. When detecting this high impedance state, the driver circuit turns off transistors in the corresponding switching circuit to stop providing power to the load. People of ordinary skills can recognize that, however, other suitable ways could also be used to disable the corresponding switching circuit. Furthermore, when the switching circuit gets disabled, the transistors in the switching circuit do not have to be turned off simultaneously. For a synchronous BUCK, the high side transistor can be turned off first, and the low side transistor can be turned off later, when a zero cross of inductor current is detected. Obviously many modifications and variations of the present invention are possible in light of the above teachings. It is therefore to be understood that within the scope of the appended claims the invention may be practiced otherwise than as specifically described. It should be understood, of course, the foregoing disclosure relates only to a preferred embodiment (or embodiments) of the invention and that numerous modifications may be made therein without departing from the spirit and the scope of the invention as set forth in the appended claims. Various modifications are contemplated and they obviously will be resorted to by those skilled in the art without departing from the spirit and the scope of the invention as hereinafter defined by the appended claims as only a preferred embodiment(s) thereof has been disclosed.CROSS-REFERENCE TO RELATED APPLICATIONS
TECHNICAL FIELD
BACKGROUND
SUMMARY
BRIEF DESCRIPTION OF THE DRAWING
DETAILED DESCRIPTION