заявка
№ SU 253416
МПК G06G7/62

Электромоделирующий стенд для исследования и доводки многоконтурных систем регулирования турбореактивных двигателей

Авторы:
Коротков Ф.А. Рудыко В.И. Жаров В.И.
Все (4)
Номер заявки
1222675/18-24
Дата подачи заявки
29.02.1968
Опубликовано
30.09.1969
Страна
SU
Как управлять
интеллектуальной собственностью
Чертежи 
1
Реферат

[26]

Формула изобретения

Описание

[1]

Изобретение относится к области проектирования моделирующих стендов, предназначенных для исследования и испытания топливорегулирующей аппаратуры турбореактивных двигателей (ТРД).

[2]

Известны электромоделирующие стенды для исследования и доводки многоконтурных систем регулирования турбореактивных двигателей , содержащие электронную модель объекта регулирования, преобразователи и два автономных электропривода, каждый из которых соединен с электронной моделью объекта регулирования при помощи автономной системы управления.

[3]

Известны также электромоделирующие стенды, в которых для повышения их универсальности между электронной моделью объекта регулирования и преобразователями вкл Очен коммутатор.

[4]

Предлагаемый стенд отличается тем, что в него дополнительно введен имитатор давлений в основной и форсажной камерах сгорания с двумя входами, к первому из которых подключен контур высокого давления исследуемой системы регулирования, а ко второму - вычислительное устройство.

[5]

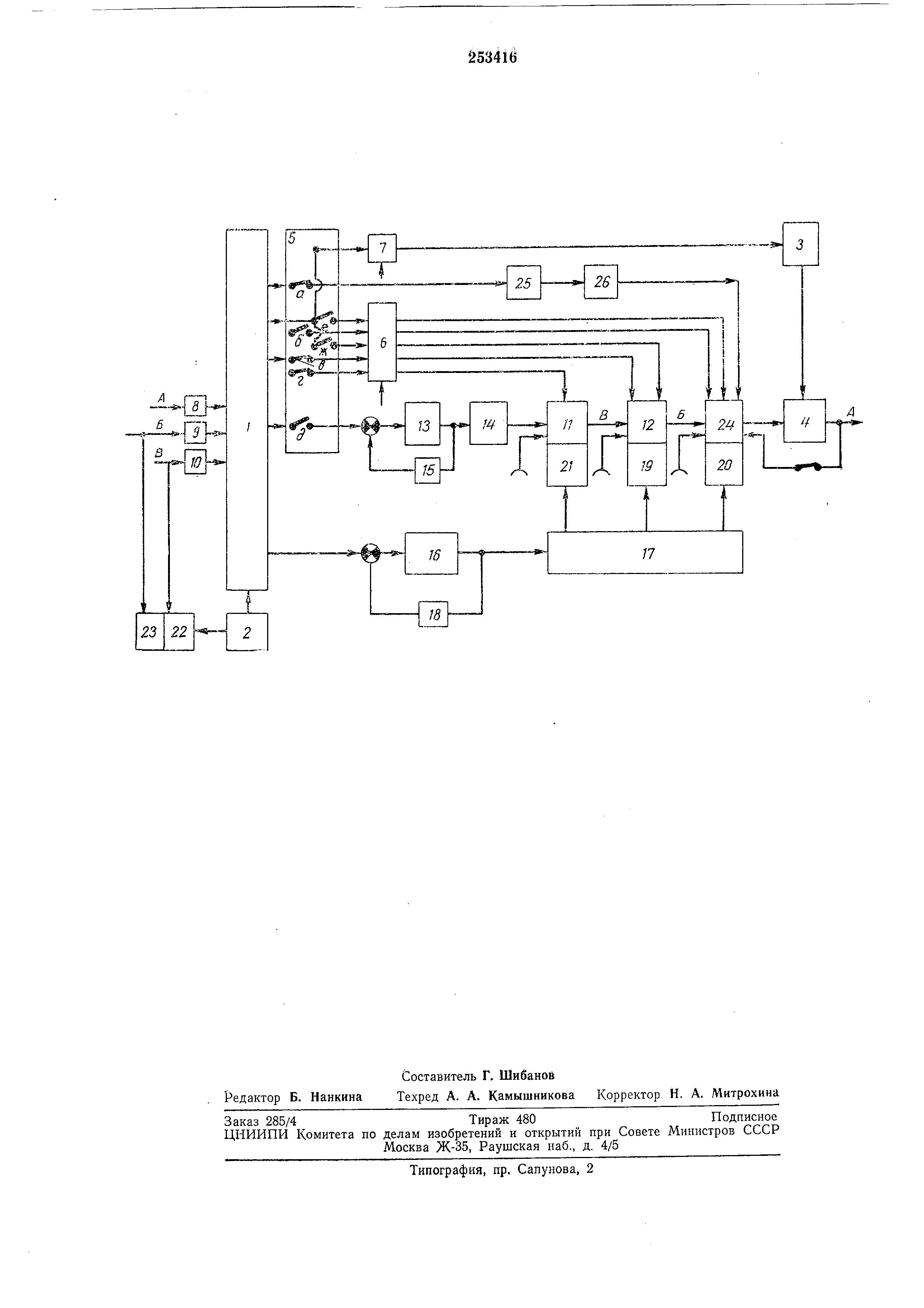
На чертеже представлена функциональная схема предложенного стенда,

[6]

где: / - электронная модель объекта регулирования (ТРД); 2 - вычислительное устройство; 3 - гидроцилиндр загрузки; 4 - гидравлический имитатор гидроцилиндров сопла; 5 - коммутатор; 6-10 - датчики-преобразователи для стыковки вычислительных устройств с реальными агрегатами; 11 - основной регулятор (регулятор числа оборотов); 12 - регулятор форсажа; 13 - электропривод с редуктором 14 и тахометрическим датчиком 15; 16 - электропривод с редуктором /7 и тахометрическим датчиком 18; 19, 20,

[7]

21 - качающие узлы; 22, 23 - имитаторы давления в основной и форсал ной камерах сгорания; 24 - регулятор сонла; 25 - регулятор температуры с исполнительным механизмом 26.

[8]

Коммутатор 5 обеспечивает возможность испытания систем регулирования двигателей, регулируемых но различным законам: разгон двигателя по давлению воздуха за компрессором или по давлению воздуха за компрсссором и числу оборотов, регулирование температуры или степени расщирения газа с воздействием регулятора на реактивное сопло, дозирование форсал ного топлива по давлению воздуха за компрессором, или регулирование

[9]

ствием регулятора на подачу форсажного топлива и др.

[10]

Электронная модель / объекта регулирования выдает пять сигналов.

[11]

Первый электрический сигнал, соответствующий напряжению с датчика температуры газа ТРД, поступает через переключатель с коммутатора 5 в температурный регулятор 25, который с помощью якёря электромагнитного исполнительного механизма 26 воздействует на гидравлический фёгулятор 24 сопла.

[12]

Второй электрический сигнал, соответствующий давлению газа за турбиной ТРД, преобразуется датчиком-преобразователем 7 в давление топлива, поступающего в гидро.цилиндр 3, создающий нагрузку на имитаторе 4 гидроцилиндров реактивного сопла ТРД; тот же сигнал в зависимости от положения переключателей е, ж коммутатора 5 через блок электропневматических датчиков поступает в виде давления воздуха в регулятор форсажа 12 и в регулятор 24 реактивного сопла.

[13]

Третий электрический сигнал, соответствующий давлению воздуха за компрессором ТРД, в зависимости от положения переключателей б, в, г коммутатора 5 через блок электропневматических датчиков поступает в виде давления воздуха в основной регулятор 11, в регулятор форсажа 12 и регулятор 24 реактивного сопла.

[14]

Четвертый электрический сигнал, соответствующий числу оборотов одного из роторов ТРД, при замкнутом переключателе д коммутатора 5 суммируется с сигналом с тахометрического датчика 15 и поступает на электропривод 13. На редуктор 14 электропривода 13 устанавливается регулятор 11 числа оборотов.

[15]

Пятый электрический сигнал, соответствующий числу оборотов второго ротора ТРД, суммируется с сигналом с тахометрического датчика 18 и поступает на электропривод 16. На редуктор 17 электропривода 16 устанавливаются насос 21, качающий основное топливо , форсажный насос 19, насос 20 высокого давления и в случае отсутствия связи (переключатель д коммутатора 5) - регулятор // числа оборотов.

[16]

Регулятор // в соответствии с настройкой, числом оборотов выходного вала редуктора 14 и давлением воздуха, поступающего от преобразователей 6, дозирует топливо, поступающее из качающего узла 21. Расход топлива (на схеме сигнал В) преобразуется датчиком-преобразователем 10 в электрический сигнал, поступающий в модель / объекта регулирования . Топливо из регулятора // поступает через имитатор форсунок и имитатор 22 давления в основной камере сгорания, управляемый вычислительным устройством 2, в сливной бак или на вход качающего узла 21.

[17]

Регулятор 12 в соответствии с настройкой, числом оборотов соответствующего выходного вала редуктора 17 и давлениями воздуха, поступающего от преобразователей 6, дозирует топливо, поступающее из качающего узла 19. Расход топлива (на схеме сигнал Б) преобразуется датчиком-преобразователем 9 в электрический сигнал, поступающий в модель / объекта регулирования. Топливо из регулятора 12 поступает через имитатор форсунок и имитатор 23 давления в форсажной камере сгорания, управляемый вычислительным устройством 2, в сливной бак или на вход качающего узла 19.

[18]

Регулятор 24 в соответствии с настройкой, числом оборотов соответствующего выходного вала редуктора 17, давлениями воздуха, поступающего от преобразователей 6, или сигналом , поступающим от регулятора температуры 25 через электромагнитный исполнительный механизм 26, и сигналом обратной связи с имитатора 4 гидроцилиндров реактивного

[19]

сопла дозирует топливо, поступающее из качающего узла 20, и подает его в имитатор 4 гидроцилиндров. Имитатор 4 находится под нагрузкой со стороны гидроцилиндра 3 загрузки и перемещается со скоростью, зависящей от расхода, поступающего через регулятор 24. Перемещение (на схеме сигнал А) имитатора 4 преобразуется датчиком-преобразователем 5 в электрический сигнал, поступающий в электронную модель 1 объекта регулирования .

[20]

Реализация предлагаемого электромоделирующего устройства значительно расщиряет возможности безмоторной доводки многоконтурных систем регулирования современных

[21]

ТРД.

[22]

Предмет изобретения

[23]

Электромоделирующий стенд для исследования и доводки многоконтурных систем регулирования турбореактивных двигателей, содержащий электронную модель объекта регулирования , коммутатор, преобразователи и два автономных электропривода, каждый из

[24]

которых соединен с электронной моделью объекта регулирования при помощи автономной системы управления, отличающийся тем, что, с целью получения на модели характеристик систем регулирования, близких к реальным во

[25]

всем диапазоне условий их эксплуатации, в него дополнительно введен имитатор давлений в основной и форсажной камерах сгорания с двумя входами, к первому из которых подключен контур высокого давления исследуемой системы регулирования, а ко второму -вычислительное устройство.

Как компенсировать расходы
на инновационную разработку
Похожие патенты