патент
№ RU 90238
МПК G06F17/00

ИНФОРМАЦИОННАЯ СИСТЕМА МОНИТОРИНГА ОКРУЖАЮЩЕЙ СРЕДЫ И ОПОВЕЩЕНИЯ О ЛОКАЛЬНЫХ ЭКОЛОГИЧЕСКИХ НАРУШЕНИЯХ

Авторы:
Панфилов Антон Владимирович
Номер заявки
2009136523/22
Дата подачи заявки
05.10.2009
Опубликовано
27.12.2009
Страна
RU
Как управлять
интеллектуальной собственностью
Чертежи 
1
Реферат

Информационная система мониторинга окружающей среды и оповещения о локальных экологических нарушениях, содержащая подвижные и стационарные объекты, центр обработки информации, сервер хранения информации, устройство отображения информации, при этом первый и второй входы-выходы центра обработки информации соединены, соответственно, с входом-выходом устройства отображения и с входом-выходом сервера хранения информации, а в каждом из подвижных и стационарных объектов размещены индивидуальный навигационный блок, исполнительное устройство отображения, вход которого соединен с входом индивидуального навигационного блока, и бортовой компьютер, первый вход-выход которого соединен с входом-выходом исполнительного устройства отображения, а второй вход-выход соединен с третьим входом-выходом центра обработки информации, отличающаяся тем, что введено устройство экспертной оценки и формирования базы знаний, вход-выход которого соединен с четвертым входом-выходом центра обработки информации, а в каждый из подвижных и стационарных объектов для придания им функции локального мониторинга окружающей среды введена группа датчиков экологического состояния окружающей среды, вход-выход которой соединен с третьим входом-выходом бортового компьютера.

Формула изобретения

Информационная система мониторинга окружающей среды и оповещения о локальных экологических нарушениях, содержащая подвижные и стационарные объекты, центр обработки информации, сервер хранения информации, устройство отображения информации, при этом первый и второй входы-выходы центра обработки информации соединены, соответственно, с входом-выходом устройства отображения и с входом-выходом сервера хранения информации, а в каждом из подвижных и стационарных объектов размещены индивидуальный навигационный блок, исполнительное устройство отображения, вход которого соединен с входом индивидуального навигационного блока, и бортовой компьютер, первый вход-выход которого соединен с входом-выходом исполнительного устройства отображения, а второй вход-выход соединен с третьим входом-выходом центра обработки информации, отличающаяся тем, что введено устройство экспертной оценки и формирования базы знаний, вход-выход которого соединен с четвертым входом-выходом центра обработки информации, а в каждый из подвижных и стационарных объектов для придания им функции локального мониторинга окружающей среды введена группа датчиков экологического состояния окружающей среды, вход-выход которой соединен с третьим входом-выходом бортового компьютера.

Описание

[1]

Полезная модель относится к области цифровой обработки и передачи данных и может быть использована в качестве информационной системы мониторинга окружающей среды и оповещения о локальных экологических нарушениях

[2]

Известна система обработки информации, содержащая устройство обработки информации, включающее элементы идентифицирующей информации, средство вывода идентифицирующей информации, средство сравнения, средство избирательного приема, а также первое и второе средство обработки данных с соответствующими связями [RU, 2236703, С2, G06F 19/00, 20.09.2004].

[3]

Недостатком этого технического решения являются относительно узкие функциональные возможности, поскольку устройство позволяет осуществлять коммутацию информации, но не позволяет осуществлять мониторинг окружающей среды и оповещение о локальных экологических нарушениях.

[4]

Известна также система, содержащая, по меньшей мере, одно устройство предоставления идентификационных кодов, по меньшей мере, одно устройство формирования запросов и приема ответов на запросы, по меньшей мере, одно исполнительное устройство для осуществления операции предоставления услуги пользователю, соединенное с устройством формирования запросов и приема ответов на запросы, центральное устройство управления, включающее в себя устройство запросов и формирования ответов на запросы, связанное с первым и вторыми портами центрального устройства управления для подключения к каналам связи, устройство формирования идентификационных кодов услуг, соединенное с устройством приема запросов и формирования ответов на запросы, устройство памяти для хранения идентификационных кодов товаров или услуг, соединенное с устройством приема запросов и формирования ответов на запросы и с устройством формирования идентификационных кодов, при этом, упомянутое по меньшей мере одно устройство предоставления идентификационных кодов соединено каналом связи с первым портом центрального устройства управления, а упомянутое по меньшей мере одно устройство формирования запросов и приема ответов на запросы соединено каналом связи со которым портом центрального устройства управления [RU, 2162245, C1, G06F 19/00, 2000].

[5]

Недостатком этого технического решения также являются относительно узкие функциональные возможности, поскольку система позволяет коммутировать и отображать на экране персонального компьютера информационные потоки, но не позволяет осуществлять мониторинг окружающей среды и оповещение о локальных экологических нарушениях.

[6]

Кроме указанных выше, известна также система, содержащая исполнительные устройства отображения, сервер управления, сервер хранения информации, коллектор-сервер, первый вход-выход которого соединен с входами-выходами источников информации, а второй вход-выход - соединен с входом-выходом сервера управления, сервер трансформации, первый вход-выход которого соединен с третьим входом-выходом коллектор-сервера, а второй вход-выход - соединен с первым входом-выходом сервера хранения информации, сервер подписок, первый вход-выход которого соединен с четвертым входом-выходом коллектор-сервера, и сервер синхронизации, первый вход-выход которого соединен со вторым входом-выходом сервера хранения информации, второй вход-выход - соединен со вторым входом-выходом сервера подписок, а третий вход-выход - соединен с входами-выходами исполнительных устройств отображения [RU, 57032, U1, G06F 17/00, 27.09.2006].

[7]

Этому техническому решению также присущи относительно узкие функциональные возможности, поскольку система позволяет коммутировать и отображать на экране персонального компьютера информационные потоки, но не позволяет осуществлять мониторинг окружающей среды и оповещение о локальных экологических нарушениях.

[8]

Наиболее близким по технической сущности к предлагаемому является комплексная система мониторинга и безопасности подвижных и стационарных объектов, содержащая центр обработки информации, сервер хранения информации и устройство отображения информации, при этом, первый и второй входы-выходы центра обработки информации соединены, соответственно, с входом-выходом устройства отображения и с входом-выходом сервера хранения информации, а также размещенные на каждом из объектов индивидуальный навигационный блок, исполнительное устройство отображения, вход которого соединен с входом индивидуального навигационного блока, и бортовой компьютер, первый вход-выход которого соединен с входом-выходом исполнительного устройства отображения, а второй вход-выход - соединен с третьим входом-выходом центра обработки информации [RU 85246, U1, G06F 17/00, 27.07.2009].

[9]

Недостатком наиболее близкого технического решения является относительно узкие функциональные возможности, поскольку, хотя система и позволяет идентифицировать мобильные объекты и централизованно отображать их функциональное состояние и пространственное положение, но не позволяет осуществлять мониторинг окружающей среды и оповещение о локальных экологических нарушениях.

[10]

Требуемый технический результат заключается в расширении функциональных возможностей.

[11]

Требуемый технический результат достигается тем, что, в систему, содержащую объекты, центр обработки информации, сервер хранения информации, устройство отображения информации, при этом, первый и второй входы-выходы центра обработки информации соединены, соответственно, с входом-выходом устройства отображения и с входом-выходом сервера хранения информации, а в каждом из объектов размещены индивидуальный навигационный блок, исполнительное устройство отображения, вход которого соединен с входом индивидуального навигационного блока, и бортовой компьютер, первый вход-выход которого соединен с входом-выходом исполнительного устройства отображения, а второй вход-выход - соединен с третьим входом-выходом центра обработки информации, введено устройство экспертной оценки и формирования базы знаний, вход-выход которого соединен с четвертым входом-выходом центра обработки информации, а в каждый из объектов для придания им функции локального мониторинга окружающей среды введена группа датчиков экологического состояния окружающей среды, вход-выход которой соединен с третьим входом-выходом бортового компьютера.

[12]

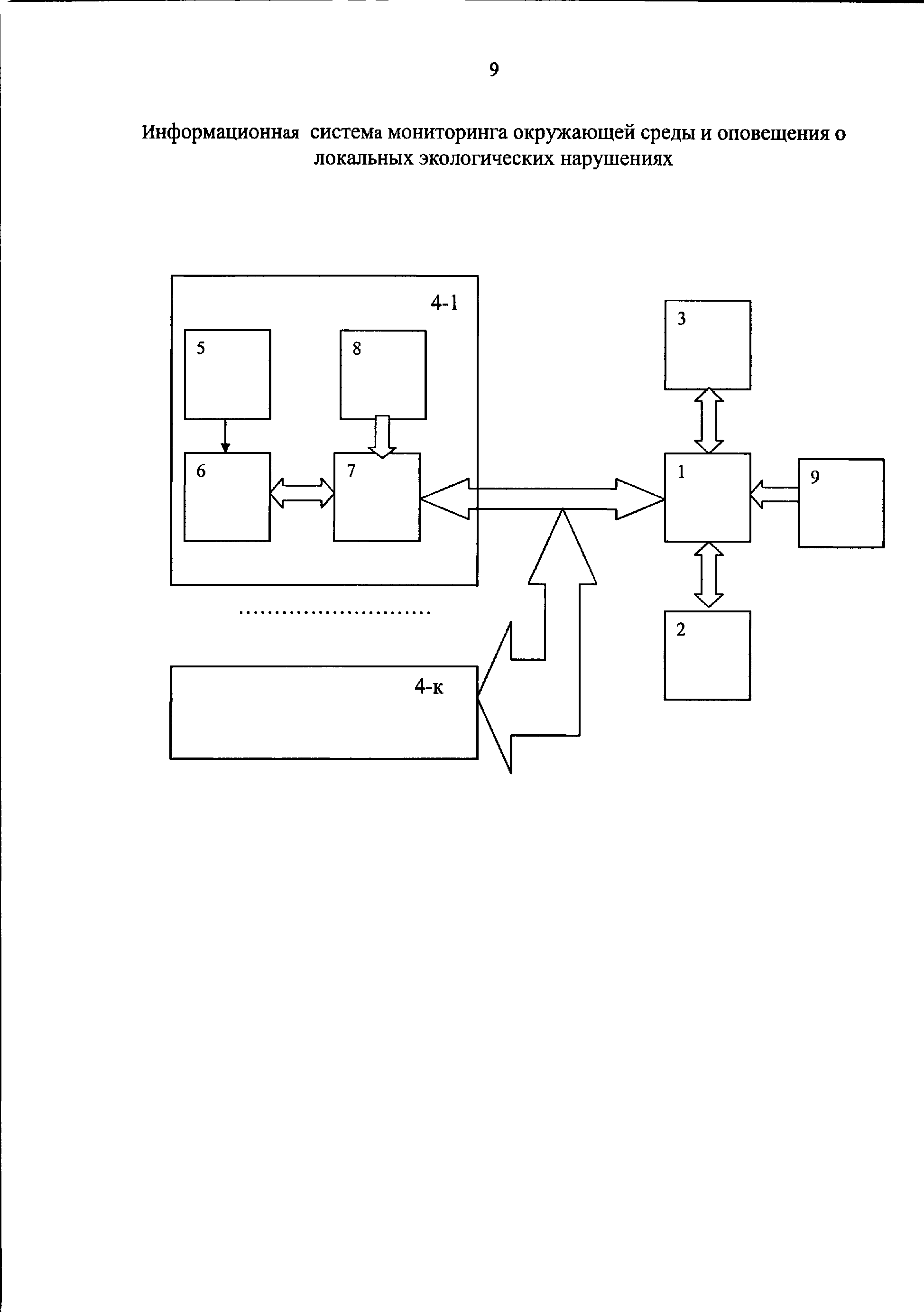
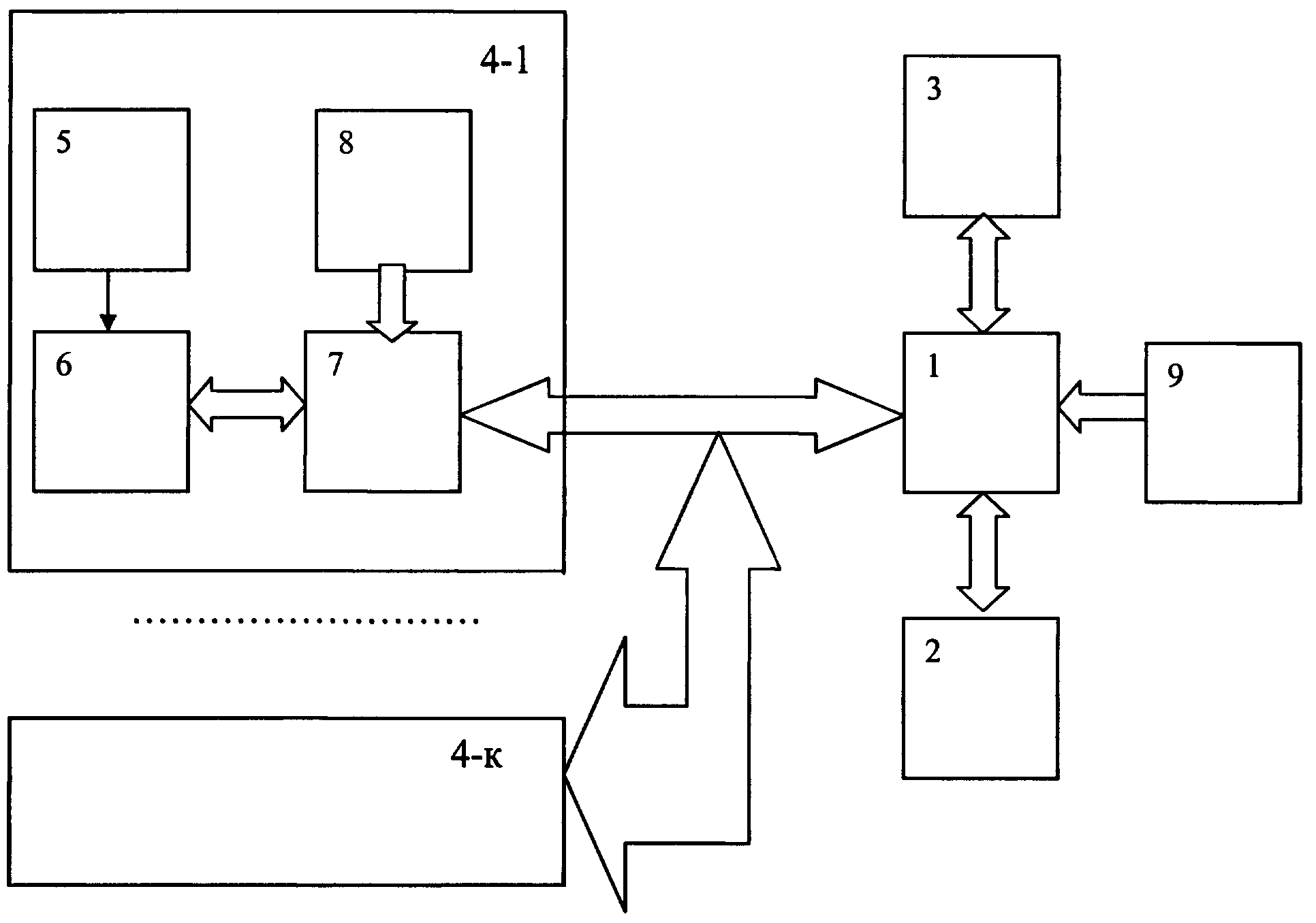
На чертеже представлена функциональная схема автоматизированной системы мониторинга окружающей среды и оповещения о локальных нарушениях.

[13]

Информационная система мониторинга окружающей среды и оповещения о локальных экологических нарушениях содержит центр 1 обработки информации, сервер 2 хранения информации и устройство 3 отображения информации, причем, первый и второй входы-выходы центра 1 обработки информации соединены, соответственно, с входом-выходом устройства 3 отображения и с входом-выходом сервера 2 хранения информации.

[14]

Кроме того, информационная система мониторинга окружающей среды и оповещения о локальных экологических нарушениях содержит объекты 4-1…4-к, которые могут быть как подвижными, так и стационарными, и на каждом из которых размещены индивидуальный навигационный блок 5, исполнительное устройство 6 отображения, вход которого соединен с входом индивидуального навигационного блока 5, бортовой компьютер 7, первый вход-выход которого соединен с входом выходом исполнительного устройства 6 отображения, а второй вход-выход - соединен с третьим входом-выходом центра 1 обработки информации.

[15]

На каждом из объектов 4-1…4-к для придания им функции локального мониторинга окружающей среды размещена также группа 8 датчиков экологического состояния окружающей среды, вход-выход которой соединен с третьим входом-выходом бортового компьютера 7.

[16]

Информационная система мониторинга окружающей среды и оповещения о локальных экологических нарушениях содержит также устройство 9 экспертной оценки и формирования базы знаний, вход-выход которого соединен с четвертым входом-выходом центра 1 обработки информации,

[17]

Центр 1 обработки информации, сервер 2 хранения информации и устройство 9 экспертной оценки и формирования базы знаний могут быть выполнены в виде стандартных серверов. Устройство 3 отображения информации выполняет функции отображения и оповещения населения и государственных структур. В нем используется интеграция всех доступных каналов связи, в том числе, общественной инфраструктуры (уличные рекламные табло, информационные киоски и т.п.) и персональных средств связи (мобильные телефоны, персональные компьютеры, мониторы…). Предполагается, что оповещения на графических терминалах выводятся в среде геоинформационной системы (ГИС) с указанием уровня опасности в виде зрительно понятных атракторов внимания, например карта ландшафта с объемной картинкой градиента радиоактивного или химического заражения.

[18]

Индивидуальный навигационный блок 5 может быть выполнен в виде приемника навигационных сигналов, например, в виде GPS-приемника, исполнительное устройство 6 отображения в виде монитора, бортовой компьютер 7 - в виде малогабаритного компьютера. Бортовой компьютер 7 соединен со считывающим устройством, например, бесконтактным считывающим устройством со смарт-карт водителя (на чертеже не показано) или выполнении в едином корпусе со считывающим устройством. Группа 8 датчиков экологического состояния окружающей среды может быть выполнена в виде радиационных, химических и т.п. датчиков с цифровым выходом.

[19]

Поскольку система содержит элементы, охарактеризованные на функциональном уровне, и описываемая форма их реализации предполагает использование программируемого (настраиваемого) многофункционального средства, то ниже представляются сведения, подтверждающие возможность выполнения таким средством конкретной предписываемой ему в составе данного устройства функции.

[20]

Информационная система мониторинга окружающей среды и оповещения о локальных экологических нарушениях работает следующим образом.

[21]

Размещенные на каждом из объектов 4-1…4-к индивидуальные навигационные блоки передают информацию в соответствующее исполнительное устройство 6 отображения для визуализации положения объекта на карте местности, формируемой бортовым компьютером 7.

[22]

Соединение бортового компьютера 7 каждого объекта 4-1…4-к с центром обработки информации позволяет отразить все мобильные и стационарные объекты на устройстве отображения 3, передать через Интернет их координаты другим потребителям информации, а также хранить информацию о перемещении подвижных объектов в сервере 2 хранения информации на заданном интервале времени.

[23]

Кроме того, бортовой компьютер 7, к которому подключены цифровые выхода датчиков группы 8 датчиков экологического состояния окружающей среды позволяет производить мониторинг окружающей среды в локальной области нахождения объектов 4-1…4-к. Эта информация также передается в центр 1 обработки информации.

[24]

В центре 1 обработки информации осуществляется сбор информации, ее структурирование, формирование баз-знаний, экспертная надстройка для работы с потоками данных периферийной сети в реальном времени. Обработанная таким образом информация в требуемых объемах хранится в сервере 2 хранения информации, а также предается на устройство 3 отображения информации, выполняющее функции системы оповещения о локальных экологических нарушениях. Система оповещений используюет интеграцию всех доступных каналов связи, в том числе общественной инфраструктуры (уличные рекламные табло, киоски и т.п.) и персональных средств связи (мобильные устройства). Оповещение на графических терминалах выводятся в среде пространственной ГИС с указанием уровня опасности в виде зрительно понятных атракторов внимания, например отображается карта местности или ландшафт с объемной картинкой градиента радиоактивного или химического заражения.

[25]

Таким образом, благодаря усовершенствованию известного устройства достигается требуемый технический результат, заключающийся в расширении функциональных возможностей, поскольку обеспечивается мониторинг окружающей среды и оповещение о локальных экологических нарушениях.

Как компенсировать расходы
на инновационную разработку
Похожие патенты