Полезная модель относится к технике противодействия коммерческому и промышленному шпионажу. Техническим результатом является обеспечение надежной защиты несанкционированного прослушивания телефона в режиме удаленного информационного доступа. Технический результат достигается тем, что в устройстве для защиты сотового телефона от несанкционированного прослушивания в режиме удаленного информационного доступа помимо последовательно соединенных антенны, амплитудного детектора, блока анализа протокола взаимодействия сотового телефона с базовой станцией и динамика, источника питания с тактовой кнопкой включения/выключения, индикаторов режима работы и состояния источника питания. Блок анализа протокола взаимодействия сотового телефона с базовой станцией выполнен на базе микроконтроллера, включающего в себя аналого-цифровой преобразователь, микропроцессор, флэш-память программ и программный генератор шума. Техническо-экономическим эффектом полезной модели является обеспечение защиты несанкционированного прослушивания телефона в режиме удаленного информационного доступа путем интеллектуального анализа протокола общения сотового телефона с базовой станцией и включением генератора акустического шума только при передаче речевой информации. Это решение обеспечивает простоту использования и экономное расходование источника питания, что позволяет использовать устройство в переносном варианте.
1. Устройство для защиты сотового телефона от несанкционированного прослушивания в режиме удаленного информационного доступа, содержащее последовательно соединенные антенну, амплитудный детектор, блок анализа протокола взаимодействия сотового телефона с базовой станцией и динамик, а также источник питания с кнопкой включения/выключения и индикаторы режима работы и состояния источника питания. 2. Устройство для защиты сотового телефона от несанкционированного прослушивания в режиме удаленного информационного доступа по п.1, отличающееся тем, что блок анализа протокола взаимодействия сотового телефона с базовой станцией выполнен на базе микроконтроллера, включающего в себя аналого-цифровой преобразователь, микропроцессор, флэш-память программ и программный генератор шума.
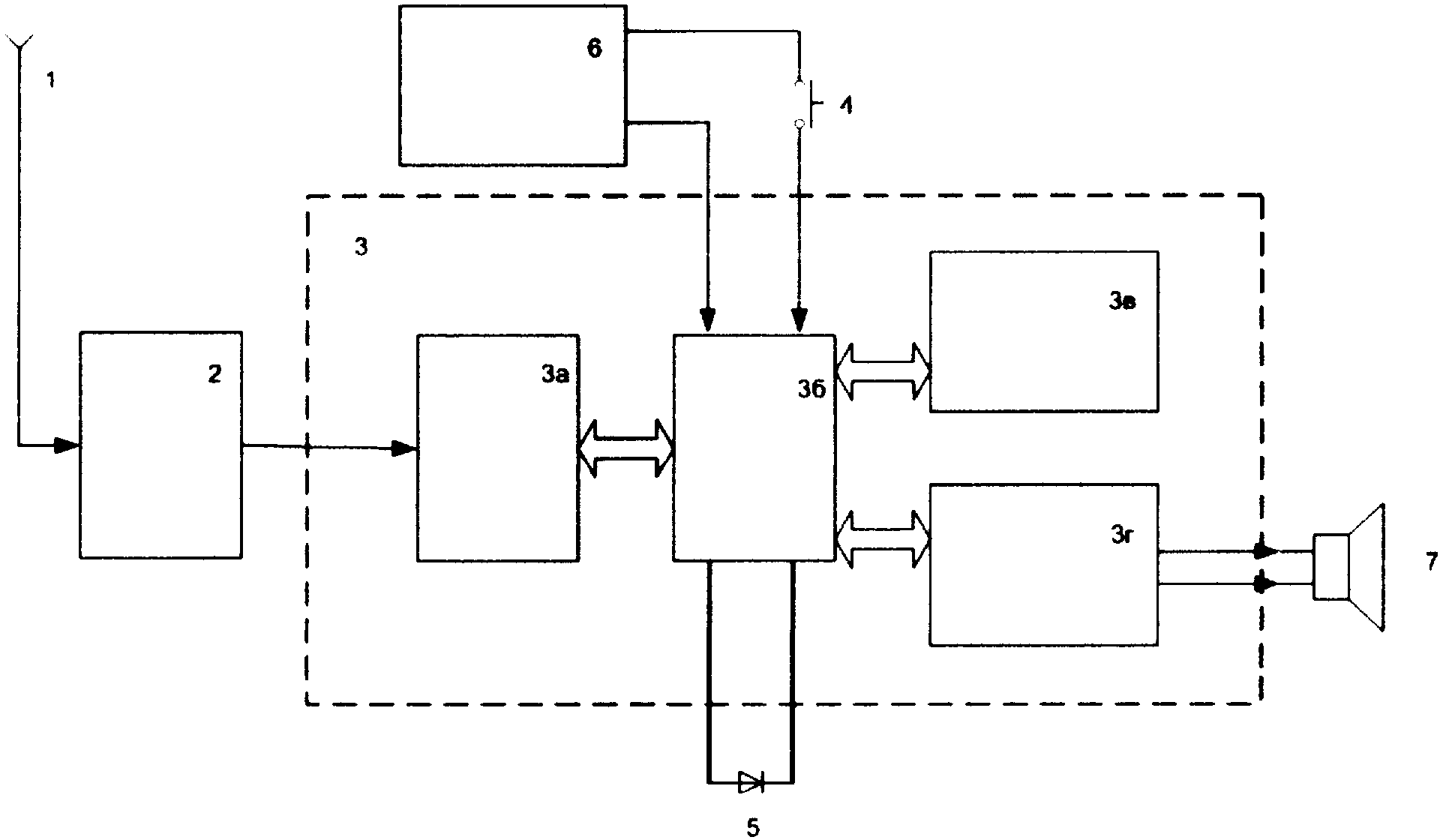
Изобретение относится к технике противодействия коммерческому и промышленному шпионажу. Известно устройство для предотвращения несанкционированного прослушивания переговоров в помещениях с подключенными к абонентской линии связи телефонными аппаратами (см. патент RU 2145153 C1, МПК Н04М 1/68, публикация 27.01.2000), базирующееся на коммутационном органе, предназначенный для разрыва или закорачивания линии в состоянии покоя. Наиболее близким по технической сущности и достигаемому результату является устройство для защиты сотового телефона от несанкционированного прослушивания в режиме удаленного информационного доступа (см. патент №RU 2183914 C1 МПК Н04М 01/68, Н04К 3/00, публикация 20.06.2002), содержащее последовательно включенные управляемый генератор помех звукового диапазона, маскирующий динамик, а также источник питания, подключенный к питающим цепям электронных узлов через выключатель. В устройстве также имеются последовательно включенные вспомогательная антенна, детектор радиоизлучения сотового телефона и вспомогательный микрофон, усилитель и амплитудный детектор. При этом все составные узлы устройства размещены в общем кожухе, который имеет полость для установки сотового телефона для обеспечения коммутации выключателя источника питания под действием силы тяжести телефона. Вспомогательная антенна установлена с возможностью приема в качестве рабочего сигнала излучения сотового телефона при введении его в режим радиопередачи, выходы детектора радиоизлучения сотового телефона и амплитудного детектора соединены соответственно с пусковым и управляющим входами генератора помех, вспомогательный микрофон установлен с возможностью восприятия подвергаемых несанкционированному прослушиванию речевых сигналов, а маскирующий динамик - с возможностью направления сформированного акустического шума в микрофон сотового телефона при его опускании в полость кожуха устройства. Генератор помех выполнен с возможностью генерации "розового" шума в диапазоне частот 300 Гц - 4,5 кГц. На пусковом входе генератора помех установлен шунтирующий электронный ключ, исключающий возбуждение генератора при отсутствии сигнала от детектора радиоизлучения сотового телефона. Маскирующий динамик выполнен с возможностью излучения акустического шума с интенсивностью, пропорциональной уровню сигнала от вспомогательного микрофона, но не менее чем в 5 раз превышающей этот уровень. Одним из недостатков вышеупомянутого изобретения является то, что оно не обеспечивает анализа протокола обмена сотового телефона с базовой станцией. Результатом этого является возможное срабатывание генератора помех не только в режиме передачи речевой информации, но и в режиме передачи служебных команд, что ведет к неэкономному расходованию элементов питания и неудобству в использовании - генератор помех часто включается тогда, когда в нем нет необходимости. Кроме того, наличие механического выключателя, срабатывающего только под действием силы тяжести сотового телефона, не позволяет использовать устройство в переносном варианте. Техническим результатом настоящего устройства является обеспечение надежной защиты от несанкционированного прослушивания в режиме удаленного информационного доступа. Технический результат достигается тем, что в устройстве для защиты сотового телефона от несанкционированного прослушивания в режиме удаленного информационного доступа помимо последовательно соединенных антенны, амплитудного детектора, блока анализа протокола взаимодействия сотового телефона с базовой станцией и динамика, источника питания с тактовой кнопкой включения/выключения, индикаторов режима работы и состояния источника питания. Блок анализа протокола взаимодействия сотового телефона с базовой станцией выполнен на базе микроконтроллера, включающего в себя аналого-цифровой преобразователь (АЦП), микропроцессор, флэш-память программ и программный генератор шума. Сущностью технического решения является применение интеллектуального анализа протокола общения сотового телефона с базовой станцией (блок анализа протокола взаимодействия сотового телефона с базовой станцией) и включение генератора акустического шума только при передаче речевой информации, что обеспечивает надежность защиты, простоту использования, экономное расходование элемента питания и возможность использования в переносном варианте. Блок анализа протокола взаимодействия сотового телефона с базовой станцией, генератор шума и управление питанием реализованы на микроконтроллере Microchip PIC16F676 с использованием соответствующей авторской программы обработки и управления. Для питания устройства применяется дисковый литиевый элемент. Ввиду отсутствия механических коммутаторов питания и экономного расхода элемента питания, устройство может быть использовано в переносном варианте. Сравнение предлагаемого решения с известными техническими решениями показывает, что оно обладает новой совокупностью существенных признаков, которые совместно с известными признаками позволяют успешно реализовать поставленную цель создания компактного, эффективного и экономичного устройства защиты для использования в переносном варианте. На фиг.1 приведена функциональная схема предлагаемого технического решения. Устройство содержит: 1 - антенна на диапазон сотовых телефонов стандарта CDMA/GSM/3G. 2 - амплитудный детектор. 3 - блок анализа протокола взаимодействия сотового телефона с базовой станцией, выполненный на базе микроконтроллера, включающего: 3а - АЦП, 3б - микропроцессор, 3в - флэш-память программ, 3г - программный генератор акустического шума. 4 - тактовая кнопка включения/выключения. 5 - индикаторы режима работы и состояния источника питания. 6 - источник питания. 7 - динамик. Устройство работает следующим образом: Устройство имеет два режима работы: спящий режим и режим защиты. В спящем режиме устройство потребляет крайне малый ток и ресурс работы элемента питания в этом режиме практически не ограничен. Переключение между режимами осуществляется кратковременным нажатием тактовой кнопки (4). В режиме защиты, устройство осуществляет постоянный мониторинг радиоэфира в "ближней" зоне (до 0,2 м) и при появлении сигнала, похожего на сигнал передачи речевой информации по каналу сотовой связи от сотового телефона к базовой станции, активизирует программу генератора акустического шума (3г). Шум через динамик (7) подается на микрофонный вход сотового телефона, блокируя утечку какой-либо речевой информации. Сигнал со встроенной антенны 1 поступает на амплитудный детектор 2 и далее на блок анализа протокола 3, выполненного на базе микроконтроллера. Микроконтроллер работает в соответствии с программой, записанной в флэш-памяти 3в. Сигнал оцифровывается при помощи встроенного АЦП 3а и сравнивается с эталонным. При достаточной степени совпадения, микроконтроллер принимает решение на включение генератора акустического шума 3г. Техническо-экономическим эффектом полезной модели является обеспечение защиты несанкционированного прослушивания телефона в режиме удаленного информационного доступа путем интеллектуального анализа протокола общения сотового телефона с базовой станцией и включением генератора акустического шума только при передаче речевой информации. Это решение обеспечивает простоту использования и экономное расходование источника питания, что позволяет использовать устройство в переносном варианте.