Полезная модель касается установок разделения газов пиролиза углеводородного сырья, а именно относится к блоку разделения и очистки пропан-пропиленовой фракции (ППФ). Блок разделения и очистки ППФ пиролиза углеводородного сырья состоит из реактора гидрирования для очистки от метилацетилена и пропадиена и ректификационной колонны для разделения пропилена и пропана, и отличается тем, что дополнительно включает последовательно расположенные между реактором гидрирования и ректификационной колонной для разделения пропилена и пропана: насадочную абсорбционную колонну, снабженную в нижней части паровым подогревателем, с линией отвода «зеленого масла» с низа колонны, адсорбер влаги, водяной конденсатор, емкость для сбора ППФ, снабженную пропиленовым конденсатором для удаления несконденсированных легких углеводородов, насос ППФ и колонну вторичной деэтанизации, причем от насоса ППФ идут две линии, первая - в середину колонны вторичной деэтанизации, и вторая - для подачи части пропан-пропиленовой фракции в качестве флегмы в верхнюю часть насадочной абсорбционной колонны. Предложенная полезная модель позволяет повысить рентабельность производства за счет более рационального использования выделенного пропана в качестве автомобильного топлива при соответствии показателю - «отсутствие тяжелого остатка» по ГОСТ 27578-87 «Газ углеводородный сжиженный для автомобильного транспорта».
Блок разделения и очистки пропан-пропиленовой фракции пиролиза углеводородного сырья, состоящий из реактора гидрирования для очистки от метилацетилена и пропадиена и ректификационной колонны для разделения пропилена и пропана, отличающийся тем, что дополнительно включает последовательно расположенные между реактором гидрирования и ректификационной колонной для разделения пропилена и пропана: насадочную абсорбционную колонну, снабженную в нижней части паровым подогревателем, с линией отвода «зеленого масла» с низа колонны, адсорбер влаги, водяной конденсатор, емкость для сбора пропан-пропиленовой фракции, снабженную пропиленовым конденсатором для удаления несконденсированных легких углеводородов, насос пропан-пропиленовой фракции и колонну вторичной деэтанизации, причем от насоса пропан-пропиленовой фракции идут две линии, первая - в середину колонны вторичной деэтанизации, и вторая - для подачи части пропан-пропиленовой фракции в качестве флегмы на верх насадочной абсорбционной колонны.
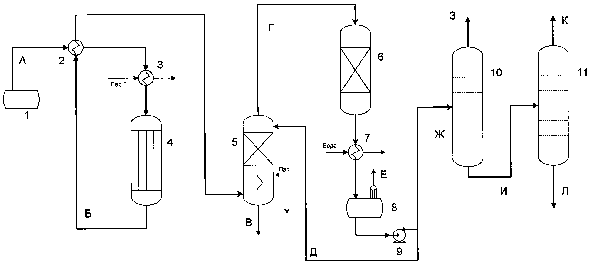
Полезная модель относится к нефтехимической промышленности, в частности касается установок разделения газов пиролиза углеводородного сырья, а именно к блоку разделения и очистки пропан-пропиленовой фракции (ППФ). Известна установка разделения газов пиролиза углеводородного сырья при получении этилена и пропилена фирмы Linde AG, которая включает блок разделения и очистки ППФ, состоящий из реактора гидрирования и ректификационной колонны для разделения пропилена и пропана. (Нефтегазовые технологии. Переработка углеводородов. №5, сентябрь-октябрь 2003, с.85). ППФ из депропанизатора очищают в реакторе гидрирования от метилацетилена и пропадиена (аллена) в реакторе гидрирования и разгоняют в ректификационной колонне, получая с верха колонны пропилен для полимеризации, а из куба колонны - пропан, который возвращают на пиролиз сырья. К недостаткам известного блока разделения и очистки ППФ относится нерациональное использование пропана, полученного на этой установке. В качестве прототипа взята установка разделения газов пиролиза углеводородного сырья, используемая на отечественных промышленных установках ЭП-300 производства этилена, в которой описан блок разделения и очистки ППФ. (Мухина Т.Н., Барабанов Н.Л. и др. Пиролиз углеводородного сырья. М., Химия, 1987, с.142-145). Блок разделения и очистки ППФ, выделенной из продуктов пиролиза углеводородного сырья, состоит из реактора гидрирования и ректификационной колонны для разделения пропилена и пропана. Блок работает аналогично описанному в предыдущем источнике, за исключением того, что на отечественных установках пропан, выделенный из куба ректификационной колонны для разделения пропилена и пропана, либо возвращают в качестве сырья на пиролиз (как описано в схеме фирмы Linde AG), либо чаще его продают как бытовой газ по ГОСТ 20448-90 «Газы углеводородные сжиженные топливные для коммунально-бытового потребления», что является еще более нерациональным. Следует отметить, что для увеличения рентабельности производства, пропан из куба ректификационной колонны для разделения пропилена и пропана целесообразно реализовывать по ГОСТ 27578-87 «Газ углеводородный сжиженный для автомобильного транспорта», однако пропан, полученный по прототипу, не соответствует нормативным физико-химическим показателям, указанным в данном ГОСТе, в частности, пропан содержит «тяжелый остаток» (димеры, тримеры С3), так называемое «зеленое масло», которое образуется в процессе гидрирования метилацетилена и пропадиена в реакторе гидрирования, и которое должно отсутствовать по требованиям указанного ГОСТа. Задачей предлагаемой полезной модели является разработка блока разделения и очистки ППФ пиролиза углеводородного сырья, который позволял бы получать наряду с пропиленом также пропан, который по физико-химическим показателям, в частности по содержанию «тяжелого остатка», соответствовал бы ГОСТ 27578-87 «Газ углеводородный сжиженный для автомобильного транспорта». Поставленная задача решается предлагаемой полезной моделью - блоком разделения и очистки ППФ пиролиза углеводородного сырья, который состоит из реактора гидрирования для очистки от метилацетилена и пропадиена и ректификационной колонны для разделения пропилена и пропана, и отличается тем, что дополнительно включает последовательно расположенные между реактором гидрирования и ректификационной колонной для разделения пропилена и пропана: насадочную абсорбционную колонну, снабженную в нижней части паровым подогревателем, с линией отвода «зеленого масла» с низа колонны, адсорбер влаги, водяной конденсатор, емкость для сбора ППФ, снабженную пропиленовым конденсатором для удаления несконденсированных легких углеводородов, насос ППФ и колонну вторичной деэтанизации, причем от насоса ППФ идут две линии, первая - в середину колонны вторичной деэтанизации, и вторая -для подачи части пропан-пропиленовой фракции в качестве флегмы в верхнюю часть насадочной абсорбционной колонны. С верха ректификационной колонны отводят пропилен, а с низа - пропан, который направляют в емкость для сбора пропана. На фиг. представлена схема полезной модели - блока разделения и очистки ППФ пиролиза углеводородного сырья, на которой представлены позиции следующих аппаратов: 1. емкость для ППФ; 2. теплообменник обратных потоков; 3. паровой подогреватель; 4. реактор гидрирования; 5. насадочная абсорбционная колонна, снабженная паровым подогревателем; 6. адсорбер влаги; 7. водяной конденсатор; 8. емкость для сбора ППФ, снабженная пропиленовым конденсатором; 9. насос ППФ; 10. колонна вторичной деэтанизации; 11. ректификационная колонна для разделения пропилена и пропана. На схеме отмечены следующие потоки: А. ППФ из емкости ППФ; Б. Прогидрированная ППФ; В. «Зеленое масло»; Г. ППФ, очищенная от «зеленого масла»; Д. Часть ППФ, подаваемая в качестве флегмы в насадочную абсорбционную колонну; Е. Несконденсированные легкие углеводороды; Ж. Часть ППФ, подаваемая в колонну вторичной деэтанизации; З. Отдувка этана (этан + пропилен); И. ППФ на разделение; К. Пропилен; Л. Пропан. Полезная модель работает следующим образом. ППФ (А) из емкости ППФ (1) через теплообменник обратных потоков (2) и паровой подогреватель (3) поступает в верхнюю часть реактора гидрирования (4), где происходит очистка от метилацетилена и пропадиена. Из нижней части реактора (4) через теплообменник обратных потоков (2) Прогидрированная ППФ (Б) поступает в нижнюю часть насадочной абсорбционной колонны, которая снабжена паровым подогревателем (5). Насадочная абсорбционная колонна имеет 3-8 теоретических тарелок. В качестве внутренних устройств используют регулярную либо нерегулярную насадки. В насадочной колонне происходит удаление «зеленого масла» (В), которое выводят с низа колонны, с возможной подачей данного потока в депропанизатор низкого давления (на схеме не показан). В качестве флегмы в насадочную абсорбционную колонну (5) подается насосом (9) часть очищенной ППФ (Д), которая выходя из верхней части колонны (5) предварительно (Г) проходит через адсорбер влаги(б), наполненный цеолитом (молекулярным ситом), водяной конденсатор (7) и емкость для сбора ППФ, снабженную пропиленовым конденсатором (8) для удаления несконденсированных легких углеводородов (Е). Вторая часть очищенной ППФ (Ж) насосом (9) подается в колонну вторичной деэтанизации (10) для удаления оставшегося этана (этан + пропилен)(поток З), с низа которой ППФ (И) поступает в ректификационную колонну для разделения пропилена и пропана (11). С верха колонны (11) получают пропилен (К), а с низа - пропан (Л), который направляют в емкость для сбора пропана (на схеме не показана). Пропан, полученный из колонны (11), соответствует ГОСТ 27578-87 «Газ углеводородный сжиженный для автомобильного транспорта» по показателю отсутствия «тяжелого остатка» в виде «зеленого масла». Данные по конкретному примеру, иллюстрирующему работу предлагаемой полезной модели, приведены в таблице, где указаны условия проведения процесса разделения и очистки ППФ и ее состав после реактора гидрирования последовательно в соответствующих потоках (от Б до Л). Из данных, представленных в таблице, видно, что ППФ после гидрирования содержит 0,075% моль «зеленого маслам (Б), которое затем удаляется из нижней части насадочной абсорбционной колонны (В). ППФ, очищенная от «зеленого маслам (Г), проходит ряд аппаратов (6-10) для дальнейшей очистки и поступает в ректификационную колонну для разделения пропилена и пропана (И). С верха колонны получают пропилен (К) с содержанием 99,81% моль, а с низа - пропан (Л) с содержанием 94,56% моль, свободный от «тяжелого остатка» в виде «зеленого масла», что соответствует требованиям ГОСТ 27578-87 «Газ углеводородный сжиженный для автомобильного транспорта» по этому показателю. Таким образом, предложенная полезная модель - блок разделения и очистки ППФ пиролиза углеводородного сырья, позволяет повысить рентабельность производства за счет более рационального использования выделенного пропана в качестве автомобильного топлива при соответствии показателю - «отсутствие тяжелого остатка» по ГОСТ 27578-87 «Газ углеводородный сжиженный для автомобильного транспорта».Таблица Условия проведения процесса разделения и очистки ППФ и ее состав после реактора гидрирования в соответствующих потоках Условия процесса Потоки Б В Г Д Е Ж 3 И К Л Температура, °С 35,2 36,6 30,0 27,1 26,4 27,1 40,0 48,2 24,4 36,4 Давление, кг/см2, изб. 12,2 12,2 12,0 19,0 11,3 19,0 18,6 18,8 10,5 12,0 Количество, т/ч 21,55 0,2 29,35 8,0 0,29 21,06 0,39 20,67 17,09 3,58 Состав, % моль Метан 0,286 0,002 0,281 0,260 3,027 0,252 12,485 0,000 0,000 0,000 Этан 0,010 0,001 0,010 0,010 0,025 0,009 0,040 0,009 0,011 0,000 Метилацетилен 0,0289 0,038 0,029 0,028 0,024 0,029 0,019 0,029 0,000 0,172 Пропадиен 0,210 0,274 0,209 0,210 0,173 0,210 0,134 0,211 0,000 1,267 Пропилен 83,502 71,635 83,592 83,601 82,624 83,602 75,759 83,764 99,771 3,999 Пропан 15,887 17,573 15,879 15,890 14,126 15,897 11,563 15,986 0,218 94,559 Бутадиен 0,001 0,006 0,001 0,001 0,001 0,001 0,000 0,001 0,000 0,003 «Зеленое масло» 0,075 10,471 0,000 0,000 0,000 0,000 0,000 0,000 0,000 0,000