Изобретение относится к области энергосбережения и предназначено для проведения испытаний поршневых гидроцилиндров при их производстве, проверке на соответствие требованиям конструкторской и технологической документации, а также определения ресурса работы. Гидравлическая схема стенда для испытания гидроцилиндров с рекуперацией энергии включает: два гидроцилиндра с разными диаметрами поршней и близкими ходами штоков, соединенных между собой; гидронасос; дискретные двухпозиционные гидравлические распределители; предохранительный и подпорные клапаны. Гидронасос обеспечивает подачу рабочей жидкости в соответствующие полости гидроцилиндров. За счет разницы диаметров поршней гидроцилиндров возникает усилие, обеспечивающее движение их штоков. Нагрузка создается за счет дросселирования части потока рабочей жидкости на выходе из гидроцилиндров при совместном движении их штоков. Рабочая жидкость, вытесняемая из полости одного гидроцилиндра, поступает в соответствующую полость другого, снижая тем самым необходимое количество жидкости, подаваемой гидронасосом (рекуперация). Величина рекуперации будет зависеть от разницы в диаметрах поршней гидроцилиндров, величины рабочего (испытуемого) давления и требуемой скорости движения штоков. Технический результат: предложенное изобретение, в зависимости от параметров самих гидроцилиндров, позволяет снижать необходимую для испытания энергию от 30 до 60%. Благодаря дросселированию части потока рабочей жидкости, при создании нагрузки, снижается тепловыделение всей гидросистемы и отпадает необходимость в применении больших по мощности и дорогостоящих охладителей. 2 ил.
Схема стенда для испытания гидроцилиндров с рекуперацией энергии, позволяющая использовать вытесняемую жидкость одного гидроцилиндра в качестве рабочего тела для другого гидроцилиндра, отличающаяся применением двух гидроцилиндров с разными диаметрами поршней, соединенных между собой выходными концами штоков, с использованием одного источника гидравлической жидкости, двух гидравлических распределителей, обеспечивающих реверсирование движения штоков, двух подпорных гидроклапанов, обеспечивающих необходимое давление испытания, и одного предохранительного гидроклапана для защиты источника гидравлической жидкости от превышающего давления.
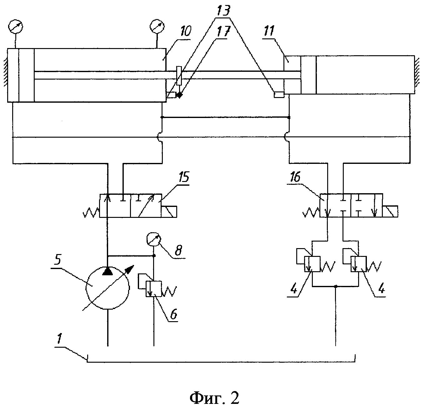
Изобретение относится к области энергосбережения и предназначено для рекуперации энергии, применяемой в гидравлическом стенде испытания гидроцилиндров. Применение систем, основанных на принципе рекуперации энергии является известным и весьма распространенным в промышленности и технике. Этот принцип заключается в компенсации (или возврате) части энергии, затраченной для привода в движение машины, механизма или устройства. Использование принципа рекуперации энергии позволяет снизить количество используемой энергии (мощности) при испытании гидроцилиндров и проводить испытания гидроцилиндров, требующие подвода большого количества энергии. Технический результат - снижение потерь энергии, возможность проведения более энергоемких испытаний гидроцилиндров, уменьшение тепловыделения. Известны решения по применению систем с рекуперацией энергии в: гидравлической системе торможения автомобиля (научная статья в журнале «Символ науки №9», автор д.х.н, профессор МПУ - Бажанов В.И.); Рекуперация энергии потока жидкости в гидросистеме одноковшового экскаватора (научная статья в журнале «Вестник СибАДИ, выпуск 5(39)-2014», авторы: Кузнецов В.Н. и Савинкин В.В. патент: RU 2618154); Рабочая машина с гидравликой для рекуперации энергии (авторы: Майтингер Бернхард (DE) и Виртензон Мануэль (DE) патент: RU 2779211); Государственный стандарт ГОСТ 18464-96 Гидроприводы объемные - Гидроцилиндры. Правила приемки и методы испытаний. Межгосударственный стандарт ГОСТ 18467-96 - описывает и устанавливает правила приемки и методы контроля готовой продукции при проведении приемосдаточных, периодических и типовых испытаний поршневых, плунжерных и телескопических гидроцилиндров с номинальным давлением до 40 МПа, предназначенных для объемных гидроприводов. В стандарте приводятся типовые схемы стендов для проведения испытаний, одна из которых является схемой с рекуперацией энергии, Фиг. 1 (из ГОСТ 18467-96). В прилагаемой ГОСТом рекуперативной схеме стенда применяются: - Три гидроцилиндра: гидроцилиндр привода - 9, испытуемый гидроцилиндр - 10, и нагрузочный гидроцилиндр - 11; - Два насоса: нагрузочный насос - 2 и насос привода - 5; - Два четырехлинейных, трехпозиционных распределителя - 14; - Два предохранительных гидроклапана - 6 и один подпорный гидроклапан - 4; - Два концевых выключателя - 13 Данная схема обладает определенными недостатками: - необходимость применения дополнительного гидроцилиндра в качестве приводного, наличие его механической связи с испытуемым и нагрузочным гидроцилиндрами. - Применение двух насосов: нагрузочного и приводного подающих рабочую жидкость к гидроцилиндрам через распределители с закрытым центром. Это приводит к тому, что в нейтральной позиции распределителей (на фазе переключения) весь поток жидкости от насосов поступает на предохранительные (переливные) клапаны, и способствует дополнительному нагреву рабочей жидкости и потере энергии. Предлагаемое изобретение представляет собой альтернативную, рекуперативную схему стенда для проведения испытаний гидроцилиндров, у которой нет указанных выше недостатков и обладающую определенными преимуществами. Данная гидросхема стенда приведена на рисунке Фиг. 2 и состоит из: - Двух гидроцилиндров с разными диаметрами поршней: испытуемого гидроцилиндра с большим поршнем - 10 и нагрузочного гидроцилиндра с меньшим поршнем - 11; - Одного насоса привода - 5; - Одного трехлинейного двухпозиционного распределителя - 15 и одного четырехлинейного двухпозиционного распределителя - 16; - Одного предохранительного гидроклапана - 6 и двух подпорных гидроклапанов - 4; - Два концевых выключателя - 13 - Замыкатель - 17 Предлагаемая схема стенда испытания гидроцилиндров с рекуперацией энергии по отношению к схеме с рекуперацией, приведенной в ГОСТ 18464-96, обладает следующими конструктивными преимуществами. Для выполнения принципа рекуперации необходимо два гидроцилиндра вместо трех, но обязательно с разными диаметрами поршней. Привод и нагружение гидроцилиндров происходит от одного насоса вместо двух. Применены конструктивно более простые гидрораспределители (двухпозиционные вместо трехпозиционных). Принцип работы гидросхемы происходит следующим образом: подача рабочей жидкости от насоса привода - 5 поступает одновременно в поршневые полости обоих гидроцилиндров (испытуемого гидроцилиндра с большим поршнем - 10 и нагрузочного гидроцилиндра с меньшим поршнем - 11). Из-за разницы площадей поршней гидроцилиндров при одном и том же подводимом рабочем давлении, возникает разное усилие, приводящее в движение соединенные между собой штоки. - Соответствует движению вправо на приведенной схеме. При этом весь объем рабочей жидкости поршневой полости нагрузочного гидроцилиндра с меньшим поршнем - 11 поступает в поршневую полость испытуемого гидроцилиндра с большим поршнем - 10 и тем самым снижая необходимую подачу насоса привода - 5 (жидкость перетекает). Одновременно с этим рабочая жидкость из штоковой полости испытуемого гидроцилиндра с большим поршнем - 10 перетекает в штоковую полость нагрузочного гидроцилиндра с меньшим поршнем - 11. Объем рабочей жидкости, вытесняемый из штоковой полости испытуемого гидроцилиндра с большим поршнем - 10 превышает необходимый объем для заполнения штоковой полости нагрузочного гидроцилиндра с меньшим поршнем - 11. Этот избыток жидкости, направленный через распределитель - 16 на соответствующий подпорный клапан - 4, создает требуемое (настроенное) давление испытания. При достижении замыкателем - 17, установленного на конце штоков, правого концевого выключателя - 13, выдается сигнал на переключение распределителей - 15, 16 и начинается движение штоков гидроцилиндров в обратную сторону - влево. Теперь поток рабочей жидкости поступает одновременно в штоковые полости обоих гидроцилиндров (испытуемого гидроцилиндра с большим поршнем - 10 и нагрузочного гидроцилиндра с меньшим поршнем - 11). Из-за разницы площадей поршней гидроцилиндров при одном и том же подводимом рабочем давлении, возникает разное усилие, приводящее в движение соединенные между собой штоки. - Соответствует движению влево на приведенной схеме. При этом весь объем рабочей жидкости штоковой полости нагрузочного гидроцилиндра с меньшим поршнем - 11 поступает в штоковую полость испытуемого гидроцилиндра с большим поршнем - 10 и тем самым снижая необходимую подачу насоса привода - 5 (жидкость перетекает). Одновременно с этим рабочая жидкость из поршневой полости испытуемого гидроцилиндра с большим поршнем - 10 перетекает в поршневую полость нагрузочного гидроцилиндра с меньшим поршнем - 11. Объем рабочей жидкости, вытесняемый из поршневой полости испытуемого гидроцилиндра с большим поршнем - 10 превышает необходимый для заполнения объем поршневой полости нагрузочного гидроцилиндра с меньшим поршнем - 11. Этот избыток жидкости, направленный через распределитель - 16 на соответствующий подпорный клапан - 4, создает требуемое (настроенное) давление испытания. При достижение замыкателем - 17, установленного на конце штоков левого концевого выключателя - 13 выдается сигнал на переключение распределителей - 15, 16 и начинается движение штоков гидроцилиндров в обратную сторону - вправо. Цикл повторяется. Рекуперация энергии в предлагаемой схеме реализуется за счет возврата (перенаправлении) рабочей жидкости, вытесняемой из соответствующей полости испытуемого гидроцилиндра с большим поршнем в соответствующую полость нагрузочного гидроцилиндра с меньшим поршнем. Это происходит напрямую без промежуточных дросселирующих и распределительных устройств, приводящих к нагреву жидкости, и тем самым, снижает необходимую для испытания подачу рабочей жидкости от насоса привода. Благодаря этому можно использовать насос привода с меньшей подачей и как следствие с меньшей потребляемой мощностью. Насосу необходимо компенсировать только разницу расхода перетекаемого из соответствующих полостей гидроцилиндров. Превышением этой разницы достигается изменение скорости движения штоков гидроцилиндров. Нагрузка гидроцилиндров также создается только за счет разницы вытесняемого и потребляемого расхода рабочей жидкости в соответствующих полостях гидроцилиндров. Эта разница расхода, поступая на подпорный клапан создает нагрузку. Благодаря тому, что на подпорный клапан поступает только разница расходов, а не весь вытесняемый поток полости гидроцилиндра (как в схемах без рекуперации) снижается нагрев рабочей жидкости и тепловыделение гидросистемы в целом. Краткое описание чертежей На рисунке Фиг. 1 приведена гидравлическая схема испытания гидроцилиндров с рекуперацией энергии, взятая из ГОСТ 18464-96. Обозначения элементов на схеме: 1 - гидробак; 2 - нагрузочный насос; 3 - мерная емкость; 4 - подпорный гидроклапан; 5 - насос привода: 6 - предохранительный гидроклапан; 7 - кран-демпфер; 8 - манометр; 9 - гидроцилиндр привода; 10 - испытуемый гидроцилиндр; 11- нагрузочный гидроцилиндр; 12 - динамометр; 13 - концевой выключатель; 14 - гидрораспределитель; На рисунке Фиг. 2 приведена предлагаемая в качестве изобретения гидравлическая схема испытания гидроцилиндров с рекуперацией энергии. 1 - гидробак; 4 - подпорный гидроклапан; 5 - насос привода; 6 - предохранительный гидроклапан; 8 - манометр; 10 - испытуемый гидроцилиндр; 11 - нагрузочный гидроцилиндр; 13 - концевой выключатель; 15 - трехлинейный, двухпозиционный гидрораспределитель; 16 - четырехлинейный, двухпозиционный гидрораспределитель; 17 – замыкатель.