патент
№ RU 2418948
МПК E21B47/022

СПОСОБ ПРОВЕДЕНИЯ ГЕОЛОГИЧЕСКИХ ИССЛЕДОВАНИЙ СКВАЖИН

Авторы:
Белобородов Андрей Владимирович
Номер заявки
2009136931/03
Дата подачи заявки
07.10.2009
Опубликовано
20.05.2011
Страна
RU
Как управлять
интеллектуальной собственностью
Чертежи 
8
Реферат

Изобретение относится к исследованию скважин и может быть применено при проведении геологических исследований разрезов от параметрических и опорных до поисково-разведочных, наклонно-направленных и горизонтальных скважин. Техническим результатом изобретения является повышение оперативности определения продуктивности слоев скважины при детализации качественного состава породы геологического разреза. Для этого отбирают шлам из скважины, описывают фациальные признаки шлама каждой скважины с последующим сведением в таблицу и построением корреляционной схемы. При этом сопоставляют данные корреляционной схемы и таблицы описания, выявляют изменчивость разреза, прогнозируют выклинивание части пластов или их дивергенцию, изменение толщин фациальных зон относительно прогнозных величин. Строят график индекса продуктивности, представляющий собой тренд ведущих фациальных признаков продуктивности. По значениям графика индекса продуктивности составляют выводы о качественном составе скважины на предмет наличия нефтенасыщенных слоев. При этом в качестве ведущих фациальных признаков при построении графика индекса продуктивности используют коэффициенты люминесценции и битуминизации, плотность, размер шламинок, степень окатанности и отсортированности зерен. 8 ил.

Формула изобретения

Способ проведения геологических исследований скважин, включающий отбор шлама из скважин, описание фациальных признаков шлама каждой скважины с последующим сведением в таблицу и построением корреляционной схемы литолого-фациального состояния разреза скважин, при этом при описании фациальных признаков схожие фациальные признаки объединяют в фациальные зоны, ограниченные фациальными реперами, характеризующими изменчивость фациальных признаков, а корреляционную схему строят по фациальным реперам путем размещения фациальных зон в вертикальной проекции, отличающийся тем, что после построения корреляционной схемы сопоставляют данные корреляционной схемы и таблицы описания, при этом выявляют возможную изменчивость разреза, прогнозируют выклинивание части пластов или их дивергенцию, изменение толщин фациальных зон относительно прогнозных толщин, строят график индекса продуктивности, представляющий собой тренд ведущих фациальных признаков продуктивности, согласно значениям которого составляют выводы о качественном составе скважины на предмет наличия нефтенасыщенных слоев, при этом в качестве ведущих фациальных признаков, являющихся показателями продуктивности скважины при построении графика индекса продуктивности, используют коэффициент люминесценции, коэффициент битуминизации, плотность, размер шламинок, степень окатанности и отсортированности зерен.

Описание

[2]

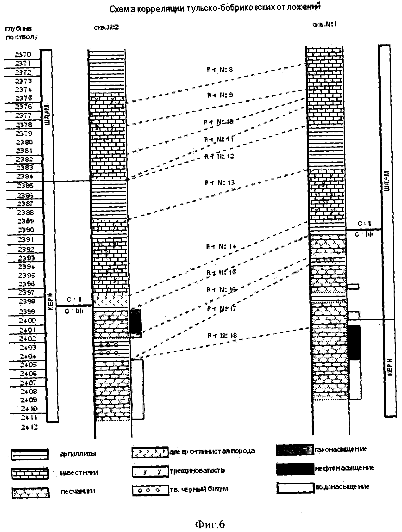
Изобретение относится к исследованию скважин и может быть применено в широком диапазоне при проведении геологических исследований разрезов от параметрических и опорных скважин до поисково-разведочных, наклонно-направленных и горизонтальных. Базовой составляющей является применение фундаментального учения о фациях и формациях в практике проводки бурящихся скважин различных типов путем фациально-литологических исследований выбуренных горных пород, повышения детализации и достоверности геологических разрезов, а так же определения степени продуктивности вскрываемых отложений. Основой детализации является выявление в разрезе фациальных зон и фациальных реперов с первого по четвертый порядок включительно, то есть слоев и прослойков. Заявляемый способ может быть применен непосредственно в процессе бурения ствола скважины в полевых условиях и может быть оперативно выполнен геологической партией на станции. Для реализации способа необходим каменный материал, а также данные ГИС, ГТИ, структурных карт, профилей и разрезов. Спектр применения заявляемого способа достаточно широк. Он может быть использован при проведении работ по детализации геологического разреза, выделении в разрезе наиболее продуктивных участков, определении типов нефти, геологической навигации в продуктивной части пластов горизонтальных скважин и т.д.

[3]

Известен способ геофизических исследований скважин, основанный на применении физического явления, обеспечивающего дифференциацию разрезов скважин по естественной электрохимической активности. Для повышения достоверности выделения продуктивных горизонтов используют буровой раствор, насыщенный кислородом, за счет чего на поверхности горных пород протекают окислительные электрохимические реакции, активность которых определяется электрохимическими свойствами пород (А.С. СССР №959004).

[4]

Данный способ является весьма дорогостоящим, не дает полноценной информации о состоянии скважины и не обладает достаточной оперативностью. Определение разреза без проведения литофациального, петрофизического, минералогического исследования крайне сложно. Данный способ не обеспечивает возможности фактического литологического расчленения разреза, а также возможности прогнозирования разреза скважины.

[5]

Известен способ определения геологических свойств терригенной породы в околоскважинном пространстве по данным геофизических исследований разрезов скважин, включающий выполнение геофизических исследований, во время проведения которых конкретные физические свойства горных пород определяют особенностями устанавливаемых по керну и/или керну и ГИС индивидуальных стохастических, петрофизических связей для отдельных выделяемых в общей толще породы стратиграфических единиц (пластов, залежей углеводородов). Они также отражаются в физических полях различных методов ГИС и определяют регистрируемые при каротаже свойства полей в форме каротажных диаграмм. Таким образом, применяя систему обобщенных петрофизических моделей, в полной мере отражающих базовые петрофизические закономерности, достоверно оценивают свойства конкретных пород в единой системе физико-геологических координат, принятой при построении системы обобщенных петрофизических моделей (патент РФ на изобретение №2219337).

[6]

Построение петрофизической модели разреза требует достаточного количества времени и не может быть использовано при необходимости оперативного изменения направления бурения скважины. Построенная таким способом петрофизическая модель лишена детализации и конкретики литологического расчленения разреза.

[7]

Известен также способ проводки горизонтального ствола скважины. Данный способ заключается в получении наземными приборами забойной информации по каналу связи с оперативным контролем и управлением проводкой. При этом забойная информация отображает положение отклонителя относительно магнитного меридиана и величины азимутальных и зенитных углов, полученных от забойных датчиков (патент РФ на изобретение №2263782).

[8]

Недостаток данного способа заключается в том, что проводка ведется "вслепую", по заранее определенной информации о траектории, без учета изменений геологического разреза. Это может привести к бурению скважины в непродуктивных отложениях. Другим недостатком является неточность полученных измерений угла и азимута и определенная степень погрешности в расчетах вычисления траектории горизонтального ствола скважины, что может привести к проводке горизонтального ствола вне плоскости залегания продуктивного пласта. При проводке горизонтальных скважин, когда ствол проходит по коллектору в непосредственной близости от плотных пород, регистрация этих участков читается как проходка по плотным пластам, что приводит к ошибке в интерпретации вскрываемого разреза и искажения разреза в целом. Точка замера геофизических (как правило, радиоактивных) зависимостей достаточно далеко отстоит от фактического забоя в так называемой «мертвой» зоне и, в случае изменения положения угла падения пластов, может привести к уходу ствола скважины из продуктивного интервала.

[9]

Известен способ геофизической разведки для выявления нефтегазовых объектов, используемый для оптимизации размещения разведочных и эксплуатационных скважин на нефтегазовых объектах. Согласно известному способу определения фильтрационно-емкостных свойств и прогнозной нефтегазопродуктивности коллекторов в трехмерном межскважинном пространстве осуществляют на основе сейсмических, гравиметровых, магнитных, электрических и ГИС атрибутов различной физической природы. Полученные данные преобразуют путем спектральной декомпозиции в многоканальные спектрально-временные колонки. Определяют многомерные взаимные корреляционные зависимости между спектрально-временными колонками. Формируют единый информативный массив, увязанный с данными бурения. Преобразуют данный массив в структурно-тектоническую, литолого-фациальную, фильтрационно-емкостную, нефтегазопродуктивную геологические модели в виде разрезов, карт и кубов. Нефтегазовые объекты выявляют с учетом полученных моделей по повышенным значениям удельной емкости и гидропроводности коллекторов и коэффициентам нефтегазопродуктивности (патент РФ на изобретение №2289829).

[10]

Известный способ достаточно громоздок, не отличается оперативностью и детализацией, и кроме того, малоэффективен в проводке конкретной скважины.

[11]

Наиболее близким по технической сущности к заявляемому изобретению является способ проведения геофизических исследований, реализуемый в способе проводки ствола горизонтальной скважины на основе геологических исследований и включающий выделение фациальных зон с набором признаков, характеризующих каждую из этих зон, составление эталонно-прогнозной модели проектного горизонта и регламент проведения геологических исследований на предполагаемой к проводке скважине. Полученные данные заносят в таблицу и строят корреляционную схему геологических, геолого-технологических исследований, а также инклинометрии и гамма-каротажа. На корреляционной схеме по комплексу признаков, полученных в результате исследования шлама, определяют фациальную зону вскрытых отложений. На основе анализа корреляционной схемы определяют нахождение горизонтального ствола скважины относительно продуктивного пласта и отмечают тенденцию к приближению к его кровле или подошве. Принимают решение об изменении (не изменении) траектории горизонтального ствола скважины в разрезе (патент РФ на изобретение №2313668).

[12]

Основными недостатками известного способа являются: во-первых, отсутствие критериев выбора наиболее продуктивного участка разреза. За основу определения продуктивности пласта при проведении исследований брались данные газового каротажа, данные люминесценции и битуминизации выбуренной породы, что в хороших и рыхлых коллекторах не всегда корректно. Опережающая инфильтрация в пласт буровой жидкости может оттеснить разбуриваемые флюиды в пласт и на выходе показать даже снижение газосодержания раствора. Газонасыщенность шлама, если он разрушен в рыхлом коллекторе до размеров зерна, так же может быть не эффективной. Если же газовый фактор данного месторождения низкий, применение газового каротажа вообще мало эффективно, продуктивные пласты могут не выделяться. Во-вторых, существенный просчет известного способа в том, что при его реализации не учитывается отсутствие должной оперативности в определении геолого-петрофизических характеристик выбуренных горных пород для получения возможности геологической навигации ствола скважины горизонтального участка. На получение результатов по одной пробе выбуренной породы, а именно пористости, минералогической и объемной плотности на практике уходит около 4-5 часов, что значительно ограничивает возможности применения данного способа в геонавигации, ввиду значительного отставания полученных данных от фактических забойных. Это может привести к неверной траектории горизонтальной скважины на конкретном участке и выхода ствола скважины за пределы продуктивной фациальной зоны. Кроме того, известный способ дает большие погрешности замеров, что недопустимо в определении петрофизических характеристик горных пород.

[13]

Задачей, на решение которой направлено заявляемое техническое решение, является создание оперативного способа исследования скважин, позволяющего получать достоверные данные о качественном составе выбуренной породы и детализации геологического разреза по комплексному анализу фациальных признаков шлама и керна в процессе проводки скважины.

[14]

Технический результат, достигаемый при использовании заявляемого изобретения, заключается в обеспечении детализации качественного состава породы геологического разреза, позволяющей оперативно судить о продуктивности того или иного слоя скважины.

[15]

Поставленная задача решается тем, что в способе проведения геологических исследований скважин, включающем отбор шлама и керна из скважин, описание фациальных признаков шлама каждой скважины с последующим сведением в таблицу и построением корреляционной схемы литолого-фациального состояния разреза скважин, при этом при описании фациальных признаков схожие фациальные признаки объединяют в фациальные зоны, ограниченные фациальными реперами, характеризующими изменчивость фациальных признаков, а корреляционную схему строят по фациальным реперам путем размещения фациальных зон в вертикальной проекции, согласно техническому решению, после построения корреляционной схемы сопоставляют данные корреляционной схемы и таблицы описания, при этом выявляют возможную изменчивость разреза, прогнозируют выклинивание части пластов или их дивергенцию, изменение толщин фациальных зон относительно прогнозных толщин, строят график индекса продуктивности, представляющий собой тренд ведущих фациальных признаков продуктивности, согласно значениям которого составляют выводы о качественном составе скважины на предмет наличия нефтенасыщенных слоев, при этом в качестве ведущих фациальных признаков, являющихся показателями продуктивности скважины при построении графика индекса продуктивности, используют коэффициент люминесценции, коэффициент битуминизации, плотность, размер шламинок, степень окатанности и отсортированности зерен.

[16]

Корреляционную зависимость соответствующих фациальных реперов различных скважин используют для прогнозирования простирания пластов и обнаружения перерывов осадконакопления или изменения толщин литолого-фациальных зон - слоев породы.

[17]

Заявляемое изобретение поясняется следующими чертежами.

[18]

На фиг.1-5 представлены фрагменты таблицы описания фациальных признаков, объединенных в группы, а именно: на фиг.1 представлен фрагмент таблицы, описывающий тип коллектора; на фиг.2 представлен фрагмент таблицы, описывающий степень трещиноватости породы; на фиг.3 представлен фрагмент таблицы, описывающий степень битуминизации, на фиг.4 представлен фрагмент таблицы, описывающий плотность породы; на фиг.5 представлен фрагмент таблицы, описывающий степень окатанности породы. На фиг.6 представлено изображение корреляционной схемы, построенной по комплексу фациальных признаков двух скважин. На фиг.7 представлена таблица, являющаяся разъяснением построения корреляционной схемы по соответствующим фациальным реперам. На фиг.8 представлено изображение графика индекса продуктивности скважины.

[19]

Заявляемый способ реализуется следующим образом.

[20]

Производят отбор проб шлама на устье скважины. Шлам из каждой пробы, предварительно отмытый и высушенный, разбирают на литофации и наносят в альбом в вертикальном масштабе 1:200 для составления петрошламограммы. Затем производят описание фациально-литологических признаков разбуриваемых пород с занесением их в геологический полевой журнал. Фациальные признаки объединяют в группы: например, цветовые признаки, признаки продуктивности, фациальные химические признаки, типы коллекторов, литотипы, биопризнаки, размер шламинок (зерен), формы шламинок, плотность пород (фиг.1-5). В терригенных коллекторах: степень окатанности и степень отсортированности зерен. Каждый признак из отобранной пробы штрихуют определенным цветом в процентном отношении от 100%, поэтому вся таблица выглядит в виде гистограммы и легко читается.

[21]

Для удобства чтения, комплексную таблицу фациальных признаков разбуриваемых пород разбивают на фрагменты, т.к. сама таблица достаточно велика, количество фациальных признаков достигает 60. Цветовых гамм может быть выделено до 10 в зависимости от разнообразия разбуриваемого разреза. Кроме цвета указывается его изменчивость: пожелтение, посерение, побурение, потемнение, осветление. Так, например, фрагмент таблицы, приведенный на фиг.1, описывает тип коллектора по форме шламинок и их плотности. Фрагмент таблицы, приведенный на фиг.2, описывает трещиноватость породы (шламинки с ровными поверхностями и сколами чаще всего указывают на трещиноватость как горизонтальную, так и вертикальную, реже - диагональную). Трещиноватость указывает на бурение не пластичных, очень плотных и крепких пород. Трещины могут быть первичными, образованными при диагенезе породы, или вторичными, которые могут возникнуть в результате тектонических подвижек. Это коллектора трещинного типа. В терригенных породах - коллектора порового типа (песчаники, алевролиты), в карбонатах поровые коллектора встречаются в очень мелких разностях: водорослевые, коралловые отложения. Кавернозные коллектора, как правило, приурочены к карбонатным отложениям, в шламе выражены в виде друз и щеток кристаллов доломитов, чаще всего при вторичной доломитизации. Часто встречаются коллектора смешанного типа: кавернозно-трещиноватые, кавернозно-поровые и пр. Кроме типов коллекторов, на фиг.2 представлены визуальные признаки продуктивности (выпоты, примазки нефти), степень битуминизации и тип битума, насыщающий тот или иной пласт (слой). Так, в интервале 2324-2348 м наблюдается слабая и средняя степень насыщения буровато-коричневым вязким окислившемся битумом тульских известняков, что указывает на остаточную нефтенасыщенность пород тяжелой вязкой нефтью. В интервале 2398,8-2401,1 м зафиксирована сильная битуминизация (Кбит.=1.0) желтовато-коричневой нефтью, что подтверждается визуальными признаками продуктивности, высоким коэффициентом люминесценции, равным 1,0 в поровом коллекторе бобриковских песчаников. Из фациальных химических признаков, представленных в разрезе, наибольшее влияние на изменчивость в разрезе оказывают пиритизация и сульфатизация известняков. Описание литотипов, степень битуминизации, биопризнаки и плотностные характеристики разбуриваемых пород представлены на фиг.3. К биопризнакам относят органические остатки или отпечатки палеофлоры или палеофауны. Плотность пород определяется формой шламинок и их размером (фиг.3 и фиг.4.) и контролируется детальным механическим каротажем (ДМК). Известно, что разрушение породы при бурении происходит по наиболее прослабленным участкам: по плоскостям напластования, по трещинам, по слабосцементированным участкам, по включениям и прочее. Шламинки при транспортировке с забоя на поверхность соприкасаются, бьются друг об друга, об инструмент и стенки скважины. Наиболее рыхлые окатываются или разрушаются до размера зерен, этот шлам составляющий. Плотные же разности мало подвержены внешнему воздействию и транспортируются на поверхность практически не измененными с момента их скола при бурении. Таким образом, все объемные, округлые формы соответствуют слабоуплотненным, рыхлым породам, напротив, остроугольные, пленочные и пластинчатые формы - крепким и плотным разностям. Исключение могут составлять комковатые формы, со «старыми», окислившимися или сульфатизированными поверхностями комков. Комковатые формы чаще всего характерны для карбонатных отложений. Степень окатанности и отсортированности относят к терригенным коллекторам, градация от не скатанных или не отсортированных до хорошо скатанных и хорошо отсортированных (фиг.5).

[22]

После внесения в таблицу всего объема фациальных признаков производят их анализ на изменчивость признаков, что и служит основой выделения фациальных зон и ограничивающих их фациальных реперов. Детализация разреза по комплексу фациальных признаков возможна вплоть до 4-го порядка. Например, в интервале тульско-бобриковских отложений скважины №2 при помощи заявляемого способа удалось выделить 18 фациальных реперов с уникальным, неповторимым набором этих самых признаков (фиг.5, фиг.6). Визуализация шлама в виде петрошламограммы дает наглядное представление об изменчивости фациальных признаков. Особенно хорошо выделяются наиболее продуктивные нефтенасыщенные слои или обводненные коллекторы. Фациальные зоны выстраивают в вертикальной проекции в привязке к глубинам разбуриваемой скважины.

[23]

Фациальные зоны объединяют по схожести комплексов фациальных признаков, приуроченных к определенному интервалу. Резкая смена ряда фациальных признаков обозначена фациальными реперами. Однотипные фациальные репера в разрезах различных скважин обозначаются одинаковыми цифрами: от 1 до 18 (фиг.5). По границам однотипных фациальных реперов в разрезах строят корреляционные схемы.

[24]

На фиг.6 представлено изображение корреляционной схемы, построенной по комплексу фациальных признаков двух скважин и разъяснение к ней.

[25]

Для построения корреляционной схемы используют вертикально размещенные фациально-литологические данные с двух скважин в едином вертикальном и горизонтальном масштабе. Затем прямыми линиями соединяют идентичные репера и получают картину эффективных толщин и углов падения слоев, с учетом искажения углов падения за счет десятикратного сжатия горизонтального масштаба. Корреляционную зависимость строят по совпадению последовательности реперов, толщинам фациальных зон и их фациальной изменчивости. Разъяснение построения корреляционной схемы по соответствующим фациальным реперам было сведено в таблицу (фиг.7).

[26]

Сопоставление данных корреляционной схемы (фиг.6) и таблицы описания фациальных зон и реперов (фиг.7) приводит к выводу: в разрезе скважины №1 выделяется два выклинившихся интервала: 2376-2378 м и 2394-2401 м.

[27]

Принципы получения вывода.

[28]

Начиная с глубины 2401 м скважины №1, фациальные описания производят по шламу, отбираемому при бурении с отбором керна. Удалось выделить и сопоставить схожие фациальные слои обеих скважин и провести надежный фациальный репер №18. Последним надежным фациальным репером обеих скважин являлся репер №17, представленный твердым черным битумом. В скважине №2 сразу под ним отмечен фациальный репер №18 с определенным набором фациальных признаков( Фиг.7).

[29]

Фациальный репер №18 в скважине №2 по комплексу описанных фациальных признаков керна в интервале 2404.1-2404.5 м нашел свое подтверждение по шламу в скважине №1 только на глубине 2401 м. Схожими признаками являются: цвет, детритизация песчаников, базальный карбонатный цемент; зерна кварца не скатаны и не отсортированы. На основании этих схожих признаков и был найден репер №18 в скважине №1. Несколько промежуточных фациальных реперов в скважине №1 по своим фациальным признакам абсолютно не подходили под описание репера №18. Отсюда сделан вывод о выклинивании ряда фациальных слоев в скв.№1 в интервале 2394-2401 м.

[30]

Если на структуре пробурено три и более скважин, строят палеоструктурные карты, указывающие на возможную изменчивость разреза бурящейся скважины. По двум пробуренным скважинам строят профиль. В ряде случаев, когда привязка по фациальным реперам разреза разбуриваемой скважины к реперам прогнозной модели производится однозначно и достаточно уверенно, есть возможность отказа от промежуточных привязочных каротажей, что экономит время и материальные затраты. Зная строение структуры и историю ее развития хотя бы по трем пробуренным скважинам, путем построения палеоструктурных карт можно спрогнозировать вектора развития тех или иных фациальных признаков. Например, вектор увеличения толщин продуктивных слоев, вектор продуктивности на структуре, что может помочь в выборе места положения скважин для дальнейшего разбуривания структуры. Построение таких корреляционных зависимостей обеспечивает возможности в выявлении изменчивости разреза, выклинивании части пластов или их дивергенции, изменении толщин фациальных зон относительно прогнозных толщин (фиг.6, фиг.7). Кроме прогнозных заключений заявляемый способ позволяет построить график индекса продуктивности скважины, согласно значениям которого составляют выводы о качественном составе скважины на предмет наличия нефтенасыщенных слоев (фиг.8). Анализ нефтей, насыщающих пласты, часто не дает четкого представления о действительной продуктивности того или иного пропластка и слоя, так как не учитывает размер зерна, степень его окатанности и отсортированности. Для этого введено понятие индекса продуктивности и проведено построение графика индекса продуктивности вскрываемого разреза. Заявляемый способ не предусматривает получения количественных показателей объемов углеводородов, насыщающих пласты и слои. График индекса продуктивности строят по набору фациальных признаков, сведенных в таблицу. Продуктивность разреза определяется индексом продуктивности, построенным по суммированию ведущих признаков продуктивности в виде тренда этих признаков. К ведущим признакам продуктивности относятся: коэффициент люминесценции, коэффициент битуминизации, плотность, размер шламинок (зерен), степень окатанности и отсортированности зерен в терригенном коллекторе, коэффициент биофации в карбонатном разрезе, где биофация сама репродуцирует нефть (псевдооолиты, кораллы). На графике (фиг.8) присутствует нулевая линия продуктивности, ниже которой индекс продуктивности указывает на отсутствие промышленной продуктивности, выше - на ее наличие. Индекс продуктивности является функцией каждого из ведущих признаков продуктивности, но влияние каждого из них на конечный результат не равноценно.

[31]

Примеры конкретного выполнения.

[32]

Заявляемый способ реализован при проводке скважины на месторождении Ближнего Заволжья.

[33]

В результате разбуривания двух скважин, расположенных на расстоянии 150 м друг от друга, был извлечен шлам, фациальные признаки которого описаны и подвергнуты комплексному анализу. Глубинный разлом, проходящий между скважинами 1 и 2 одной небольшой структуры, повлиял на строение и полноту разреза скв. №2. По разлому блок скв. 2 был приподнят, благодаря денудации и размыву из разреза выклинились слои, соответствующие инт. 2376-2378 м скважины 1, а так же 2-й пласт песчаника бобриковского возраста, лежащие под ним аргиллиты и верхняя уплотненная часть нижнего песчаника (инт. 23 94-2401 м) скважины 1, которые отсутствуют в разрезе скв. 2 (фиг.6-7). Наличие разлома, пролегающего между скважинами, позволяет объяснить незакономерное расположение коллекторов и флюидов их насыщающих, а так же предположить историю развития этой структуры в нижнекаменноугольный период. На фиг.6 представлено изображение корреляционной схемы, построенной по комплексу фациальных признаков двух скважин и разъяснение к ней.

[34]

График индекса продуктивности (фиг.8), построенный по скважине №2 в интервале 2370-2398,8 м указывает на фоновые значения продуктивности в этом интервале, значительно ниже линии продуктивности. В интервале 2398,8-2401,1 м индекс продуктивности превышает значения линии продуктивности и считается промышленно продуктивным. Литологически этот интервал приурочен к нефтенасыщенным песчаникам, расположенным между фациальными реперами №15 и №16. Фациальная зона, расположенная между реперами №16 и №17 в интервале 2401,1-2404 м, представлена аргиллитами и твердым черным битумом, все основные признаки продуктивности резко упали, поэтому и индекс продуктивности не высок, значительно ниже линии продуктивности. Интервал 2404-2408,5 м представлен высокоемкостными характеристиками песчаника: хорошей окатанностью и отсортированностью зерен песчаника, очень сильной его разрыхленностью. Поэтому, несмотря на обводненность коллектора, индекс продуктивности довольно высок и подходит вплотную к значениям продуктивности в одной точке, на глубине 2405,3 м, но далее начинает снижаться из-за измельчения зерен кварца и резко падает, когда размер зерен становится менее 0,2 мм на глубине 2407,8 м. Еще ниже индекс продуктивности резко падает из-за влияния сильно ухудшихся степени окатанности и отсортированности зерен, большей плотности песчаника - интервал 2407,8-2411 м. Полученные выводы были подтверждены фактическим каменным материалом (керном), данными ГИС и результатами пластоиспытания. Таким образом, по графику индекса продуктивности, построенного в процессе бурения скважины, можно оперативно выдавать предварительные заключения о продуктивности разбуриваемых коллекторов и рекомендовать к разработке наиболее продуктивные и высокодебитные пласты. При бурении горизонтальных участков стволов скважин, во время геонавигации в наиболее продуктивной части разреза, именно этот прием давал наиболее ощутимые результаты, увеличение дебитов нефти на 20-30% - явное тому подтверждение. Заявляемый способ наиболее эффективен в комплексном применении с ГТИ, ГИС, но может использоваться самостоятельно как отдельный прямой метод поиска залежей нефти и газоконденсата.

Как компенсировать расходы
на инновационную разработку
Похожие патенты