патент
№ RU 2303859
МПК H04M1/68

УСТРОЙСТВО ДЛЯ ЗАЩИТЫ СОТОВОГО ТЕЛЕФОНА ОТ НЕСАНКЦИОНИРОВАННОГО ПРОСЛУШИВАНИЯ В РЕЖИМЕ УДАЛЕННОГО ИНФОРМАЦИОННОГО ДОСТУПА

Авторы:
Световидов Владимир Николаевич
Номер заявки
2006131314/11
Дата подачи заявки
31.08.2006
Опубликовано
27.07.2007
Страна
RU
Как управлять
интеллектуальной собственностью
Реферат

[31]

Изобретение относится к технике противодействия коммерческому и промышленному шпионажу. Устройство содержит последовательно включенные вспомогательный микрофон, усилитель, амплитудный детектор, управляемый генератор помех звукового диапазона и электроакустический узел. Имеются последовательно включенные вспомогательная антенна и детектор радиоизлучения сотового телефона (СТ). Вспомогательная антенна установлена с возможностью приема в качестве рабочего сигнала излучения СТ при введении его в режим радиопередачи. Вспомогательный микрофон 2 установлен с возможностью восприятия подвергаемых несанкционированному прослушиванию речевых сигналов. Электроакустический узел 6 выполнен с возможностью работы в режиме динамика с направлением акустического шума в микрофон СТ при его опускании в полость кожуха устройства и в режиме микрофона с восприятием звонкового сигнала СТ при его штатном вызове. В устройство введены детектор звонкового сигнала СТ, подключенный входом к электрическому выходу электроакустического узла, и элемент Искл. ИЛИ-НЕ, входы которого соединены с выходами детекторов радиоизлучения и звонкового сигнала СТ, а выход - с пусковым входом генератора помех. Составные узлы устройства размещены в общем кожухе, который имеет полость для установки СТ с коммутацией под действием его силы тяжести выключателя источника питания. Изобретение обеспечивает исключение формирования акустического шума при отсутствии попыток несанкционированного прослушивания конфиденциальных переговоров и при штатном вызове СТ по другому телефону, а также управление генератором помех с получением пропорциональности уровня акустического шума уровню речевого сигнала. Технический результат заключается в повышении комфорта для участников переговоров с установленным в помещении СТ. 4 з.п. ф-лы. 1 ил.

Формула изобретения

1. Устройство для защиты сотового телефона от несанкционированного прослушивания в режиме удаленного информационного доступа, содержащее последовательно включенные вспомогательный микрофон, усилитель, амплитудный детектор, управляемый генератор помех звукового диапазона и электроакустический узел, последовательно включенные вспомогательную антенну и детектор радиоизлучения сотового телефона, а также источник питания, подключенный к питающим цепям электронных узлов через выключатель, при этом все составные узлы устройства размещены в общем кожухе, который имеет полость для установки сотового телефона с коммутацией под действием его силы тяжести выключателя источника питания, вспомогательная антенна установлена с возможностью приема в качестве рабочего сигнала излучения сотового телефона при введении его в режим радиопередачи, вспомогательный микрофон установлен с возможностью восприятия подвергаемых несанкционированному прослушиванию речевых сигналов, а электроакустический узел выполнен с возможностью работы в режиме динамика с направлением акустического шума в микрофон сотового телефона при его опускании в полость кожуха устройства, отличающееся тем, что электроакустический узел выполнен также с возможностью работы в режиме микрофона с восприятием звонкового сигнала сотового телефона при его штатном вызове, при этом в устройство введены детектор звонкового сигнала сотового телефона, подключенный входом к электрическому выходу электроакустического узла, и элемент Искл. ИЛИ-НЕ, входы которого соединены с выходами детекторов радиоизлучения и звонкового сигнала сотового телефона, а выход - с пусковым входом генератора помех.

2. Устройство по п.1, отличающееся тем, что генератор помех выполнен с возможностью генерации "розового" шума в диапазоне частот 300 Гц-4,5 кГц.

3. Устройство по п.1 или 2, отличающееся тем, что на пусковом входе генератора помех установлен шунтирующий электронный ключ, исключающий возбуждение генератора при отсутствии сигнала с выхода элемента Искл. ИЛИ-НЕ.

4. Устройство по п.1, отличающееся тем, что электроакустический узел выполнен с возможностью излучения в режиме динамика акустического шума с интенсивностью, пропорциональной уровню сигнала от вспомогательного микрофона, но не менее чем в 5 раз превышающей этот уровень.

5. Устройство по п.1, отличающееся тем, что детекторы радиоизлучения и звонкового сигнала сотового телефона выполнены в виде пассивных полосовых фильтров.

Описание

[1]

Изобретение относится к технике противодействия коммерческому и промышленному шпионажу.

[2]

Известны устройства для предотвращения несанкционированного прослушивания переговоров в помещениях с подключенными к абонентской линии связи телефонными аппаратами, базирующиеся на коммутационных органах, предназначенных для разрыва или закорачивания линии в состоянии покоя (DE 1487453 А, 16.01.1969; ЕР 0365741 А2, 02.05.1990; RU 2145153 C1, 27.01.2000).

[3]

Подобные устройства при их внедрении требуют существенной модернизации существующих телефонных систем.

[4]

Известны также устройства для исключения прослушивания, основанные на применении генераторов помех, препятствующих набору номера и восприятию речевых сигналов с постороннего, включенного параллельно, телефонного аппарата либо осуществляющих передачу в абонентскую телефонную линию сигнала помехи для фактической блокировки чужого абонента (FR 2655224 А1, 31.05.1991; RU 92006880 A, 20.01.1995, RU 14794 U1, 27.08.2000).

[5]

Недостатки известных устройств связаны с возможностью несложной фильтрации помех. Кроме того, в известных устройствах управление генератором помех ограничивается только его возбуждением и остановом, что не позволяет согласовывать характеристики защиты с текущими окружающими условиями. Это предопределяет невысокую эффективность защиты.

[6]

Наиболее близким к предложенному является защитное устройство, содержащее последовательно включенные вспомогательный микрофон, усилитель, амплитудный детектор, управляемый генератор помех звукового диапазона и электроакустический узел, последовательно включенные вспомогательную антенну и детектор радиоизлучения сотового телефона, выход которого соединен с входом генератора помех, а также источник питания, подключенный к питающим цепям электронных узлов через выключатель, при этом все составные узлы устройства размещены в общем кожухе, который имеет полость для установки сотового телефона с коммутацией под действием его силы тяжести выключателя источника питания, вспомогательная антенна установлена с возможностью приема в качестве рабочего сигнала излучения сотового телефона при введении его в режим радиопередачи, вспомогательный микрофон установлен с возможностью восприятия подвергаемых несанкционированному прослушиванию речевых сигналов, а электроакустический узел выполнен с возможностью работы в режиме динамика с направлением акустического шума в микрофон сотового телефона при его опускании в полость кожуха устройства (RU 2183914 С1, 10.08.2006).

[7]

В указанном устройстве обеспечивается целенаправленный пуск защиты и ее адаптация к уровню маскируемых речевых сигналов, т.е. создается определенный комфорт для участников конфиденциальных переговоров с установленным в помещении сотовым телефоном за счет исключения акустического шума при отсутствии попыток прослушивания и регулирования уровня акустического шума в зависимости от громкости речи в помещении. Тем не менее, участники переговоров испытывают некоторые неудобства в случае штатных звонков на защищаемый сотовый телефон, обуславливающих неоправданную работу генератора помех и создаваемый им ненужный фон до выемки сотового телефона из полости кожуха устройства и начала разговора по данному телефону.

[8]

Задачей изобретения является предотвращение работы генератора помех и создаваемого им фона при штатных звонках на защищаемый сотовый телефон. Технический результат заключается в повышении комфорта для участников конфиденциальных переговоров.

[9]

Поставленная задача решается тем, что в устройстве для защиты сотового телефона от несанкционированного прослушивания в режиме удаленного информационного доступа, содержащем последовательно включенные вспомогательный микрофон, усилитель, амплитудный детектор, управляемый генератор помех звукового диапазона и электроакустический узел, последовательно включенные вспомогательную антенну и детектор радиоизлучения сотового телефона, а также источник питания, подключенный к питающим цепям электронных узлов через выключатель, при этом все составные узлы устройства размещены в общем кожухе, который имеет полость для установки сотового телефона с коммутацией под действием его силы тяжести выключателя источника питания, вспомогательная антенна установлена с возможностью приема в качестве рабочего сигнала излучения сотового телефона при введении его в режим радиопередачи, вспомогательный микрофон установлен с возможностью восприятия подвергаемых несанкционированному прослушиванию речевых сигналов, а электроакустический узел выполнен с возможностью работы в режиме динамика с направлением акустического шума в микрофон сотового телефона при его опускании в полость кожуха устройства, - электроакустический узел выполнен также с возможностью работы в режиме микрофона с восприятием звонкового сигнала сотового телефона при его штатном вызове, при этом в устройство введены детектор звонкового сигнала сотового телефона, подключенный входом к электрическому выходу электроакустического узла, и элемент Искл. ИЛИ-НЕ, входы которого соединены с выходами детекторов радиоизлучения и звонкового сигнала сотового телефона, а выход - с пусковым входом генератора помех.

[10]

Решению поставленной задачи способствуют частные существенные признаки изобретения.

[11]

Генератор помех выполнен с возможностью генерации "розового" шума в диапазоне частот 300 Гц-4,5 кГц.

[12]

На пусковом входе генератора помех установлен шунтирующий электронный ключ, исключающий возбуждение генератора при отсутствии сигнала с выхода элемента Искл. ИЛИ-НЕ.

[13]

Электроакустический узел выполнен с возможностью излучения в режиме динамика акустического шума с интенсивностью, пропорциональной уровню сигнала от вспомогательного микрофона, но не менее чем в 5 раз превышающей этот уровень.

[14]

Детекторы радиоизлучения и звонкового сигнала сотового телефона выполнены в виде пассивных полосовых фильтров.

[15]

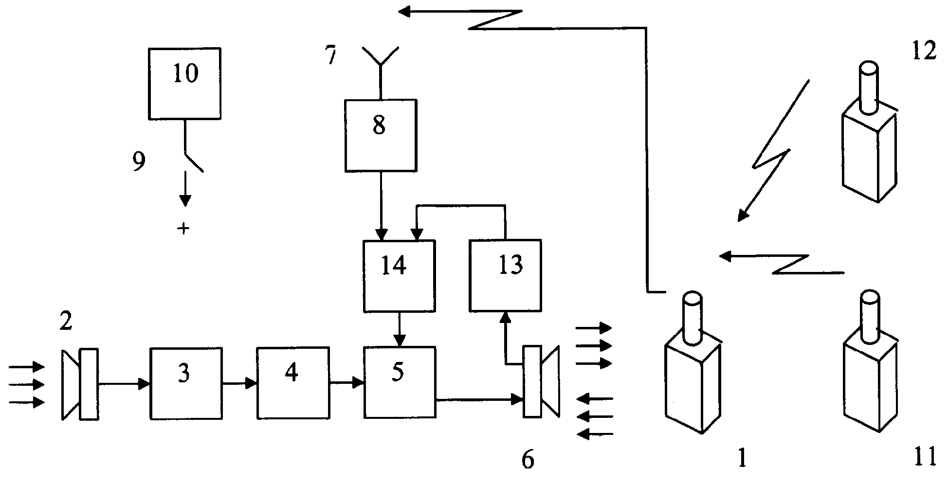
На чертеже представлена функциональная схема предложенного устройства.

[16]

Предложенное устройство, обеспечивающее защиту сотового телефона 1 от несанкционированного прослушивания в режиме удаленного информационного доступа и, тем самым, предотвращающее прослушивание конфиденциальных переговоров в помещениях с сотовым телефоном 1, содержит последовательно включенные вспомогательный микрофон 2, усилитель 3, амплитудный детектор 4, управляемый генератор помех 5 звукового диапазона и электроакустический узел 6. Кроме того, в устройство входят последовательно включенные вспомогательная антенна 7 и детектор радиоизлучения 8 сотового телефона. Питание электронных узлов устройства осуществляется через выключатель 9 от источника 10 питания. Позицией 11 на чертеже отмечен сотовый телефон злоумышленника, с помощью которого предпринимается попытка прослушивания конфиденциальных переговоров, а позицией 12 - сотовый телефон, которым посылается штатный вызов на защищаемый сотовый телефон 1 во время переговоров.

[17]

Вспомогательная антенна 7 установлена с возможностью приема в качестве рабочего сигнала излучения сотового телефона 1 при введении его в режим радиопередачи. Вспомогательный микрофон 2 установлен с возможностью восприятия подвергаемых несанкционированному прослушиванию речевых сигналов. Электроакустический узел 6 выполнен с возможностью работы в режиме динамика с направлением акустического шума в микрофон сотового телефона 1 при его опускании в полость кожуха устройства.

[18]

В отличие от наиболее близкого аналога электроакустический узел 6 выполнен также с возможностью работы в режиме микрофона с восприятием звонкового сигнала сотового телефона при его штатном вызове, т.е. в данном случае электроакустический узел 6 представляет собой небольшой аксессуар, который является динамиком и микрофоном в одном лице. При этом в устройство введены детектор 13 звонкового сигнала сотового телефона, подключенный входом к электрическому выходу электроакустического узла 6, и элемент 14 Искл. ИЛИ-НЕ, входы которого соединены с выходами детектора 8 радиоизлучения и детектора 13 звонкового сигнала сотового телефона, а выход - с пусковым входом генератора 5 помех.

[19]

Все составные узлы устройства размещены в общем кожухе, который имеет полость для установки сотового телефона 1 с коммутацией под действием его силы тяжести выключателя 9 источника питания 10.

[20]

Генератор помех 5 в частном случае выполнен с возможностью генерации "розового" шума в диапазоне частот 300 Гц-4,5 кГц. На пусковом входе генератора помех 5 установлен шунтирующий электронный ключ (на чертеже не показан), исключающий возбуждение генератора 5 при отсутствии сигнала с выхода элемента 14 Искл. ИЛИ-НЕ. Электроакустический узел 6 выполнен с возможностью излучения в режиме динамика акустического шума с интенсивностью, пропорциональной уровню сигнала от вспомогательного микрофона 2, но не менее чем в 5 раз превышающей этот уровень. Детектор 8 радиоизлучения и детектор 13 звонкового сигнала сотового телефона выполнены в виде пассивных полосовых фильтров.

[21]

Защита от прослушивания реализуется предложенным устройством следующим образом.

[22]

В настоящее время для осуществления промышленного и коммерческого шпионажа широко используется несанкционированное прослушивание ведущихся в помещении переговоров с помощью установленных там телефонов, в том числе и с сотовой связью. При этом прослушивание может производиться даже в том случае, когда абонентская трубка не снята, а сотовый телефон не включен, например путем посылки высокочастотных колебаний на микрофон телефона, где они модулируются речью участников переговоров.

[23]

В данном случае для предотвращения несанкционированного прослушивания переговоров перед их началом сотовый телефон 1 вставляют в полость кожуха защитного устройства. При этом под тяжестью сотового телефона 1 происходит срабатывание выключателя 9 и замыкание его контактов, через которые на электронные блоки устройства поступает питание от источника 10 питания.

[24]

Если происходит штатный вызов сотового телефона 1 по другому телефону, например по сотовому телефону 12, и штатное введение сотового телефона 1 в режим радиопередачи, радиоизлучение и звонковый сигнал сотового телефона 1 воспринимаются соответственно вспомогательной антенной 7 и электроакустическим узлом 6, работающим в данном случае в режиме микрофона. В связи с этим появляются одновременно сигналы на выходах детектора 8 радиоизлучения и детектора 13 звонкового сигнала сотового телефона. При одновременном возникновении этих двух сигналов сигнал на выходе элемента 14 Искл. ИЛИ-НЕ не вырабатывается и запуск генератора 5 помех не производится. Это предопределяет отсутствие ненужного шумового фона, который имеет место в наиболее близком аналоге до выемки сотового телефона 1 из полости кожуха устройства и начала разговора по сотовому телефону 1.

[25]

Если в процессе конфиденциальных переговоров в помещении введение сотового телефона 1 в режим радиопередачи осуществляется сотовым телефоном 11 злоумышленника, антенной сотового телефона 1 начинают излучаться радиоволны, которые принимаются вспомогательной антенной 7 и детектируются детектором 8 радиоизлучения. Сигналы же на электрическом выходе электроакустического узла и на выходе детектора 13 звонкового сигнала отсутствуют. Сигнал с выхода детектора 8 через открытый в данном случае элемент 14 Искл. ИЛИ-НЕ воздействует на пусковой вход генератора помех 5, обеспечивая начало функционирования данного генератора и всего защитного устройства в целом.

[26]

С запуском защитного устройства генератором помех 5 генерируется "розовый" шум в диапазоне частот 300 Гц-4,5 кГц. Эти электрические помехи подводятся к электроакустическому узлу 6, осуществляющему в данном режиме электроакустическое преобразование, т.е. работающему в качестве маскирующего динамика. Выработанный акустический шум от электроакустического узла 6 передается на микрофон сотового телефона 1, который воспринимает также и речевые сигналы участников переговоров. При средней громкости переговоров уровень акустического шума на входе речевого тракта, как уже указывалось, не менее чем в 5 раз превышает уровень речевого сигнала.

[27]

Регулирование уровня генерируемых генератором 5 помех и, как следствие, уровня акустического шума непосредственно у микрофона сотового телефона 1 осуществляется с помощью вспомогательного микрофона 2, который воспринимает ведущиеся в помещении переговоры, и амплитудного детектора 4, который выделяет огибающую речевого сигнала, используемую для управления генератором помех 5. Иными словами, в данном техническом решении при выявлении попыток прослушивания имеет место автоматическое отслеживание вырабатываемого акустического шума по громкости переговоров. Если переговоры ведутся тихо, то и уровень шума достаточно низок. Когда же громкость переговоров усиливается, уровень шума также увеличивается. В результате отношение речевой сигнал/акустический шум от начала и до конца переговоров остается неизменным, что весьма благотворно сказывается на общем тонусе участников переговоров.

[28]

Излучение акустического шума никак не мешает нормальному вызову сотового телефона 1. Если при работе генератора помех происходит штатный вызов сотового телефона 1 по сотовому телефону 12 и появляется звонковый сигнал сотового телефона 1, принципиально возможно кратковременное прекращение функционирования защиты до выемки сотового телефона 1 из полости кожуха устройства и начала разговора по сотовому телефону 1. Эта возможность обуславливается одновременным наличием сигналов на выходах детектора 8 радиоизлучения и детектора 13 звонкового сигнала сотового телефона, пропаданием сигнала на выходе элемента Искл. ИЛИ-НЕ и, как следствие, остановом генератора 5 помех. Однако такое снятие защиты является чисто гипотетическим, поскольку при возникновении в сотовом телефоне 1 вызывающего звонка конфиденциальные переговоры обычно приостанавливаются вплоть до окончания разговора по сотовому телефону 1.

[29]

Таким образом, важными качествами изобретения являются исключение формирования акустического шума при отсутствии попыток несанкционированного прослушивания конфиденциальных переговоров и при штатном вызове сотового телефона 1 по сотовому телефону 12, а также управление генератором 5 помех с целью обеспечения пропорциональности уровня формируемого акустического шума уровню речевого сигнала.

[30]

Все попытки несанкционированного прослушивания переговоров через сотовый телефон 1, используемый в режиме удаленного доступа, оказываются безуспешными. Вместе с тем, исключение акустического шума при отсутствии попыток прослушивания и при штатном вызове сотового телефона 1 по сотовому телефону 12, а также регулирование уровня акустического шума при наличии попыток прослушивания в зависимости от громкости речи обеспечивают повышенный комфорт для участников конфиденциальных переговоров.

Как компенсировать расходы
на инновационную разработку
Похожие патенты