патент
№ RU 2278469
МПК H03K19/0948

ЛОГИЧЕСКОЕ УСТРОЙСТВО "ИЛИ"

Авторы:
Попов Николай Дмитриевич
Правообладатель:
Все (2)
Номер заявки
2004131581/09
Дата подачи заявки
01.11.2004
Опубликовано
20.06.2006
Страна
RU
Как управлять
интеллектуальной собственностью
Чертежи 
4
Реферат

[43]

Изобретение относится к автоматике и вычислительной технике и может быть использовано для разработки микросхем троичной логики. Техническим результатом является повышение производительности устройства. Устройство содержит элемент двоичной положительной логики «ИЛИ-НЕ», элемент двоичной положительной логики «И-НЕ», выполненные по КМОП технологии, общую шину, шину источника положительного напряжения, шину источника отрицательного напряжения, две входные шины, элемент объединения сигналов. 2 з.п. ф-лы, 5 ил., 7 табл.

Формула изобретения

1. Логическое устройство, реализующее функцию «ИЛИ» в троичной логике, содержащее логический элемент «ИЛИ-НЕ» положительной двоичной логики, выполненный по КМОП-технологии, общую шину, первую и вторую входные шины, шину положительного напряжения питания и выходную шину, отличающееся тем, что в него дополнительно введены логический элемент «И-НЕ» положительной двоичной логики, выполненный по КМОП-технологии, элемент объединения сигналов, причем первый логический элемент «ИЛИ-НЕ» подключен к шине положительного напряжения питания и к общей шине, логический элемент «И-НЕ» подключен к общей шине клеммой для подключения питания и к шине отрицательного напряжения питания клеммой для подключения общей шины, одноименные входы логических элементов соединены между собой и подключены к входным шинам, выход логического элемента «ИЛИ-НЕ» подключен к первому входу элемента объединения сигналов, выход логического элемента «И-НЕ» подключен ко второму входу элемента объединения сигналов, выход которого подключен к выходной шине.

2. Логическое устройство по п.1, отличающееся тем, что элемент объединения выполнен на суммирующем операционном усилителе.

3. Логическое устройство по п.1, отличающееся тем, что элемент объединения сигналов содержит первую входную шину, подключенную к выходу логического элемента «ИЛИ-НЕ», и вторую входную шину, подключенную к выходу логического элемента «И-НЕ», выходную шину, подключенную к нагрузке, первый и второй МДП-транзисторы с каналом р-проводимости, третий и четвертый МДП-транзисторы с каналом n-проводимости, причем пороговые напряжения транзисторов такие, что каналы первого и четвертого транзисторов закрыты при нулевом напряжении на затворах, а у второго и третьего транзисторов каналы открыты при нулевом напряжении на затворах, первый и второй транзисторы соединены последовательно и включены между шиной положительного напряжения питания и выходной шиной, третий и четвертый транзисторы соединены последовательно и включены между выходной шиной и шиной отрицательного напряжения питания, затворы первого и третьего транзисторов соединены между собой и подключены ко второй входной шине, а затворы второго и четвертого транзистора соединены между собой и подключены к первой входной шине.

Описание

[1]

Изобретение относится к автоматике и вычислительной технике и может быть использовано для разработки микросхем троичной логики, позволяющей повысить производительность устройств, унифицированных с микросхемами двоичной логики.

[2]

Известны базовые логические элементы (ЛЭ) двоичной логики, такие как: «ИЛИ-НЕ». Наиболее распространенным аналогами являются, например, ЛЭ, выполненные по ТТЛ-технологии [1] - Шило В.Л. Популярные цифровые микросхемы, Челябинск, «Металлургия», 1988. Он содержит (с.37, Рис. 1.21. [1]): общую шину, шину источника положительного напряжения питания, входную и выходную шины, пять резисторов, один диод и шесть транзисторов, соединенные по схеме ЛЭ «ИЛИ-НЕ». Этот ЛЭ не может выполнять функцию «ИЛИ» в троичной логике и имеет повышенное потребление энергии.

[3]

За прототип изобретения принят базовый ЛЭ «ИЛИ-НЕ», выполненный по КМОП-технологии (Рис. 2.10, с.203, [1]). На Фиг.1 показана электрическая схема двоичного ЛЭ «ИЛИ-НЕ», выполненного по КМОП-технологии. ЛЭ содержит: общую шину 1, шину 2 источника положительного напряжения, первую 3 и вторую 4 входные шины и четыре МОП-транзистора 6, 7, 8 и 9. Первый 6 и второй 7 транзисторы с каналом р-проводимости, третий 8 и четвертый 9 с каналом n-проводимости.

[4]

В схеме ЛЭ «ИЛИ-НЕ» транзисторы с каналом р-проводимости (транзисторы 6 и 7) соединены последовательно и подключены к шине питания 2 с одной стороны и к выходной шине 5 - с другой. Транзисторы 8 и 9 n-проводимости соединены параллельно и подключены к выходной шине 5 и общей шине 1. ЛЭ работает следующим образом. Если на обоих входах присутствуют напряжения низкого уровня, то оба транзистора р-проводимости открыты, транзисторы n-проводимости закрыты, и на выходной шине будет напряжение высокого уровня. При всех других комбинациях напряжений на входных шинах один из транзисторов р-проводимости или оба эти транзистора будут закрыты, а транзисторы n-проводимости (по одному или оба) открыты, и на выходной шине будет напряжение низкого уровня. Таким образом, этот элемент выполняет функцию «ИЛИ» с отрицанием в соответствии с таблицей истинности 1.

[5]

Таблица 1
Вход 1
Вход 210
100
001

[6]

В двоичной логике используют однополярные сигналы алфавита {0, 1} положительной логики, или {0,-1} отрицательной двоичной логики.

[7]

В троичной логике используют биполярные сигналы алфавита {-1, 0, 1}. Базовым логическим элементом «ИЛИ» в троичной логике может быть элемент, который выполняет функцию в соответствии с таблицей истинности 2.

[8]

Таблица 2
ИЛИВход 1
Вход 2 10-1
1110
010-1
-10-1-1

[9]

Логические элементы двоичной логики не реализуют функции троичной логики. Техническим результатом изобретения является увеличение производительности устройств логики, при их использовании в вычислительной технике, по сравнению с аналогичными устройствами двоичной логики.

[10]

Используя ЛЭ «ИЛИ-НЕ» и ЛЭ «И-НЕ» двоичной логики, можно реализовать функцию троичной логики «ИЛИ». ЛЭ «И-НЕ» (Фиг.2) содержит: общую шину 1, шину 2 источника положительного напряжения, первую 3 и вторую 4 входные шины и четыре МОП-транзистора 6, 7, 8 и 9. Первый 6 и второй 7 транзисторы с каналом р-проводимости, третий 8 и четвертый 9 - с каналом n-проводимости. Транзисторы 6 и 7 соединены параллельно и подключены к шине питания 2 с одной стороны и к выходной шине 5 - с другой. Транзисторы 8 и 9 соединены последовательно и подключены к выходной шине 5 и общей шине.

[11]

ЛЭ работает следующим образом. Если на обоих входах присутствуют напряжения высокого уровня, то оба транзистора р-проводимости закрыты, транзисторы n-проводимости открыты, и на выходной шине 5 будет напряжение низкого уровня. При всех других комбинациях напряжений на входных шинах один из транзисторов р-проводимости или оба эти транзистора будут открыты, а транзисторы n-проводимости (по одному или оба) закрыты, и на выходной шине будет напряжение высокого уровня. Таким образом, этот элемент выполняет функцию «И» с отрицанием в соответствии с таблицей истинности 3.

[12]

Таблица 3
Вход 1
Вход 210
101
011

[13]

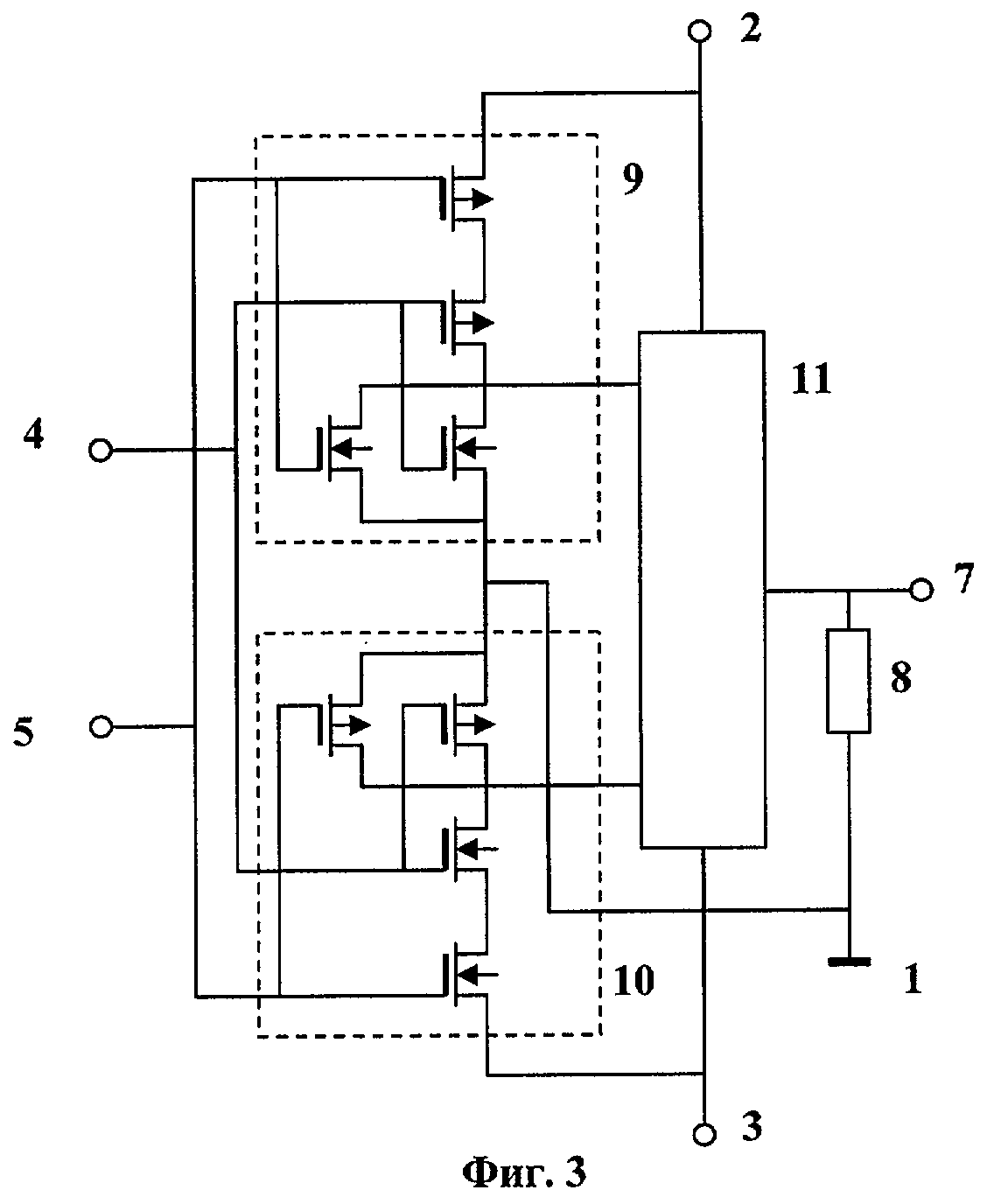
Устройство для реализации функции троичной логики «ИЛИ» (Фиг.3) содержит: общую шину 1, шину 2 источника положительного напряжения, шину 3 источника отрицательного напряжения, первую 4 и вторую 5 входные шины, ЛЭ «ИЛИ-НЕ» 9 и ЛЭ «И-НЕ» 10, оба ЛЭ двоичной положительной логики, которые выполнены по КМОП-технологии, и элемент объединения сигналов 11. При этом первый ЛЭ 9 подключен к шине 2 положительного напряжения питания и к общей шине 1, а второй логический элемент 10 подключен к общей шине клеммой для подключения питания и к шине 3 отрицательного напряжения питания клеммой для подключения общей шины. Одноименные входы первого 9 и второго 10 ЛЭ соединены между собой и подключены к входным шинам 4 и 5. Выход первого ЛЭ 9 подключен к первому входу элемента объединения сигналов 11, выход второго ЛЭ 10 подключен ко второму входу элемента 11, выход элемента 11 подключен к выходной шине 7 и нагрузке 8.

[14]

Первый ЛЭ 9, при не отрицательных сигналах на входах, работает так же, как в двоичной логике. На напряжения отрицательной полярности этот элемент реагирует, как на напряжения низкого уровня. Таким образом, при биполярных сигналах на входах ЛЭ 9 работает в соответствии с таблицей истинности 4.

[15]

Таблица 4
Вход 1
Вход 210 -1
1000
0011
-1011

[16]

Второй логический элемент 10 работает следующим образом. При не отрицательных напряжениях на входных шинах транзисторы р-проводимости заперты, а транзисторы n-проводимости открыты, и напряжение источника отрицательного напряжения передается на выход этого ЛЭ. Если на одной или на двух входных шинах присутствует отрицательное напряжение, то один или оба транзистора с каналом р-проводимости открыты, и выход ЛЭ находится под напряжением низкого уровня. При этом один или оба транзистора n-проводимости закрыты. Таким образом, при биполярных сигналах на входах ЛЭ 10 работает в соответствии с таблицей истинности 5.

[17]

Таблица 5
Вход 1
Вход 210-1
1 -1-10
0-1-10
-1000

[18]

Если в качестве элемента объединения 11 использовать суммирующий операционный усилитель, то логические состояния определяются простым суммированием уровней сигналов с выходов первого и второго ЛЭ в соответствии с таблицей истинности 6.

[19]

Таблица 6
Вход 1
Вход 210-1
1 -1-10
0-10 1
-1011

[20]

Суммирующий операционный усилитель - сложное и энергоемкое устройство, поэтому целесообразно вместо него использовать новый ЛЭ «2НЕ» (второе отрицание) троичной логики. Этот элемент может быть выполнен с использованием МОП-транзисторов, как показано на Фиг.4. ЛЭ «2НЕ» содержит: общую шину 1, шины 2 и 3 источников положительного и отрицательного напряжения, две входных шины 4 и 5, выходную шину 6, нагрузку 7 и четыре МОП-транзистора 8, 9, 10 и 11, соединенные между собой последовательно. Первый 8 и второй 9 транзисторы с каналом р-проводимости, третий 10 и четвертый 11 - с каналом n-проводимости. При этом пороговые напряжения транзисторов такие, что каналы первого 8 и четвертого 11 транзисторов закрыты при нулевом напряжении на затворах, а у второго 9 и третьего 10 транзистора каналы открыты при нулевом напряжении на затворах. Первый 8 и второй 9 транзисторы соединены последовательно и включены между шиной 2 положительного напряжения питания и выходной шиной 6. Третий 10 и четвертый 11 транзисторы соединены последовательно и включены между выходной шиной 6 и шиной 3 отрицательного напряжения питания. Затворы первого 8 и третьего 10 транзисторов соединены между собой и подключены ко второй входной шине 5, а затворы второго 9 и четвертого 11 транзисторов соединены между собой и подключены к первой входной шине 4. Следует отметить, что первый вход 4 предназначен для приема не отрицательных сигналов, а второй вход 5 - для приема не положительных сигналов.

[21]

Это устройство работает следующим образом. Если на первый вход 4 подается напряжение низкого уровня, а на второй вход 5 - отрицательное напряжение высокого уровня, первый транзистор 8 открывается, и через открытый второй транзистор 9 положительное напряжение шины 2 передается на выходную шину 6 и выделяется на элементе нагрузки 7. При этом цепь от шины 3 источника отрицательного напряжения к выходной шине разомкнута, так как третий транзистор 10 запирается при отрицательном напряжении на затворе, и четвертый транзистор 11 закрыт при низком уровне напряжения на затворе.

[22]

Если на первый вход 4 подается положительное напряжение высокого уровня и на второй вход 5 отрицательное напряжение высокого уровня, то разомкнуты обе цепи: от источника положительного напряжения (шина 2) к выходной шине 6 и от источника отрицательного напряжения (шина 3) к выходной шине 6, так как второй 8 и третий 9 транзисторы закрыты. При этом выходная шина находится под потенциалом общей шины 1 через связь с нагрузкой 7.

[23]

Если на первый вход 4 подается положительное напряжение высокого уровня, а на второй вход 5 - напряжение низкого уровня, то четвертый транзистор 11 открывается, и через открытый третий транзистор 10 отрицательное напряжение от шины 3 передается на выходную шину 6 и выделяется на нагрузке 7. При этом цепь от шины 2 источника положительного напряжения к выходной шине 6 разомкнута, так как второй транзистор 9 запирается при положительном напряжении на затворе, и первый транзистор 8 закрыт при низком уровне напряжения на затворе. ЛЭ троичной логики «2НЕ» работает в соответствии с таблицей истинности 7:

[24]

Таблица 7
входывыход
0, -11
1, -10
1, 0-1

[25]

Следует отметить состояние ЛЭ (Фиг.4), когда оба входа 4 и 5 находятся при низком уровне напряжений. В этом случае первый 8 и четвертый 11 транзисторы закрыты, и выходная шина 6 находится под потенциалом общей шины 1 из-за ее связи с нагрузкой 7.

[26]

При выполнении ЛЭ «2НЕ» с резистором в качестве нагрузки 7 у него повышенное потребление энергии и пониженное быстродействие по сравнению с элементами двоичной логики. Так, при логических состояниях, когда открыта любая из цепей между источниками питания и выходной шиной, через резистор нагрузки постоянно протекает ток. Уменьшить величину тока путем увеличения сопротивления резистора не удается, так как при этом снижается быстродействие из-за увеличения постоянной времени разряда емкости нагрузки через резистор. Этот недостаток устраняется при использовании в качестве нагрузки нового устройства с управляемой проводимостью.

[27]

Электрическая схема такого устройства показана на Фиг.5. Элемент нагрузки содержит четыре МДП-транзистора 12, 13, 14 и 15. Первый 12 и третий 14 транзисторы, с каналами р-проводимости, а второй 13 и четвертый 15, с каналами n-проводимости. Первый 12 и второй 13 транзисторы соединены последовательно и включены между выходной шиной и общей шиной. Третий 14 и четвертый 15 транзисторы также соединены последовательно и включены между выходной шиной 6 и общей шиной 1. При этом пороговые напряжения первого и второго транзисторов такие, что их каналы зарыты при нулевом напряжении на затворах, а у третьего и четвертого транзисторов каналы открыты при нулевом напряжении на затворах.

[28]

Затворы первого 12 и четвертого 15 транзисторов соединены между собой и подключены ко второй входной шине 5, затворы второго 13 и третьего 14 транзисторов соединены между собой и подключены к первой входной шине. 4.

[29]

Элемент нагрузки работает следующим образом. Когда на входах ЛЭ «2НЕ» присутствует напряжение низкого уровня, третий и четвертый транзисторы открыты, и элемент нагрузки имеет высокую проводимость, обеспечивая быстрый разряд емкости нагрузки. При этом цепи от шин 2 и 3 источников питания к выходной шине 6 разомкнуты, и потребление энергии минимально, как в ЛЭ двоичной логики.

[30]

Если на обоих входах присутствуют напряжения высокого уровня: на первом входе 4 положительного напряжения, а на втором входе 5 отрицательного напряжения, то первый 12 и второй 13 транзисторы открываются, и элемент нагрузки имеет высокую проводимость, обеспечивая быстрый разряд емкости нагрузки. При этом цепи от источников питания к выходной шине 6 разомкнуты, и потребление энергии минимально.

[31]

Если высокий уровень напряжения имеет место только на одной из входных шин положительного напряжения на первой 4 или отрицательного на второй 5, то один из транзисторов третий 14 или четвертый 15, соответственно, закрывается, и вся правая цепь (транзисторы 14 и 15) становится высокоомной. При этом в левой цепи (транзисторы 12 и 13) открывается только один из транзисторов, и вся цепь остается высокоомной. Таким образом, в целом элемент нагрузки в этих логических состояниях имеет большое сопротивление, чем обеспечивается минимальное потребление энергии при открытых цепях от источников питания к выходной шине 4.

[32]

Общими элементами прототипа изобретения и устройства являются логический элемент «ИЛИ-НЕ» положительной двоичной логики, выполненный по КМОП-технологии, общая шина, первая и вторая входные шины, шина положительного напряжения питания.

[33]

Практически логическое устройство «ИЛИ» может быть выполнено на ЛЭ «ИЛИ-НЕ» и ЛЭ «И-НЕ» двоичной логики, например, серии 561, выпускаемой промышленностью.

[34]

Логическое устройство «2НЕ», входящее в состав устройства троичной логики «ИЛИ», может быть выполнено на транзисторах, выпускаемых промышленностью:

[35]

- транзистор 8 - IRF9640;

[36]

- транзистор 9 - IRF9510;

[37]

- транзистор 10 - IRF120;

[38]

- транзистор 11 - IRFP244;

[39]

- транзистор 12 - ZVP4424A;

[40]

- транзистор 13 - ZVN4424A;

[41]

- транзистор 14 - IRF9140;

[42]

- транзистор 15 - IRF710.

Как компенсировать расходы
на инновационную разработку
Похожие патенты