патент
№ RU 2275760
МПК H05B41/00

ПУСКОРЕГУЛИРУЮЩИЙ АППАРАТ ДЛЯ ГАЗОРАЗРЯДНЫХ ЛАМП

Авторы:
Урбанович Валерий Анатольевич (BY) Печеркин Владимир Яковлевич Васильев Александр Иванович
Все (8)
Номер заявки
2003133175/28
Дата подачи заявки
14.11.2003
Опубликовано
27.04.2006
Страна
RU
Как управлять
интеллектуальной собственностью
Реферат

[23]

Изобретение относится к технике приборостроения, а именно к технике управления приборами, использующими газоразрядные источники света. Технический результат - повышение надежности работы газоразрядных источников света. Для достижения данного результата фильтр снабжен устройством плавного пуска. При этом с выпрямителем и блоком инвертора соединен корректор коэффициента мощности, схема зажигания и горения включает управляемый генератор, а в качестве источника питания для каждого электрода используется источник тока. 3 з.п. ф-лы, 1 ил.

Формула изобретения

1. Пускорегулирующий аппарат, содержащий последовательно соединенные фильтр, выпрямитель, управляемый блок инвертора, включающий независимую схему зажигания и горения лампы и схему подогрева электродов, питание на каждый из которых подается от двух независимых управляемых источников питания, блок регистрации и управления, соединенный с блоком инвертора и схемами зажигания и подогрева посредством управляемых ключей, отличающийся тем, что фильтр снабжен устройством плавного пуска, с выпрямителем и блоком инвертора соединен корректор коэффициента мощности, схема зажигания и горения включает управляемый генератор, а в качестве источника питания для каждого электрода используется источник тока.

2. Пускорегулирующий аппарат по п.1, отличающийся тем, что независимые источники тока могут генерировать на выходе как переменный, так и постоянный ток заданного переменного значения.

3. Пускорегулирующий аппарат по п.1, отличающийся тем, что выбор режима зажигания и горения лампы осуществляется путем изменения частоты генератора.

4. Пускорегулирующий аппарат по п.1, отличающийся тем, что изменение частоты генератора может осуществляться программно, аппаратно или с компьютера.

Описание

[1]

Изобретение относится к электротехнике, в частности к электронным пускорегулирующим аппаратам (ЭПРА), предназначенным для зажигания и горения газоразрядных ламп с подогреваемыми электродами, в том числе ртутных и амальгамных ламп ультрафиолетового (УФ) диапазона, применяемых для обеззараживания различных сред.

[2]

Известен ЭПРА для УФ ламп, предназначенный для предварительного прогрева электродов лампы, создания напряжения, необходимого для зажигания лампы, а также ограничения величины рабочего тока лампы (DE 19637906, 30.03.1997). Особенностью конструкции ЭПРА является наличие раздельных схемы питания электродов лампы и схемы зажигания и поддержания тока горения лампы. Схема состоит из двух узлов: схемы зажигания и поддержания тока горения лампы и схемы питания электродов, предназначенной для генерирования импульсного рабочего тока с последующим выпрямлением, причем величина рабочего тока электродов задается принудительно и регулируется широтно-импульсной модуляцией. Известный ЭПРА позволяет работать при высокой мощности и значительных рабочих токах, имеет высокий КПД, а также позволяет разнести УФ лампу и ЭПРА на большое расстояние.

[3]

Недостатком известного технического решения является отсутствие возможности оперативной регулировки токов подогрева электродов при работе лампы, а также программируемого подбора оптимальных рабочих параметров во время работы лампы, что существенно сокращает срок службы лампы. Кроме того, питание электродов только постоянным током ограничивает тип газоразрядных ламп, для которых может применяться указанный ЭПРА.

[4]

Наиболее близким к изобретению является ЭПРА для газоразрядных ламп низкого давления, снабженный системой автоматического распознавания типа лампы и автоматического регулирования тока разряда и напряжения подогрева в соответствии с типом лампы (WO 99/43188, Н 05 В 41/36, 26/08/99). Указанный ЭПРА также имеет две независимые схемы для зажигания и поддержания тока горения лампы и для подогрева электродов, причем питание на каждый электрод подается от независимого управляемого источника напряжения. Регулировка ЭПРА производится с микропроцессорного блока управления, который регистрирует значения напряжения разряда, тока разряда и напряжения подогрева электродов, на основании которых автоматически определяет тип лампы и производит подстройку тока разряда и напряжения подогрева соответственно требуемым. Благодаря возможности автоматического распознавания лампы и подстройки параметров до необходимых значений, известное устройство может применяться для различных типов ламп и является универсальным.

[5]

Недостатком прототипа является то, что используемая автоматическая подстройка не учитывает цикла работы лампы, в результате чего напряжение от независимых источников подается на электроды без учета их состояния. Кроме того, подача напряжения от независимых источников на электроды, в особенности на холодные, подвергает их дополнительной нагрузке (токовый удар, деформация), что значительно снижает срок службы как самих электродов, так и всей лампы в целом. Известный ЭПРА не имеет возможности выбора оптимального режима работы лампы с учетом условий ее эксплуатации, так как осуществляемая им регулировка задает параметры, определенные для данного типа лампы, но не позволяет «маневрировать» ими в зависимости от срока и требований эксплуатации.

[6]

В основе изобретения лежит задача разработки ЭПРА с возможностью автоматического выбора оптимального режима работы электродов и тока разряда в лампе, в зависимости от цикла работы лампы, условий ее эксплуатации и количества наработанных часов.

[7]

Технический результат, достигаемый при использовании предлагаемого устройства, заключается в увеличении срока службы лампы, а также в снижении эксплуатационных расходов, особенно значительных для многоламповых систем, и уменьшении трудоемкости регулировки при производстве ПРА.

[8]

Указанный результат достигается тем, что в пускорегулирующем аппарате, содержащем последовательно соединенные фильтр, выпрямитель, блок инвертора, включающий независимые схему зажигания и горения лампы и схему подогрева электродов, питание на каждый из которых подается от двух независимых управляемых источников питания, блок регистрации и управления, соединенный с блоком инвертора и схемами посредством управляемых ключей, согласно изобретению фильтр снабжен устройством плавного пуска, с выпрямителем и блоком инвертора соединен корректор коэффициента мощности, схема зажигания и горения включает управляемый генератор, а в качестве источника питания для каждого электрода используется источник тока. Указанный результат достигается также тем, что источники тока могут генерировать на выходе как переменный, так и постоянный ток заданного переменного значения, а выбор режима зажигания и горения лампы осуществляется изменением частоты генератора.

[9]

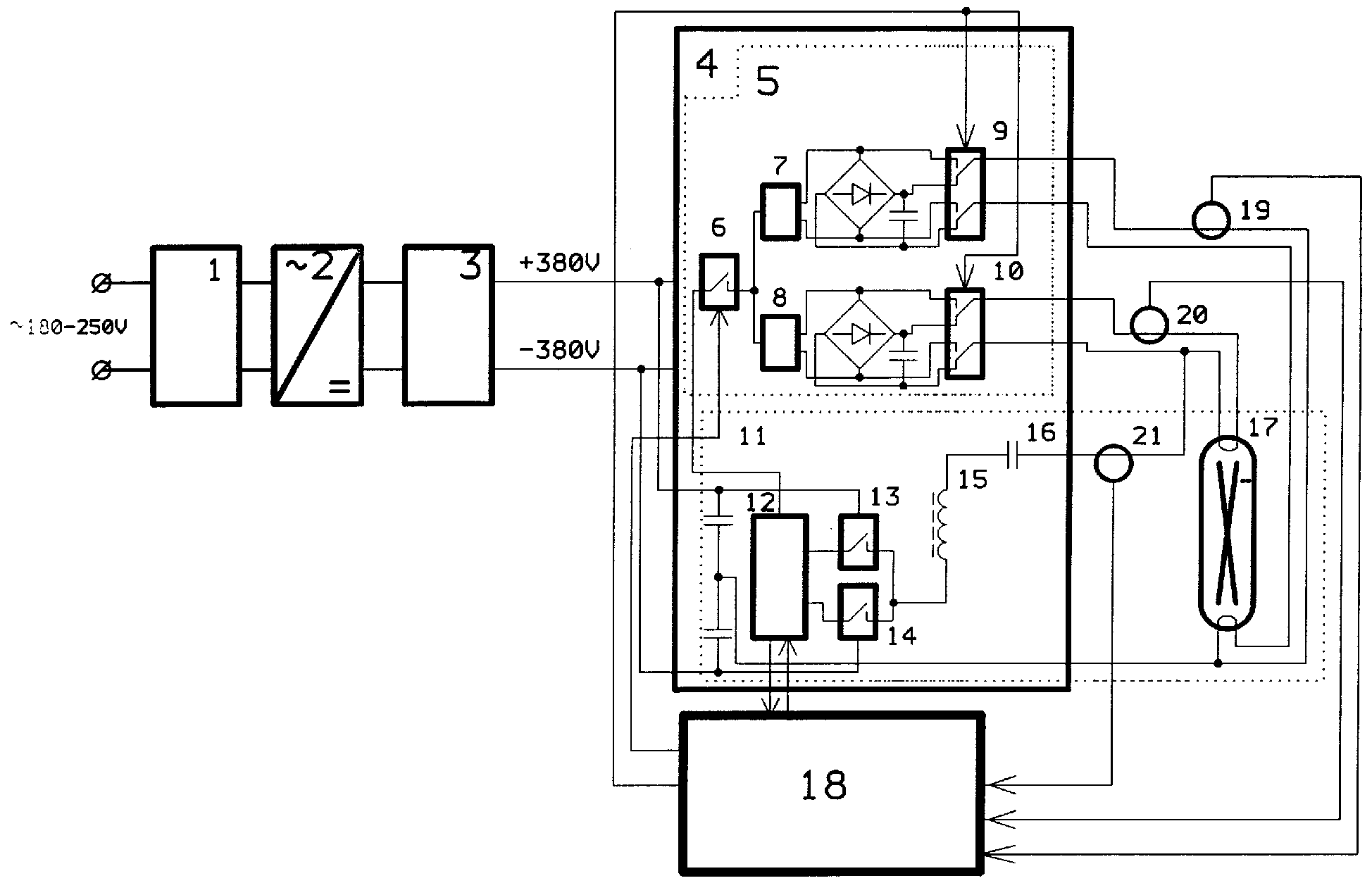
На чертеже представлена схема электронного пускорегулирующего аппарата для зажигания и питания газоразрядных ламп с подогреваемым катодом, на которой указаны фильтр 1 с устройством плавного пуска, выпрямитель 2, корректор 3 коэффициента мощности (PFC), блок инвертора 4 со схемой 5 подогрева электродов лампы, включающей ключ 6 управления независимыми источниками 7, 8 тока, ключи 9, 10 управления родом тока, схема 11 зажигания и горения, управляемый генератор 12, ключи 13, 14 инвертора, балластно-резонансный контур, образованный дросселем 15, конденсатором 16 и лампой 17 с электродами, блок 18 управления, датчики 19, 20 тока накала электродов и датчик 21 тока лампы.

[10]

Схему 11 зажигания и горения лампы составляют управляемый генератор 12, соединенный посредством ключей 13, 14 с балластно-резонансным контуром, образованным дросселем 15, конденсатором 16 и лампой 17 с электродами, и датчик 21 тока лампы.

[11]

Схема 5 подогрева электродов лампы образована ключом 6 управления, соединенным с независимыми источниками 7, 8 тока, ключами 9, 10 управления родом тока и датчиками 19, 20 тока накала электродов. Независимые схемы зажигания и горения лампы и подогрева электродов лампы входят в блок 4 инвертора.

[12]

Устройство работает следующим образом.

[13]

Сетевое напряжение с фильтра 1 подается через выпрямитель 2 на корректор 3 коэффициента мощности. С корректора PFC на схему зажигания 11 блока инвертора 4 подается постоянное стабилизированное напряжение 380 В, которое питает выходные ключи 13, 14. Посредством изменения частоты генератора 12 осуществляется режим зажигания и поддержания горения лампы 17. К выходу ключей 13 и 14 подключен балластно-резонансный контур 15, 16, 17, с помощью которого генерируются импульсы высокого напряжения зажигания и поддержания рабочего тока лампы.

[14]

Для подогрева электродов лампы 17 в блоке инвертора 4 предусмотрена схема 5 подогрева, в которой питание электродов производится от двух независимых источников 7, 8 тока, управление которыми осуществляется с помощью ключа 6. Выход каждого источника тока подключен к соответствующему электроду лампы, на которые подается по выбору переменный или постоянный ток, коммутируемый через ключи 9 и 10 в зависимости от конструкции лампы. С помощью датчиков 19 и 20 тока накала электродов, выходы которых образуют петлю обратной связи с блоком 18 управления инвертором, отслеживаются и регистрируются значения рабочих токов электродов.

[15]

Блок управления инвертором 18 может быть программным или аппаратным, а также управляться от компьютера. Он позволяет управлять генератором 12 с ключами 13 и 14, ключом 6, источниками тока 7, 8 и ключами 9, 10. Датчик 22 тока фиксирует значение тока лампы. В блоке управления полученные с датчиков сигналы регистрируются, а затем вырабатываются сигналы для управления генератором 12 и ключами 6, 9, 10.

[16]

Управление током разряда в лампе осуществляется изменением частоты управляемого генератора 12, а управление током электродов осуществляется импульсной модуляцией. Работа лампы 17 достигается тем, что первоначально управляемый генератор 12 вырабатывает частоту более высокую по сравнению с рабочей частотой лампы. Для перевода лампы в режим зажигания и поддержания горения по команде с блока управления 18 частота генератора снижается до возникновения резонанса напряжения, приводящего к пробою газового промежутка и зажиганию лампы. После зажигания лампы по команде с блока управления задается частота номинального тока лампы. Параметры тока лампы и токов электродов могут быть также заданы или изменены по сигналу датчиков 19, 20, 22 тока или от внешнего компьютера.

[17]

Использование источников тока 7, 8 в качестве питания для подогрева электродов ламп позволяет исключить негативные воздействия, которые имеют место при подаче напряжения в определенные циклы работы лампы и значительно снижающие срок службы лампы. Например, при подаче напряжения на холодный электрод в момент включения лампы происходит бросок тока на электроде, так как сопротивление холодного электрода в десятки раз меньше сопротивления горячего. Это может привести к деформации электрода и осыпанию оксидного покрытия. Если, согласно изобретению, поддерживать значение тока электрода в заданных пределах, то независимо от цикла работы лампы электрод не будет подвергаться токовому удару, так как значение тока можно автоматически поддерживать или корректировать на оптимальный режим работы для холодного или горячего электрода.

[18]

Возможность более точного установления рода тока подогрева электродов и его значения продлевает срок службы лампы и позволяет использовать данный ЭПРА для различных типов ламп.

[19]

Наличие оперативной подстройки параметров при различных режимах работы лампы также позволяет производить ее эксплуатацию в энергосберегающем экономичном режиме в тех случаях, когда не требуется или не достигается полная мощность лампы, что также увеличивает эксплуатационный ресурс лампы.

[20]

Учитывая, что УФ интенсивность излучения лампы, максимальная в начале эксплуатации, снижается к концу срока службы, при помощи регулировки тока можно заставить лампу в начале эксплуатации при большой отдаче УФ излучения работать в энергосберегающем режиме на малых токах, а к концу срока службы компенсировать потерю УФ излучения за счет увеличения тока разряда.

[21]

При использовании бактерицидных ламп в системах обработки воды УФ излучением на водоочистных станциях в зависимости от расхода воды должна обеспечиваться определенная доза облучения УФ. При уменьшении расхода для достижения требуемой дозы требуется меньшая мощность излучения ламп. За счет использования предложенного ЭПРА обеспечивается энергосберегающий, экономичный режим горения.

[22]

Реализация заявленного изобретения позволяет повысить ресурс ламп на 30-50%, снизить энергопотребление системы до 50%, увеличить надежность системы в целом, увеличить промежуток между заменой ламп, что существенно облегчает и удешевляет эксплуатацию лаповых систем, особенно с большим количеством ламп.

Как компенсировать расходы
на инновационную разработку
Похожие патенты