патент
№ RU 2240659
МПК H05B6/06

УСТРОЙСТВО ИНДУКЦИОННОГО НАГРЕВА С СЕКЦИОНИРОВАННЫМ ИНДУКТОРОМ (ВАРИАНТЫ)

Авторы:
Осипов А.В.
Номер заявки
2002125297/09
Дата подачи заявки
23.09.2002
Опубликовано
20.11.2004
Страна
RU
Как управлять
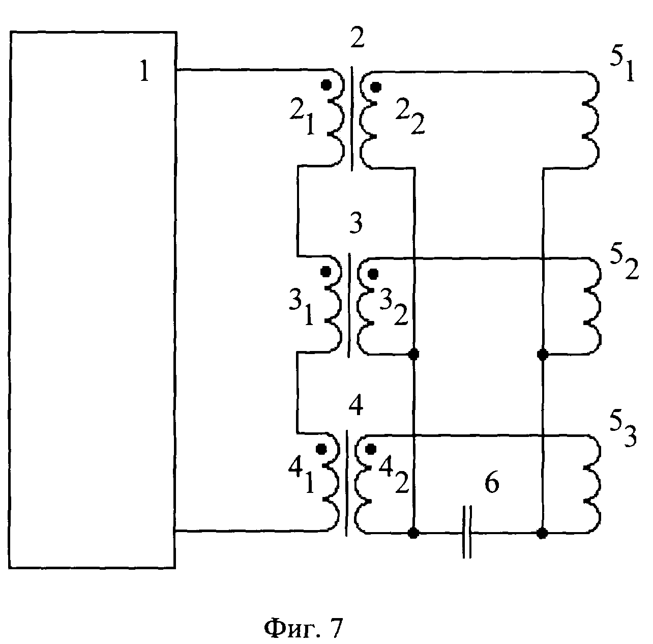
интеллектуальной собственностью
Чертежи 
7
Реферат

[24]

Изобретение относится к индукционному нагреву, в частности к устройствам индукционного нагрева с многосекционным индуктором, в котором нагрев разных областей нагреваемого объекта, соответствующих разным секциям индуктора производится до разных температур, а также к устройствам для методического нагрева заготовок. Задачей изобретения является упрощение устройства индукционного нагрева с сохранением резонанса по всем секциям, а также увеличения кпд, снижения его стоимости и габаритов за счет исключения сложных схем управления, переключающих устройств и дополнительных реактивных элементов. Поставленная задача решается тем, что питание каждой секции обеспечивается соответствующим ей согласующим трансформатором, причем первичные обмотки согласующих трансформаторов соединены последовательно друг с другом, а их вторичные обмотки включены параллельно соответствующим секциям индуктора. Такое включение трансформаторных обмоток позволяет задавать любую разумную кратность токов в секциях, а значит, и необходимое распределение мощности коэффициентами трансформации согласующих трансформаторов и поддерживать ее постоянной при изменении нагрузки за счет перераспределения напряжений трансформаторов. При этом возможны несколько вариантов подключения резонансной емкости при таком включении обмоток трансформатора. Предлагаемые варианты изобретения позволяют проектировать системы с секционированным индуктором для применений, где ограничена стоимость системы, но требуется заданное распределение выделяемой мощности по секциям, за счет исключения сложных схем управления, коммутирующих устройств и дополнительных переменных индуктивных элементов. 2 с. и 3 з.п. ф-лы, 8 ил.

[25]

Формула изобретения

1. Устройство высокочастотного индукционного нагрева с секционированным индуктором, с питанием секций от одного источника высокочастотного питания и резонансным контуром, образованным индуктором и резонансной емкостью, отличающееся тем, что питание каждой секции обеспечивается соответствующим ей согласующим трансформатором, соединенным с источником питания, при этом первичные обмотки согласующих трансформаторов соединены последовательно, а их вторичные обмотки включены параллельно соответствующим секциям индуктора.

2. Устройство высокочастотного индукционного нагрева по п.1, отличающееся тем, что резонансная емкость включена в цепи первичных обмоток согласующего трансформатора последовательно им.

3. Устройство высокочастотного индукционного нагрева по п.1, отличающееся тем, что резонансная емкость включена последовательно одной из вторичных обмоток трансформатора.

4. Устройство высокочастотного индукционного нагрева по п.1, отличающееся тем, что последовательно каждой вторичной обмотке трансформатора включена резонансная емкость.

5. Устройство высокочастотного индукционного нагрева с секционированным индуктором, с питанием секций от одного источника высокочастотного питания и резонансным контуром, образованным индуктором и резонансной емкостью, отличающееся тем, что питание каждой из секций индуктора обеспечивается соответствующим ей согласующим трансформатором, секции индуктора соединены последовательно с питающими их вторичными обмотками трансформатора, образуя параллельные ветви, а резонансная емкость включена параллельно указанным ветвям с образованием резонансного контура с каждой секцией индуктора, при этом первичные обмотки согласующих трансформаторов соединены последовательно.

Описание

[1]

Изобретение относится к индукционному нагреву, в частности к устройствам индукционного нагрева с многосекционным индуктором, в котором нагрев разных областей нагреваемого объекта, соответствующих разным секциям индуктора производится до разных температур, а также к устройствам для методического нагрева заготовок. В частности устройства методического нагрева характеризуются тем, что импеданс каждой отдельной детали зависит от ее положения в индукторной системе, поэтому мощность, прикладываемая к разным секциям индуктора, имеет различные значения. Для устройств методического нагрева чаще всего применяется режим нагрева, при котором мощность, потребляемая каждой деталью, поддерживается постоянной, хотя существуют и другие режимы нагрева, при которых потребляемая мощность на каждом участке индукторной системы задается определенным законом. Из вышесказанного следует, что и в том, и в другом случае необходимо поле с переменной напряженностью по длине индуктора. Эта задача в известных устройствах, как правило, решается двумя способами: изменением количества витков индуктора на единицу длины, или изменением рабочего тока по длине индуктора, например путем его разбиения на несколько секций с разным током. Применение неравномерного шага витков для реализации различных режимов нагрева достаточно подробно исследовано в литературе по методическому нагреву, см., например, Яицков С.А. Ускоренный изотермический индукционный нагрев кузнечных заготовок. М.: Машгиз, 1962. Из патентных источников известна индукционная нагревательная установка, включающая внешнюю обмотку, подключенную к источнику питания, в которой перераспределение мощности нагрева по зонам достигается за счет заранее заданного неравномерного шага витков обмотки в разных ее зонах, причем все зоны обмотки соединены последовательно и подключены к одному источнику питания (SU № 1152096, Н 05 В 6/36). Наиболее серьезным недостатком этого метода является ограничение изменения шага витка индуктора, вызванное технологическими трудностями, так как минимальное его значение ограничено толщиной изоляции, максимальное - допустимой длиной индуктора. Кроме того, на участках индуктора с малой напряженностью магнитного поля используется большой шаг намотки, что приводит к искажениям магнитного поля, увеличению потока рассеяния. Вышеперечисленные недостатки устраняются использованием секционированного индуктора с раздельным питанием секций. В такой структуре к секциям прикладываются различные напряжения, кратность которых задается коэффициентами трансформации согласующих трансформаторов. При этом либо подбирают коэффициенты трансформации, при которых достигается необходимое распределение мощности, либо применяют стабилизаторы тока по секциям, в любом из этих вариантов устройство получается сложным и дорогим. Другим методом получения нужного распределения мощности может быть работа каждой секции на своей резонансной частоте, что позволяет изменять потребляемую мощность, так как активный импеданс нагреваемой детали зависит от частоты. Однако необходимость питания каждой секции своим источником требует применения своего узла управления, в результате устройство становится сложным и дорогим (см., например, международную заявку WO № 9903308, опубл. 21.01.1999). Известны устройства для индукционного нагрева с секционированным индуктором, секции которого питаются от одного высокочастотного источника питания. При этом секции соединены параллельно через соответствующие тиристорные переключатели и для управления температурой, выделяемой в зоне, с которой связана соответствующая секция, мощность, передаваемая в каждую зону, определяется комбинацией замкнутых переключателей и периодом времени, на который подключаются секции к источнику питания (патент США № 5349167). Такие устройства требуют установления датчиков температуры в каждой зоне нагрева и обратной связи с устройством управления, в результате чего устройство также получается сложным и дорогим. Кроме того, наличие переключателей в силовой цепи снижает кпд устройства и еще более повышает его стоимость.

[2]

Наиболее близким к первому из вариантов заявляемого изобретения является устройство многозонного индукционного нагрева, описание которого приведено в патенте США № 5059762. В этом устройстве обмотка поделена на несколько секций, определенных отпайками и связанных с соответствующими зонами нагреваемого объекта. Перераспределение питания по соответствующим секциям от одного источника с сохранением резонанса в указанном устройстве производится с помощью дополнительного реактивного сопротивления, которое шунтирует нагревательные секции через отпайки. В данном устройстве реактивные сопротивления выполнены на основе насыщаемых индуктивных элементов, которые имеют управляющие обмотки, выполненные так, что подаваемый на них постоянный ток меняет их реактивное сопротивление и сопротивление секции в целом. Недостатками данного устройства являются большие габариты, обусловленные наличием дополнительных обмоток, которые, кроме того, увеличивают индуктивную энергию контура, а значит и мощность конденсаторной батареи, и сложная схема управления процессом нагрева.

[3]

Задачей изобретения является упрощение устройства индукционного нагрева с сохранением резонанса по всем секциям, а также увеличения кпд, снижения его стоимости и габаритов за счет исключения сложных схем управления, переключающих устройств и дополнительных реактивных элементов.

[4]

Поставленная задача решается тем, что в устройстве индукционного нагрева с секционированным индуктором, питающимся от одного высокочастотного источника питания, в котором секции определены отпайками, и резонансным контуром, образованным индуктором и резонансной емкостью, питание каждой секции обеспечивается соответствующим ей согласующим трансформатором, причем первичные обмотки согласующих трансформаторов соединены последовательно друг с другом, а их вторичные обмотки включены параллельно соответствующим секциям индуктора. Такое включение трансформаторных обмоток позволяет задавать любую разумную кратность токов в секциях, а значит и необходимое распределение мощности коэффициентами трансформации согласующих трансформаторов и поддерживать ее постоянной при изменении нагрузки за счет перераспределения напряжений трансформаторов.

[5]

При этом возможны несколько вариантов подключения резонансной емкости при таком включении обмоток трансформатора. Во-первых, возможно подключение резонансной емкости последовательно первичным обмоткам трансформатора. В этом случае система приведена к одной резонансной емкости, расположенной по первичной обмотке трансформатора. Такое расположение емкости позволяет скомпенсировать реактивную энергию всего индуктора, в результате чего, преобразователь работает на активную нагрузку, хотя трансформаторные узлы передают полную мощность индуктора. Во-вторых, возможно подключение резонансной емкости последовательно одной из вторичных обмоток согласующего трансформатора. Здесь емкость компенсирует реактивную энергию одной секции за счет последовательного включения с ней, часть реактивной мощности остальных секций компенсируется емкостной секцией через электромагнитную связь. В третьем случае, резонансная емкость включена в цепь каждой секции индуктора последовательно соответствующей вторичной обмотке трансформатора. В этой схеме согласующие трансформаторы имеют только активную составляющую мощности, так как здесь индуктивность каждой секции индуктора компенсируется собственной емкостью.

[6]

Наиболее близким аналогом ко второму варианту устройства по заявляемому изобретению является устройство по патенту США № 3209114, в котором обмотки многосекционного индуктора питаются от одного источника высокочастотного питания, и каждая секция индуктора включена в свой резонансный контур, в котором параллельно каждой секции индуктора включен резонансный конденсатор и линейный переменный индуктивный элемент с широким диапазоном регулирования индуктивности для перераспределения питания по секциям в процессе нагрева. Недостатком устройства также являются трудности создания и дороговизна такого линейного переменного индуктивного элемента, а также существенное увеличение габаритов и массы устройства, с одновременным усложнением схемы управления нагревом.

[7]

Задачей второго варианта изобретения также является упрощение устройства индукционного нагрева с сохранением резонанса по всем секциям, снижение его стоимости, габаритов и массы.

[8]

Во втором варианте изобретения поставленная задача решается тем, что в устройстве индукционного нагрева с секционированным индуктором, питающимся от одного высокочастотного источника питания, и последовательным резонансным контуром, образованным индуктором и резонансной емкостью, питание секций индуктора обеспечивается соответствующими согласующими трансформаторами, при этом первичные обмотки согласующих трансформаторов соединены последовательно друг другу, их вторичные обмотки включены последовательно соответствующим секциям индуктора, а резонансная емкость подключена параллельно ветвям, образованным секциями индуктора с соответствующими вторичными обмотками трансформатора, что также позволяет получить заданную кратность токов в секциях. В данном варианте через емкость проходит суммарный ток всех секций индуктора, поэтому компенсируются реактивные энергии всех секций.

[9]

Далее сущность изобретения раскрывается с помощью рисунков, на которых изображено: фиг.1 - схема с резонансным конденсатором, включенным последовательно первичным обмоткам согласующего трансформатора; фиг.2 -диаграммы работы схемы на фиг.1; фиг.3 - схема с резонансным конденсатором, включенным последовательно одной из вторичных обмоток трансформатора; фиг.4 - диаграмма работы схемы на фиг.3; фиг.5 - схема с резонансными конденсаторами, включенными последовательно каждой из вторичных обмоток трансформатора; фиг.6 - диаграммы работы схемы на фиг.3; фиг.7 - схема с параллельным включением резонансного конденсатора; фиг.8 - диаграммы работы схемы на фиг.7.

[10]

Все диаграммы построены при условии равенства индуктивного и активного сопротивлений секций, а также при соблюдении условия равенства мощностей секций, заданная кратность токов при этом 1:1,5:2.

[11]

На чертежах приняты следующие обозначения: источник высокочастотного напряжения 1, согласующие трансформаторы 2, 3, 4 с первичными обмотками 21, 22, 23, вторичными обмотками 22, 32, 42, секции индуктора 51, 52, 53, резонансная емкость 6. Индексами L1, L2, L3 обозначены индуктивности секций индуктора.

[12]

Устройство по первому варианту изобретения представлено на фиг.1, 3 и 5. В этом устройстве многосекционный индуктор, питающийся от источника 1, состоит из секций 51, 52, 53. Секции индуктора питаются от одного источника посредством соответствующих согласующих трансформаторов 2, 3 и 4, первичные обмотки которых 21, 31, 41 соединены последовательно, а вторичные обмотки 22, 32 и 42 подключены параллельно соответствующим секциям индуктора 51, 52 и 53. Резонансная емкость 6 подключена последовательно первичным обмоткам трансформатора.

[13]

Устройство на фиг.3 отличается только тем, что резонансная емкость 6 включена последовательно с вторичной обмоткой 42 трансформатора 4.

[14]

В устройстве на фиг.5 резонансная емкость включена в цепь каждой секции индуктора. Здесь резонансная емкость 61 включена последовательно вторичной обмотке согласующего трансформатора 22. в цепи секции индуктора 51, резонансная емкость 62 включена последовательно вторичной обмотке 32 в цепи второй секции индуктора и так далее.

[15]

Устройство по второму варианту изобретения представлено на фиг.7. В этом варианте многосекционный индуктор 5 состоит из секций 51, 52 и 53. Все секции индуктора питаются от одного высокочастотного источника питания через соответствующие согласующие трансформаторы 2, 3 и 4, первичные обмотки которых 21, 31 и 41 соединены между собой последовательно, а вторичные обмотки 22, 32 и 42 включены каждая последовательно с соответствующей ей секцией индуктора 51, 52 и 53. В этом варианте резонансная 6 емкость включена параллельно ветвям, образованным секциями индуктора с соответствующими вторичными обмотками согласующих трансформаторов, образуя последовательный резонансный контур со всеми секциями.

[16]

Работа устройства на фиг.1 иллюстрируется диаграммой работы этого варианта при методическом нагреве на фиг.2, где представлены диаграммы напряжений первичных обмоток трансформаторов U21, U31 и U41 и токов секций индуктора I51, I52 и I53 . Из диаграммы видно, что при различных сопротивлениях секций система обеспечивает заданную коэффициентами трансформации кратность тока в секциях. На фиг.2 первичные напряжения трансформаторов равны, так как диаграммы построены из условия равенства мощностей секций. В данном варианте система приведена к одной резонансной емкости 6, расположенной в цепи первичных обмоток трансформаторов. Такое расположение емкости позволяет скомпенсировать реактивную нагрузку всего индуктора, в результате чего, преобразователь источника 1 работает на активную нагрузку. Но так как емкость включена по первичной обмотке, габаритная мощность согласующего трансформатора завышена за счет реактивной мощности индуктора, то есть трансформатор передает полную мощность индуктора. Это подтверждают диаграммы на фиг.2, на которой видно, что сумма напряжений трансформатора имеет реактивную составляющую. Преимуществом этой схемы является небольшая емкость конденсатора или конденсаторной батареи, так как она приводится к вторичной стороне трансформатора через квадрат коэффициента трансформации. Недостатком схемы является высокое напряжение на резонансной емкости. Таким образом, такую схему лучше использовать в устройствах индукционного нагрева с низковольтным выходом, так как оптимальное проектирование емкости на низкое напряжение затруднено.

[17]

В структуре с расположением резонансной емкости 6 по вторичной обмотке, показанной на фиг.3, емкость компенсирует реактивную энергию одной секции 53 за счет последовательного включения с ней, реактивная мощность остальных секций 51 и 52 компенсируется емкостной секцией через электромагнитную связь. Реактивное напряжение вторичной обмотки трансформатора 42 равно сумме реактивных напряжений вторичных обмоток остальных секций, как можно видеть из диаграммы на фиг.4. Из этого можно сделать вывод, что чем больше используется секций, (то есть, чем меньшая результирующая индуктивность соединена с емкостью), тем выше реактивная составляющая напряжения на трансформаторе в секции, где включена емкость, в данном случае на трансформаторе 4. Таким образом, структура применима при минимальном количестве секций индуктора.

[18]

Работа варианта устройства, представленного на фиг.5 характеризуется тем, что согласующие трансформаторы 2, 3, 4 имеют только активную составляющую мощности, так как здесь индуктивность каждой секции индуктора 51, 52, 53 фактически полностью компенсируется собственной емкостью, соответственно, 61, 62, 63, включенной последовательно с вторичной обмоткой соответствующего трансформатора. Диаграммы напряжений и токов для работы этой схемы приведены на фиг.6. В данной схеме необходимо выполнить условие совпадения резонансных частот в секциях, то есть:

[19]

,

[20]

где С61, С62, С63 - емкости конденсаторов в соответствующих секциях, a L1, L2 и L3 - индуктивности соответствующих секций индуктора 51, 52 и 53.

[21]

На диаграмме фиг.6 представлены напряжения и токи в режиме стабилизации мощности в секциях при соблюдении указанного условия. Из диаграммы видно, что напряжения на первичных обмотках трансформаторов не имеют реактивных составляющих и совпадают друг с другом, что является свидетельством постоянства потребляемой мощности по секциям. Изменения индуктивностей L1, L2, L3 в процессе нагрева, причем непропорционально друг другу из-за наличия индуктивности рассеяния, могут приводить к появлению реактивных напряжений трансформаторов в результате нарушения условия (1). Однако этот эффект будет существенно меньше при увеличении числа секций, поскольку диапазон изменения индуктивности загрузки в пределах каждой секции будет снижаться с ростом их числа. То есть с помощью этой схемы можно получить стабильный режим нагрева, притом, что она существенно дешевле и проще по сравнению с известными аналогами.

[22]

Работа второго варианта устройства объясняется с помощью примера, приведенного на фиг.7 с соответствующими диаграммами, представленными на фиг.8. В этой структуре через емкость 6 проходит суммарный ток всех секций индуктора, поэтому компенсируются реактивные энергии всех секций, хотя все секции индуктора будут передавать реактивную мощность, так как имеют разные реактивные составляющие. Однако суммарная мощность всей трансформаторной системы будет иметь только активную составляющую, за счет того, что индуктивный характер одной секции компенсируется емкостным характером другой, что подтверждается диаграммами фиг.8. Таким образом, эту структуру можно эффективно использовать при большом количестве секций индуктора. Преимуществом этой системы является достижение сравнительно небольших реактивных мощностей трансформаторов при использовании только одной резонансной емкости.

[23]

Предлагаемые варианты изобретения позволяют проектировать системы с секционированным индуктором для применений, где ограничена стоимость системы, но требуется заданное распределение выделяемой мощности по секциям, за счет исключения сложных схем управления, коммутирующих устройств и дополнительных переменных индуктивных элементов.

Как компенсировать расходы
на инновационную разработку
Похожие патенты