Полезная модель относится к области автоматики и измерительной техники. Датчик содержит звукопровод с демпферами на концах, электроакустический преобразователь, позиционный магнит, жестко связанный с объектом контроля, формирователь импульсов тока, кроме того, в устройство дополнительно введены предварительный усилитель, электронный ключ, регулируемый усилитель, детектор пересечения нуля, управляемый компаратор, время-цифровой преобразователь и микроконтроллер. Техническим результатом полезной модели является повышение точности измерений линейных перемещений. 1 ил.
Магнитострикционный датчик линейных перемещений, содержащий звукопровод с демпферами на концах, электроакустический преобразователь, позиционный магнит, жестко связанный с объектом контроля, формирователь импульсов тока, отличающийся тем, что в него дополнительно введены предварительный усилитель, электронный ключ, регулируемый усилитель, детектор пересечения нуля, управляемый компаратор, время-цифровой преобразователь и микроконтроллер, причем вход предварительного усилителя соединен с выходом электроакустического преобразователя, вход электронного ключа соединен с выходом предварительного усилителя, вход регулируемого усилителя соединен с выходом электронного ключа, выход регулируемого усилителя соединен с входом детектора пересечения нуля и входом управляемого компаратора, выход управляемого компаратора соединен с входом микроконтроллера, выход детектора пересечения нуля соединен с входом время-цифрового преобразователя и входом микроконтроллера, вход/выход время-цифрового преобразователя соединен с выходом/входом микроконтроллера, а управляющие цифровые выходы микроконтроллера соединены с электронным ключом, управляемым компаратором, регулируемым усилителем, время-цифровым преобразователем и формирователем импульсов тока.
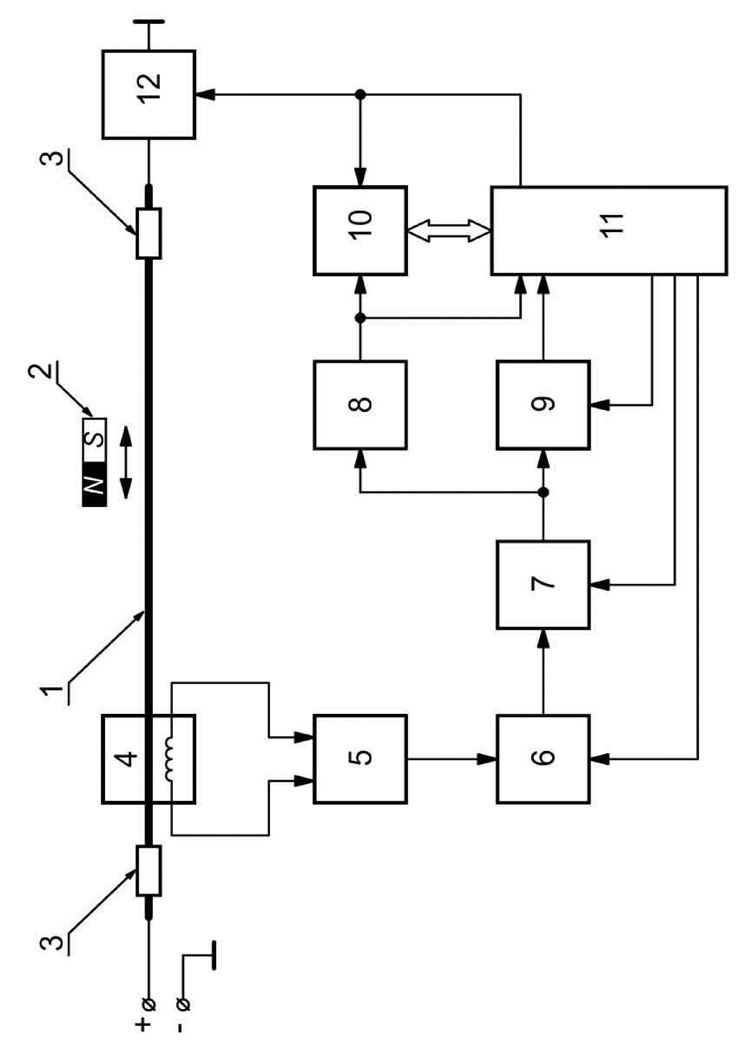
Полезная модель относится к области автоматики и измерительной техники, в частности к магнитострикционным преобразователям перемещений, и может быть использована для измерения линейных перемещений в машинах и механизмах. Известен «Преобразователь перемещения в код» (Авторское свидетельство СССР №1115081), содержащий звукопровод из магнитострикционного материала, на концах которого расположены демпферы, катушку записи, размещенную по всей длине звукопровода, катушку считывания, расположенную возле одного из демпферов, выходы катушек считывания и записи соединены с входами преобразователя временного интервала в цифровой код, постоянный магнит, корпус из немагнитного материала и заполненный магнитной жидкостью, в корпусе размещены звукопровод, катушка записи и катушка считывания, а подвижный постоянный магнит расположен снаружи корпуса. Однако недостатком известного решения является снижение точности, обусловленное уменьшением амплитуды полезного сигнала в преобразователях с большим диапазоном измерения. Наиболее близким по технической сущности к полезной модели является «Магнитострикционный преобразователь перемещения в код» (Патент РФ на изобретение №2080559), содержащий магнитострикционную линию с демпферами на концах, электроакустический преобразователь, элемент возбуждения ультразвукового импульса, содержащий постоянные магниты и жестко связанный с объектом контроля, усилитель-формирователь, формирователь импульсов тока, генератор счетных импульсов, счетчик, регистры памяти, буферный формирователь, дешифратор адреса, формирователь запуска, формирователь сигнала готовности и шину обмена. Недостатком данного технического решения является наличие погрешности измерений, обусловленной изменением амплитуды и формы сигнала при изменении положения магнитов, входящих в состав элемента возбуждения ультразвукового импульса. Техническим результатом заявляемой полезной модели является повышение точности измерений линейных перемещений. Заявляемый технический результат достигается тем, что в магнитострикционный преобразователь перемещений, содержащий звукопровод с демпферами на концах, электроакустический преобразователь, позиционный магнит, жестко связанный с объектом контроля, формирователь импульсов тока, дополнительно введены предварительный усилитель, электронный ключ, регулируемый усилитель, детектор пересечения нуля, управляемый компаратор, время-цифровой преобразователь и микроконтроллер, причем вход предварительного усилителя соединен с выходом электроакустического преобразователя, вход электронного ключа соединен с выходом предварительного усилителя, вход регулируемого усилителя соединен с выходом электронного ключа, выход регулируемого усилителя соединен с входом детектора пересечения нуля и входом управляемого компаратора, выход управляемого компаратора соединен с входом микроконтроллера, выход детектора пересечения нуля соединен с входом время-цифрового преобразователя и входом микроконтроллера, вход/выход время-цифрового преобразователя соединен с выходом/входом микроконтроллера, а управляющие цифровые выходы микроконтроллера соединены с электронным ключом, управляемым компаратором, регулируемым усилителем, время-цифровым преобразователем и формирователем импульсов тока. Сущность предлагаемой полезной модели поясняется схемой, представленной на фигуре, где цифрами обозначены: 1 - звукопровод; 2 - позиционный магнит; 3 - демпфер; 4 - электроакустический преобразователь; 5 - предварительный усилитель; 6 - электронный ключ; 7 - регулируемый усилитель; 8 - детектор пересечения нуля; 9 - управляемый компаратор; 10 - время-цифровой преобразователь; 11 - микроконтроллер; 12 - формирователь импульсов тока. Устройство работает следующим образом. Микроконтроллер 11 вырабатывает стартовый импульс, поступающий на формирователь импульсов тока 12 и время-цифровой преобразователь 10, запуская процесс измерения времени. Усиленный сигнал с формирователя импульсов тока 12, поступает в звукопровод 1. В звукопроводе в месте нахождения постоянного магнита 2, жестко связанного с объектом перемещения, возникает ультразвуковая крутильная волна, которая распространяется в обе стороны звукопровода. Дошедшая до конца звукопровода крутильная волна гасится демпфером 3. Крутильная волна, распространяющаяся в сторону электроакустического преобразователя 4, преобразуется в электрический сигнал. Электроакустический преобразователь 4 формирует два импульса напряжения. Первый импульс обусловлен прохождением по звукопроводу импульса тока возбуждения и не несет полезной информации, второй импульс вызван прямой ультразвуковой волной, возникшей под постоянным магнитом, и содержит информацию о положении позиционного магнита 2. Импульсы с электроакустического преобразователя 4 усиливаются предварительным усилителем 5 и поступают на электронный ключ 6, управляемый с микроконтроллера 11. Микроконтроллер открывает электронный ключ на время, равное длительности первого импульса, тем самым блокируя поступление импульса на регулируемый усилитель 7. Второй импульс, поступает на вход регулируемого усилителя 7, коэффициент усиления которого может задаваться при помощи микроконтроллера 11. Усиленный сигнал с выхода регулируемого усилителя 7 поступает на управляемый компаратор 9 и детектор пересечения нуля 8. Управляемый компаратор 9 вырабатывает прямоугольный импульс, когда входной сигнал превышает порог, заданный микроконтроллером 11. Детектор пересечения нуля 8 при переходе сигнала через нулевое значение, вырабатывает прямоугольные импульсы, которые поступают на время-цифровой преобразователь 10 и микроконтроллер. По фронту прямоугольного импульса с управляемого компаратора 9, микроконтроллер 11 выдает команду остановки измерения на время-цифровой преобразователь 10. Время-цифровой преобразователь 10 регистрирует время по спаду прямоугольного импульса с выхода детектора пересечения нуля и передает в микроконтроллер 11 код, соответствующий измеренному интервалу времени между стартовым импульсом и импульсом от позиционного магнита 2. Микроконтроллер 11 преобразует время в значение линейного перемещения. Амплитуда напряжения сигнала на выходе предварительного усилителя может меняться в зависимости от таких факторов, как тип применяемого магнита, расстояние позиционного магнита до звукопровода, материал, длина или неоднородность материала звукопровода. Изменяя коэффициент усиления регулируемого усилителя и порог управляемого компаратора, микроконтроллер обеспечивает установку оптимальной амплитуда напряжения сигнала, что позволяет повысить точность измерения за счет устранения погрешности, обусловленной изменением амплитуды сигнала. Алгоритм обработки сигнала определяется программой микроконтроллера. Применение детектора пересечения нуля позволяет регистрировать сигнал, соответствующий положению позиционного магнита, независимо от амплитуды напряжения сигнала и его формы. В качестве время-цифрового преобразователя может быть использован интегральный преобразователь типа TDC-GP22, что позволяет осуществлять измерение временных интервалов с высоким разрешением. Таким образом, предлагаемая полезная модель обеспечивает высокую точность измерения за счет применения регулировки уровня сигнала, а также измерения времени по моменту пересечения сигналом нулевого значения, что позволяет устранить погрешность, обусловленную влиянием внешних факторов.