патент
№ RU 2198785
МПК B27L11/02

ДИСКОВАЯ РУБИТЕЛЬНАЯ МАШИНА ДЛЯ ИССЛЕДОВАНИЯ ПРОЦЕССА РЕЗАНИЯ

Авторы:
Мокрицкий Б.Я. Соловьев В.А. Рубцов Ю.В.
Все (4)
Номер заявки
2000115155/13
Дата подачи заявки
09.06.2000
Опубликовано
20.02.2003
Страна
RU
Как управлять
интеллектуальной собственностью
Чертежи 
3
Реферат

[16]

Изобретение относится к области исследования процессов резания, в частности к исследованию процессов резания древесины в дисковых рубительных машинах. Рубительная машина снабжена средством регулирования скорости резания, переналаживаемым загрузочным устройством, передвижным упором для регулирования длины щепы, динамометрическим устройством, связанным с приборами регистрации силы резания. Изобретение обеспечивает возможность варьирования режимов резания и геометрических параметров щепы, что способствует повышению производительности изготовления щепы и ее качества. 4 ил.

Формула изобретения

1. Дисковая рубительная машина для исследования процесса резания, содержащая раму с электроприводом вращения ножевого диска, загрузочное устройство, контрнож, кожух с размещенным внутри него ножевым диском, несущим по крайней мере один нож, отличающаяся тем, что электропривод вращения ножевого диска дополнительно содержит средство регулирования скорости резания, загрузочное устройство выполнено с возможностью регулирования углов наклона, подаваемой заготовки в двух взаимно перпендикулярных плоскостях по отношению к торцу ножевого диска, рубительная машина снабжена подвижным упором для регулирования длины щепы и динамометрическим устройством, связанным с приборами регистрации силы резания или ее составляющих.

2. Дисковая рубительная машина по п.1, отличающаяся тем, что кожух выполнен из прозрачного материала.

Описание

[1]

Изобретение относится к исследованию процессов резания, в частности к исследованию процессов резания древесины в дисковых рубительных машинах.

[2]

Известно решение (опубликовано на стр.125 в книге: Рушнов Н.П., Лицман Э. П. , Пряхин Е. А. "Рубительные машины", - М.: изд-во "Лесная промышленность", 1985, - 208 с.), включающее раму, электропривод, ножевой диск, на который при помощи шпонок устанавливают подкладки. На эти подкладки помещают режущие ножи, прижатые сверху накладкой, имеющей винтовую поверхность. Задние грани ножей выполнены также по винтовой поверхности. Между подкладками образуется пазуха для отрубаемой щепы. Также устройство содержит контрнож и питающий патрон. Недостатком решения является отсутствие возможности варьирования геометрических параметров резания заготовки. В тоже время имеется решение (опубликовано на стр.135 в книге: Вальщиков Н.М. "Рубительные машины", - Л.: изд-во "Машиностроение", 1970, - 328 с.), содержащее раму, питающий патрон, электропривод, контрнож, шестиножевой диск. Недостатком решения является варьирование ограниченного числа параметров получаемой щепы.

[3]

Наиболее близким, по мнению заявителя, к заявляемому объекту является решение (опубликовано на стр.146 в книге; Вальщиков Н.М. "Рубительные машины", - Л.: изд-во "Машиностроение", 1970, - 328 с.), содержащее раму, электропривод, загрузочное устройство, контрнож, кожух, плоский диск с межножевыми секторами, задние грани режущих ножей выполнены с соответствующей заточкой. К недостатку решения относятся ограниченные возможности варьирования процессом резания (только за счет геометрии сменных ножей) и переменные (нестационарные) в процессе резания геометрические параметры щепы.

[4]

Техническим результатом предлагаемого изобретения является обеспечение возможности варьирования режимов резания и геометрических параметров щепы для исследования процесса резания, что может обеспечить повышение производительности получения щепы и повышение ее качества (стабильность размеров, минимум повреждения и т.д.).

[5]

Указанный технический результат достигается снабжением рубительной машины средством регулирования скорости резания, переналаживаемым загрузочным устройством, передвижным упором для регулирования длины стружки, динамометрическим устройством, связанным с приборами регистрации силы резания или ее составляющих, обеспечивающим изменение положения упора и загрузочного патрона в функции усилия резания. Предлагаемое устройство характеризуется следующими существенными признаками.

[6]

Ограничительные признаки: рама с электроприводом вращения ножевого диска, загрузочное устройство, контрнож, кожух с размещенным внутри него ножевым диском, несущим по крайней мере один нож.

[7]

Отличительные признаки: электропривод вращения ножевого диска дополнительно содержит средство регулирования скорости резания, загрузочное устройство выполнено с возможностью регулирования углов наклона подаваемой заготовки в двух взаимно перпендикулярных плоскостях по отношению к торцу ножевого диска, рубительная машина снабжена передвижным упором для регулирования длины щепы и динамометрическим устройством, связанным с приборами регистрации силы резания или ее составляющих. В частности, кожух может быть выполнен из прозрачного материала.

[8]

Причинно-следственная связь существенных признаков и технического результата состоит в обеспечении управления скоростью резания (за счет средства регулирования скорости резания) и геометрическими параметрами щепы (длина, толщина и ширина) за счет средства регулирования угла наклона загрузочного устройства, положения передвижного упора и геометрии сменных ножей) для исследования их влияния на эксплутационные параметры (производительность получения щепы, степень повреждения щепы и т.д.).

[9]

На фиг.1 изображена принципиальная схема дисковой рубительной машины для исследования процесса резания; на фиг.2 показан ряд ее рабочих органов; на фиг.3 - вид А по фиг.2; на фиг.4 - запись осциллограммы записи силы резания.

[10]

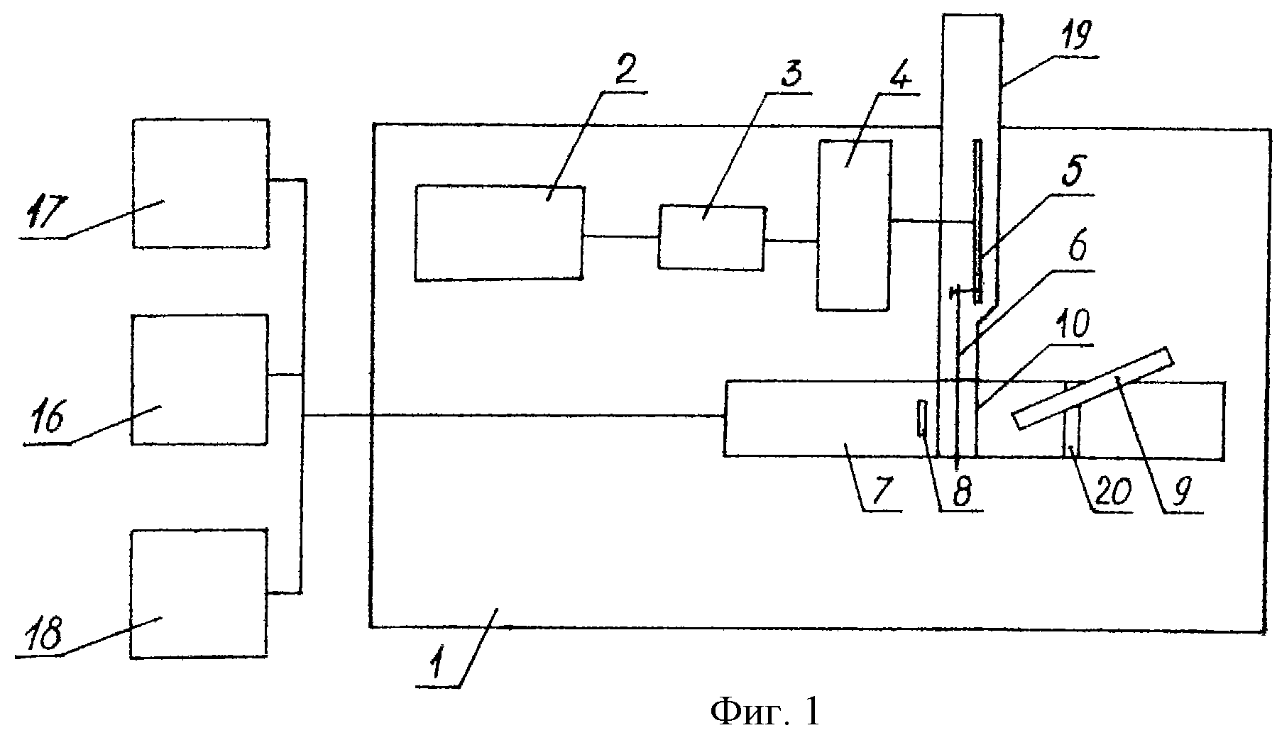
Дисковая рубительная машина для исследования процесса резания древесины содержит раму 1, на которой смонтированы электродвигатель 2, средство регулирования скорости резания (например, коробку перемены передач 3 и вариатор 4), ножевой диск 5, установленный с возможностью вращения вокруг своей оси. На ножевом диске 5 жестко закреплен сменный нож 6. На раме также установлен динамометрический стол 7 с передвижным упором 8 и загрузочное устройство 9 с контрножом 10. Контрнож 10 смонтирован (или выполнен заодно) на загрузочном устройстве 9, снабженном средством регулирования (например, с помощью передачи винт-гайка 11 и сменной подставки 12) углов α и β подаваемой заготовки 13 в двух взаимо перпендикулярных плоскостях по отношению к торцу ножевого диска. Динамометрическое устройство для измерения силы резания Р (или ее составляющих Р1 и Р2) состоит из жесткого стола 7, установленного на раме 1 с помощью нескольких упругодеформируемых элементов 14 с тензометрическими датчиками 15, собранными в электрическую схему, подключенную к приборам (усилителю 16, осциллографу 17 и анализатору сигналов 18). На столе 7 смонтирован упор 8 для заготовки 13. Расстояние от упора 8 до режущей плоскости ножа лимитирует длину щепы (стружки). Упор 8 выполнен передвижным на столе 7, что обеспечивает регулирование щепы.

[11]

Для удобства ведения наблюдения (и съемки) и с позиций безопасности ножевой диск с ножом и зона резания укрыты съемным кожухом 19, выполненным из прозрачного материала. Для резания нескольких заготовок одновременно загрузочное устройство снабжено фиксатором 20 (например, хомутом).

[12]

Работает рубительная машина следующим образом. С помощью средства регулирования 11 и 12 задают требуемые углы поворота α и β наклона загрузочного устройства. Выставляют положение упора 8 для получения щепы требуемой длины. Загружают заготовку 13. Искусственным нагружением контрольными массами тарируют динамометрическое устройство по параметрам "Усилие (масса груза) резания - величина электрического сигнала тензодатчика". На ножевой диск 5 устанавливают сменный нож 6 с требуемой геометрией заточки. С помощью средства регулирования скорости резания (регулируемый электродвигатель, коробка перемены передач, вариатор) устанавливают требуемое число оборотов в минуту ножа с ножевым диском. Сдвигают заготовку 13 до упора 8. Включают приборы регистрации силы резания. Включают вращение ножевого диска. Это влечет за собой резание древесины с образованием щепы. Процесс резания и образования щепы можно наблюдать и снимать через прозрачный кожух. Геометрические параметры щепы, степень ее повреждения определяются путем непосредственного измерения и анализа. Результаты измерения и анализа сопоставляются с результатами записи силы резания (фиг.4, где Р - сила резания, t - время).

[13]

Затем варьируют настройку рубительной машины. Например, устройством 11 изменяют угол наклона α, сменой подставки 12 изменяют угол β, изменением положения упора 8 изменяют длину щепы, сменой ножа 6 изменяют геометрию заточки, средствами 2, 3, и 4 изменяют частоту вращения ножевого диска (скорость резания), сменой заготовки 13 изменяют породу (лиственница, береза) дерева и ее состояние (мерзлая, нормальная и т.д.). При этом регистрируют и анализируют график изменения силы резания (фиг.4), и сопоставляют полученные результаты. Стабильность щепкообразования (постоянные размеры щепы и меньшая степень повреждения щепы) сопровождается минимальным значением Р1 силы резания на участке 0-τ1 врезания, минимальным перепадом Р12 сил на участке О-τ1 врезания и участке τ12 установившегося резания, плавным спадом на участке τ23 выхода ножа из резания (период 0-τ3 соответствует времени одного реза).

[14]

Период установившегося резания τ12 характеризуется синусообразным (пилообразным) изменением силы резания, где каждый элементарный интервал τ45 соответствует элементарному акту щепообразования.

[15]

Такой процесс варьирования режимом резания и геометрией получаемой щепы позволяет исследовать процесс резания древесины различной породы для выявления условий высокопроизводительного получения щепы с минимальной степенью повреждения, т.е. обеспечивается необходимый технический результат.

Как компенсировать расходы
на инновационную разработку
Похожие патенты