патент
№ RU 2082090
МПК G01C3/00

ЛАЗЕРНЫЙ ДАЛЬНОМЕР

Авторы:
Папуловский В.Ф. Зайцев А.С. Бабкин С.В.
Все (5)
Номер заявки
94006567/28
Дата подачи заявки
22.02.1994
Опубликовано
20.06.1997
Страна
RU
Как управлять
интеллектуальной собственностью
Чертежи 
5
Реферат

[23]

Изобретение относится к области оптических измерений и может быть использовано для определения расстояний порядка десятков-сотен метров при производстве строительных и изыскательных работ. Дальномер, отличающийся повышенной точностью измерений и сравнительной простотой технической реализации, содержит блок формирования лазерного луча и блок приема отраженного луча, установленные с возможностью взаимного углового или линейного перемещения их оптических осей в одной плоскости, а также блок взаимного перемещения указанных оптических осей, блок определения дальности и блок управления. Достижение указанного результата обеспечивается применением геометрического способа измерения дальности в сочетании со сканированием диаграммы направленности блока формирования лазерного луча или блока приема отраженного луча в плоскости, проходящей через точку визирования на объекте, расстояние до которого определяется. 6 ил.

Формула изобретения

Лазерный дальномер, содержащий блок формирования лазерного луча и блок приема отраженного луча, оптические оси которых установлены в одной плоскости, а также блок определения дальности, первый вход которого соединен с выходом блока приема отраженного луча, а выход и второй вход блока определения дальности являются соответственно информационным выходом и первым управляющим входом дальномера, отличающийся тем, что блок формирования лазерного луча и блок приема отраженного луча установлены с возможностью взаимного углового или линейного перемещения их оптических осей в плоскости установки, введены блок взаимного перемещения оптических осей и блок управления, вход которого является вторым управляющим входом дальномера, выходы блока управления подключены соответственно к входу блока взаимного перемещения оптических осей и третьему входу блока определения дальности.

Описание

[1]

Изобретение относится к области оптических измерений и может быть использовано, в частности, для определения расстояний порядка десятков-сотен метров при производстве строительных и изыскательских работ.

[2]

Известны светодальномеры, в которых расстояние до некоторого объекта определяется по разности фаз сигнала, отраженного от объекта, и опорного сигнала [1, 2] Наиболее близким техническим решением является лазерный дальномер [3] выполненный по схеме электронно-оптического фазового определения дальности, содержащий блок формирования лазерного луча, модулятор, обеспечивающий модуляцию фазы сигнала, блок приема отраженного луча, демодулятор и блок определения дальности (электронную схему, обеспечивающую обработку отраженного от объекта сигнала).

[3]

Известные технические решения, в том числе [3] обладают рядом недостатков, ограничивающих область их применения для измерения сравнительно небольших (порядка 100 м) расстояний. К числу таких недостатков относятся необходимость высокочастотной модуляции излучения лазера и сложность электронной схемы блока определения дальности, включающей большое количество высокочастотных электронных элементов, а также сравнительно невысокая точность измерения расстояния в указанном диапазоне, ограниченная применяемым методом измерения и техническими сложностями реализации высокочастотной модуляции лазерного излучения. В этой связи, применение известных схем устройств для реализации компактных недорогих и одновременно высокоточных дальномеров, оптимизированных для проведения контрольно-измерительных операций в процессе монтажа строительных конструкций, не представляется целесообразным.

[4]

Задачей настоящего изобретения является реализация лазерного дальномера для измерения расстояний в пределах десятков-сотен метров, свободного от перечисленных выше недостатков и предназначенного преимущественно для метрологического обеспечения строительно-монтажных работ и построения на его основе контрольно-измерительных систем широкого назначения.

[5]

Достигаемый технический результат заключается в повышении точности дальномера, упрощении его электронной схемы и устранение необходимости высокочастотной модуляции лазерного излучения.

[6]

Лазерный дальномер, позволяющий решить поставленную задачу, содержит, аналогично устройству-прототипу, блок формирования лазерного луча и блок приема отраженного луча, оптические оси которых установлены в одной плоскости, а также блок определения дальности, первый вход которого соединен с выходом блока приема отраженного луча, а выход и второй вход блока определения дальности являются соответственно информационным выходом и первым управляющим входом дальномера, и отличается тем, что блок формирования лазерного луча и блок приема отраженного луча установлены с возможностью взаимного углового или линейного перемещения их оптических осей в плоскости установки, введены блок взаимного перемещения оптических осей и блок управления, вход которого является вторым управляющим входом дальномера, а первый и второй выходы блока управления подключены соответственно ко входу блока взаимного перемещения оптических осей и третьему входу блока определения дальности.

[7]

Достижение указанного эффекта обеспечивается применением качественного отличного геометрического способа измерения дальности, аналогичного в известной степени определению параллактического угла при заданной базе (расстоянии между блоком формирования лазерного луча и блоком приема отраженного луча), в сочетании со сканированием диаграммы направленности одного из указанных блоков в плоскости, проходящей через точку визирования на объекте, расстояние до которого определяется.

[8]

На фиг. 1 показана обобщенная структурная схема дальномера (вариант углового перемещения оптической оси блока формирования лазерного луча). Фиг. 2 и 3 иллюстрируют другие возможные варианты реализации схемы дальномера, отличающиеся способом сканирования. На фиг. 4 показан вариант реализации блока определения дальности, а на фиг. 5 блока управления. На фиг. 6 представлена временная диаграмма, поясняющая работу дальномера.

[9]

Лазерный дальномер (фиг. 1) содержит блок формирования лазерного луча 1, блок приема отраженного луча 2, блок определения дальности 3, блок 4 взаимного перемещения оптических осей блоков 1 и 2 и блок управления 5. На фиг. 1 показаны также нумерация и функциональное назначение связей указанных блоков.

[10]

В показанном на фиг. 1 варианте реализации дальномера, блок 4 представляет собой привод углового перемещения, обеспечивающий непосредственное угловое перемещение блока 1 формирования лазерного луча (изменение угла α при сохранении постоянного расстояния между блоками 1 и 2). Для реализации блока взаимного перемещения оптических осей может быть также использован привод линейного перемещения 6 в сочетании с перемещающимся зеркалом 7 (см. фиг. 2), обеспечивающий изменение базового линейного размера L при неизменном угловом положении блоков 1 и 2. При этом может осуществляться как указанное выше изменение положения оптической оси блока 1, так и аналогичное сканирование диаграммы направленности приемного тракта (оптической оси блока 2 приема отраженного луча). Возможно также электронное сканирование луча блока 1 (фиг. 3) за счет использования размещаемого на его пути отклоняющего элемента 8, обеспечивающего угловую развертку луча. Конкретный способ сканирования и, соответственно, реализации блока 4 не является принципиальным с точки зрения существа предлагаемого метода измерений и определяется исходя из технико-экономических параметров устройства.

[11]

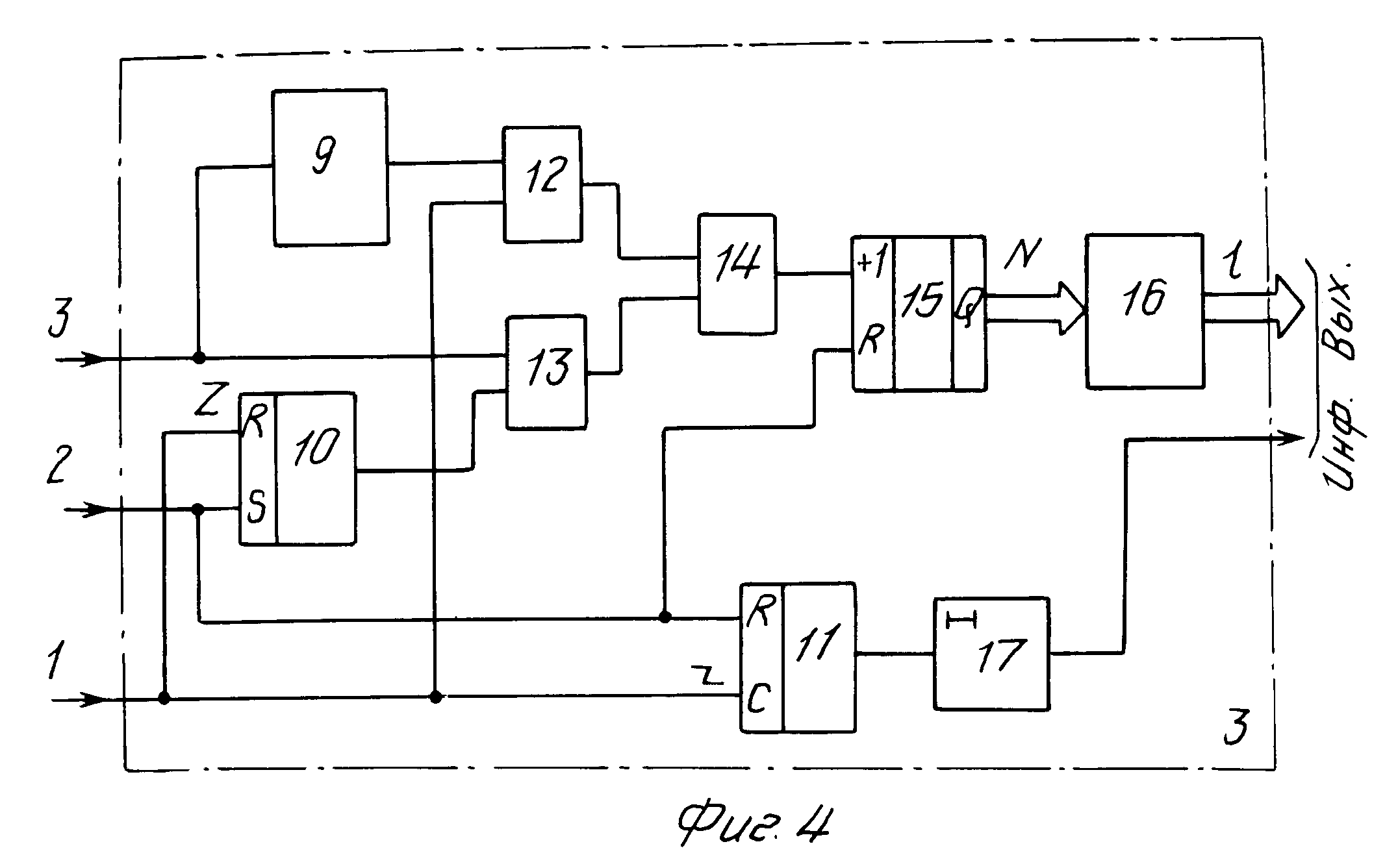
Блок определения дальности 3 содержит (фиг. 4) делитель частоты 9, триггеры 10 и 11, элементы И 12 и 13, элемент ИЛИ 14, счетчик 15, функциональный преобразователь 16 и элемент задержки 17. Электрические связи элементов блока 3 и нумерация его входов видны из фиг. 4.

[12]

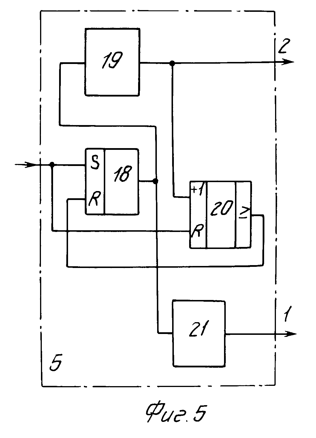
Блок управления (фиг. 5) содержит триггер 18, генератор тактовых импульсов 19, счетчик 20 и генератор изменяющегося напряжения 21. Электрические связи видны на фиг. 5. Такая реализация блока уплотнения предназначена для случая электронного сканирования в соответствии с фиг. 3, инициируемого изменяющимся напряжением на выходе генератора 21, подаваемым на вход отклоняющего элемента 8. В случае же механического сканирования (фиг. 1 или 2) посредством взаимного перемещения осей с помощью шаговых электрических приводов, управляемых последовательностью импульсов, в качестве выходного сигнала блока 5 может использоваться непосредственно выход генератора тактовых импульсов 19 (в этом случае генератор изменяющегося напряжения не используется).

[13]

Все элементы, входящие в состав блоков дальномера, являются известными. В качестве блока 1 формирования лазерного луча может быть использован малогабаритный полупроводниковый лазерный диод с соответствующей оптической коллимирующей системой [4] Для реализации блока 2 приема отраженного луча может использоваться любой фотоприемник (например, фотодиод или фотоэлектронный умножитель) [4] с соответствующей оптической системой (объективом) на входе, усилителем и компаратором [5] на выходе, формирующем сигнал логической единицы при превышении оптическим потоком на входе фотоприемника некоторого порогового уровня. Для реализации блока 4 взаимного перемещения оптических осей в соответствии с фиг. 1, 2 могут использоваться любые прецизионные приводы углового или линейного перемещения, в частности, шаговые пьезоэлектрические двигатели [6] управляемые последовательностью электрических импульсов. В случае реализации схемы с электронным сканированием в соответствии с фиг. 3, для реализации блока 4 могут использоваться управляемые электрическим напряжением электрооптические или ультразвуковые отклоняющие устройства [4]
Блоки 3 определения дальности и 5 управления реализуются на стандартной электронной элементной базе [5] Делитель частоты 9, формирующий на своем выходе последовательность импульсов с частотой f/2, где f частота входной последовательности импульсов, может быть реализован, например, на основе счетного триггера [5] Функциональный преобразователь 16 представляет собой реализуемую по известному алгоритму электрическую схему вычислителя, обеспечивающего формирование на выходе цифрового кода по заданной величине входного сигнала при известной функциональной зависимости между ними (см. описание работы дальномера). Указанный преобразователь может представлять собой, например, программируемую логическую матрицу. Генератор 21 может представлять собой, например, генератор линейно изменяющегося напряжения [7] развертка которого инициируется входным импульсом напряжения. Элемент задержки 17 может представлять собой, в частности, одновибратор с фиксированным временем задержки выходного импульса по отношению к входному уровню напряжения.

[14]

Лазерный дальномер работает следующим образом.

[15]

Поскольку оптические оси блоков формирования лазерного луча и приема отраженного луча устанавливаются в одной плоскости, диаграммы направленности указанных блоков создают в пространстве зону чувствительности с центром в точке пересечения осей. Геометрия системы (диапазон изменения угла a и значение расстояния между блоками 1 и 2 для схем фиг. 1, 3 или диапазон изменения базового размера L и фиксированное значение угла между оптическими осями для схемы фиг. 2) выбирается таким образом, чтобы обеспечить при том или ином варианте взаимного перемещения оптических осей перемещение указанной зоны чувствительности в пределах от минимальной до максимальной дальности измерений. При сканировании диаграммы направленности блока 1 (или 2) зона чувствительности непрерывно или дискретно перемещается в пространстве, при этом при попадании в нее объекта измерений (см. фиг. 1) формируется выходной сигнал блока приема отраженного луча. Таким образом искомая величина расстояния до объекта может быть определена путем соответствующего геометрического расчета по определяемым тем или иным способом в момент попадания объекта в зону чувствительности величинам a или L.

[16]

При реализации блоков 3 и 5 дальномера согласно фиг. 4, 5 функционирование дальномера осуществляется в следующей последовательности.

[17]

Наводка дальномера на объект измерения осуществляется либо по видимому пятну излучения лазера на его поверхности, либо в случае использования лазера инфракрасного диапазона, с помощью оптического визира (на фиг. 1 не показан), оптическая ось которого совпадает (или установлена параллельно) с оптической осью неподвижного блока приема отраженного луча. Цикл работы устройства начинается с подачи импульса напряжения на первый управляющий вход дальномера (см. временную диаграмму фиг. 6а), в результате которого происходит сброс триггера 11 и обнуление счетчика 15 в блоке 3 определения дальности, а также опрокидывание триггера 10, открывающего элемент И 13 для прохождения импульсов на вход счетчика. Поступающий затем на второй управляющий вход импульс (фиг. 6б) обнуляет счетчик 20 и опрокидывает триггер 18, выходной сигнал которого запускает генератор изменяющегося напряжения 21 (фиг. 6 в) и одновременно инициирует формирование последовательности тактовых импульсов частотой f на выходе генератора 19 (фиг. 6 г). Указанные тактовые импульсы поступают со второго выхода блока 5 на третий вход блока 3 и одновременно на счетный вход счетчика 20, сигнал переполнения которого ограничивает максимальное количество импульсов на выходе генератора 19 (см. фиг. 5, 6г).

[18]

Изменение напряжения на выходе генератора 21 (фиг. 6 в) сопровождается соответствующим изменением угла a отклонения луча отклоняющим элементом 8 (фиг. 3), в результате чего и происходит сканирование пространство предметов лучом блока 1 (см. фиг. 1). Одновременно со сканированием происходит подсчет количества тактовых импульсов частотой f, проходящих с третьего входа блока 3 через открытый элемент И 13 и на счетный вход счетчика 15 (фиг. 4). При попадании объекта в зону чувствительности, на входе фотоприемника блока 2 появляется соответствующий оптический сигнал (фиг. 6д), преобразуемый блоком 2 в сигнал постоянного уровня некоторой длительности t2 (фиг. 6е). Передним фронтом этого сигнала закрывается триггер 10 (фиг. 4), в результате чего блокируется элемент И 13. Одновременно тем же сигналом открывается для прохождения импульсов элемент И 12. Таким образом, с указанного момента на вход счетчика 15 поступает последовательность импульсов с выхода делителя 9 частотой f/2 (фиг. 6ж). По окончании сигнала фотоприемника элемент И 12 закрывается, блокируя тем самым поступление импульсов на вход счетчика 15. Одновременно задним фронтом этого сигнала (фиг. 6е) опрокидывается триггер 11.

[19]

Таким образом, по окончании оптического сигнала на выходе фотоприемника (выходе объекта из зоны чувствительности) на выходе счетчика устанавливается и сохраняется выходной код N, соответствующий количеству поступивших на его вход за время t1+t2 импульсов (фиг. 6е, ж). Функциональный преобразователь 16 преобразует указанный код в соответствующую величину дальности l на его выходе. При этом, после окончания переходных процессов в преобразователе 16, на выходе элемента задержки 17 появляется сигнал разрешения считывания, используемый для записи выходной информации (величины l9 во внешнее запоминающее устройство или регистр блока индикации результата измерения, если последний предусматривается в составе дальномера. Конкретная реализация указанных блоков не принципиальна с точки зрения сущности метода измерения и может быть осуществлена традиционными способами. Информационный выход блока 3, как это видно из фиг. 4, представляет собой выходную шину данных преобразователя 16 совместно с выходом элемента 17.

[20]

Общее число импульсов, подсчитанных счетчиком 16, оказывается пропорциональным интервалу времени
t t1 + t2/2
(см. фиг. 6е) и тем самым, углу a (или, аналогично, линейному размеру L при использовании линейного сканирования) в момент пересечения оптических осей блоков 1 и 2 на объекте измерений. При этом, за счет описанного алгоритма определения центрального положения зоны чувствительности устраняется влияние помех и шумов, искажающих оптический сигнал на входе фотоприемника (фиг. 6д). Кроме того, повышение помехозащищенности дальномера может быть достигнуто за счет модуляции (например, амплитудной) луча блока формирования 1 и селективного приема модулированного излучения блоком приема 2, осуществляемых известным способом [4]
Конкретная зависимость между величиной N и искомым значением дальности, задающая алгоритм функционального преобразователя 16, определяется реализуемым вариантом оптической схемы, ее геометрическими параметрами и характеристиками входящих в состав дальномера элементов. Для описанного выше варианта углового перемещения оптической оси блока 1 с помощью отклоняющего элемента 8, в связи с малостью угла a при l>L имеет (см. фиг. 1):

где w угловая скорость перемещения луча. Указанная формула соответствует отсчету угла от его нулевого положения, при котором оси блоков 1 и 2 параллельны друг другу. При заданных величинах L, f и w, той или иной подсчитанной счетчиком 15 величине N однозначно соответствует значение дальности l, вычисляемое преобразователем 16. В случае же линейного сканирования (фиг. 2) функция преобразования имеет вид

где V линейная скорость перемещения луча (зеркала 7), L максимальный размер базы, соответствующий верхнему диапазону измерения расстояния l. В этом случае началу отсчета соответствует взаимное положение блоков 1 и 2, при котором расстояние между ними максимально.

[21]

Реализуемый предполагаемым дальномером способ измерений характеризуется высокой потенциальной точностью при условии стабильности во времени частоты f и скорости сканирования, не требуя при этом высокочастотной модуляции лазерного луча и сложной электронной обработки результата измерений. Предельная величина методической погрешности измерения при заполнении указанных выше условий определяется предельной случайной погрешностью квантования временного интервала счетными импульсами, которая обратно пропорциональна частоте f следования импульсов [7] Так как интервал времени t2 (фиг. 6е) заполняется импульсами с частотой следования f/2, максимальная ошибка при квантовании не превышает ± 2 импульса. Соответствующая величина абсолютной погрешности определения дальности Dl может быть определена исходя из этого условия и представленных выше соотношений. Например, для схемы с линейным сканированием при f 106 Гц, L 0,2 м, V 1 м/с, lmax 100 м, имеем Δl 1 мм. При этом время измерений не превышает 0,2 сек.

[22]

Таким образом, на основе предложенной схемы могут быть реализованы высокочастотные быстродействующие малогабаритные лазерные дальномеры, имеющие ряд преимуществ по сравнению с традиционными фазовыми. Точность дальномера в полевых условиях измерений может быть повышена также за счет статистической обработки результатов ряда последовательных измерений и той же величины дальности.

Как компенсировать расходы
на инновационную разработку
Похожие патенты