патент
№ RU 105360
МПК E21B47/00

УСТРОЙСТВО МОНИТОРИНГА СОСТОЯНИЯ БЕЗОПАСНОСТИ ЭКСПЛУАТАЦИИ МАГИСТРАЛЬНЫХ ГАЗОПРОВОДОВ

Авторы:
Дорохина Антонина Евгеньевна Грязев Михаил Васильевич Горюнкова Анна Александровна
Все (9)
Номер заявки
2011103895/03
Дата подачи заявки
04.02.2011
Опубликовано
10.06.2011
Страна
RU
Как управлять
интеллектуальной собственностью
Чертежи 
1
Реферат

Устройство мониторинга состояния безопасности эксплуатации магистральных газопроводов, содержащее внешний источник электроэнергии, блок питания с накоплением энергии на аккумуляторных батареях, контроллер, датчик параметров потока, установленный на трубопроводе с крановой задвижкой, электрогидропривод, приемопередающий узел, отличающееся тем, что в него дополнительно введены в качестве внешнего источника электроэнергии солнечные батареи, адаптер, датчик измерения давления газа в трубопроводе до крановой задвижки, датчик измерения давления газа в трубопроводе после крановой задвижки, датчик контроля коррозии арматуры, датчик контроля несанкционированного доступа, датчики обнаружения утечки газа, блоки выделения координат, фильтры, приемопередатчики, причем выход внешнего источника электроэнергии в виде солнечных батарей соединен с входом адаптера, выход которого соединен с входом блока питания с накоплением энергии на аккумуляторных батареях, один выход которого соединен с контроллером, а другой - с электрогидроприводом, входы контроллера соединены с выходами датчика измерения давления газа в трубопроводе до крановой задвижки, датчика измерения давления газа в трубопроводе после крановой задвижки, датчика измерения расхода газа, датчика измерения температуры газа, датчика контроля коррозии арматуры, датчика контроля несанкционированного доступа, приемопередатчика, который по каналу GSM соединен с приемопередатчиком диспетчерского центра; выход солнечной батареи соединен с входом адаптера, выход которого соединен с входом блока питания с накоплением энергии на аккумуляторных батареях, вы

Формула изобретения

Устройство мониторинга состояния безопасности эксплуатации магистральных газопроводов, содержащее внешний источник электроэнергии, блок питания с накоплением энергии на аккумуляторных батареях, контроллер, датчик параметров потока, установленный на трубопроводе с крановой задвижкой, электрогидропривод, приемопередающий узел, отличающееся тем, что в него дополнительно введены в качестве внешнего источника электроэнергии солнечные батареи, адаптер, датчик измерения давления газа в трубопроводе до крановой задвижки, датчик измерения давления газа в трубопроводе после крановой задвижки, датчик контроля коррозии арматуры, датчик контроля несанкционированного доступа, датчики обнаружения утечки газа, блоки выделения координат, фильтры, приемопередатчики, причем выход внешнего источника электроэнергии в виде солнечных батарей соединен с входом адаптера, выход которого соединен с входом блока питания с накоплением энергии на аккумуляторных батареях, один выход которого соединен с контроллером, а другой - с электрогидроприводом, входы контроллера соединены с выходами датчика измерения давления газа в трубопроводе до крановой задвижки, датчика измерения давления газа в трубопроводе после крановой задвижки, датчика измерения расхода газа, датчика измерения температуры газа, датчика контроля коррозии арматуры, датчика контроля несанкционированного доступа, приемопередатчика, который по каналу GSM соединен с приемопередатчиком диспетчерского центра; выход солнечной батареи соединен с входом адаптера, выход которого соединен с входом блока питания с накоплением энергии на аккумуляторных батареях, выход которого соединен с входом контроллера, выход которого соединен с входом приемопередатчика, который по каналу GSM соединен с приемопередатчиком диспетчерского центра, выходы датчиков обнаружения утечки газа, датчиков контроля коррозии арматуры соединены с входами контроллера; выходы приемопередатчика, который по каналу GPS соединен со спутником (ГЛОНАСС), соединены с входами блоков выделения координат (широта, долгота, высота), выходы которых соединены с входами фильтров, выходы которых соединены с входами контроллера.

Описание

[1]

Полезная модель относится к средствам автоматизации контроля удаленных объектов, а именно к контролю технических параметров магистральных газопроводов.

[2]

Известна система контроля и управления оборудованием объекта, содержащая центральный вычислительный блок с устройством ввода-вывода, с которым по каналам информационной сети связаны датчики контроля, измерения и управления узлами оборудования, система снабжена контроллерами, а к каждому контроллеру последовательно подключены модули управления (патент РФ №2133490 С1, 20.07.1999).

[3]

Недостатком системы является отсутствие единой инфраструктуры, что затрудняет оперативную связь с соответствующими дистанционно удаленными объектами управления.

[4]

Известен способ и устройство для дистанционного обнаружения места утечки газов при выполнении автоматического отбора пробы (патент РФ №2145704). При реализации способа перемещают газочувствительное средство постоянного действия управляемым воздушно-транспортным путем на высоту к местам возможных утечек. Место утечки локализуют по изменению индикации, вызванному изменением концентрации окружающего газа. Устройство размещено на аэростате.

[5]

Недостатком данного способа являются трудности в эксплуатации воздушно-транспортного средства и экономическая составляющая.

[6]

Наиболее близким к заявляемой полезной модели является устройство для контроля и управления запорной трубопроводной арматурой (патент РФ №93459, МПК Е21В 47/00), характеризующееся тем, что оно содержит внешний источник электроэнергии, подключенный к блоку питания с накопителем энергии на аккумуляторной батарее, к которому подключены контроллер, взаимосвязанный с приемопередающим узлом для обмена информацией с диспетчерским центром, и электрогидропривод для управления запорной трубопроводной арматурой, причем блок питания с накопителем энергии на аккумуляторной батарее, контроллер и приемопередающий узел помещены в герметичный корпус, который погружен в грунт полностью или частично, а установленный на трубопроводе датчик параметров потока подключен к контроллеру, при этом электрогидропривод снабжен накопителем энергии на пневмоаккумуляторе.

[7]

Недостатком данного устройства является невозможность выявления утечки газа, нарушения целостности конструкции трубопровода, произведения измерение температуры газа, контроль коррозии арматуры, несанкционированного доступа.

[8]

Задача, на решение которой направлена полезная модель, состоит в повышении безопасности эксплуатации магистральных газопроводов, расширении функциональных возможностей контроля состояния магистрального газопровода в части измерения давления газа в трубопроводе до и после крановой задвижки, температуры газа, расхода газа, контроля коррозии арматуры, несанкционированного доступа.

[9]

Технический результат, отвечающий, сформулированной выше задаче, состоит в повышении безопасности газопроводов, расширении функциональных возможностей контроля удаленных объектов путем непрерывного мониторинга технологических параметров транспортируемого газа, контроля несанкционированного доступа, коррозии арматуры.

[10]

Указанный технический результат при осуществлении полезной модели достигается тем, что в устройстве мониторинга состояния безопасности эксплуатации магистральных газопроводов, содержащем внешние источники электроэнергии в виде солнечных батарей, блоки питания с накоплением энергии на аккумуляторных батареях, контроллеры, адаптеры, датчик измерения давления газа в трубопроводе до крановой задвижки, датчик измерения давления газа в трубопроводе после крановой задвижки, датчик измерения расхода газа, датчик измерения температуры газа, датчики контроля коррозии арматуры, датчик контроля несанкционированного доступа, датчики обнаружения утечки газа, блоки выделения координат, фильтры, электрогидропривод, приемопередатчики, диспетчерский центр, причем выход внешнего источника электроэнергии в виде солнечных батарей соединен с входом адаптера, выход которого соединен с входом блока питания с накоплением энергии на аккумуляторных батареях, один выход которого соединен с контроллером, а другой с электрогидроприводом, входы контроллера соединены с выходами датчика измерения давления газа в трубопроводе до крановой задвижки, датчика измерения давления газа в трубопроводе после крановой задвижки, датчика измерения расхода газа, датчика измерения температуры газа, датчика контроля коррозии арматуры, датчика контроля несанкционированного доступа, приемопередатчика, который по каналу GSM соединен с приемопередатчиком диспетчерского центр; выход солнечной батареи соединен с входом адаптера, выход которого соединен с входом блока питания с накоплением энергии на аккумуляторных батареях, выход которого соединен с входом контроллера, выход которого соединен с входом приемопередатчика, который по каналу GSM соединен с приемопередатчиком диспетчерского центра, выходы датчиков обнаружения утечки газа, датчиков контроля коррозии арматуры соединены с входами контроллера; выходы приемопередатчика, который по каналу GPS соединен со спутником (ГЛОНАСС), соединены с входами блоков выделения координат (широта, долгота, высота), выходы которых соединены с входами фильтров, выходы которых соединены с входами контроллера.

[11]

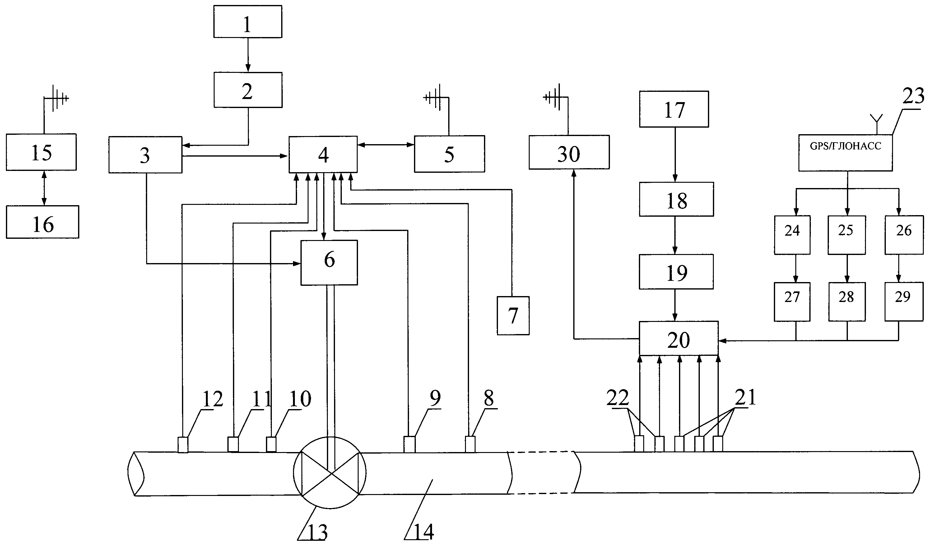
На фиг.1 изображена схема предлагаемого устройства мониторинга состояния безопасности эксплуатации магистральных газопроводов.

[12]

Предлагаемое устройство мониторинга состояния безопасности эксплуатации магистральных газопроводов, содержащее внешний источник электроэнергии в виде солнечных батарей 1, выход которого соединен с входом адаптера 2, выход которого соединен с входом блока питания с накоплением энергии на аккумуляторных батареях 3, один выход которого соединен с контроллером 4, а другой с электрогидроприводом 6, входы контроллера 4 соединены с выходами датчика измерения давления газа 8 в трубопроводе 14 до крановой задвижки 13, датчика измерения давления газа 10 в трубопроводе 14 после крановой задвижки 13, датчика измерения расхода газа 9, датчика измерения температуры газа 11, датчика контроля коррозии арматуры 12, датчика контроля несанкционированного доступа 7, приемопередатчика 5, который по каналу GSM соединен с приемопередатчиком 15 диспетчерского центр 16; выход солнечной батареи 17 соединен с входом адаптера 18, выход которого соединен с входом блока питания с накоплением энергии на аккумуляторных батареях 19, выход которого соединен с входом контроллера 20, выход которого соединен с входом приемопередатчика 30, который по каналу GSM соединен с приемопередатчиком 15 диспетчерского центра 16, выходы датчиков обнаружения утечки газа 21, датчиков контроля коррозии арматуры 22 соединены с входами контроллера 20; выходы приемопередатчика 23, который по каналу GPS соединен со спутником (ГЛОНАСС), соединены с входами блоков выделения координат (широта, долгота, высота) 24, 25, 26, выходы которых соединены с входами фильтров 27, 28, 29, выходы которых соединены с входами контроллера 20.

[13]

Устройство работает следующим образом.

[14]

Информация с датчика измерения давления газа 8 в трубопроводе 14 до крановой задвижки 13, датчика измерения давления газа 10 в трубопроводе 14 после крановой задвижки, датчика измерения расхода газа 8, датчика измерения температуры газа 11, датчика контроля коррозии арматуры 12, датчика контроля несанкционированного доступа 7 поступает в контроллер 4, обрабатывается и периодически в установленное время или по запросу или в случае превышения установленных значений параметров передается с помощью приемопередатчика 5 по каналу связи GSM на приемопередатчик 15 диспетчерского центра 16 для обработки и принятия решения.

[15]

Электрогидропривод 6 работает от электроэнергии, накопленной в аккумуляторной батарее блока 3 питания, а также накапливает энергию в имеющемся в нем пневмоаккумуляторе в виде энергии сжатого газа. Управление электрогидроприводом 6, крановой задвижкой 13 осуществляется автоматически контроллером 4 с помощью встроенной в него программы. Возможно управление электрогидроприводом 6 крановой задвижкой 13 из диспетчерского центра 16 дистанционно по средствам приемопередатчиков 5 и 15.

[16]

В случае появления возможной аварии, о возникновении которой контроллер 4 принимает решение на основании информации, получаемой с датчиков 7, 8, 9, 10, 11, 12, 13, выдает команду электрогидроприводу 6 на экстренное перекрытие крановой задвижки 13, при этом исполнительное устройство электрогидропривода 6 благодаря запасенной в его пневмоаккумуляторе энергии сжатого газа осуществит экстренное перекрытие трубопровода.

[17]

При отсутствии электроэнергии используется внешний источник электроэнергии - солнечные батареи 1. Адаптер 2 преобразуют солнечную энергию в электрическую, которая накапливается блоком питания 3 в его аккумуляторной батарее.

[18]

Информация с датчиков обнаружения утечки газа 21, датчиков контроля коррозии арматуры 22 поступает в контроллер 20, который работает на электроэнергии, поступающей из блока питания с накоплением энергии на аккумуляторных батареях 19. Блок питания с накоплением энергии на аккумуляторных батареях 19 оснащен адаптером 18, который преобразует солнечную энергию, накопленную солнечными батареями 17, в электрическую. Полученная информация в контроллере 20 обрабатывается и направляется в приемопередатчик 30, который по каналу GSM связывается с приемопередатчиком 15 диспетчерского центра 16.

[19]

Приемопередатчик 23 сообщается по каналу GPS со спутником (ГЛОНАСС), получает от него значения координат местоположения магистрального трубопровода, которые фиксируются на блоках выделения координат: блок 24 - широта, блок 25 - долгота, блок 26 - высота. Блоки выделения координат соединены с фильтрами 27, 28, 29, которые позволяют пренебречь погрешностью координат, полученных со спутника. Информация, собранная с фильтров 27, 28, 29, направляется в контроллер 20 и далее в диспетчерский центр 16 с помощью приемопередатчиков 30 и 15. Таким образом, возможно осуществить удаленный мониторинг целостности трубопровода.

[20]

Такое техническое решение позволяет повысить безопасность эксплуатации газопровода, расширить функциональные возможности контроля удаленных объектов путем непрерывного мониторинга технологических параметров транспортируемого газа, контроля несанкционированного доступа, коррозии арматуры.

Как компенсировать расходы
на инновационную разработку
Похожие патенты