патент
№ RU 2193673
МПК F02B37/12

СИСТЕМА УПРАВЛЯЕМОГО ТУРБОНАДДУВА СИСТЕМА УПРАВЛЯЕМОГО ТУРБОНАДДУВА

Авторы:
Потанин В.А.
Номер заявки
2001104141/06
Дата подачи заявки
15.02.2001
Опубликовано
27.11.2002
Страна
RU
Как управлять
интеллектуальной собственностью
Чертежи 
4
Реферат

[22]

Изобретение относится к двигателестроению и может быть использовано в системах наддува двигателей внутреннего сгорания. Техническим результатом является повышение кпд и приемистости двигателя. Сущность изобретения заключается в том, что система содержит турбокомпрессор, соединенный с ним вспомогательный электрический мотор-генератор с блоком управления, состоящим из микропроцессорного контроллера и силового инвертора, подключенного к мотор-генератору, и датчик оборотов турбокомпрессора, соединенный с микропроцессорным контроллером. Согласно изобретению вход силового инвертора соединен с постоянным звеном электрической цепи передачи основного генератора дизеля на моторы движителей (например, колесных пар) транспортного средства и введена схема измерения этого постоянного звена электрической цепи передачи, а ее выход соединен с микропроцессорным контроллером. 3 з.п. ф-лы, 5 ил.

Формула изобретения

1. Система управляемого турбонаддува дизельного двигателя, включающая турбокомпрессор, соединенный с ним вспомогательный электрический мотор-генератор, блок управления вспомогательным электрическим мотор-генератором, состоящий из микропроцессорного контроллера и силового инвертора, подключенного к мотор-генератору, датчик оборотов турбокомпрессора, соединенный с микропроцессорным контроллером, отличающаяся тем, что вход силового инвертора соединен с постоянным звеном электрической цепи передачи основного генератора дизеля на моторы движителей (например, колесных пар) транспортного средства, введена схема измерения этого постоянного звена электрической цепи передачи, а ее выход соединен с микропроцессорным контроллером.

2. Система управляемого турбонаддува дизельного двигателя по п. 1, отличающаяся тем, что датчик оборотов турбокомпрессора выполнен в виде датчика зазора, устанавливаемого напротив лопаточной части компрессора турбокомпрессора.

3. Система управляемого турбонаддува дизельного двигателя по п. 1, отличающаяся тем, что датчик оборотов турбокомпрессора выполнен в виде датчика зазора, устанавливаемого напротив лопаточной части турбины турбокомпрессора.

4. Система управляемого турбонаддува дизельного двигателя по пп. 1 и 2 или 3, отличающаяся тем, что схема измерения напряжения постоянного звена электрической цепи передачи выполнена в виде аналого-цифрового преобразователя.

Описание

[1]

Изобретение относится к турбокомпрессорам дизельных двигателей и может быть использовано в транспортных средствах, в частности в тепловозах.

[2]

В настоящее время неуправляемые (свободные) турбокомпрессоры широко применяются в дизельных двигателях для увеличения выходной удельной мощности, улучшения рабочих процессов в камере сгорания, выражающегося в уменьшении расхода потребляемого топлива и повышении общего кпд двигателя. Турбокомпрессоры обеспечивают более высокие параметры подачи воздуха для процесса сжигания топлива, чем это реализуется при естественном всасывании, за счет использования энергии выхлопных газов для привода нагнетающего воздушного компрессора. Однако такие системы не обладают полной согласованностью статических характеристик турбокомпрессора и дизельного двигателя во всем рабочем диапазоне мощностей и характеризуются затянутыми переходными процессами при переходе между позициями мощности.

[3]

Классическим решением данных проблем является использование турбокомпрессоров с управляемой изменяемой геометрией соплового аппарата (например, материалы конгресса CIMAC-1998, Копенгаген, том 5, стр. 1219, статья "Development of new type variable nozzle turbocharger"). Такая типовая конструкция построена по схеме обычного турбокомпрессора и дополнена механикой поворота или переключения лопаток соплового аппарата турбины. Данное решение не позволяет в полной мере улучшить динамику и обладает труднопреодолимой общей проблемой коксования механики управления соплового аппарата.

[4]

Известен патент США 6079211, МПК F 02 B 37/14, в котором система наддува для двигателя внутреннего сгорания состоит из первичного компрессора, приводимого электромотором от силового контроллера и подающего воздух далее в турбокомпрессор. Такое решение обладает слабой динамикой переходных процессов и требует весьма высоких мощностей силового контроллера и электродвигателя при относительно низких возможностях регулирования требуемого эффективного соотношения воздух/топливо.

[5]

Из всех известных устройств подобного типа наиболее близким к предлагаемому изобретению является устройство, описанное в международном патенте 9816728, МПК F 02 B 37/10, который выбран в качестве прототипа. В нем система управляемого турбокомпрессора дизельного двигателя включает турбокомпрессор, вспомогательный электрический мотор-генератор, датчик оборотов турбокомпрессора, блок управления вспомогательным электрическим мотор-генератором, состоящий из микропроцессорного контроллера и силового инвертора. Этот управляемый вспомогательный электрический мотор-генератор обеспечивает турбокомпрессор дополнительной механической мощностью на нижних позициях мощности дизельного двигателя и выводит избыточную мощность турбокомпрессора на верхних позициях мощности дизельного двигателя для поддержания требуемого эффективного соотношения воздух/топливо. Также вспомогательный электрический мотор-генератор ускоряет переходные процессы при переходе между позициями мощности дизельного двигателя. Данное техническое решение применимо для транспортных двигателей малой мощности с наличием специализированного электропитания, необходимого для обеспечения работы устройства.

[6]

Недостатками данной конструкции являются:
1) при высоких степенях наддува турбокомпрессора (и соответственно высокой величине отношения мощность турбокомпрессора/мощность дизеля) такое построение электрической части ведет к серьезному удорожанию конструкции или отказу от полной реализации возможностей системы из-за пропорционально степени наддува увеличения и соответствующего ценового масштабирования силовой электрической части;
2) при высоких степенях наддува и настройки точки согласования турбокомпрессора и дизельного двигателя существенно ниже номинальной мощности дизельного двигателя встает вопрос длительной и эффективной утилизации весьма большой электрической мощности генераторного режима мотор-генератора (до нескольких десятков процентов от общей мощности дизеля), которая не обеспечивается предложенным решением;
3) утяжеление центральной части ротора турбокомпрессора за счет вставки электродвигателя ведет к существенному снижению собственных частот объединенного ротора, изменению его динамики, попаданию рабочего диапазона скорости вращения ротора в зону с множественными резонансными пиками вала ротора, что затрудняет реализацию. Это актуально для турбокомпрессоров среднего и большого типоразмеров (т.е. для дизелей мощностью примерно более 300 л.с.). Также такое построение накладывает конструктивные ограничения на величину предельной электрической мощности вспомогательного мотор-генератора относительно мощности турбокомпрессора.

[7]

То есть, подобное конструктивное решение требует специализированного высококачественного и дорогостоящего электрического питания, которое отсутствует почти на всех типах тепловозов и большегрузных самосвалов, представляющих собой область применения устройства по предлагаемому изобретению. Наши турбокомпрессоры не позволяют вводить в центральную часть электродвигатель, т. к. это плохо конструктивно реализуемо и отрицательно влияет на динамику роторной части. Таким образом, в прототипе не может быть обеспечен технический результат, выраженный в повышении общего кпд и улучшении динамики системы, а также возможности реализации системы управляемого турбонаддува для транспортных дизелей средней и большой мощности (примерно свыше 300 л.с.).

[8]

Техническим результатом предлагаемого изобретения является поддержание эффективного соотношения воздух/топливо для полного диапазона мощности дизельного двигателя, ускорение динамики переходных процессов при переходе между позициями мощности дизельного двигателя, повышение общего кпд системы преимущественно для дизельных двигателей высокой мощности и высоких степеней наддува турбокомпрессора.

[9]

Данный технический результат достигается тем, что в известной системе управляемого турбонаддува дизельного двигателя, включающей турбокомпрессор, соединенный с ним вспомогательный электрический мотор-генератор, блок управления вспомогательным электрическим мотор-генератором, состоящий из микропроцессорного контроллера и силового инвертора, подключенного к мотор-генератору, датчик оборотов турбокомпрессора, соединенный с микропроцессорным контроллером, вход силового инвертора соединен с постоянным звеном электрической цепи передачи основного генератора дизеля на моторы движителей (например, колесных пар) транспортного средства, введена схема измерения напряжения этого постоянного звена электрической цепи передачи, например, в виде аналогово-цифрового преобразователя, а ее выход соединен с микропроцессорным контроллером, датчик оборотов турбокомпрессора выполнен в виде датчика зазора, устанавливаемого напротив лопаточной части компрессора или турбины турбокомпрессора.

[10]

В процессе проведенного поиска по источникам патентной и научно-технической информации не было обнаружено устройства, содержащего такую же совокупность существенных признаков и обеспечивающего заявляемый технический результат, что и предлагаемое изобретение. Таким образом, оно представляет собой техническое решение, являющееся новым, промышленно применимым и обладающим изобретательским уровнем.

[11]

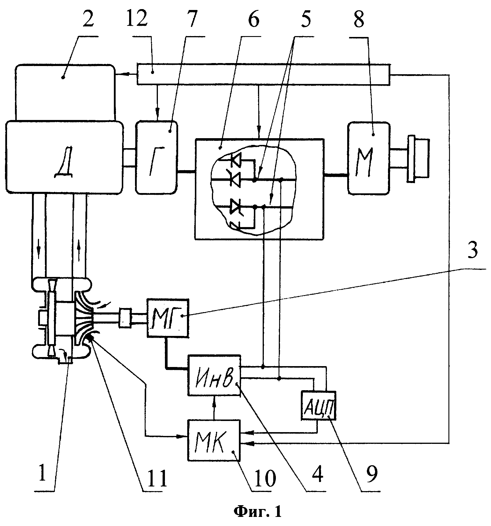
На фиг.1 показан общий вид устройства по предлагаемому изобретению.

[12]

На фиг.2 представлены требуемые значения мощности вспомогательного мотор-генератора при разных оборотах типового турбокомпрессора дизельного двигателя тепловоза.

[13]

На фиг. 3 показано ускорение переходных процессов дизельного двигателя тепловоза при использовании подкрутки вспомогательным мотор-генератором постоянным моментом 3 кгс•м.

[14]

На фиг.4 представлены I-V гиперболы в постоянном звене передачи основного генератора дизеля тепловоза на моторы колесных пар.

[15]

На фиг.5 показано подключение инвертора в виде стандартного трехфазного моста к типовому постоянному звену электрической цепи передачи основного генератора дизеля на моторы колесных пар тепловоза.

[16]

Система управляемого турбонаддува содержит (далее по чертеже) турбокомпрессор 1, обеспечивающий воздухоснабжение дизельного двигателя 2; данный турбокомпрессор 1 через муфту (не обозначенную на фиг.) соединен со вспомогательным электрическим мотор-генератором 3, инвертор 4 данного мотор-генератора 3 получает силовое питание от постоянного звена 5 цепи передачи 6 основного силового генератора 7 дизельного двигателя 2 на моторы 8 привода движителей (например, колес) транспортного средства. Напряжение постоянного звена 5 цепи передачи 6 измеряется аналогово-цифровым преобразователем 9 и заводится в микропроцессорный контроллер 10 системы управляемого турбонаддува. Туда же подается информация с датчика зазора 11, установленного напротив лопаточной части компрессора, и с блока общего управления дизелем 12.

[17]

Система управляемого турбонаддува работает следующим образом. Дизельный двигатель 2 получает воздухоснабжение от турбокомпрессора 1. Отработавшие газы двигателя 2 вращают турбину турбокомпрессора, а получающаяся механическая энергия идет преимущественно на сжатие воздуха в компрессоре. На нижних позициях мощности дизельного двигателя 2 вспомогательный мотор-генератор 3 работает в моторном режиме для увеличения подачи воздуха в дизельный двигатель 2 и поддержания эффективного соотношения воздух/топливо. На практике часто точка согласования подачи воздуха турбокомпрессором настраиваются около 75% номинальной мощности дизельного двигателя. Выше этой точки вспомогательный электрический мотор-генератор 3 работает в генераторном режиме для уменьшения подачи воздуха в дизельный двигатель 2 и поддержания соответствующего эффективного соотношения воздух/топливо. Требуемая для этого двунаправленная электрическая мощность берется из постоянного звена 5 электрической цепи передачи 6 основного генератора дизеля на моторы движителей 8 (например, колесных пар) транспортного средства. Для этого вход силового инвертора 4 подключается к постоянному звену 5. Поскольку напряжение в данном звене 5 весьма сильно меняется, вводится измерение данного напряжения, например аналогово-цифровым преобразователем 9 и результат заводится в микропроцессорный контроллер 10 для коррекции вида модуляции выходного напряжения силового инвертора 4, подаваемого на вспомогательный электрический мотор-генератор 3.

[18]

Таким образом, направленностью предлагаемого изобретения является коррекция несогласованности характеристик поршневой машины, которой является дизельный двигатель 2, и газотурбинной машины, которой является турбокомпрессор 1, выражающейся в том, что на низких позициях мощности дизельный двигатель 2 недополучает воздух для оптимального процесса сгорания, а на верхних позициях мощности двигатель 2 может оказаться перенаддутым. Введение в такую систему вспомогательного обратимого электрического мотор-генератора 3 согласовывает данные статические характеристики за счет добавления или вычитания требуемой добавочной механической мощности. На фиг.2 представлены требуемые значения мощности мотор-генератора при разных оборотах турбокомпрессора (ТК3416 производства СКБТ, малофорсированный вариант). Одновременно существенно поднимаются динамические параметры. Так на фиг.3 представлен перевод типового тепловозного двигателя с нулевой позиции на номинал (расчет произведен во ВНИИЖТ (ВНИИ железнодорожного транспорта) под руководством доктора технических наук Коссова Е.Е. по заказу СКБТ). При постоянном дополнительном крутящем моменте вспомогательного мотор-генератора 3 в 3 кгс•м тепловозный дизельный двигатель выходит с нулевой позиции на номинальную мощность за 7 с вместо 35 с. Статическое и динамическое согласование подачи воздух/топливо повышает общий кпд системы. При больших уровнях наддува и настройки точки свободного согласования (точка А на фиг.2) турбокомпрессора 1 и дизельного двигателя 2 в зоне частичных нагрузок дизельного двигателя мощность генераторного режима достигает 50...100 и более кВт, и этот режим может быть длительным. Такая настройка турбокомпрессора 1 и дизельного двигателя 2 обладает теми достоинствами, что типовой кпд турбины турбокомпрессора (около 80%) выше, чем типовой кпд дизеля (около 41%). Следовательно, большая часть процесса расширения рабочих газов дизельного двигателя 2 может переносится на турбину турбокомпрессора 1 для увеличения общего кпд системы. Однако для реализации такой системы необходим соответствующий обратимый источник электроэнергии. Решение, предложенное в прототипе (а также его возможные варианты), нельзя считать приемлемым. В предлагаемом изобретении предлагается для этого использовать подключение к постоянному звену 5 цепи передачи 6 основного генератора 7 дизеля 2 транспортного средства на электромоторы движителей 8 (например, колесных пар тепловоза). Данная передача является по своей сути своеобразной "коробкой скоростей" транспортного средства, а постоянное звено присутствует во всех вариантах такой цепи передачи в той или иной форме. В зависимости от позиции мощности дизельного двигателя и скорости транспортного средства напряжение в этом звене меняется от 20 до 800...950 В, но это звено является двунаправленным (т.е. позволяет и моторный, и генераторный режимы) относительно вспомогательного мотор-генератора и весьма мощным. Это позволяет реализовать данное изобретение для дизельных двигателей высокой мощности и высоких степеней наддува турбокомпрессора. На фиг.4 представлены I-V гиперболы в этом звене в зависимости от позиции мощности для типового тепловоза. Для каждой позиции мощности дизельного двигателя эти гиперболы определяют диапазон доступного напряжения. Как показало специальное изучение этой проблемы по результатам стендовых испытаний БМЗ (Брянский машиностроительный завод) и ВНИТИ (Научно-исследовательский институт тепловозов и путевых машин), существует пропорциональность оборотов турбокомпрессора и среднего напряжения гиперболы соответствующей позиции мощности дизельного двигателя. Следовательно, выполнение закона регулирования электродвигателей переменного тока V/r=const (пропорциональность фазового напряжения электродвигателя к частоте питания, которая почти пропорциональна оборотам) достигается без использования дорогостоящего звена предстабилизатора повышающего типа. Для компенсации разброса напряжения по зоне гиперболы производится измерение напряжения в данном звене (поз. 9 фиг.1) и микропроцессорным контроллером 10 вводится изменение параметров модуляции инвертора 4 вспомогательного мотор-генератора 1. Построение инвертора 1 в виде стандартного трехфазного моста и использование обычной модуляции (например, векторной пространственной модуляции - space vector modulation) обеспечивает возможности стабилизации понижающего типа, что является достаточным. На фиг.5 представлено подключение стандартного трехфазного моста 15 инвертора 9 к постоянному звену 5 электрической цепи передачи основного генератора дизеля 2 на моторы колесных пар тепловоза (сильно упрощено). Напряжение многофазного генератора 7 переменного тока выпрямляется многофазным мостом 13 и далее подается на инверторы моторов колесных пар 14. Варианты цепи передачи основного генератора дизеля 2 на моторы колесных пар сильно различаются на разных типах тепловозов в зависимости от типов и комбинации применяемых электрических машин (переменного или постоянного тока) и реализации конкретной схемы электрической передачи, но постоянное звено присутствует во всех вариантах такой цепи передачи.

[19]

Реализация высоко динамичного закона регулирования вспомогательного мотор-генератора и необходимость возможности "горячего рестарта" системы при сбоях электроники требует наличия качественного датчика оборотов турбокомпрессора. Использование типовых датчиков оборотов осложняется высокими оборотами турбокомпрессора (до 45 тыс. об./мин), работой в условиях масляного тумана, наличия абразивных включений в смазочном масле подшипников качения и требований длительного ресурса. Для получения информации о угловой скорости ротора в турбокомпрессор напротив лопаточной части (преимущественно, компрессора) устанавливается датчик зазоров, который дает импульсные отклики на оборот, пропорциональные количеству лопаток.

[20]

В качестве примера конкретного выполнения можно указать следующее. Макет системы управляемого турбонаддува был испытан СКБТ на базе турбокомпрессора ТК3421, асинхронного трехфазного электродвигателя, сделанному по спец. заказу в г. Истра, инвертора того же производства на стендах Пензенского дизельного завода. Практическим результатом данных испытаний явилось достижение экономии горючего до 7 г/л.с.•ч на отдельных режимах.

[21]

Таким образом, как видно из вышеописанного именно заявленная совокупность существенных признаков по предлагаемому изобретению обеспечивает достижение технического результата - общее повышение кпд системы, улучшение динамических переходных качеств, возможность реализации устройства для дизелей средней и большой мощности (свыше 300 л.с.).

Как компенсировать расходы
на инновационную разработку
Похожие патенты