патент
№ RU 2574289
МПК G21C7/36

КОМПЛЕКС ЭЛЕКТРООБОРУДОВАНИЯ СИСТЕМЫ УПРАВЛЕНИЯ И ЗАЩИТЫ ЯДЕРНЫХ РЕАКТОРОВ

Авторы:
Куцаков Сергей Яковлевич Бойко Николай Николаевич Соколов Василий Анатольевич
Все (13)
Номер заявки
2014121549/07
Дата подачи заявки
28.05.2014
Опубликовано
10.02.2016
Страна
RU
Как управлять
интеллектуальной собственностью
Чертежи 
3
Реферат

[120]

Изобретение относится к атомной энергетике и может быть использовано в системах управления и защиты (СУЗ) водо-водяных энергетических реакторов (ЯР). Согласно изобретению комплекс электрооборудования (КЭ) СУЗ выполнен в виде блоков функциональных подсистем (ФП), включая ФП исполнительной части аварийной и предупредительной защиты (АЗ-ПЗ); электропитания (ЭП); программно-технического комплекса системы группового и индивидуального управления (ПТК СГИУ); программно-технического комплекса информационно-диагностической сети (ПТК ИДС) и ФП автоматического регулятора мощности реактора (АРМ), модули которых оснащены соответствующим функциональным электрооборудованием. ФП АЗ-ПЗ оснащена двумя независимыми комплектами электрооборудования (КЭ), выполненными с возможностью формирования исполнительных команд защит (ИКЗ) с передачей этих команд в оборудование ПТК СГИУ и АРМ. ФП функционально связаны и образуют совместно с другими системами СУЗ ЯР. Каждый комплект блока АЗ-ПЗ содержит модули для приема обобщенных сигналов АЗ и ПЗ; для формирования исполнительных команд АЗ; модули с прерывателями электропитания и модули для формирования исполнительных команд ПЗ. Технический результат - повышение надежности и безопасности эксплуатации ядерного реактора за счет непрерывного контроля всех его систем с возможностью многовариантного перехода на оптимальные режимы работы. 7 з.п. ф-лы, 1 табл., 4 ил.

Формула изобретения

1. Комплекс электрооборудования системы управления и защиты ядерных реакторов, содержащий функциональные подсистемы, модули которых выполнены в виде шкафов с соответствующим оборудованием и подключены к линиям питания и к локальной сети связи, а также к приводам органов управления реактором (ОР), отличающийся тем, что система выполнена в виде блоков отдельных функциональных подсистем, включая подсистему исполнительной части аварийной и предупредительной защиты (АЗ-ПЗ); подсистему электропитания (ЭП); подсистему программно-технического комплекса системы группового и индивидуального управления (ПТК СГИУ); подсистему программно-технического комплекса информационно-диагностической сети (ПТК ИДС) и подсистему автоматического регулятора мощности реактора (АРМ), модули которых оснащены соответствующим функциональным электрооборудованием, при этом подсистема блока исполнительной части АЗ-ПЗ выполнена в виде двух независимых комплектов электрооборудования (КЭ), оба комплекта которой выполнены с возможностью формирования исполнительных команд защит по логике «два из трех» или «два из четырех» с передачей сформированных команд защит в оборудование ПТК СГИУ и АРМ по четырем независимым линиям связи и подключены к независимым линиям ввода питания постоянного и переменного тока и к независимым линиям связи с ИЧСЗ, причем выходные линии питания постоянного и переменного тока обоих комплектов блока АЗ-ПЗ подключены к блоку ЭП, выходные линии питания которого подключены к блоку ПТК СГИУ, который по линиям питания и независимым цифровым каналам управления и контроля положения ОР подключен к приводам ОР с возможностью индивидуального и группового управления этими приводами, при этом подсистемы ПТК СГИУ и АРМ выполнены трехканальными с возможностью формирования команд управления каждым ОР по трем независимым каналам с последующей мажоритарной обработкой этих команд по логике «два из трех» непосредственно в исполнительном механизме и обработки команд защит от комплектов блока исполнительной части АЗ-ПЗ по логике «И-ИЛИ», при этом блок ПТК ИДС по локальной сети подключен к функциональным подсистемам всех остальных блоков.

2. Комплекс по п. 1, отличающийся тем, что часть модулей подсистемы блока ПТК СГИУ выполнена с возможностью управления не более чем шестью приводами ОР, относящимися к одной группе ОР, или не более чем двумя независимыми «тройками» ОР, относящимися к двум различным группам ОР.

3. Комплекс по п.1, отличающийся тем, что дополнительно содержит модули с комплектом оборудования для управления приводами ОР на стенде вертикальном для испытаний приводов органов регулирования реактора.

4. Комплекс по п.1, отличающийся тем, что каждый комплект блока исполнительной части АЗ-ПЗ содержит модули с оборудованием для приема обобщенных сигналов аварийной и всех видов предупредительных защит, отдельно по каждому виду поступающей команды защиты, и обработки аварийных команд по логике «два из трех» или «два из четырех»; модули с оборудованием для формирования исполнительных команд аварийной защиты; модули с оборудованием в виде прерывателей электропитания с отключающими контакторами переменного тока; модули с оборудованием в виде прерывателей электропитания с отключающими контакторами постоянного тока и модули с оборудованием для формирования исполнительных команд предупредительных защит.

5. Комплекс по п. 1, отличающийся тем, что блок ЭП состоит из идентичных модулей с оборудованием силового электропитания переменного тока, идентичных модулей с оборудованием силового электропитания постоянного тока и идентичных модулей с оборудованием надежного электропитания.

6. Комплекс по п. 1, отличающийся тем, что модули блока ПТК ИДС содержат оборудование для сбора и архивирования информации по положению всех ОР реактора, состоянию и функционированию электрооборудования КЭ СУЗ, приводов и датчиков положения ОР, передачи информации в смежные системы и на верхний уровень автоматизированной системы управления технологическим процессом (АСУ ТП) энергоблока АЭС, а также оборудование для информационной поддержки обслуживающего персонала при локализации и устранении неисправностей оборудования.

7. Комплекс по п. 1, отличающийся тем, что блок ПТК СГИУ состоит из групп модулей с оборудованием контроля положения и управления приводами ОР реактора, каждый из которых подключен не более чем к шести приводам ОР, и модулей с оборудованием силового управления ОР реактора, каждый из которых подключен не более чем к трем приводам ОР; модулей с оборудованием в виде преобразовательных трансформаторов для электропитания модулей силового управления; модулей с оборудованием серверов управления для формирования и распределения команд управления как на группы приводов ОР, так и на отдельные приводы ОР в соответствии с заданной логикой работы СГИУ; модуля с оборудованием рабочих станций пульта с комплектом терминальных средств пульта оператора (ТСП) для организации интерактивного интерфейса оператора БПУ при ведении процесса управления ОР реактора; модуля с оборудованием групповых цифровых «зонных» индикаторов положения групп ОР; модуля с оборудованием групповой индикации и модулей с оборудованием в виде промежуточных клеммников.

8. Комплекс по п. 1, отличающийся тем, что модуль блока АРМ выполнен в виде трехканального регулятора мощности.

Описание

[4]

Изобретение относится к атомной энергетике и может быть использовано в системах управления и защиты (СУЗ) водо-водяных энергетических реакторов атомных электростанций и других типах энергетических реакторных установок.

[5]

Предложенный комплекс электрооборудования системы управления и защиты (КЭ СУЗ) является частью СУЗ и представляет собой многофункциональную систему для обеспечения защиты и управления мощностью реактора при работе в режимах нормальной эксплуатации и в режимах с нарушением условий нормальной эксплуатации.

[6]

Основными функциями КЭ СУЗ являются: управление мощностью реактора и энергораспределением в активной зоне во всех режимах работы реакторной установки (РУ), реализация аварийной защиты (АЗ) и всех видов предупредительных защит (ПЗ) РУ, автоматическое и дистанционное управление группами органов регулирования (OP), а также дистанционное управление отдельными ОР, автоматическое регулирование мощности реактора, контроль и индикация положения ОР и групп ОР, диагностика состояния оборудования КЭ СУЗ, приводов и датчиков положения ОР, управление приводами ОР на стенде вертикальном.

[7]

Из предшествующего уровня техники известна система управления и защиты ядерного реактора, содержащая каналы формирования команд управления и силового управления. Первый из этих каналов снабжен устройствами приема сигналов, командным блоком и шифратором. Второй канал снабжен блоками управления (в т.ч. силового управления); коммутации и питания (основной и резервный). Командный блок соединен с каждым каналом блока силового управления и выполнен с возможностью логической обработки входных сигналов и генерирования на их основе выходных сигналов команд управления (см. SU 1284408, МПК G21C 7/36, опубликовано 20.12.2005 г.).

[8]

Этот аналог характеризуется низкой стойкостью к наложению отказов, недостаточным быстродействием, сложностью и громоздкостью системы.

[9]

Наиболее близким аналогом, выбранным в качестве прототипа заявленного технического решения, является система группового и индивидуального управления, включающая следующие подсистемы:

[10]

- группового и индивидуального управления;

[11]

- формирования команд защит (на «жесткой логике»);

[12]

- контроля положения органов регулирования (ОР) и индивидуального электропитания датчика положения;

[13]

- управления приводами с индивидуальными дублированными устройствами силового питания электромагнитов приводов;

[14]

- аппаратуры электропитания;

[15]

- электрооборудования щитов управления (пульт ручного управления, компьютеризированный пульт оперативного наблюдения и комплект индикаторов положения на блочном и резервном щитах управления, соответственно, БЩУ и РЩУ);

[16]

- локального сервера контроля и диагностирования, (см. официальный сайт НПО «Импульс» www.imp.lg.ua г. Северодонецк, Украина).

[17]

За счет этой системы обеспечивается: автоматическое управление перемещением ОР, которое осуществляется по сигналам защит и автоматического регулятора мощности (АРМ), дистанционное управление перемещением ОР по командам оператора, индикация на БЩУ и РЩУ текущего положения и состояния ОР, регистрация и визуализация параметров, их изменений и нарушений, передача информации во внешние подсистемы, гарантированное электропитание аппаратуры, контроль работоспособности электрооборудования.

[18]

Основным недостатком этого аналога является отсутствие средств резервирования устройств формирования исполнительных команд на срабатывание защит, оборудование которого относится ко второму классу безопасности, что не соответствует российским требованиям «Правил ядерной безопасности реакторных установок атомных станций» - НП-082-07. Также недостатками аналога являются наличие нескольких уровней приоритетного управления вследствие отсутствия данных по положению ОР непосредственно в оборудовании формирования команд управления (в подсистеме группового управления); отсутствие функционального единства оборудования контроля положения и оборудования силового управления; отсутствие многоканальности в оборудовании контроля положения; отсутствие резервирования каналов контроля положения. Кроме того, из-за отсутствия независимых систем электропитания приводов ОР, возникает необходимость в дублировании электрооборудования силового управления.

[19]

Задачей, решаемой предложенным изобретением, является повышение надежности и безопасности системы управления и защиты ядерных реакторов.

[20]

Решение указанной задачи, согласно изобретению, обеспечено тем, что КЭ СУЗ, выполнен в виде блоков функциональных подсистем (ФП), включая ФП исполнительной части аварийной и предупредительной защиты (АЗ-ПЗ); ФП электропитания (ЭП); ФП программно-технического комплекса системы группового и индивидуального управления (ПТК СГИУ); ФП программно-технического комплекса информационно-диагностической сети (ПТК ИДС) и ФП автоматического регулятора мощности реактора (АРМ), модули которых оснащены соответствующим функциональным электрооборудованием. ФП исполнительной части АЗ-ПЗ оснащена двумя независимыми комплектами электрооборудования (КЭ), выполненных с возможностью формирования исполнительных команд защит (ИКЗ) по логике «два из трех» или «два из четырех» с передачей сформированных команд защит (КЗ) в оборудование ПТК СГИУ и АРМ по четырем независимым линиям связи (ЛЗ) и подключенных к независимым линиям ввода питания постоянного и переменного тока, а также к независимым ЛЗ с ИЧСЗ. Выходные линии питания (ЛП) постоянного и переменного тока обоих комплектов блока исполнительной части АЗ-ПЗ подключены к блоку ЭП, выходные ЛП которого подключены к блоку ПТК СГИУ, который по ЛП и независимым цифровым каналам управления и контроля положения органов регулирования (ОР) подключен к приводам ОР с возможностью индивидуального и группового управления этими приводами, при этом ФП ПТК СГИУ и АРМ выполнены трехканальными с возможностью формирования команд управления (КУ) каждым ОР по трем независимым каналам с последующей мажоритарной обработкой этих команд по логике «два из трех» непосредственно в исполнительном механизме и обработкой команд защит от комплектов блока АЗ-ПЗ по логике «И-ИЛИ» («И» - в пределах комплекта, «ИЛИ» - между комплектами); блок ПТК ИДС по локальной сети подключен к функциональным подсистемам всех перечисленных выше блоков.

[21]

Часть модулей ФП ПТК СГИУ может быть выполнена с возможностью управления не более чем шестью приводами ОР, относящихся к одной группе ОР, или не более чем двумя независимыми «тройками» ОР, относящимся к двум различным группам ОР; КЭ СУЗ может дополнительно содержать модули с комплектом оборудования для управления приводами ОР на стенде вертикальном. Каждый комплект блока исполнительной части АЗ-ПЗ снабжен модулями с оборудованием для приема обобщенных сигналов аварийной и всех видов предупредительных защит, отдельно по каждому виду поступающей КЗ, и обработки аварийных команд по логике «два из трех» или «два из четырех»; модулями с оборудованием для формирования исполнительных команд аварийной защиты; модулями с оборудованием в виде прерывателей электропитания с отключающими контакторами переменного тока; модулями с оборудованием в виде прерывателей электропитания с отключающими контакторами постоянного тока и модулем с оборудованием для формирования исполнительных команд предупредительных защит (ПЗ). Блок ЭП состоит из идентичных модулей с оборудованием силового электропитания переменного тока, идентичных модулей с оборудованием силового электропитания постоянного тока и идентичных модулей с оборудованием надежного электропитания. Модули блока ПТК ИДС снабжены оборудованием для сбора и архивирования информации по положению всех ОР, состоянию и функционированию электрооборудования КЭ СУЗ, приводов и датчиков положения ОР, передачи информации в смежные системы и на верхний уровень автоматизированной системы управления технологическим процессом (АСУ ТП) энергоблока АЭС, а также оборудование для информационной поддержки обслуживающего персонала при локализации и устранении неисправностей оборудования. Блок ПТК СГИУ состоит из групп модулей с оборудованием контроля положения и управления приводами ОР, каждый из которых подключен не более чем к шести приводам ОР, и модулей с оборудованием силового управления ОР, каждый из которых подключен не более чем к трем приводам ОР; модулей с оборудованием в виде преобразовательных трансформаторов для электропитания модулей силового управления; модулей с оборудованием серверов управления для формирования и распределения команд управления как на группы приводов ОР, так и на отдельные приводы ОР в соответствии с заданной логикой работы СГИУ; модуля с оборудованием рабочих станций пульта с комплектом терминальных средств пульта оператора (ТСП) с образованием интерактивного интерфейса оператора БПУ для управления ОР реактора; модуля с оборудованием групповых цифровых «зонных» индикаторов положения групп ОР; модуля с оборудованием групповой индикации и модулей с оборудованием в виде промежуточных клеммников. Оборудование модуля блока АРМ выполнено в виде трехканального регулятора мощности.

[22]

Техническим результатом при использования предложенного КЭ СУЗ, является повышение надежности и безопасности эксплуатации ядерного реактора за счет обеспечения непрерывного контроля всех его систем с возможностью многовариантного перехода на оптимальные режимы работы в зависимости от конкретных условий, а также возможности аварийной остановки реактора при возникновении опасных ситуаций, что обеспечено за счет следующего:

[23]

- полного функционального и физического разделения оборудования для реализации защитных функций и функций управления на отдельные функциональные подсистемы (ФП), обеспечивающие в совокупности реализацию всех функций назначения, наличия необходимого и достаточного резервирования элементов КЭ СУЗ;

[24]

- наличия двух независимых каналов реализации аварийной защиты (AЗ) в оборудовании подсистемы АЗ-ПЗ - обесточивание всех приводов ОР (по переменному и постоянному токам) при поступлении, по крайней мере, «двух из трех» или «двух из четырех» инициирующих сигналов от соответствующей части оборудования ИЧСЗ или при инициировании срабатывания АЗ от органов ручного управления (ОРУ) при одновременном переходе в режим «гашения токов» в оборудовании силового управления ПТК СГИУ для бестоковой коммутации силовых цепей при условии срабатывания электрооборудования одного (любого) комплекта подсистемы АЗ-ПЗ;

[25]

- формирования каждым комплектом подсистемы исполнительной части АЗ-ПЗ исполнительных команд АЗ и всех родов ПЗ в оборудовании подсистемы ПТК СГИУ с их последующей обработкой по логике «И-ИЛИ» при поступлении, по крайней мере, «двух из трех»/ «двух из четырех» инициирующих сигналов АЗ (ПЗ) от соответствующего оборудования ИЧСЗ или при инициировании срабатывания АЗ (ПЗ) от органов ручного управления (ОРУ);

[26]

- наличия трех независимых сегментов локальной сети Ethernet с подключенными устройствами ПТК СГИУ, образующих три независимых канала контроля и управления всеми ОР штатных групп с обработкой команд управления по логике «два из трех» непосредственно в оборудовании управления;

[27]

- дублирования каналов контроля и каналов передачи информации о положении всех ОР реактора, а также каналов передачи информации о положении групп ОР на блочный и резервный пульты управления, соответственно (БПУ) и (РПУ);

[28]

- расширенной диагностики состояния приводов и датчиков положения, а также диагностики состояния всего электрооборудования КЭ СУЗ.

[29]

Изобретение иллюстрируется чертежами, где на фиг. 1 показана блок схема КЭ СУЗ; на фиг. 2 - структура сетевых связей КЭ СУЗ; на фиг. 3 - архитектура сетевой СГИУ; на фиг. 4 - структурная схема устройства силового управления.

[30]

На чертежах и в тексте в дальнейшем приняты следующие обозначения и сокращения.

[31]

1а, 1б - соответственно, 1-й и 2-й комплекты подсистемы АЗ-ПЗ;

[32]

2а - оборудование силового электропитания (ЭП) подсистемы электропитания;

[33]

2б - оборудование ЭП постоянного тока подсистемы электропитания;

[34]

2в - оборудование надежного электропитания (ОНЭ) подсистемы электропитания;

[35]

3 - подсистема программно-технического комплекса системы группового и индивидуального управления (ПТК СГИУ);

[36]

3а, 3б - индикаторы положения ОР на, соответственно, блочном и резервном пунктах управления;

[37]

3в - оборудование органов дистанционного управления ПТК СГИУ (реальных и виртуальных);

[38]

4 - блок подсистемы программно-технического комплекса информационно-диагностической сети (ПТК ИДС);

[39]

5 - блок подсистемы автоматического регулирования мощности (АРМ);

[40]

6 - приводы ОР (в состав комплекса не входят).

[41]

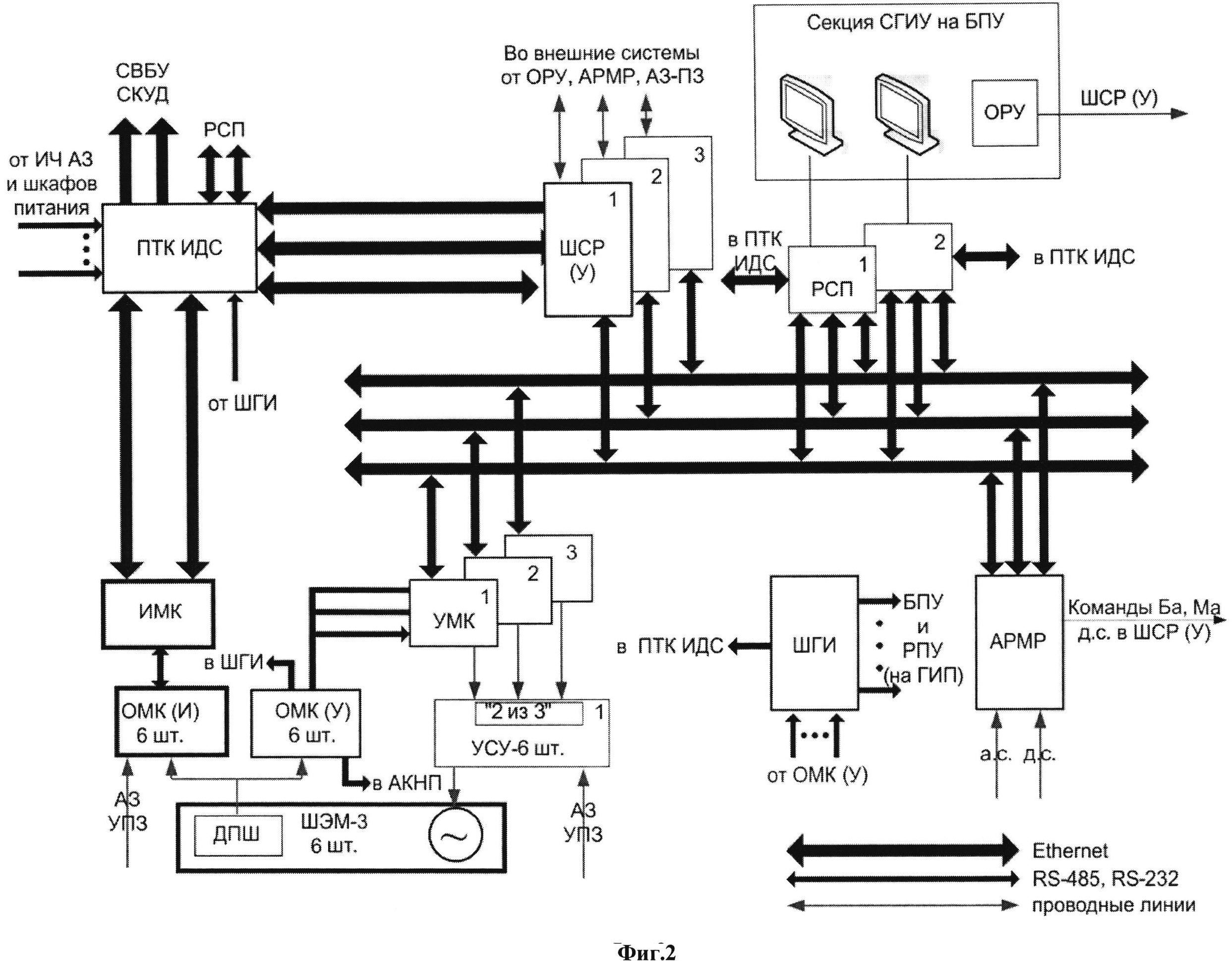
АБ - аккумуляторная батарея;

[42]

АЗ - аварийная защита;

[43]

АЭС - атомная электростанция;

[44]

АРМ - автоматический регулятор мощности;

[45]

АКНП - аппаратура контроля нейтронного потока;

[46]

БПУ - блочный пункт управления;

[47]

ВВЭР - водо-водяной энергетический реактор;

[48]

ВКВ - верхний концевой выключатель;

[49]

НКВ - нижний концевой выключатель;

[50]

ГПК - главный паровой коллектор;

[51]

ДПШ - датчик положения шаговый;

[52]

ИЧ - исполнительная часть;

[53]

ИЧСЗ - исполнительная часть системы защиты;

[54]

КЭ СУЗ - комплекс электрооборудования системы управления и защиты реактора;

[55]

ОР - орган регулирования;

[56]

ОМК - одноплатный микроконтроллер;

[57]

ОМК (И) - одноплатный микроконтроллер информационный;

[58]

ОМК(У) - одноплатный микроконтроллер управляющий;

[59]

УМК - управляющий микроконтроллер;

[60]

УПЗ - ускоренная предупредительная защита;

[61]

ПЗ - предупредительная защита;

[62]

ПТК ИДС - программно-технический комплекс информационно-диагностической сети;

[63]

ПТК СГИУ - программно-технический комплекс системы группового и индивидуального управления;

[64]

ПТС - программно-технические средства;

[65]

РПУ - резервный пункт управления;

[66]

РУ - реакторная установка;

[67]

РСП - рабочая станция пульта;

[68]

САЭ - система аварийного энергоснабжения;

[69]

СГИУ - система группового и индивидуального управления;

[70]

СВБУ - система верхнего блочного уровня;

[71]

ИМК - информационный микроконтроллер;

[72]

ИП - индикатор положения;

[73]

СКУД - система контроля, управления и диагностики;

[74]

ТС - технические средства;

[75]

ШГИ1 - шкаф групповой индикации;

[76]

ШЭМ - шаговый электромагнитный привод;

[77]

ШСР-У - шкаф сервера управления;

[78]

ЭГСР - электрогидравлическая система регулирования;

[79]

ЭМО - электромагнитная обстановка;

[80]

ЭП - электропитание.

[81]

На чертежах не показана подсистема управления приводами на стенде вертикальном, предназначенном для испытаний новых приводов перед их установкой. Подсистемы 1-5 предназначены для обеспечения защиты и управление мощностью реактора в режимах нормальной эксплуатации и в режимах с нарушением условий нормальной эксплуатации.

[82]

Подсистема 1 выполнена в виде двух независимых комплектов электрооборудования (КЭ) 1а и 1б, за счет которых осуществляется коммутация цепей силового и резервного электропитания оборудования силового управления ПТК СГИУ, связанных с оборудованием ИЧСЗ дискретными линиями связи (для получения инициирующих сигналов на срабатывание всех видов защит), с 3 и 5 - по четырем независимым дискретным линиям связи (для передачи команд защит) и с 4 - по дублированным цифровым каналам передачи данных (для передачи диагностической информации). Оборудование формирования исполнительных команд защит этой подсистемы выполнено на средствах дискретной логики.

[83]

Подсистема 2 состоит из электрооборудования силового электропитания переменного и постоянного тока, соответственно 2а и 2б для основного и резервного электропитания электрооборудования силового управления из состава 3 и электрооборудования надежного электропитания 2в для осуществления электропитания оперативных цепей устройств, входящих в КЭ СУЗ, а также контроля уровня питающих напряжений. Электрооборудование силового электропитания переменного тока получает электропитание (запитанного по двум вводам трехфазного напряжения 380 В, 50 Гц) от двух трансформаторов СУЗ (коммутация вводов осуществляется оборудованием двух комплектов АЗ-ПЗ) и предназначено для бесперебойного электропитания оборудования силового управления 3. Электрооборудование силового электропитания постоянного тока получает электропитание по двум вводам постоянного тока напряжением 110 В от АК (коммутация вводов осуществляется оборудованием двух комплектов АЗ-ПЗ) и предназначено для резервного электропитания электрооборудования силового управления в составе 3. Электрооборудование надежного электропитания предназначено для обеспечения (с необходимой надежностью) электроэнергией требуемых параметров потребителей КЭ СУЗ. Подсистема ЭП связана с подсистемой 4 дублированными цифровыми каналами передачи данных (для передачи диагностической информации).

[84]

Подсистема 3 состоит из электрооборудования для формирования и распределения команд управления, выполненного на средствах цифровой техники (компьютеров промышленного исполнения), электрооборудования контроля положения и управления, электрооборудования силового управления и электрооборудования индикации положения групп ОР, выполненного на средствах микропроцессорной техники, преобразовательных трансформаторов и шкафов промежуточных клеммников.

[85]

Подсистема 3 связана с подсистемой 1 четырьмя независимыми дискретными линиями связи (для передачи команд защит), с подсистемой 4 дублированными цифровыми каналами передачи данных (для передачи диагностической информации), с приводами и датчиками положения.

[86]

Основной структурной единицей ПТК СГИУ является групповой комплекс силового управления и контроля положения, состоящий из:

[87]

- шести устройств контроля положения и управления приводами ОР, конструктивно выполненных в виде одного шкафа контроля и управления ШКУ2;

[88]

- шести устройств силового управления (УСУ) приводами ОР, конструктивно выполненных в виде двух шкафов силового управления ШСУ2 (по три УСУ в каждом шкафу), и двух преобразовательных трансформаторов для двух шкафов силового управления.

[89]

За счет этого блока осуществляется контроль положения и управление шестью приводами ОР, которые могут относиться к одной группе ОР, или двумя независимыми «тройками» приводов ОР, относящимися к двум различным группам ОР.

[90]

Подсистема 4 состоит из электрооборудования, выполненного на средствах цифровой техники (компьютеров промышленного исполнения) и предназначенного для диагностики состояния и функционирования КЭ СУЗ, приводов и датчиков положения ОР, информационной поддержки обслуживающего персонала при обнаружении и локализации неисправностей и передачи информации по положению ОР реактора и состоянию электрооборудования КЭ СУЗ на верхний уровень АСУ ТП энергоблока. Подсистема 4 связана с подсистемами 1-5 дублированными цифровыми каналами передачи данных (для передачи диагностической информации) и системой верхнего блочного уровня энергоблока АЭС (для передачи информационных пакетов с данными о положении ОР реактора и режимов работы КЭ СУЗ).

[91]

Подсистема 5 представляет собой трехканальный регулятор мощности АРМ, выполненный на средствах микропроцессорной технике, в котором формирование управляющих команд на перемещение вверх или вниз групп ОР по заданным алгоритмам осуществляется в каждом из трех каналов. Подсистема 5 связана с подсистемой 3 тремя независимыми дискретными линиями связи (для передачи команд управления) и тремя цифровыми каналами передачи данных (для передачи диагностической информации) и с подсистемой 1 четырьмя независимыми дискретными линиями связи (для передачи команд защит).

[92]

Блоки подсистем 1-5 выполнены в модульном исполнении, модули которых представляют собой шкафы, укомплектованные соответствующим электрооборудованием и снабженные интерфейсными входами и выходами для подключения к линиям электропитания и к линиям связи, образующих локальные сети для приема сигналов и передачи команд.

[93]

Состав КЭ СУЗ (группы электрооборудования и типы электрооборудования) приведен в таблице 1.

[94]

[95]

В процессе работы реактора за счет КЭ СУЗ обеспечивается выполнение следующих функций:

[96]

- управление мощностью реактора и энергораспределением в активной зоне во всех режимах работы реактора;

[97]

- реализация аварийной защиты (АЗ);

[98]

- реализация всех видов предупредительной защиты (ПЗ);

[99]

- автоматическое и дистанционное управление группами ОР и дистанционное управление отдельными ОР;

[100]

- автоматическое регулирование мощности реактора;

[101]

- контроль и индикация положения ОР или групп ОР;

[102]

- диагностика электрооборудования КЭ СУЗ, приводов и датчиков положения ОР;

[103]

- управление приводами ОР на стенде вертикальном.

[104]

Указанные функции реализуются следующим образом.

[105]

Обобщенные сигналы аварийной и всех видов предупредительных защит поступают в каждый комплект электрооборудования (1а, 1б) ИЧ АЗ-ПЗ, где эти сигналы обрабатываются по логике «два из трех» или «два из четырех» с формированием команд на срабатывание того или иного вида защиты по двум цепям (от каждого комплекта 1а, 1б), см. фиг. 1.

[106]

Срабатывание защиты происходит только при одновременном формировании команды по двум цепям в пределах одного (любого) комплекта или по двум разноименным цепям обоих комплектов подсистемы АЗ-ПЗ. При формировании исполнительных команд АЗ, посредством каждого комплекта 1а и 1б обесточивается оборудование силового электропитания переменного тока и постоянного тока по двум вводам. Кроме того, исполнительные команды АЗ передаются в подсистему 3 для реализации заданных алгоритмов управления и непосредственно в оборудование силового управления. Исполнительные команды предупредительных защит поступают в подсистему 3 по двум цепям от каждого комплекта 1а и 1б. При срабатывании АЗ и обесточивании подсистемы 6, ОР падают вниз (под действием собственного веса), снижая этим мощность реактора. Команды всех видов предупредительных защит (в отличие от команд АЗ) проходят только в оборудование подсистемы 3 (без снятия силового питания), где обрабатываются по логике «И-ИЛИ» («И» - в пределах комплекта, «ИЛИ» - между комплектами) с формированием соответствующей команды предупредительной защиты (УПЗ, ПЗ-1 или ПЗ-2).

[107]

Подсистема 3 в процессе работы получает команды от обоих комплектов 1а, 1б (эти команды имеют наивысший приоритет), либо от органов ручного управления на блочном пульте, либо от регулятора мощности 5. Положение приводов ОР контролируется подсистемой 3 через соответствующие датчики. В зависимости от того, какие команды поступают в подсистему 3, в ней формируются команды на перемещение ОР вверх или вниз. Информация о состоянии всех подсистем поступает в подсистему 4 по дублированным цифровым линиям связи. Эта информация используется для диагностики состояния электрооборудования и формирования сигналов о положении всех приводов, а также для формирования всей необходимой информации для вывода на блочный пульт 3в и на верхний уровень через систему верхнего блочного уровня (СВБУ, см. фиг. 1). Оборудование подсистемы 3 представляет собой трехканальную, трехуровневую цифровую магистрально-модульную систему с мониторным управлением режимами работы подсистем 3 и 5, в которой передача команд управления на перемещение ОР реактора в активной зоне и передача диагностической информации осуществляется с использованием сетевых технологий. На верхнем уровне - уровень серверов управления (шкафы ШСР-У, см. фиг. 2) осуществляется централизованное трехканальное формирование и распределение команд управления в соответствии с заданными алгоритмами управления и режимами работы подсистем 3 и 5. На среднем уровне (уровень концентраторов - управляющие микроконтроллеры УМК шкафов ШКУ, см. фиг. 2), осуществляется 3-х канальный контроль и управления группами ОР. На нижнем уровне (шкафы ШСУ и ШКУ) системы осуществляется контроль и управления отдельными ОР при условии обработки команд управления по мажоритарному принципу «два из трех». Задание режимов работы подсистемы - 3, выбор адресов групп для ручного и автоматического управления, задание режима регулирования регулятора АРМ (подсистемы 5), подача управляющих команд в режимах ручного и индивидуального управления осуществляется с помощью виртуальных и реальных (физических) органов дистанционного управления пульта оператора БПУ - 3в.

[108]

Силовое электропитание электрооборудования силового управления в составе ПТК СГИУ осуществляется от электрооборудования силового электропитания переменного тока 2а, электропитание которого осуществляется по двум вводам трехфазным напряжением 380 В, 50 Гц от двух трансформаторов СУЗ, коммутация вводов осуществляется оборудованием двух комплектов 1а и 1б. Резервное электропитание электрооборудования силового управления в составе подсистемы 3 осуществляется за счет оборудования силового электропитания постоянного тока 2б, электропитание которого осуществляется по двум вводам постоянного тока напряжением 110 В от аккумуляторных батарей (батареи), коммутация вводов осуществляется оборудованием двух комплектов 1а и 1б подсистемы АЗ-ПЗ. Такая организация схемы электропитания удовлетворяет требованию двух разрывов цепи питания приводов ОР при срабатывании одного комплекта исполнительной части АЗ. При перерыве питания на одном вводе переменного тока вся нагрузка подключается к остающемуся в работе вводу с помощью электрооборудования силового электропитания переменного тока. При перерыве питания на двух вводах переменного тока вся нагрузка переключается на сеть 110 В постоянного тока (питание от аккумуляторной батареи).

[109]

Электрооборудование подсистемы 3 представляет собой трехканальную, трехуровневую централизованную систему управления перемещением ОР реактора. На верхнем уровне ПТК СГИУ (шкафы серверов управления ШСР-У, см. фиг. 2) осуществляется прием команд управления от реальных (механических) и виртуальных (с экрана монитора автоматизированного рабочего места оператора БПУ) органов управления (3в) в части ПТК СГИУ и АРМ, электрооборудования АЗ-ПЗ (1а, 1б), пакетов данных о положение ОР реактора от оборудования контроля положения (шкафов ШКУ2), обработка входной информации по заданным алгоритмам в зависимости от режимов работы СГИУ, формирование и распределение команд на перемещение ОР в активной зоне реактора, которые по сетевым связям передаются на средний уровень ПТК СГИУ (шкафы ШКУ2) и далее по отдельным проводным линиям связи команды передаются на нижний уровень ПТК СГИУ (в шкафы ШСУ2) для мажоритарной обработки по принципу «2 из 3» и формирования токов в электромагнитах приводов ШЭМ-3, см. фиг. 2.

[110]

Автоматический регулятор мощности реактора (подсистема 5) осуществляет автоматическое регулирование мощности реактора по заданным программам путем поддержания заданных значений регулируемых параметров РУ - нейтронной мощности реактора или значения давления пара в главном паровом коллекторе (ГПК). Регулируемый параметр определяется режимом регулирования: режим «Н» - режим поддержания заданного значения нейтронной мощности реактора, режимы «Т» и «С» (стерегущий) - режимы поддержания заданного значения давления пара в ГПК, режимы «Топрч» и «Тнпрч» - режимы общего или нормированного регулирования частоты с поддержанием заданного значения давления пара в ГПК. Автоматический регулятор мощности (подсистема 5) реактора является трехканальным регулятором, обеспечивающим формирование выходных команд по мажоритарному принципу «два из трех». Автоматический регулятор мощности реактора (подсистема 5) получает сигналы от датчиков давления в 1-м и 2-м контурах реактора, аппаратуры контроля нейтронного потока (см. фиг. 1 условно показаны стрелками) и системы управления турбины (условно не показана). Формирование команд управления на перемещение вверх или вниз группы ОР, определенной для работы под управлением АРМ, осуществляется тремя каналами шкафа АРМ7 независимо на основании данных о значении регулируемых параметров для заданного режима регулирования. При этом выходной сигнал каждого канала шкафа АРМ7 формируется после мажоритарной обработки по логике «два из трех» канальных сигналов двух смежных каналов и сигнала данного канала. Команды управления, сформированные в шкафе АРМ7, поступают в подсистему 3 для последующей обработки по мажоритарному принципу «два из трех» на нижнем уровне ПТК СГИУ (шкафы ШСУ2) и формирования токов в электромагнитах приводов ШЭМ-3.

[111]

Подсистема 4 представляет собой дублированную трехуровневую систему, в которую поступает диагностическая информация и сигналы состояния из электрооборудования всех функциональных подсистем КЭ СУЗ по дублированным цифровым каналам передачи данных в объеме, необходимом и достаточном для диагностики состояния электрооборудования вплоть до сменного блока /модуля, диагностики приводов и датчиков положения ОР, информационной поддержки обслуживающего персонала при обнаружении и локализации неисправностей, а также передачи информации по положению ОР реактора и состоянию электрооборудования КЭ СУЗ на верхний уровень АСУ ТП энергоблока (оборудование системы верхнего блочного уровня СВБУ) по дублированным цифровым каналам передачи данных.

[112]

Таким образом, повышенная надежность и безопасность предложенного КЭ СУЗ обеспечивается за счет реализации многовариантных режимов работы в зависимости от конкретных условий, возникающих при работе ядерного реактора. Это обеспечено обесточиванием всех приводов ОР по переменному и постоянному току при поступлении, по крайней мере, «двух из трех» или «двух из четырех» инициирующих сигналов АЗ от электрооборудования ИЧСЗ или при инициировании срабатывания АЗ от органов ручного управления при условии срабатывания АЗ по двум цепям в рамках одного (любого) комплекта подсистемы исполнительной части АЗ-ПЗ либо по двум разноименным цепям в рамках двух комплектов подсистемы исполнительной части АЗ-ПЗ, реализации режима «гашения токов» в оборудовании силового управления из состава ПТК СГИУ для обеспечения бестоковой коммутации силовых цепей при условии срабатывания электрооборудования одного (любого) комплекта подсистемы исполнительной части АЗ-ПЗ; формированием исполнительных команд всех видов предупредительных защит в оборудование ПТК СГИУ для их последующей обработки по логике «И-ИЛИ» при поступлении, по крайней мере, «двух из трех»/«двух из четырех» инициирующих сигналов ПЗ от электрооборудования ИЧСЗ или при инициировании срабатывания ПЗ от органов ручного управления при условии срабатывания предупредительной защиты по двум цепям в рамках одного (любого) комплекта подсистемы исполнительной части АЗ-ПЗ либо по двум разноименным цепям в рамках двух комплектов подсистемы АЗ-ПЗ; образованием верхним уровнем электрооборудования ПТК СГИУ (шкафы серверов управления ШСР-У) трех независимых сегментов локальной сети Ethernet, к которым подключены устройства нижних уровней ПТК СГИУ, образующие три независимых канала, каждый из которых включает тракты контроля и управления всеми ОР штатных групп; дублированием каналов контроля положения ОР и каналов передачи информации по положению всех ОР реактора, а также каналов передачи информации по положению групп ОР на БПУ и РПУ; расширенной диагностикой состояния приводов и датчиков положения, а также диагностикой состояния электрооборудования КЭ СУЗ.

[113]

По функциям аварийной и всех видов предупредительных защит безопасность реактора повышена за счет формирования исполнительных команд всех видов защит по двум цепям; разрыва оборудованием каждого комплекта подсистемы исполнительной части АЗ-ПЗ двух цепей силового и двух цепей резервного электропитания приводов ОР, возможностью тестирования цепей формирования исполнительных команд АЗ, ПЗ и электрооборудования коммутации силового и резервного электропитания приводов ОР при работе реактора на мощности без снижения мощности реакторной установки (РУ).

[114]

По функции управления безопасность реактора повышена за счет использования многоканальной магистрально-модульной архитектуры ПТК СГИУ с распределенной обработкой данных и мажоритарной обработкой управляющих команд по логике «два из трех» непосредственно в исполнительном механизме; использованием сетевых технологий для выполнения управляющих и информационных функций с необходимым резервированием, обеспечивающим выполнение заданных функций при единичных отказах элементов системы; мониторного управления с отдельной рабочей станции на БПУ режимами работы системы группового и индивидуального управления и контроля положения ОР и системы автоматического регулирования мощности реактора; использования в качестве основной структурной единицей ПТК СГИУ групповых комплексов силового управления и контроля положения, имеющих для каждого органа регулирования независимый цифровой канал управления и контроля положения; формирования выходного канального сигнала регулятора мощности АРМ после мажоритарной обработки по логике «два из трех» канальных сигналов двух смежных каналов и сигнала данного канала с обработкой канальных команд управления, сформированных регулятором мощности АРМ, по мажоритарному принципу «два из трех» на нижнем уровне ПТК СГИУ; обработки исполнительных команд аварийной и всех родов предупредительных защит по логике «И» для сигналов одного комплекта ИЧ АЗ-ПЗ и далее по логике «ИЛИ» для результирующих команд между комплектами; наличия в оборудовании силового управления приводами ОР трехступенчатого резервирования устройства управления при простоте схемных решений, гальванической развязки между цепями питания электромагнитов приводов ОР СУЗ, благодаря наличию в каждом канале силового управления ОР цифрового блока силового управления (БУ), реализующего перспективные алгоритмы диагностики и адаптивного управления привода, и блока резервного питания (БРП), обеспечивающего переход на безопасное для электромагнитов привода напряжение 110 В постоянного тока при неисправности блока управления или отсутствии напряжения надлежащего качества.

[115]

По функции контроля и индикации положения безопасность реактора повышена за счет дублирования как каналов контроля положения (в рамках шкафов контроля и управления ШКУ2), так и каналов передачи информации по положению всех ОР реактора, используемой для формирования и распределения команд управления, осуществления режима выравнивания приводов ОР в регулирующей группе, представления информации на мониторе оператора БПУ, передачи данных через шлюз на верхний уровень АСУ ТП энергоблока и в смежные системы (в рамках ПТК СГИУ и ПТК ИДС), а также каналов передачи информации по положению групп ОР на БПУ и РПУ (в рамках шкафа групповой индикации ШГИ1).

[116]

По функции диагностики безопасность реактора повышена за счет передачи диагностической информации из электрооборудования всех функциональных подсистем КЭ СУЗ в дублированное оборудование ПТК ИДС по дублированным цифровым каналам передачи данных в объеме, необходимом и достаточном для диагностики состояния электрооборудования средствами ПТК ИДС вплоть до сменного блока, расширенной диагностики привода и датчика положения по информации, передаваемой от групповых комплексов силового управления и контроля положения.

[117]

По функции силового электропитания электрооборудования ПТК СГИУ безопасность реактора повышена за счет бесперебойного электроснабжения устройств силового управления приводами ОР напряжением 380 В, 50 Гц переменного тока путем автоматического переключения фидеров питания приводов ОР переменным током с основного ввода на резервный при снижении на основном вводе уровня напряжения ниже заданного (или отключении напряжения) с восстановлением штатной схемы электропитания после восстановлении заданного уровня напряжения на основном вводе, а также обеспечением резервного электропитания устройств силового управления приводами ОР напряжением 110 В постоянного тока по двум вводам при перерывах и недопустимых отклонениях напряжения основного электропитания переменного тока.

[118]

По функции надежного электропитания электрооборудования КЭ СУЗ безопасность реактора повышена за счет бесперебойного электроснабжения потребителей путем организации электропитания оперативных цепей каждого потребителя по двум независимым линиям.

[119]

Таким образом, использование предложенного КЭ СУЗ повышает надежность и безопасность эксплуатации ядерного реактора за счет обеспечения непрерывного контроля всех его систем с возможностью многовариантным перехода на оптимальные режимы работы в зависимости от конкретных условий, а также остановку реактора при возникновении аварийных ситуаций.

Как компенсировать расходы
на инновационную разработку
Похожие патенты