патент
№ RU 2486074
МПК B60L11/18

ЭЛЕКТРОТРАНСПОРТНОЕ СРЕДСТВО С ЗАРЯДНЫМ УСТРОЙСТВОМ НА БОРТУ

Авторы:
Зенин Сергей Борисович Вершинин Дмитрий Вениаминович (UA) Дашко Олег Григорьевич
Все (6)
Номер заявки
2012118976/11
Дата подачи заявки
10.05.2012
Опубликовано
27.06.2013
Страна
RU
Как управлять
интеллектуальной собственностью
Чертежи 
2
Реферат

Электротранспортное средство с автономным источником питания в виде аккумуляторной батареи содержит, по меньшей мере, один электродвигатель, связанный с колесами транспортного средства через механическую передачу и систему управления, включающую в себя один или несколько обратимых преобразователей, обеспечивающих регулирование скорости и/или момента указанного электродвигателя, конденсатор большой емкости и балластный резистор с разрядным ключом, один реверсивный преобразователь постоянного тока в постоянный ток повышающего/понижающего типа с системой управления, два датчика тока, два датчика напряжения. Первый датчик тока определяет величину и направление тока источника питания; второй датчик тока контролирует ток индуктивности, входящей в состав реверсивного преобразователя; первый датчик напряжения измеряет напряжение на зажимах источника питания; второй датчик напряжения измеряет напряжение на зажимах суперконденсатора. Выходы указанных датчиков подключены ко входам системы управления реверсивного преобразователя, выходы которой подключены к управляющим входам реверсивного преобразователя и разрядного ключа. Для заряда от внешнего источника при эксплуатации в него введены трехфазный выпрямитель, входы которого подключены к разъему подключения внешнего источника питания, выход через введенный контактор подключен к зажимам суперконденсатора. Технический результат заключается в расширении функциональных возможностей, повышении уровня безопасности при эксплуатации и снижении массогабаритных показателей. 3 з.п. ф-лы, 2 ил.

Формула изобретения

1. Электротранспортное средство с автономным источником питания в виде аккумуляторной батареи, содержащее по меньшей мере один электродвигатель, связанный с колесами транспортного средства через механическую передачу или без нее, и систему управления, включающую в себя один или несколько обратимых преобразователей, обеспечивающих регулирование скорости и/или момента указанного электродвигателя, суперконденсатор большой емкости и балластный резистор с разрядным ключом, реверсивный преобразователь постоянного тока в постоянный ток повышающего/понижающего типа с системой управления, два датчика тока, два датчика напряжения, причем один или несколько обратимых преобразователей подключены непосредственно к зажимам источника питания; конденсатор подключен к зажимам источника питания через указанный реверсивный преобразователь; первый датчик тока определяет величину и направление тока источника питания; второй датчик тока контролирует ток индуктивности, входящей в состав реверсивного преобразователя; первый датчик напряжения измеряет напряжение на зажимах источника питания; второй датчик напряжения измеряет напряжение на зажимах суперконденсатора; выходы указанных датчиков подключены ко входам системы управления реверсивного преобразователя, выходы которой подключены к управляющим входам реверсивного преобразователя и разрядного ключа, отличающееся тем, что оно снабжено трехфазным выпрямителем, входы которого подключены к разъему подключения внешнего источника питания, а выход через контактор подключен к зажимам суперконденсатора; датчиком наличия напряжения на выходе выпрямителя с выходом, подключенным ко входу введенного блока управления зарядом, к другим входам которого подключены выходы введенного селектора уровня заряда; выходы блока управления зарядом подключены к управляющему входу указанного контактора, входам системы управления реверсивного преобразователя и системы управления электротранспортного средства.

2. Устройство по п.1, в котором датчик наличия напряжения на выходе выпрямителя имеет гальванически отвязанный выход, выполненный на базе оптопары с гасящим резистором.

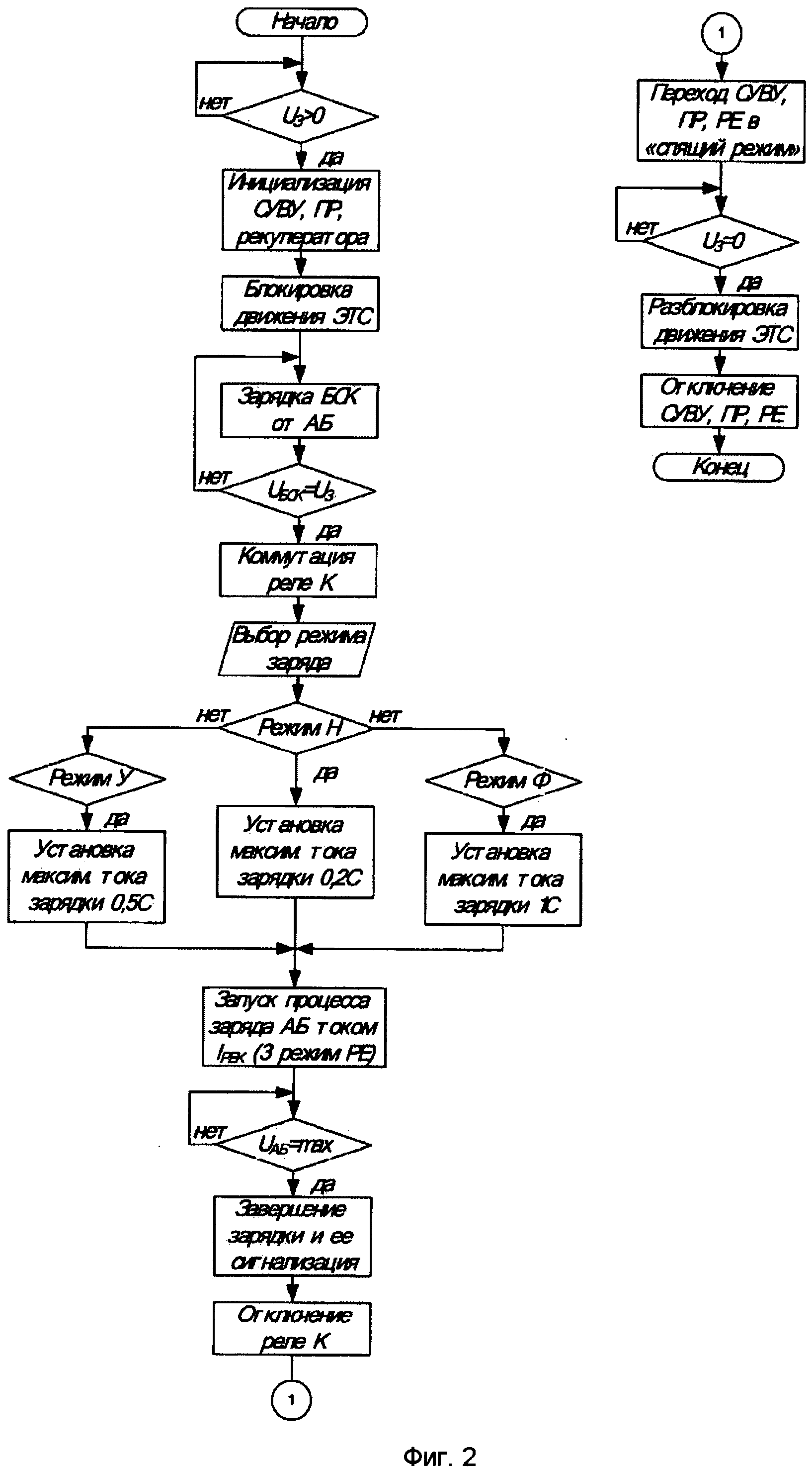
3. Устройство по п.1, в котором для обеспечения бестоковой коммутации контактора в начале и в конце процесса заряда напряжение суперконденсатора повышается до уровня, превышающего уровень напряжения на выходе выпрямителя.

4. Устройство по п.1, в котором при появлении напряжения на выходе выпрямителя блокируются преобразователи приводов электротранспортного средства для исключения возможности движения электротранспортного средства при подключенном шнуре внешнего источника питания.

Описание

[1]

Область техники

[2]

Изобретение относится к транспортным средствам с электрическим или гибридным приводом.

[3]

Уровень техники

[4]

В последние годы все заметнее тенденция «электрификации» автомобилей - растет в процентном отношении количество выпускаемых «чистых» электромобилей и, как промежуточного решения, гибридных автомобилей.

[5]

Существенной проблемой массового применения электротранспортных средств (ЭТС) является подзарядка аккумуляторной батареи (АБ), ее технические и экономические аспекты, тесно связанные с продолжительностью этого процесса. Общеизвестно, что повышение мощности применяемого для зарядки батарей электротока может многократно сократить ее продолжительность. Это особенно ярко проявляется при переходе от использования применяемой в домашних хозяйствах США электроэнергии (напряжение 110 вольт) к использованию мощных «промышленных» зарядных устройств. Возможен промежуточный вариант, предусматривающий установку в домашних гаражах подключаемого к имеющейся электросети специального устройства, позволяющего сократить время зарядки батарей (например, для гибридного автомобиля «Chevrolet Volt», с 6-8 ч при использовании стандартного напряжения в 110 В до 3-4 ч при увеличении напряжения до 240 В). Но приобретение и установка такого устройства требует определенных дополнительных затрат (Эткин Д.М. «Некоторые технико-экономические аспекты электрификации массовых автомобилей в США», ААИ №2(61) и №4(63), 2010).

[6]

Идет работа над зарядными устройствами: со временем они должны стать столь же распространенными, как бензозаправки, и восстанавливать мощность батарей на 80% за 15-30 минут. Кроме того, возможной становится зарядка АБ от домашней розетки. (А.МИЛОВЗОРОВ «Заправляться из розетки становится модно» http://www.utro.ru/articles/2010/11/24/939328.shtml)

[7]

Одним из возможных направлений решения задачи быстрого и экономичного восстановления мощности АБ является размещение зарядных устройств непосредственно на борту транспортного средства.

[8]

Известно техническое решение (патент US 5418437), где в состав приводной системы ЭТС, содержащей электрическую моторную систему (двигатели и преобразователи), систему управления, органы управления и АБ введено зарядное устройство (ЗУ), имеющее вход для подключения к источнику переменного тока и выход, подключенный к выходу указанной АБ. Указанное ЗУ содержит также управляющее устройство, отслеживающее состояние и управляющее работой ЗУ.

[9]

Недостатками известного устройства являются:

[10]

- ограниченные функциональные возможности - оно создано для работы от одного напряжения питающей сети и обеспечивает один уровень тока заряда;

[11]

- увеличение массы и стоимости электрооборудования ЭТС вследствие установки преобразователя и управляющего устройства ЗУ на борту ЭТС;

[12]

- недостаточный уровень безопасности - отсутствует блокировка (запрет) движения ТС при подключенном к источнику переменного тока ЗУ.

[13]

Наиболее близким по технической сущности к предлагаемому изобретению является решение, по заявке на патент US 2007/0068714 А1. Указанное устройство содержит двигатель внутреннего сгорания с мотор-генератором; два электродвигателя, связанные соответственно с колесами передней и задней оси и управляемые соответствующими преобразователями, аккумуляторную батарею и накопитель (суперконденсатор с двойным электрическим слоем и/или маховик), связанные с общими шинами через соответствующие преобразователи; модуль управления и зарядное устройство, вход которого через согласующий трансформатор может быть подключен к внешнему источнику переменного тока, а выходные зажимы подключены к вышеуказанным общим шинам (+) и (-).

[14]

Недостатками этого устройства являются:

[15]

- ограниченные функциональные возможности - ЗУ может работать только при переменном напряжении питающей сети, согласованном указанным трансформатором, большем по величине, чем напряжение на указанных силовых шинах;

[16]

- увеличение массы и стоимости электрооборудования ЭТС вследствие установки трансформатора, преобразователя и управляющего устройства ЗУ на борту ЭТС;

[17]

- недостаточный уровень безопасности - отсутствует блокировка (запрет) движения ТС при подключенном к источнику переменного тока ЗУ.

[18]

Раскрытие изобретения

[19]

Целью настоящего изобретения является устранение ряда отмеченных недостатков известных устройств - расширение функциональных возможностей ЭТС в части заряда от внешнего источника, снижение массогабаритных и стоимостных показателей ЭТС, и увеличение уровня безопасности при эксплуатации ЭТС.

[20]

Указанные цели достигаются в предлагаемом электротранспортном средстве с зарядным устройством на борту. Оно содержит, по меньшей мере, один электродвигатель, связанный с колесами транспортного средства через механическую передачу или без нее, и систему управления, включающую в себя один или несколько обратимых преобразователей, обеспечивающих регулирование скорости и/или момента указанного электродвигателя, аккумуляторную батарею, конденсатор большой емкости (батарея суперконденсаторов (БСК)), реверсивный преобразователь постоянного тока в постоянный ток повышающего/понижающего типа (рекуператор (РЕ)) с системой управления рекуператором, два датчика тока, два датчика напряжения, причем один или несколько преобразователей подключены непосредственно к зажимам источника питания (АБ); конденсатор подключен к зажимам АБ через указанный реверсивный преобразователь; первый датчик тока определяет величину и направление тока АБ; второй датчик тока контролирует ток индуктивности, входящей в состав реверсивного преобразователя; первый датчик напряжения измеряет напряжение на зажимах АБ; второй датчик напряжения измеряет напряжение на зажимах батареи суперконденсаторов; выходы указанных датчиков подключены ко входам системы управления реверсивного преобразователя, выходы которой подключены к управляющим входам ключей реверсивного преобразователя и разрядного ключа.

[21]

В ЭТС введены трехфазный выпрямитель, входы которого подключены к зажимам разъема подключения внешнего источника питания, а выходы через введенный соединитель (контактор, тиристор) подключены к зажимам БСК. Кроме того, к выходу выпрямителя подключен также датчик наличия напряжения с гальванически развязанным выходом (например, оптопара с гасящим резистором), выход которого подключен ко входу введенного блока управления зарядом, к другим входам которого подключены выходы селектора уровня заряда.

[22]

Краткое описание чертежей.

[23]

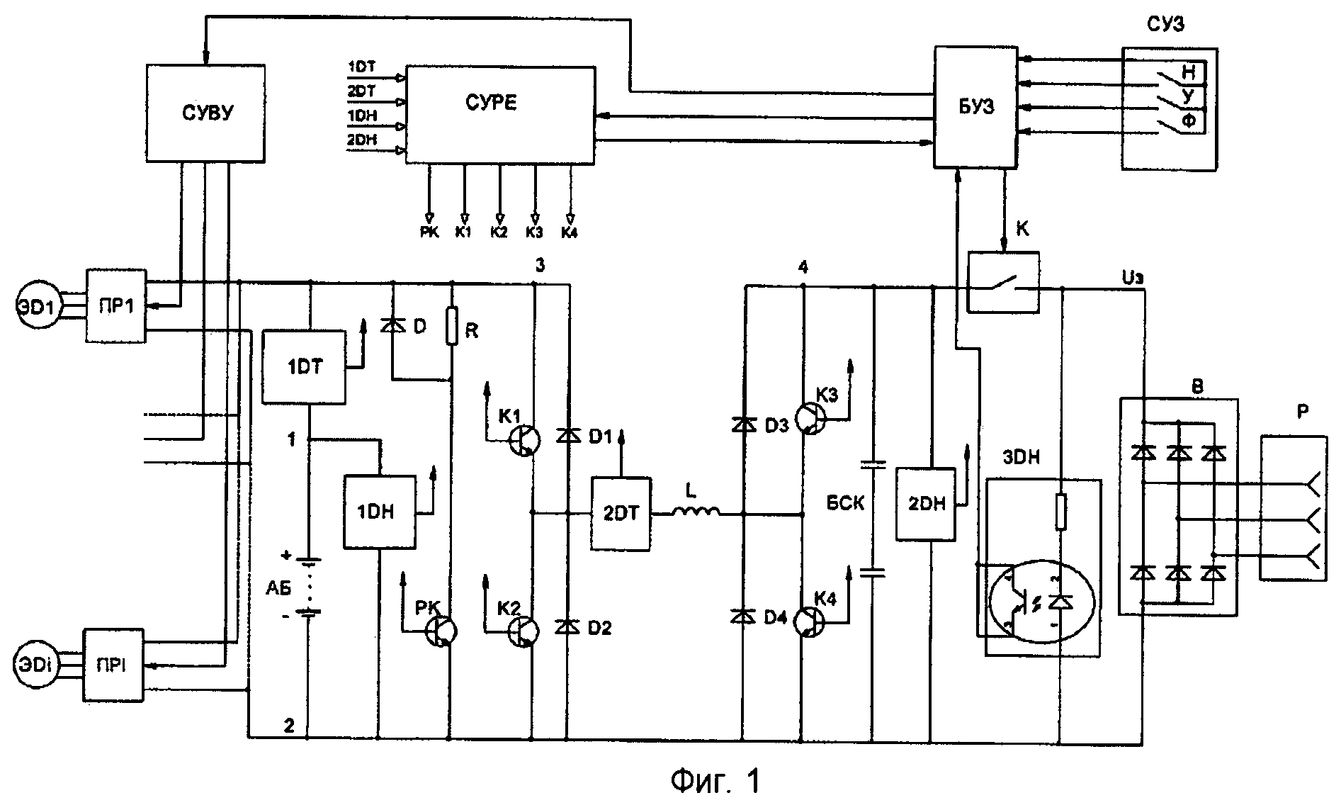
На фиг.1 представлена электрическая схема предлагаемого электротранспортного средства.

[24]

На фиг.2 отображен алгоритм функционирования указанной электрической схемы. Подробное описание изобретения.

[25]

Обратимся к фиг.1. Электрическая схема предлагаемой ЭТС содержит источник питания (АБ) с зажимами 1 и 2, напряжение на которых измеряется датчиком напряжения 1 ДН, а ток измеряется датчиком тока 1ДТ. К зажимам 1 и 2 подключены: последовательно соединенные балластный резистор R (шунтированный обратным диодом D) и разрядный ключ РК; и реверсивные преобразователи ПР1…HPi, обеспечивающие регулирование скорости и/или момента электродвигателей ЭД1…ЭД1, связанных с колесами ЭТС через механическую передачу или без нее (с использованием мотор-колес) - на схеме не показаны.

[26]

Схема содержит также батарею суперконденсаторов (БСК), напряжение на которой измеряется датчиком 2ДН, БСК подключена к выходным зажимам реверсивного преобразователя (РЕ) 4 и 2, входные зажимы которого 3 и 2 подключены к зажимам 1 и 2 источника (АБ). РЕ реализован на базе четырех транзисторных ключей K1…K4, зашунтированных обратными диодами D1…D4 индуктивности L, ток которой измеряется датчиком 2ДТ. К системе управления РЕ (СУРЕ) подключены выходы вышеперечисленных датчиков. Выходы СУ подключены к управляющим входам РЕ и РК.

[27]

Система управления верхнего уровня (СУВУ) ЭТС связывает сигналы датчика угла поворота руля, положения педалей газа (задания скорости и/или момента электродвигателя) и тормоза (задания момента торможения), ручного (стояночного) тормоза, переключателя режима (вперед, назад и т.п.) (на схеме не показаны) с ПР1…ITPi.

[28]

В схему введены также трехфазный выпрямитель В, разъем Р подключения внешнего источника питания ВИП, контактор К, датчик наличия напряжения на выходе В ЗДН, а также блок управлением заряда БУЗ и селектор уровня заряда СУЗ, причем вход В подключен к разъему Р, положительный выход В через контактор К подключен к положительному выводу 4 СК, отрицательный выход В подключен к общей шине (зажим 2). Гальванически отвязанный выход ЗДН (в качестве которого может быть использована оптопара с гасящим резистором) связан со входом БУЗ, к другим входам которого подключены выходы СУЗ. Выходы БУЗ связаны с СУВУ и СУРЕ.

[29]

Предлагаемое устройство работает в соответствии с алгоритмом, представленным на фиг.2 следующим образом.

[30]

ВИП подключается к схеме электрооборудования ЭТС через разъем Р. В качестве ВИП может быть использована одно- или трехфазная сеть переменного тока; ветрогенератор или солнечная батарея; источник на водородных топливных элементах и т.п., с выходным напряжением 100-380 В постоянного или переменного тока (в зависимости от конкретного исполнения устройства). С помощью СУЗ задается режим заряда (предельный уровень тока заряда) - нормальный, ускоренный, форсированный (Н, У или Ф), в зависимости от текущей ситуации и мощности ВИП.

[31]

Появление напряжения U3 на выходе выпрямителя через введенную схему контроля наличия из (3 ДН) запускает схему заряда АБ БУЗ, которая:

[32]

1 - через СУВУ включает схему управления ЭТС (аналогично ключу зажигания);

[33]

2 - блокирует электропривод ЭТС (запирает по управлению), исключая возможность движения ЭТС при подключенном шнуре ВИП;

[34]

3 - дополнительной командой РЕ осуществляет заряд батареи суперконденсаторов (БСК) до максимального напряжения UБСКмакс;

[35]

4 - по команде датчика напряжения 2ДН, контролирующего напряжение БСК, включается введенный в схему электрооборудования контактор К, подключающий (+) выход выпрямителя В к (+) зажиму БСК;

[36]

5 - по команде указанного контактора РЕ начинается заряд АБ от БСК в режиме Н, У или Ф, задаваемом СУЗ, расположенном на пульте управления ЭТС и/или под крышкой отсека размещения разъема Р подключения ВИП;

[37]

6 - при снижении напряжения UБСК до Uз уровня открываются диоды выпрямителя В и начинается заряд АБ от ВИП, при этом БСК играет роль фильтрующего конденсатора;

[38]

7 - при достижении напряжения АБ заданного уровня, контролируемого датчиком напряжения АБ 1ДН или уменьшения тока заряда АБ, контролируемого датчиком тока АБ 1 ДТ, ниже заданного уровня, формируется команда окончания заряда АБ;

[39]

8 - по указанной команде осуществляется заряд батареи (БСК) до максимального напряжения UБСКмакс от АБ;

[40]

9 - по команде датчика напряжения, контролирующего напряжение БСК, отключается контактор, подключающий (+) выход выпрямителя к (+) зажиму БСК, и защелкивается триггер в БУЗ, фиксирующий окончание заряда АБ;

[41]

10 - блокировка электроприводов ЭТС (п.2), исключающая возможность движения ЭТС при подключенном шнуре ВИП, не снимается.

[42]

Для снятия блокировки и возможности движения ЭТС необходимо отключить от разъема шнур ВИП.

[43]

Промышленная применимость

[44]

Введение в электрическую схему транспортного средства указанных элементов и использование предложенного алгоритма позволяет создать зарядное устройство на борту ЭТС с широкими возможностями по параметрам ВИП на базе существующей силовой схемы электрооборудования ЭТС и обеспечить высокий уровень безопасности при эксплуатации ЭТС путем блокировки движения ЭТС при подключенном шнуре ВИП.

Как компенсировать расходы
на инновационную разработку
Похожие патенты