Изобретение относится к области энергетики и электротехники и может быть использовано в устройствах для преобразования термодинамической энергии в электрическую, используемых в качестве источника электрической энергии в системах электропитания автономных электроэнергетических комплексов. Техническим результатом является повышение динамической точности и устойчивости широко-импульсного регулятора общего блока балластной нагрузки с одновременным обеспечением стабильности напряжения на шине постоянного тока в переходных и установившихся режимах работы автономной системы электроснабжения. Способ управления общей балластной нагрузкой в автономной многомодульной электроэнергетической установке генерирования на основе двигателей Стирлинга, содержащей m модулей генерации, каждый из которых включает свободно поршневой двигатель Стирлинга с интегрированным линейным генератором и выпрямитель, выходы которых включены в параллель и образуют шину постоянного тока, к которой подключаются аккумуляторная батарея, полезная нагрузка и общий блок балластной нагрузки заключается в следующем: измеряют величины напряжений и токов каждого линейного генератора и полезной нагрузки, далее на основе измеренных величин напряжений и токов каждого линейного генератора производят расчет активных мощностей с последующим их суммированием; рассчитывают текущее значение мощности полезной нагрузки, формируют сигнал отношения вычисленной мощности полезной нагрузки к суммарной мощности линейных генераторов, сравнивают измеренную величину выходного напряжения полезной нагрузки с опорным напряжением,
1. Способ управления общей балластной нагрузкой в автономной многомодульной электроэнергетической установке генерирования на основе двигателей Стирлинга, содержащей "m" число модулей генерации, каждый из которых включает свободно поршневой двигатель Стирлинга с интегрированным линейным генератором (1) и выпрямитель (2), выходы которых включены в параллель и образуют шину постоянного тока, к которой подключаются аккумуляторная батарея (4), полезная нагрузка (5) и общий блок балластной нагрузки (6), заключающийся в том, что измеряют величины напряжений и токов каждого линейного генератора и полезной нагрузки, на основе измеренных величин напряжений и токов каждого линейного генератора (1) производят расчет активных мощностей с последующим их суммированием (20), проводят расчет текущего значения мощности полезной нагрузки (24), формируют сигнал отношения вычисленных мощности полезной нагрузки к суммарной мощности линейных генераторов (25), сравнивают измеренную величину выходного напряжения полезной нагрузки с опорным напряжением, после чего результирующий сигнал обрабатывают с помощью блока корректирующего устройства на основе пропорционально-интегрирующего регулятора (29), суммируют выходной сигнал пропорционально-интегрирующего регулятора (29) с сигналом отношения вычисленных мощности нагрузки к суммарной мощности генераторов (25), формируя сигнал ошибки (32), поступающий на один из входов компаратора (33), а на другой вход компаратора поступает ступенчато-пилообразное напряжение (35), сформированное менеджером событий DSP контроллера, формируют широко-импульсный модулированный сигнал (37) на выходе компаратора (33), который поступает на драйвер (8) управления транзистором блока балластной нагрузки (7). 2. Способ по п. 1, в котором сигнал отношения вычисленных мощности полезной нагрузки к суммарной мощности линейных генераторов определяет скважность широкоимпульсного модулированного сигнала управления блоком балластной нагрузкой (6). 3. Способ по п. 1, в котором частота опроса вычисляемого текущего значения выходного напряжения полезной нагрузки принята в 10 раз выше частоты опроса текущего значения мощности полезной нагрузки.
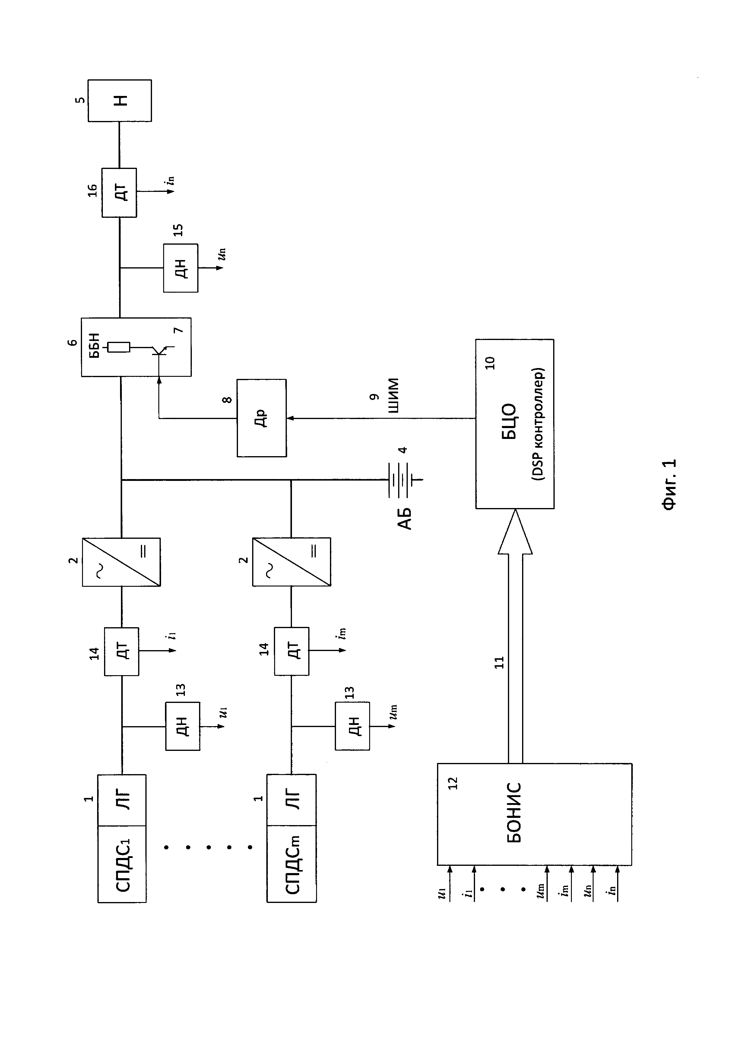
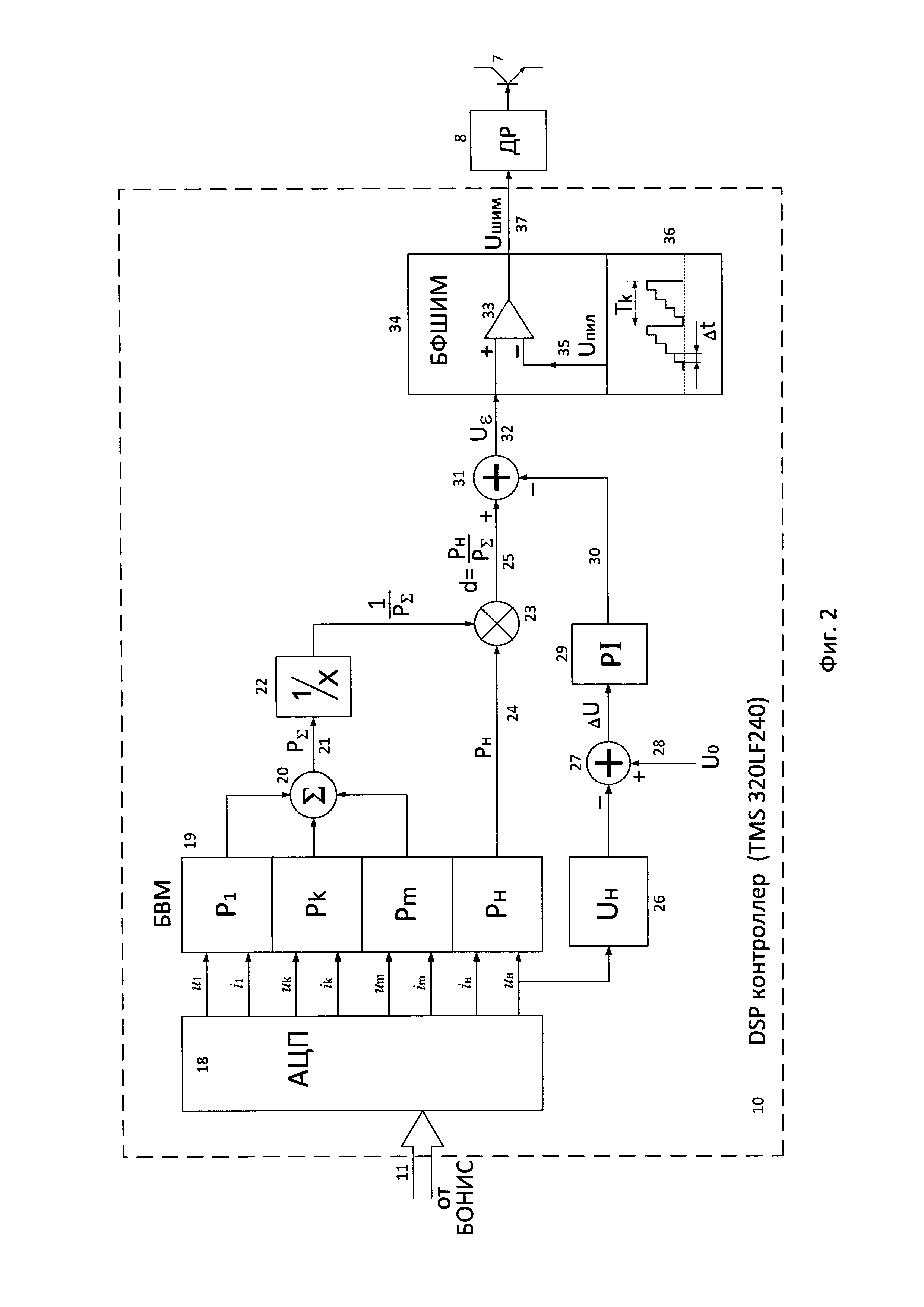
ОБЛАСТЬ ТЕХНИКИ Изобретение относится к области энергетики и электротехники, в частности к устройствам для преобразования термодинамической энергии в электрическую, которые могут быть использованы в качестве источника электрической энергии в системах электропитания автономных электроэнергетических комплексах, и способам управления общей балластной нагрузкой в таких устройствах. УРОВЕНЬ ТЕХНИКИ Перспективным направлением является разработка и широкое внедрение энергетических установок на основе двигателей Стирлинга. Свободно поршневой двигатель Стирлинга (СПДС) является тепло-динамической системой наружнего сгорания, предназначенная для преобразования тепловой энергии в механическую энергию возвратно поступательного движения. Преимуществом таких систем является: - низкий уровень шума и вибрации; - малая токсичность отработавших газов; - работа на различных видах топлива как традиционных - газ, нефтепродукты, так и нетрадиционных - биогаз, уголь, отходы лесной промышленности, а также солнечной и радиоизотопной виды энергии тепла; - большой ресурс работы без обслуживания, т.к. не требуется масляная смазка, отсутствует шатунно-кривошипный механизм и редуктор. Одной из важных задач развития энергетических установок на основе двигателей Стирлинга является создание многомодульных систем, алгоритмы управления которыми реализуются современными цифровыми сигнальными процессорами (DSP). В основе модульного принципа построения заложено параллельное включение модулей генерации на общую выходную шину, что обеспечивает необходимое резервирование системы по принципу "n+х" и возможность наращивания мощности системы при необходимости увеличения числа потребителей. Равномерное токораспределение между модулями обеспечивается согласованием их выходных характеристик. Основным принципом наращивания мощности в многодвигательной системе, является применение выпрямительных систем с организацией общей шины постоянного тока с работающими на ней общими аккумуляторами. Современные схемы выпрямителей высоко автоматизированы и позволяют наращивать до нескольких десятков выпрямителей на общей шине. При этом, как правило, применяется мультиплексная шина данных (например CAN) для решения задач выравнивания напряжений выпрямителей и обеспечение мультимастерного принципа организации работы шины обмена данными. Современные системы вторичного электропитания становятся все более сложными системами преобразования электроэнергии, к которым предъявляются особые требования. Поэтому важным вопросом является также вопрос организации и управления балластной нагрузки в структуре энергоустановки. В уровне техники известны устройства генерирования электрической энергии на основе свободно-поршневого двигателя Стирлинга с интегрированным в его структуру линейным генератором с постоянными магнитами при возвратно-поступательном движении индуктора. Известна система для генерирования электроэнергии (US 6871495 В2, 29.03.2005), содержащее двигатель Стирлинга с интегрированным линейным генератором, выпрямительный преобразователь и система управления им, причем сигнал ошибки, управляющий ШИМ регулятором преобразователя формируется сравнением измеренного тока генератора и программируемого значения тока, получаемого путем перемножения с помощью мультиплексора табличного значения и сигнала с интегратора, на вход которого поступает цифровой сигнал с АЦП, входным сигналом которого является напряжение датчика колебаний индуктора генератора. Недостатками такой системы являются: необходимость датчика амплитуды колебаний индуктора, что усложняет конструкцию; отсутствие обратной связи по выходному напряжению, что снижает динамическую устойчивость системы в переходных режимах; устройство не предназначено для использования в многомодульных системах генерирования. Также известна электрическая схема, используемая совместно с двигателем Стирлинга с интегрированным линейным генератором, регулятором напряжения и переключаемым контроллером (US 2012/0212192 А1, 23.08.2012), содержащим измерительный блок напряжения генератора, блок тактовых синхроимпульсов частоты напряжения генератора, которые с помощью PIC контроллера формируют сигнал опорной синусоиды, которая сравнивается с детектированным сигналом измеренного напряжения и вырабатывается сигнал ошибки, воздействующий на широтно-импульсный модулятор, управляющий транзистором регулятора выходного напряжения. Недостатком известного устройства является: наличие большого количества аналоговых элементов, снижающих надежность и помехозащищенность системы; низкая динамическая устойчивость системы при переходных режимах, возникающих при скачках нагрузки на выходе регулятора; отсутствие возможности наращивания мощности нагрузки за счет параллельной работы генераторов. Наиболее близким по технической сущности является гибридный источник электрической энергии (US 2009/0206667 А1, 20.08.2009), содержащий два генерирующих модуля на основе свободно-поршневых двигателей Стирлинга с интегрированными линейными генераторами и выпрямителей, выходы которых включены в параллель и образуют шину постоянного тока, к которой подключаются полезная нагрузка, аккумуляторная батарея через двунаправленный преобразователь и общий блок балластной нагрузки на основе резистора и транзистора, управляемого контроллером. Система управления настроена на три уровня напряжения шины постоянного тока в функции значения выходной мощности при стационарном режиме работы устройства. Недостатком известного устройства является ограниченное число (два) генерирующих модулей и низкие динамические характеристики при переходных процессах (набросе и сбросе нагрузки). РАСКРЫТИЕ ИЗОБРЕТЕНИЯ Задачей, представленной изобретением, является способ управления общим блоком балластной нагрузки многомодульной системы генерации, основанный на цифровом методе расчета и сравнения активных мощностей генераторов и выходной мощности нагрузки, формирование сигнала ошибки в функции отношения этих мощностей и отклонения напряжения шины постоянного тока от заданного значения, который будет определять скважность ШИМ последовательности сигнала управления транзистором общего блока балластной нагрузки. Техническим результатом изобретения является повышение динамической точности и устойчивости широко-импульсного регулятора общего блока балластной нагрузки с одновременным обеспечением стабильности напряжения на шине постоянного тока в переходных и установившихся режимах работы автономной системы электроснабжения. Технический результат обеспечивается тем, что для управления общей балластной нагрузкой в автономной многомодульной электроэнергетической установке генерирования на основе двигателей Стирлинга, содержащей "m" число модулей генерации, каждый из которых включает свободно поршневой двигатель Стирлинга с интегрированным линейным генератором и выпрямитель, выходы которых включены в параллель и образуют шину постоянного тока, к которой подключаются аккумуляторная батарея, полезная нагрузка и общий блок балластной нагрузки, измеряют величины напряжений и токов каждого линейного генератора и полезной нагрузки; на основе измеренных величин напряжений и токов каждого линейного генератора производят расчет активных мощностей с последующим их суммированием; проводят расчет текущего значения мощности полезной нагрузки; формируют сигнал отношения вычисленных мощности полезной нагрузки к суммарной мощности линейных генераторов; сравнивают измеренную величину выходного напряжения полезной нагрузки с опорным напряжением, после чего результирующий сигнал обрабатывают с помощью блока корректирующего устройства на основе пропорционально-интегрирующего регулятора; суммируют выходной сигнал пропорционально-интегрирующего регулятора с сигналом отношения вычисленных мощности нагрузки к суммарной мощности генераторов, формируя сигнал ошибки, поступающий на один из входов компаратора, а на другой вход компаратора поступает ступенчато-пилообразное напряжение, сформированное менеджером событий DSP контроллера; формируют широтно-импульсно модулированный сигнал на выходе компаратора, который поступает на драйвер управления транзистором блока балластной нагрузки. При этом сигнал отношения вычисленных мощности полезной нагрузки к суммарной мощности линейных генераторов определяет скважность широтно-импульсно модулированного сигнала управления блоком балластной нагрузкой. Частота опроса вычисляемого текущего значения выходного напряжения полезной нагрузки принята в 10 раз выше частоты опроса текущего значения мощности полезной нагрузки. КРАТКОЕ ОПИСАНИЕ ЧЕРТЕЖЕЙ Признаки и преимущества настоящего технического решения станут очевидными из приводимого ниже подробного описания и прилагаемых чертежей, на которых изображено: На фиг. 1 представлена блок-схема многомодульной системы генерирования с шиной постоянного тока и общим блоком балластной нагрузки. На фиг. 2 представлена структурная схема примера реализации заявляемого способа на примере использования DSP контроллера. На фиг. 3 представлены зависимости мощностей генераторов и балластной нагрузки от значения нормированной мощности нагрузки. На фиг. 4 приведены диаграммы изменения напряжения на шине постоянного тока при скачках тока нагрузки. СПИСОК ОБОЗНАЧЕНИЙ СПДС - свободно-поршневой двигатель Стирлинга, ЛГ - линейный генератор, ДН - датчик напряжения, ДТ - датчик тока, ББН - общий блок балластной нагрузки, Н - полезная нагрузка, ДР - драйвер, ШИМ - широтно-импульсная модуляция, БЦО - блок цифровой обработки, DSP - цифровой сигнальный процессор, БОНИС - блок обработки и нормализации измеренных сигналов, АЦП - аналого-цифровой преобразователь, БВМ - блок вычисления мощностей, PI - пропорционально-интегральный регулятор, БФШИМ - блок формирования ШИМ. ОСУЩЕСТВЛЕНИЕ ИЗОБРЕТЕНИЯ Предложена принципиальная схема регулятора общей балластной нагрузки автономной многомодульной электроэнергетической установке на основе двигателей Стирлинга, обеспечивающая повышение динамической точности и устойчивости с одновременным обеспечением стабильности напряжения на шине постоянного тока в переходных и установившихся режимах работы автономной системы электроснабжения, реализующая способ управления с интегрированием сигнала ошибки по выходному напряжению шины постоянного тока и формирования ШИМ-сигнала управления общего блока балластной нагрузки. Изобретение будет лучше понятно после ознакомления с нижеследующим свободным описанием работы установки с использованием ссылок на прилагаемых чертежах. На фиг. 1 представлена блок-схема многомодульной системы генерирования с шиной постоянного тока и общим блоком балластной нагрузки при использовании предлагаемого способа управления, осуществляемого блоком цифровой обработки БЦО (10) на основе DSP контроллера. Установка содержит "m" число модулей генерации, каждый из которых включает свободно поршневой двигатель Стирлинга с интегрированным линейным генератором (1) и выпрямитель (2), выходы которых включены в параллель и образуют шину постоянного тока (3), к которой подключаются аккумуляторная батарея (4), полезная нагрузка (5) и общий блок балластной нагрузки (6). Управление транзистором (7) блока балластной нагрузки осуществляется через драйвер (8) ШИМ сигналом (9) с блока цифровой обработки (БЦО) (10) на основе DSP контроллера (например, TMS320LF240) (10). Аккумуляторная батарея (4) обеспечивает питание блоков системы управления и других элементов устройства на период пуска модулей генерации и питание нагрузки при переходных процессах. Число модулей, параллельно подключаемых к нагрузке (5), может варьироваться. После подключения очередного модуля, происходит тестирование его состояния, и при исправности системы, он автоматически определяется остальными подключенными к нагрузке модулями, что приводит к соответствующему перераспределению тока нагрузки. При возникновении сбоя в работе одного из модулей, он автоматически отключается от шины нагрузки, что позволяет изолировать поврежденную часть без отключения нагрузки от остальных модулей. Модульный принцип построения и возможность масштабирования позволяет выбрать систему, которая подходит для современных потребностей и имеет возможность расширения в соответствии с требованиями на будущее. Заявленный способ управления осуществляется блоком цифровой обработки (БЦО) (10) на основе DSP контроллера (например, TMS320LF240) (фиг. 2), который формирует ШИМ сигнал управления транзистором (7) общего блока балластной нагрузки (6), обеспечивая поддержание баланса мощностей как в стационарном, так и переходных режимах работы, что повышает точность и надежность установки. На входы DSP контроллера поступают аналоговые сигналы (11) с блока обработки и нормализации измеренных сигналов (БОНИС) (12) от датчиков напряжения ДН (13) и датчиков тока ДТ (14) линейных генераторов (1), а также от датчика напряжения ДН (15) и датчика тока ДТ (16) полезной нагрузки (5). Блок обработки и нормализации измеренных сигналов (БОНИС) (12) обеспечивает необходимое согласование уровней аналоговых сигналов с датчиков с параметрами аналого-цифрового преобразователя DSP контроллера. Процедуры измерения, расчета электрических параметров и формирования ШИМ сигнала управления транзистором блока балластной нагрузки, требующие запуска подпрограмм через точно определенные промежутки времени, производятся при помощи внутренних аппаратных прерываний, генерируемых встроенными таймерами DSP контроллера. Обработка прерываний имеет наивысший приоритет по отношению к главному циклу микропрограммы. Остальные подпрограммы вызываются по мере необходимости. Далее аналоговые сигналы измеренных величин напряжений и токов с БОНИС (11) поступают на 2(m+1) канальный аналого-цифровой преобразователь (АЦП) (18), который преобразует сигналы в цифровую форму. Оцифрованные значения напряжений и токов поступают на блок вычислителей активных мощностей (БВМ) (19), где осуществляется вычисление текущих значений активных мощностей каждого линейного генератора (1) и текущее значение мощности полезной нагрузки (24) Вычисление текущих значений активных мощностей каждого генератора осуществляется по выражению (1): где: Рк - активная мощность «к» генератора (к = 1, 2 … m), N - число выборок измерения электрических величин за период основной частоты генератора, n - текущий номер выборки. Знак «+» в выражении (1) принимается при совпадении знаков мгновенных значений напряжения и тока, в противном случае принимается знак «-». Частота опроса вычисляемых текущих значений активной мощности равна 50 Гц в соответствие с частотой линейного генератора модуля генерации. Таким образом, при заданной частоте выборок 5 кГц имеем число выборок измерения N=100 на каждом периоде повторения. Вычисление текущего значения мощности полезной нагрузки осуществляется по выражению (2): где: uнп - значение "n"-й выборки напряжения шины постоянного тока, iнп - значение "n"-й выборки тока нагрузки. Вычисленные значения активных мощностей генераторов блоком (19) суммируются блоком (20): Полученный результат PΣ (21) поступает на инверсный блок (22) и затем на первый вход мультиплексора (23), на второй вход которого подается вычисленное значение мощности нагрузки Рн (24). На выходе мультиплексора (23) имеем сигнал (25), равный отношению мощности нагрузки к суммарной мощности генераторов и характеризующий скважность широтно-импульсной модуляции На фиг. 3а представлены графики изменения мощности балластной нагрузки (1-d) и скважности ШИМ Для улучшения динамических свойств системы управления вводится сигнал обратной связи по выходному напряжению на шине постоянного тока, который обрабатывается блоком (26) в соответствие с выражением (4): Частота опроса вычисляемого текущего значения выходного напряжения шины постоянного тока принята в 10 раз выше частоты опроса текущего значения мощности и составляет 500 Гц. Это позволяет более точно оценить изменения выходного напряжения при сравнении с опорным напряжением U0 (28) (сигналом уставки выходного напряжения), осуществляемым на сумматоре (27), что особо важно при оценки резких изменений напряжения при скачках тока нагрузки. Диаграмма возможного изменения напряжения на шине постоянного тока при скачке тока нагрузки приведена на фиг. 4. Для повышения устойчивости системы управления в контур обратной связи по выходному напряжению шины постоянного тока введен блок корректирующего устройства на основе пропорционально-интегрирующего регулятора Pl (29), выходной сигнал которого будет определяться выражением (6): где: k1 - коэффициент усиления пропорционального звена, k2 - коэффициент усиления интегрального звена. Выходной сигнал (30) с блока корректирующего устройства (29) поступает на один вход сумматора (31), на второй вход которого воздействует сигнал d (25) с мультиплексора (23). На выходе сумматора формируется сигнал ошибки Uε (32), поступающий на первый вход компаратора (33) блока формирования ШИМ (БФШИМ) (34). На второй вход компаратора поступает ступенчато-пилообразное напряжение Uпил (35), сформированное менеджером событий DSP контроллера (36) со встроенной поддержкой ШИМ. Частота пилообразного сигнала Такое выполнение является наиболее предпочтительной реализацией управления балластной нагрузкой. Вышеприведенное описание поясняет и никоим образом не ограничивает настоящее изобретение. Хотя настоящее изобретение описано со ссылкой на примерный вариант осуществления, следует понимать, что пояснения, использованные в данном документе, являются иллюстрационными, а не ограничивающими. Изменения могут быть сделаны в пределах компетенции прилагаемой формулы изобретения. Хотя настоящее изобретение описано в данном документе со ссылкой на конкретные средства, материалы и варианты осуществления, настоящее изобретение не ограничивается частностями, раскрытыми в данном документе; скорее, настоящее изобретение распространяется на все функционально эквивалентные структуры, способы и применения, находящиеся в пределах объема прилагаемой формулы изобретения.


с пределами изменения от 0 до 1.
при неизменной суммарной мощности генераторов PΣ в зависимости от значения нормированной мощности нагрузки Рн. На фиг. 3б показан принцип формирования ШИМ сигнала, где: Тк - коммутационный интервал, Ти - длительность импульса в ШИМ последовательности, Uпил - пилообразное напряжение с наложенным сигналом ошибки Uош.


принята равной 20 кГц, что будет соответствовать частоте ШИМ сигнала (37) (фиг. 3б). Частота квантования пилообразного напряжения принята равной 200 кГц, что обеспечивает высокую точность сравнения с сигналом ошибки (32) при формировании ШИМ сигнала (37) на выходе компаратора (33) блока формирования ШИМ (34). Этот сигнал с ШИМ выхода DSP контроллера (10) поступает на драйвер (8) управления транзистором блока балластной нагрузки (7).