патент
№ RU 2513547
МПК H02M7/68

СТАТИЧЕСКИЙ ОБРАТИМЫЙ ПРЕОБРАЗОВАТЕЛЬ ДЛЯ ПИТАНИЯ ПОТРЕБИТЕЛЕЙ ПЕРЕМЕННОГО И ПОСТОЯННОГО ТОКА

Авторы:
Яцук Владимир Григорьевич
Номер заявки
2012138512/07
Дата подачи заявки
07.09.2012
Опубликовано
20.04.2014
Страна
RU
Как управлять
интеллектуальной собственностью
Чертежи 
1
Реферат

Изобретение относится к преобразователям напряжения, предназначенным для электропитания потребителей переменного и постоянного тока, и содержит первый порт «входа выхода» на стороне подключаемой аккумуляторной батареи и второй порт «входа-выхода» на стороне питающей сети переменного тока. В инверторном режиме работы постоянный ток подается от аккумуляторной батареи на первый порт, а выход переменного тока снимается со второго порта. В выпрямительном режиме входное питание переменного тока подается на второй порт, а выход постоянного тока снимается с первого порта. Между портами включены звено высокой частоты и звено автономного инвертора промышленной частоты, последовательно соединенные между собой. Работа звеньев регулируется системой управления. Звено высокой частоты выполнено в виде комбинированной схемы из параллельно соединенных по входу и последовательно по выходу в инверторном режиме резонансных инверторов и инверторов напряжения, а в выпрямительном режиме - в виде комбинированной схемы инверторов напряжения и выпрямителей. Для инверторного режима все инверторы, кроме одного, являются нерегулируемыми. А один инвертор - регулируемый. Нерегулируемые инверторы создают опорное (минимально требуемое) выходное напряжение. Регулируемый инвертор формирует дополнительное напряжение, добавляемое к опорному для того, чтобы довести выходное напряжение до требуемого значения. В выпрямительном режиме электрическая схема обратимого преобразователя работает на формирование тока заряда аккумуляторных батарей. 3 з.п. ф-лы, 2 ил.

Формула изобретения

1. Статический обратимый преобразователь для питания потребителей переменного и постоянного тока, содержащий первый порт «входа выхода» на стороне постоянного тока с подключенной к нему аккумуляторной батареей и второй порт «входа-выхода» на стороне переменного тока, для электрической связи портов между ними включены звено высокой частоты и звено автономного инвертора промышленной частоты, последовательно соединенные между собой, причем оба звена используются в инверторном и выпрямительном режимах, при этом в инверторном режиме работы обратимого преобразователя входное питание постоянного тока подается на первый порт, а выход переменного тока снимается со второго порта, а в выпрямительном режиме обратимого преобразователя входное питание переменного тока подается на второй порт, а выход постоянного тока снимается с первого порта, причем звено высокой частоты выполнено на основе однофазных мостовых схем инверторов, соединенных с системой управления, а выходное напряжение переменного тока формируется с помощью трехфазных мостовых схем с выходными LC-фильтрами,
отличающийся тем, что звено высокой частоты выполнено для инверторного режима работы преобразователя в виде комбинированной схемы из параллельно соединенных по входу и последовательно по выходу резонансных нерегулируемых инверторов и инверторов напряжения с выпрямителями, а для выпрямительного режима работы преобразователя оно выполнено в виде комбинированной схемы последовательно соединенных инверторов напряжения по входу и параллельно выпрямителей по выходу.

2. Статический обратимый преобразователь по п.1,
отличающийся тем, что система управления резонансными инверторами звена высокой частоты выполнена без регулятора напряжения

3. Статический обратимый преобразователь по п.1,
отличающийся тем, что звено высокой частоты состоит из трех инверторно-выпрямительных модулей, из которых в инверторном режиме два инвертора нерегулируемые и один регулируемый, а в выпрямительном режиме - два инвертора регулируемые, а один работает в ключевом режиме.

4. Статический обратимый преобразователь по п.1,
отличающийся тем, что звено высокой частоты состоит из трех инверторно-выпрямительных модулей, из которых при работе в инверторном режиме два инвертора нерегулируемые и один регулируемый, соединенный с выпрямителем на диодах, а в выпрямительном режиме два инвертора регулируемые, а выпрямитель на диодах шунтирует полупроводниковый ключ.

Описание

[1]

Область техники

[2]

Изобретение относится к области электротехники, в частности к преобразователям напряжения, предназначенным для электропитания потребителей переменного и постоянного тока.

[3]

Известно устройство бесперебойного питания (Патент РФ №2221320), содержащее сетевой выпрямитель, выводами переменного тока подключенный к промышленной сети электроснабжения переменного тока, а выводами постоянного тока - к входным выводам зарядно-буферного преобразователя, выходные выводы постоянного тока которого подключены к резервной аккумуляторной батарее и входам преобразователей напряжения постоянного тока в постоянный. Недостатком данного устройства бесперебойного питания является то, что в нем не обеспечена возможность рекуперации энергии аккумуляторной батареи в питающую промышленную сеть переменного тока. Кроме того, состав данного устройства электропитания избыточен, поскольку заряд аккумуляторной батареи обеспечивается отдельным преобразователем, а в составе выходных преобразователей напряжения постоянного тока в постоянный используются два канала инвертирования (основной и дополнительный инвертор), один из которых работает через сетевой выпрямитель только от промышленной сети, а второй только от аккумуляторов.

[4]

Более близким аналогом является техническое решение, защищенное патентом США №6160722. У заявленного реверсивного преобразователя имеются три порта входа-выхода силовых цепей: основной сети переменного тока, источника постоянного тока для подключения аккумуляторной батареи и порта для подключения ответственных потребителей переменного тока. При нормальной работе от основной сети переменный ток выпрямляется, а затем инвертором преобразуется в переменное напряжение высокой частоты, которое далее поступает на двухобмоточный трансформатор высокой частоты и далее после выпрямления в реверсивном преобразователе поступает на заряд аккумуляторов. Одновременно в этом режиме производится питание ответственных потребителей переменного тока от шин постоянного тока через второй инвертор. В аварийном режиме, когда нарушается работа основной сети, питание ответственных потребителей переменного тока производится от аккумуляторной батареи через еще один инвертор высокой частоты, вышеупомянутый двухобмоточный трансформатор, реверсивный преобразователь, работающий в этом случае как выпрямитель и через вышеупомянутый первый инвертор. Недостатком преобразователя являются низкая эффективность преобразования энергии и большие потери особенно при большой мощности преобразователя.

[5]

Минимизация массогабаритных параметров преобразователя осуществлена согласно изобретению по патенту РФ 2426215, выбираемому в качестве прототипа. Согласно прототипу источник бесперебойного питания выполнен в виде обратимого преобразователя с промежуточным звеном высокой частоты и портами для подключения источника постоянного тока и потребителей. Обратимый преобразователь обеспечен двумя портами входа-выхода силовых цепей, один из которых выполнен в виде порта зажимов постоянного тока с подключенной к нему на входе аккумуляторной батареей, и который является входным портом для работы в инверторном режиме, а другой порт выполнен в виде зажимов для переменного тока и является выходным портом в инверторном и входным в выпрямительном режимах работы. Для электрической связи между зажимами постоянного и переменного тока указанных портов через автоматические выключатели включены два звена, последовательно соединенные между собой, одно из которых является звеном высокой частоты, а другое звеном автономного инвертора промышленной частоты, при этом звенья снабжены драйверами для управления силовыми модулями. Оба звена используются с помощью средств управления в инверторном и выпрямительном режимах. При этом в выпрямительном режиме и при нормальном функционировании сети переменного тока ответственные потребители подключены непосредственно к основной сети переменного тока через автоматический выключатель. При этом за счет средств управления обратимый преобразователь обеспечивает генерацию регулируемой реактивной мощности в сеть переменного тока, к которой подключен датчик напряжения с регулятором напряжения. Прототип работает в двух основных режимах - инверторном и выпрямительном, названными так с некоторой долей условности:

[6]

а) в инверторном режиме ответственные потребители переменного тока получают питание от аккумуляторов через обратимый преобразователь, б) в выпрямительном режиме потребители переменного тока получают питание от сети переменного тока, например от синхронного генератора, а заряд аккумуляторной батареи и питание потребителей постоянного тока производится через обратимый преобразователь, т.е. обратимый преобразователь пропускает электроэнергию в обратном направлении.

[7]

Звено высокой частоты содержит два стандартных транзисторно-диодных модуля, подключенные со стороны первичной и вторичной обмоток трансформатора. Каждый из них работает либо в инверторном режиме, когда используются все их элементы, либо в выпрямительном, когда используются только обратные диоды, а транзисторы не открываются. В инверторном режиме модуль, подключенный к первичной обмотке трансформатора со стороны источника постоянного тока, работает в инверторном режиме, а модуль, включенный с противоположной стороны трансформатора, работает в выпрямительном режиме. В выпрямительном режиме работы обратимого преобразователя функции модулей меняются на противоположные.

[8]

Звено автономного инвертора промышленной частоты, подключенное своими зажимами постоянного тока к зажимам постоянного тока звена высокой частоты и зажимами переменного тока через датчик тока к зажимам порта переменного тока, выполнено на базе одного и нескольких, включенных параллельно, стандартных транзисторно-диодных модулей и LC-фильтра нижних частот. Это звено выполнено также реверсивным. В инверторном режиме оно работает в режиме автономного инвертора, в выпрямительном - выполняет функцию выпрямителя на том же стандартном модуле, транзисторы и обратные диоды которого соединены по схеме 3-фазного моста, и его обратные диоды позволяют выполнить эту функцию. С помощью транзисторов, управляемых по методу синусоидальной ШИМ, можно регулировать переток активной и реактивной мощности в сеть или из основной сети переменного тока.

[9]

К недостаткам указанного обратимого преобразователя следует отнести значительные потери в цепях, а также низкую стабилизацию напряжения звена постоянного тока при широком изменении напряжений на входе порта постоянного тока.

[10]

Целью изобретения является устранение недостатков прототипа, а именно повышение коэффициента полезного действия за счет уменьшения потерь и улучшение стабилизации выходного напряжения при широком изменении напряжения на входе звена высокой частоты.

[11]

Раскрытие изобретения.

[12]

Указанная цель достигается выполнением звена высокой частоты статического обратимого преобразователя в виде комбинированной схемы из параллельно соединенных по входу и последовательно по выходу в инверторном режиме работы резонансных инверторов и инверторов напряжения, а в выпрямительном режиме - в виде комбинированной схемы инверторов напряжения и выпрямителей.

[13]

Для инверторного режима все инверторы, кроме одного, являются нерегулируемыми, а один инвертор - регулируемый. Нерегулируемые инверторы создают опорное (минимально требуемое) выходное напряжение. Регулируемый инвертор формирует дополнительное напряжение, добавляемое к опорному для того, чтобы довести выходное напряжение преобразователя до требуемого значения (в соответствии с потребностями потребителей переменного тока).

[14]

В выпрямительном режиме электрическая схема обратимого преобразователя работает на формирование тока заряда аккумуляторных батарей.

[15]

Согласно изобретению статический обратимый преобразователь (далее - преобразователь) для питания потребителей переменного и постоянного тока содержит первый порт «входа выхода» на стороне постоянного тока с подключенной к нему аккумуляторной батареей и второй порт «входа-выхода» на стороне переменного тока. В инверторном режиме работы преобразователя питание постоянного тока подается на первый порт, а выход переменного тока снимается со второго порта, а в выпрямительном режиме входное питание переменного тока подается на второй порт, а выход постоянного тока снимается с первого порта. Для электрической связи портов между ними включены звено высокой частоты и звено автономного инвертора промышленной частоты, последовательно соединенные между собой, причем оба звена работают в инверторном и выпрямительном режимах с помощью системы управления. Звено высокой частоты выполнено на основе однофазных мостовых схем инверторов, связанных с системой управления. Выходное напряжение переменного тока формируется с помощью трехфазных мостовых схем с выходными LC-фильтрами. Звено высокой частоты выполнено в виде комбинированной схемы из параллельно соединенных по входу преобразователя и последовательно по выходу - резонансных инверторов и инверторов напряжения для работы в инверторном режиме, и в виде комбинированной схемы инверторов напряжения и выпрямителей - для работы в выпрямительном режиме. Такое соединение инверторов обеспечивает стабилизацию напряжения звена переменного тока при широком изменении входного напряжения на входе первого порта.

[16]

Более конкретно звено высокой частоты может быть выполнено из трех инверторно-выпрямительных модулей, из которых в инверторном режиме два инвертора являются нерегулируемыми и один регулируемым, а в выпрямительном режиме - два модуля являются регулируемыми, а один работает в ключевом режиме.

[17]

Как вариант звено высокой частоты также состоит из трех инверторно-выпрямительных модулей, из которых при работе в инверторном режиме два инвертора нерегулируемые и один регулируемый, соединенный с выпрямителем на диодах, а в выпрямительном режиме два инвертора регулируемые, а выпрямитель на диодах шунтирует полупроводниковый ключ.

[18]

Система управления инверторами звена высокой частоты может быть выполнена без регулятора мощности.

[19]

Таким образом, изобретение позволяет повысить коэффициент полезного действия обратимого преобразователя за счет рационального использования нерегулируемых и регулируемых высокочастотных инверторов и стабилизировать выходное напряжение потребителей переменного тока в широком диапазоне изменения напряжения на аккумуляторных батареях. Использование упрощенных (без транзисторов) мостовых схем некоторых инверторов обеспечивает оптимизацию массогабаритных показателей.

[20]

Перечень графических фигур

[21]

Фиг.1. Схема статического обратимого преобразователя

[22]

Фиг.2. Схема статического обратимого преобразователя (упрощенный вариант)

[23]

Осуществление изобретения

[24]

На Фиг 1 представлена схема статического обратимого преобразователя, имеющего два порта силовых цепей «входа - выхода»: порт постоянного тока 1, к которому извне подключают накопитель электроэнергии - аккумуляторную батарею 2 (и возможные потребители постоянного тока) и порт промышленной частоты 3, к которому подключают ответственные потребители переменного тока. Статический обратимый преобразователь содержит звено высокой частоты 4 и инвертор промышленной частоты 5. Статический обратимый преобразователь работает в двух режимах: инверторном, когда питание постоянного тока от аккумуляторной батареи 2 подается на порт 1, а выход переменного тока снимается с порта 3 и выпрямительном, когда питание переменного тока подается на порт 3, а выход постоянного тока снимается с порта 1.

[25]

Каждое звено высокой частоты 4 содержит трансформатор 6, выполняющий функцию гальванической развязки. К нему со стороны первичной обмотки подключены резонансные инверторы (стандартные транзисторно-диодные модули типа IGBT) 7, 8 и нерезонансный - 9, со стороны вторичной обмотки - инвертора напряжения (аналогичные IGBT модули) 10, 11, 12, каждый из которых работает либо в инверторном режиме модуля, когда используются все элементы модуля транзисторы 13 и диоды 14, либо в выпрямительном, когда используются только обратные диоды 14, а транзисторы не открываются. Резонансные инверторы 7, 8 и нерезонансный 9 подключены к порту 1 параллельно, а инвертора напряжения 10, 11, 12 - последовательно. Функционирование инверторов и переключение между режимами работы обеспечивает система управления 15. В качестве трансформаторов 6 могут использоваться планарные трансформаторы фирмы Payton, обеспечивающие снижение массы, габаритов и омические потери. В конкретном случае, когда звено высокой частоты состоит из трех инверторно-выпрямительных модулей, в инверторном режиме инвертора 8 и 9 являются нерегулируемыми и инвертор 7 - регулируемый, а в выпрямительном режиме - два инвертора 10, 11 регулируемые, а инвертор 12 работает в ключевом режиме. Инверторы 10, 11, 12 соединены последовательно и на выходе имеют LC-фильтр, состоящий из емкости 16 и дросселя 17, соединенный с входными зажимами инвертора промышленной частоты 5.

[26]

Инвертор промышленной частоты 5 выполнен по трехфазной мостовой схеме на базе одного или нескольких включенных параллельно транзисторно-диодных модулей типа IGBT. Он выполнен также реверсивным, т.е. работает в инверторном и выпрямительном режимах по командам от системы управления 15. Транзисторы и обратные диоды инвертора промышленной частоты 5 соединены по схеме трехфазного моста, причем транзисторы, управляемые по методу синусоидальной ШИМ, позволяют осуществлять управление перетоком активной и реактивной мощности. Между выходом инвертора промышленной частоты 5 и портом входа-выхода 3 включен LC-фильтр 18. Работу инверторов 7 и 8 в резонансном режиме обеспечивают конденсаторы 19, 20.

[27]

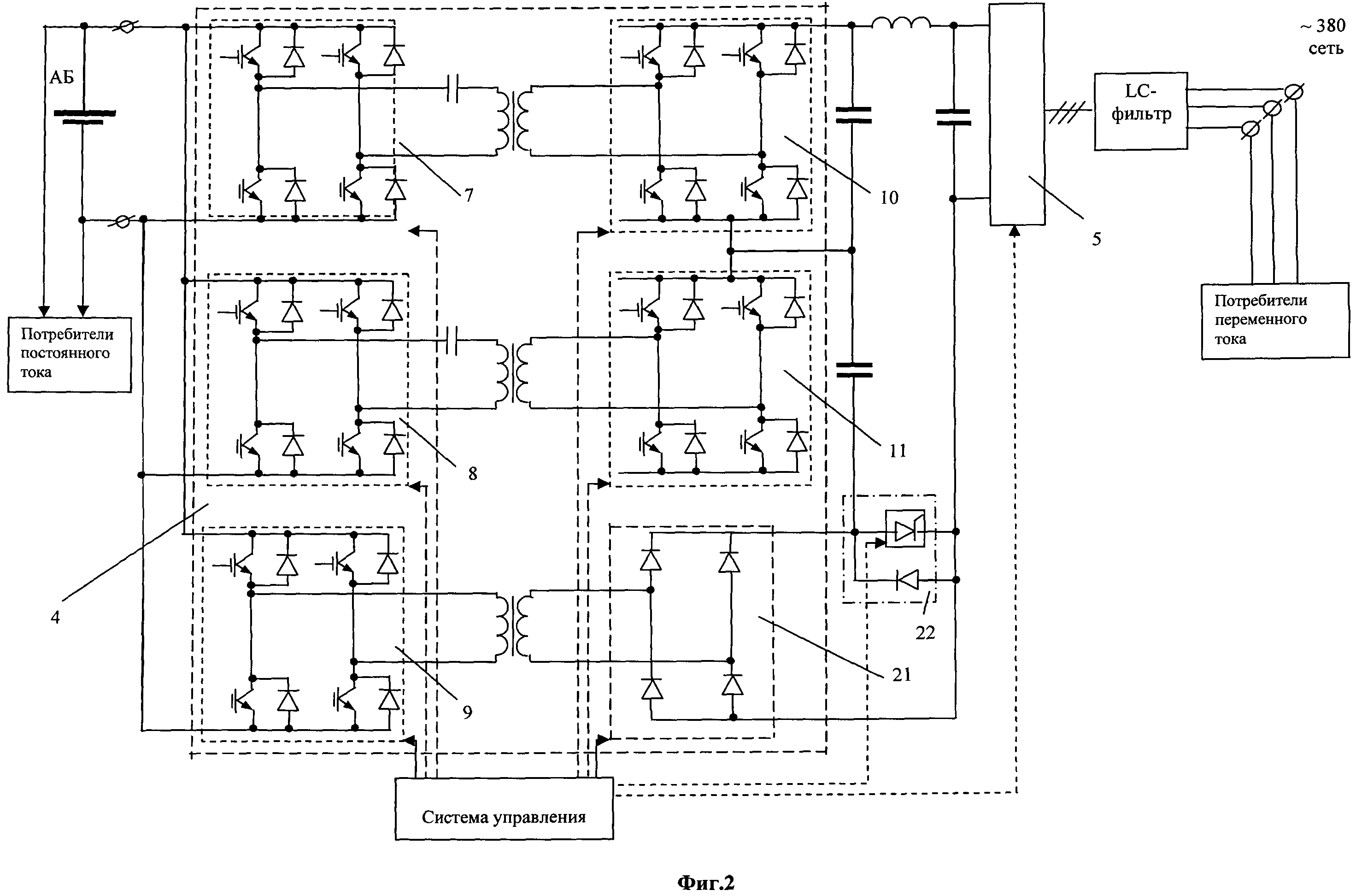
В упрощенном варианте схемы статического обратимого преобразователя (Фиг.2) звено высокой частоты 4 при работе в инвертором режиме также состоит из трех инверторно-выпрямительных модулей 7, 8, 9, из которых два инвертора в модулях 7 и 8 нерегулируемые, а 9 регулируемый. Однако в выпрямительном режиме два инвертора 10 и 11 регулируемые, а третий инвертор 21 выполнен как мостовой диодный выпрямитель с полупроводниковым ключом 22 для его шунтирования.

[28]

Статический обратимый преобразователь работает следующим образом.

[29]

Инверторный режим

[30]

Для реализации инверторного режима работы система управления 15 устанавливает транзисторно-диодным модулям звена высокой частоты 7, 8, 9 инверторный режим, а модулям 10, 11, 12 выпрямительный режим работы, а также устанавливает инверторный режим работы транзисторно-диодного модуля инвертора 5.

[31]

Напряжение постоянного тока поступает от аккумуляторной батареи на первый порт «входа-выхода» 1 и оттуда на звено высокой частоты 4. Инверторы 7, 8, 9 указанного звена 4 преобразуют постоянный ток в высокочастотный переменный. Нерегулируемые инверторы 7 и 8 обеспечивают получение опорного выходного напряжения. Напряжение переменного тока с инверторов 7, 8, 9 через трансформаторы 6 поступает на инвертора 10, 11, 12, которые, работая в качестве выпрямителя, преобразуют переменный ток в постоянный. Регулируемый инвертор 9 по сигналам от системы управления 15 осуществляет получение добавочного напряжения, которое выпрямляется и суммируется с опорным напряжением от инверторов 7 и 8, обеспечивая стабилизацию выходного напряжения при изменении напряжения аккумуляторной батареи от 175 до 320 В, т.е. от разряженного до заряженного состояния аккумуляторной батареи 2. С выхода звена высокой частоты 4 выпрямленный ток через LC-фильтр (емкость 16, дроссель 17) поступает на инвертор 5, где преобразуется в переменный ток, который через LC-фильтр 18 поступает к порту «входа-выхода» 3 для обеспечения работы потребителей переменного тока.

[32]

Выпрямительный режим

[33]

Для реализации выпрямительного режима работы статического обратимого преобразователя система управления 15 устанавливает инверторам 7, 8, 9 звена высокой частоты выпрямительный режим работы, а инверторам 10, 11, 12 - инверторный режим. Также устанавливается выпрямительный режим работы для инвертора 5. Сетевое напряжение переменного тока поступает на порт «входа-выхода» 3 и оттуда на инвертор 5, работающий в режиме выпрямителя и преобразующий переменный ток в постоянный. Постоянный ток с инвертора 5 поступает к инверторам 10, 11, 12, которые, работая в инверторном режиме, преобразуют его в высокочастотный переменный ток, который проходит через трансформаторы 6 и передается к инверторам 7, 8, 9, работающим в выпрямительном режиме, откуда выпрямленный постоянный ток, соответствующий номинальному току заряда аккумуляторов, поступает на порт «входа-выхода» 1.

Как компенсировать расходы
на инновационную разработку
Похожие патенты