патент
№ RU 2587495
МПК H01Q11/10

СПОСОБ ПЕРЕДАЧИ СИГНАЛОВ ЧЕРЕЗ ВСЕНАПРАВЛЕННУЮ КОЛЬЦЕВУЮ ЛОГОПЕРИОДИЧЕСКУЮ АНТЕННУЮ РЕШЕТКУ ВЕРТИКАЛЬНОЙ ПОЛЯРИЗАЦИИ И АНТЕННАЯ РЕШЕТКА ДЛЯ ЕГО ОСУЩЕСТВЛЕНИЯ

Авторы:
Юдин Вячеслав Викторович
Номер заявки
2014120884/28
Дата подачи заявки
23.05.2014
Опубликовано
20.06.2016
Страна
RU
Как управлять
интеллектуальной собственностью
Чертежи 
7
Реферат

Изобретение относится к радиотехнике и предназначено, в частности, для использования в системах подвижной связи в метровом и дециметровом диапазонах волн. Предлагается способ передачи сигналов через всенаправленную кольцевую логопериодическую антенную решетку вертикальной поляризации с разделением полной рабочей полосы частот антенны на первый и второй диапазоны частот передачи. Секции первого диапазона передачи располагают между секциями второго диапазона передачи. При разделении полной рабочей полосы частот на первый и второй диапазоны частот передачи эти диапазоны частот передачи назначают с частичным перекрытием полос передачи первого и второго диапазонов частот передачи и сигналы, попадающие в зону перекрытия частот этих двух диапазонов частот передачи и имеющие совпадающие выделенные частоты передачи, передают по обоим диапазонам передачи через все секции антенной решетки. Предлагается также антенна, реализующая этот способ. Технический результат заключается в расширении полосы частот всенаправленной кольцевой антенной решетки за счет снижения влияния эффекта увеличения электрического радиуса решетки. 2 н. и 4 з.п. ф-лы, 8 ил.

Формула изобретения

1. Способ передачи сигналов через всенаправленную кольцевую логопериодическую антенную решетку вертикальной поляризации, основанный на разделении полной рабочей полосы частот антенны на первый и второй диапазоны частот передачи, выделение для каждого из диапазонов передачи своих секций всенаправленной кольцевой антенной решетки, назначение передаваемым сигналам канала передачи с выделенной частотой передачи, распределение назначенных каналов передачи по диапазонам передачи в соответствии с выделенной частотой передачи и передачу сигналов антенной на выделенных частотах передачи через соответствующие секции антенной решетки, при этом секции первого диапазона передачи располагают между секциями второго диапазона передачи, а при разделении полной рабочей полосы частот на первый и второй диапазоны частот передачи эти диапазоны частот передачи назначают с частичным перекрытием полос передачи первого и второго диапазонов частот передачи и сигналы, попадающие в зону перекрытия частот этих двух диапазонов частот передачи и имеющие совпадающие выделенные частоты передачи, передают по обоим диапазонам передачи через все секции антенной решетки.

2. Способ по п. 1, отличающийся тем, что используют восьмисекционную всенаправленную антенну с четырьмя секциями на каждый диапазон, при этом сигналы на входах смежных 1-го, 2-го, 3-го и 4-го элементов в каждой секции смещают относительно друг друга на +90°.

3. Способ по п. 1, отличающийся тем, что используют восьмисекционную всенаправленную антенну с четырьмя секциями на каждый диапазон, при этом сигналы на входах смежных 1-го, 2-го, 3-го и 4-го элементов в каждой секции смещают относительно друг друга на -90°.

4. Способ по п. 1, отличающийся тем, что используют восьмисекционную всенаправленную антенну с четырьмя секциями на каждый диапазон, при этом сигналы на входах двух противоположных элементов секции формируют синфазными, а ортогональные им элементы не возбуждают.

5. Широкополосная всенаправленная кольцевая логопериодическая антенная решетка вертикальной поляризации, содержащая излучатели, равномерно расположенные на центральной опоре, в качестве излучателей используются секции логопериодической антенны вертикальной поляризации, скомпонованные в две группы секций, одна группа секций антенной решетки сконфигурирована для работы в высокочастотном диапазоне передачи, а другая группа секций антенной решетки сконфигурирована для работы в низкочастотном диапазоне передачи, частично перекрывающем высокочастотный диапазон передачи вышеупомянутой группы секций, при этом секции излучателей обеих групп расположены в одной плоскости так, что секции излучателей одной группы размещены между секциями излучателей другой группы, при этом излучатели обеих групп, работающие в перекрывающемся диапазоне частот, подключены к частотно-разделительным устройствам, обеспечивающим разделение низкочастотного и высокочастотного диапазонов с частичным перекрытием этих диапазонов передачи, при этом каждое частотно-распределительное устройство имеет один вход и два выхода, так что к выходам каждого частотно-разделительного устройства подключены соответствующие входы двух смежных излучателей, а входы частотно-разделительных устройств являются интерфейсами антенной решетки для передачи/приема сигнала.

6. Всенаправленная кольцевая антенная решетка по п. 5, отличающаяся тем, что она оснащена восемью секциями излучателей и четырьмя интерфейсами, при этом входы секций решетки подключены к интерфейсам антенной решетки через диаграммообразующее устройство, способное обеспечивать значения нормированного вектора комплексных амплитуд напряжений на входах решетки [1, -i, -1, i], [1, i, -1, -i], [1, 0, 1, 0], [0, 1, 0, 1] для 1-й, 2-й, 3-й и 4-й мод соответственно, где i - мнимая единица.

Описание

[1]

Область техники

[2]

Изобретение относится к радиотехнике и предназначено, в частности, для использования в качестве передающей антенны для передачи сообщений в системах подвижной связи: сухопутной подвижной, воздушной подвижной и морской подвижной радиосвязи в метровом и дециметровом диапазонах волн.

[3]

Уровень техники

[4]

Для организации радиосвязи с подвижными абонентами в профессиональных системах радиосвязи обычно используются антенны вертикальной поляризации, всенаправленные в горизонтальной плоскости, например, несимметричные вертикальные вибраторы (Айзенберг Г.З., Ямпольский В.Г., Терешин О.Н. Антенны УКВ. / Под ред. Г.З. Айзенберга. В 2-х ч. Ч.2 - М.: Связь, 1977. - 288 с.). Эти антенны обеспечивают хорошую равномерность характеристики направленности в горизонтальной плоскости, однако могут размещаться только на вершине опоры, что ограничивает рабочий диапазон частот для таких антенн.

[5]

Известны всенаправленные антенные решетки, в которых используются кольцевые решетки из излучателей вертикальной поляризации, равномерно расположенных вокруг опоры (патент РФ на изобретение №2206159, Н01Q 21/20 от 10.06.2003). Ширина рабочей полосы частот логопериодической антенны при достаточно большом числе вибраторов в ее составе может составлять октаву и более. Однако широкополосность кольцевых решеток ограничена не только широкополосностью входящих в них излучателей, но и относительно узкой полосой частот, при которой диаграмма направленности кольцевой решетки с фиксированными расстояниями между излучателями остается квазикруговой с приемлемой неравномерностью. При увеличении рабочей частоты соответственно растет электрическое расстояние между излучателями решетки. Начиная с некоторой частоты, уровень провалов (минимумов) азимутальной диаграммы направленности становится недопустимо низким. При использовании в качестве излучателей кольцевой антенной решетки логопериодических антенн указанный эффект частотной зависимости электрического расстояния между излучателями дополнительно усиливается, поскольку с ростом частоты положение эквивалентного фазового центра излучателя смещается в направлении главного излучения логопериодической антенны, т.е. фактически увеличивается радиус решетки. Все это существенно ограничивает широкополосность всенаправленных кольцевых антенных решеток.

[6]

Известна логопериодическая комбинированная антенна, содержащая плоскую антенну, содержащая несколько модулей, каждый из которых имеет собственный диапазон рабочих частот, при этом рабочие диапазоны часто для отдельных модулей не перекрывают друг друга (патент РФ на изобретение №2427946, Н01Q 11/10 от 27.08.2011). Как отмечают авторы данного изобретения, потенциально данная антенна может использовать широкий диапазон частот, метровые, дециметровые и сантиметровые радиоволны, но в данной антенной решетке остаются все ограничения на рабочий диапазон каждого из модулей в связи с затуханием сигнала на границах рабочего данного модуля. Кроме того, используя антенну такого типа, нельзя получить равномерное всенаправленное излучение сигнала, что необходимо при работе с подвижными объектами.

[7]

Предлагаемым изобретением решается задача расширения полосы рабочих частот при передаче сообщений подвижным приемным станциям.

[8]

Сущность изобретения

[9]

Для решения поставленной задачи предлагается способ передачи сигналов через всенаправленную кольцевую логопериодическую антенную решетку вертикальной поляризации, основанный на разделении полной рабочей полосы частот антенны на первый и второй диапазоны частот передачи, выделение для каждого из диапазонов передачи своих секций всенаправленной кольцевой антенной решетки, назначение передаваемым сигналам канала передачи с выделенной частотой передачи, распределение назначенных каналов передачи по диапазонам передачи в соответствии с выделенной частотой передачи и передачу сигналов антенной на выделенных частотах передачи через соответствующие секции антенной решетки, при этом секции первого диапазона передачи располагают между секциями второго диапазона передачи, а при разделении полной рабочей полосы частот на первый и второй диапазоны частот передачи эти диапазоны частот передачи назначают с частичным перекрытием полос передачи первого и второго диапазонов частот передачи и сигналы, попадающие в зону перекрытия частот этих двух диапазонов частот передачи и имеющие совпадающие выделенные частоты передачи, передают по обоим диапазонам передачи через все секции антенной решетки.

[10]

При этом в предлагаемом способе в первом и втором диапазонах передачи используют восьмисекционную всенаправленную антенну с четырьмя секциями на каждый диапазон, при этом обеспечивают, включая, но не ограничиваясь, следующие режимы возбуждения входов: 1) сигналы на входах смежных 1-го, 2-го, 3-го и 4-го элементов в каждой секции смещают относительно друг друга на +90°; 2) сигналы на входах смежных 1-го, 2-го, 3-го и 4-го элементов в каждой секции смещают относительно друг друга на -90°; 3) сигналы на входах двух противоположных элементов обеспечивают синфазными, ортогональные им элементы не возбуждают.

[11]

Для решения поставленной задачи предлагается также широкополосная всенаправленная кольцевая логопериодическая антенная решетка вертикальной поляризации, содержащая излучатели, равномерно расположенные на центральной опоре, в качестве излучателей используются секции логопериодической антенны вертикальной поляризации, скомпонованные в две группы секций, одна группа секций антенной решетки сконфигурирована для работы в высокочастотном диапазоне передачи, а другая группа секций антенной решетки сконфигурирована для работы в низкочастотном диапазоне передачи, частично перекрывающем высокочастотный диапазон передачи вышеупомянутой группы секций, при этом секции излучателей обеих групп расположены в одной плоскости так, что секции излучателей одной группы размещены между секциями излучателей другой группы, при этом излучатели обеих групп, работающие в перекрывающемся диапазоне частот, подключены к частотно-разделительным устройствам, обеспечивающим разделение низкочастотного и высокочастотного диапазонов с частичным перекрытием этих диапазонов передачи, при этом каждое частотно-распределительное устройство имеет один вход и два выхода, так что к выходам каждого частотно-разделительного устройства подключены соответствующие входы двух смежных излучателей, а входы частотно-разделительных устройств являются интерфейсами антенной решетки для передачи/приема сигнала.

[12]

Всенаправленная кольцевая антенная решетка отличается тем, что она оснащена восемью секциями излучателей и четырьмя интерфейсами, при этом входы секций решетки подключены к интерфейсам антенной решетки через диаграммообразующее устройство, обеспечивающее значения нормированного вектора комплексных амплитуд напряжений на входах решетки [1, -i, -1, i], [1, i, -1, -i], [1, 0, 1, 0], [0, 1, 0, 1] для 1-й, 2-й, 3-й и 4-й мод соответственно, где i - мнимая единица.

[13]

Техническим результатом изобретения является расширение полосы частот всенаправленной кольцевой антенной решетки за счет снижения влияния эффекта увеличения электрического радиуса решетки.

[14]

Для достижения указанного технического результата предлагаемый способ передачи и антенная решетка базируются на разделении полной рабочей полосы частот известной всенаправленной кольцевой антенной решетки с поворотной симметрией, выполненной на основе равномерно расположенных на цилиндрической опоре излучателей, на первый (низкочастотный) и второй (высокочастотный) диапазоны с организацией для каждого из диапазонов своих секций решетки. Элементы секций каждого диапазона выполняют более узкополосными, чем элементы секций антенной решетки без частотного разделения, соответственно, обеспечивается меньшая девиация положений эквивалентных фазовых центров излучателей в рабочей полосе частот. Первый и второй диапазоны частот задают смежными с частичным перекрытием полос, при этом сигналы, попадающие в зону взаимно-перекрывающихся областей диапазонов, передают одновременно по обоим диапазонам через все секции антенной решетки. Разделение суммарной полосы частот антенной решетки на первый и второй диапазоны осуществляют с помощью частотно-разделительных устройств (ЧРУ), каждое из которых выполняют, например, в виде «вилки фильтров», представляющей собой комбинацию фильтра верхних частот (ФВЧ) и фильтра нижних частот (ФНЧ). Первый диапазон, в частности, может быть выделен ФНЧ, а второй - ФВЧ, построенных с частично-пересекающимися полосами пропускания. При этом выделенные ФНЧ сигналы первого диапазона подают на входы элементов первой секции антенной решетки; выделенные ФВЧ сигналы второго диапазона - на входы элементов второй секции антенной решетки; сигналы же частот во взаимно-пересекающейся области полос пропускания ФНЧ и ФВЧ - на входы элементов обеих секций антенной решетки, соответственно.

[15]

В качестве варианта осуществления изобретения предлагается использовать в первом и втором диапазонах передачи используют восьмисекционную всенаправленную антенну с четырьмя секциями на каждый диапазон, при этом расширение рабочей полосы частот обеспечивается (включая, но не ограничиваясь) следующими режимами возбуждения входов:

[16]

1) сигналы на входах смежных 1-го, 2-го, 3-го и 4-го элементов в каждой секции смещают относительно друг друга на +90°;

[17]

2) сигналы на входах смежных 1-го, 2-го, 3-го и 4-го элементов в каждой секции смещают относительно друг друга на -90°;

[18]

3) сигналы на входах двух противоположных элементов обеспечивают синфазными, ортогональные им элементы не возбуждают,

[19]

что обеспечивает формирование четырех независимых диаграмм направленности.

[20]

Устройство, реализующее заявляемый способ, предполагает использование в качестве секционных элементов во всенаправленной кольцевой антенной решетке с поворотной симметрией, выполненной на основе излучателей, равномерно расположенных на цилиндрической опоре, логопериодических антенн вертикальной поляризации первого и второго частотных диапазонов соответственно. Элементы первой и второй секций размещены на опоре поочередно и подключены к ЧРУ, обеспечивающим, с частичным перекрытием, разделение первого и второго диапазонов и имеющим каждое один вход и два выхода, так что к выходам ЧРУ подключены соответствующие входы двух смежных излучателей, а входы ЧРУ образуют входы решетки.

[21]

В другом варианте входы упомянутой широкополосной всенаправленной кольцевой антенной решетки, содержащей 8 излучателей, подключаются к четырем передатчикам или приемникам через диаграммообразующее устройство, обеспечивающее значения нормированного вектора комплексных амплитуд напряжений на входах решетки [1, -i, -1, i], [-i, 1, i, -1], [-i, 0, -i, 0], [0, -i, 0, -i] для 1-го, 2-го, 3-го и 4-го передатчика (приемника) соответственно, где i - мнимая единица, что обеспечивает формирование четырех независимых диаграмм направленности.

[22]

Краткое описание рисунков

[23]

Изобретение поясняется чертежами.

[24]

На фиг. 1 изображена схематически предлагаемая широкополосная всенаправленная антенная решетка, вид сверху; в данном случае решетка содержит 8 излучателей.

[25]

На фиг. 2 предлагаемая антенная решетка изображена схематически в аксонометрии.

[26]

На фиг. 3 представлена схема подключения излучателей к частотно-разделительным устройствам.

[27]

На фиг. 4 изображена схема подключения антенной решетки к диаграммообразующему устройству.

[28]

На фиг. 5 изображена схема варианта диаграммообразующего устройства.

[29]

На фиг.6…8 приведены диаграммы направленности в горизонтальной плоскости для конкретного варианта 8-элементной решетки.

[30]

Описание примеров осуществления изобретения

[31]

Широкополосная всенаправленная антенная решетка (фиг. 1 и 2) представляет собой кольцевую антенную решетку с поворотной симметрией (фиг. 1), излучатели которой 1, 2 равномерно расположены на цилиндрической опоре 3. В качестве излучателей используются логопериодические антенны вертикальной поляризации двух частично перекрывающихся частотных диапазонов - низкочастотного 1 и высокочастотного 2, размещенные на опоре поочередно, так что секции излучателей первого диапазона частот передач расположены между секциями излучателей второго диапазона частот передач. Излучатели подключены (фиг. 3) к частотно-разделительным устройствам 4, обеспечивающим, с частичным перекрытием, разделение низкочастотного и высокочастотного диапазонов. Ширина полосы частот перекрытия высокочастотного и низкочастотного диапазонов лежит в пределах (5…15)% от ширины полосы рабочих частот решетки и уточняется по результатам оптимизации пространственных характеристик конкретной решетки. Частотно-разделительное устройство имеет один вход 5 и два выхода: низкочастотного диапазона 6 и высокочастотного диапазона 7. В качестве частотно-разделительного устройства используется, например, известное устройство типа «вилки фильтров» (Бузов А.Л. УКВ антенны для радиосвязи с подвижными объектами, радиовещания и телевидения. - М.: Радио и связь, 1997), причем ФНЧ подключен между входом частотно-разделительного устройства 5 и выходом низкочастотного диапазона 6, а ФВЧ - между входом частотно-разделительного устройства 5 и выходом высокочастотного диапазона 7. К выходам 6, 7 каждого частотно-разделительного устройства подключены соответствующие входы двух смежных излучателей 1, 2, а входы частотно-разделительных устройств 5 образуют входы решетки.

[32]

В другом варианте (фиг. 4) входы 5 частотно-разделительных устройств, являющиеся входами решетки, содержащей восемь излучателей, подключаются к четырем передатчикам или приемникам через диаграммообразующее устройство 8, обеспечивающее значения нормированного вектора комплексных амплитуд напряжений на его выходах 13, 14, 15, 16 (т.е. на входах решетки) [1, -i, -1, i], [-i, 1, i, -1], [-i, 0, -i, 0], [0, -i, 0, -i] (где i - мнимая единица) при подаче сигналов на входы 9, 10, 11, 12 диаграммообразующего устройства соответственно. В результате обеспечивается формирование четырех независимых диаграмм направленности.

[33]

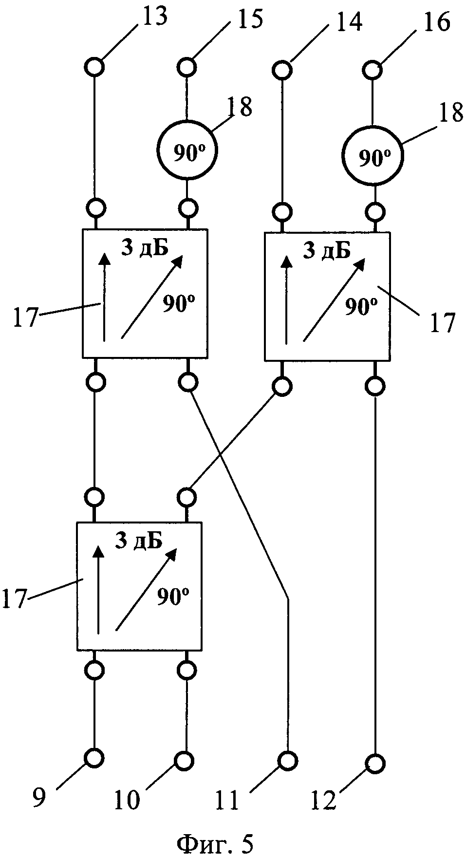
Диаграммообразующее устройство (фиг. 5) построено по известной схеме «усеченной» матрицы Батлера (Бузов А.Л. УКВ антенны для радиосвязи с подвижными объектами, радиовещания и телевидения. - М.: Радио и связь, 1997) и образовано соединением трех широкополосных квадратурных 3 дБ мостовых устройств 17 и двух широкополосных фазосдвигателей 18 с набегом фазы 90°. В результате на выходах 13, 14, 15, 16 формируются амплитудно-фазовые распределения, соответствующие значениям нормированного вектора комплексных амплитуд напряжений [1, -i, -1, i], [-i, 1, i, -1], [-i, 0, -i, 0], [0, -i, 0, -i] (где i - мнимая единица) при подаче сигналов на входы 9, 10, 11, 12 диаграммообразующего устройства соответственно.

[34]

Широкополосная всенаправленная кольцевая антенная решетка работает следующим образом.

[35]

При подаче сигналов на входы частотно-разделительных устройств возбуждаются излучатели, подключенные к их выходам, причем в низкочастотной части низкочастотного диапазона возбуждаются преимущественно излучатели низкочастотного диапазона, в высокочастотной части высокочастотного диапазона - преимущественно излучатели высокочастотного диапазона, а в области частичного перекрытия диапазонов - и те и другие излучатели. При этом формируются характеристики направленности, определяемые амплитудно-фазовым распределением сигналов. Выбором оптимальных геометрических размеров излучателей и решетки в целом, а также частотных характеристик частотно-разделительных устройств обеспечиваются характеристики излучения решетки, близкие к всенаправленным, при различных амплитудно-фазовых распределениях сигналов в том числе - и в области частичного перекрытия частотных диапазонов.

[36]

В варианте широкополосной всенаправленной кольцевой антенной решетки, возбуждаемой через диаграммообразующее устройство, при подаче сигнала на первый вход (9 на фиг. 4) излучатели (пары излучателей в области частичного перекрытия частотных диапазонов) возбуждаются квадратурно, со сдвигом фаз между соседними излучателями (парами излучателей) +90°, при подаче сигнала на второй вход (10 на фиг. 4) излучатели (пары излучателей) возбуждаются квадратурно, со сдвигом фаз между соседними излучателями (парами излучателей) -90°, при подаче сигнала на третий вход (11 на фиг. 4) возбуждаются синфазно два противоположных излучателя (пары излучателей), а остальные два излучателя (пары излучателей) не возбуждаются, при подаче сигнала на четвертый вход (12 на фиг. 4) возбуждаются синфазно два других излучателя (пары излучателей), а оставшиеся два излучателя (пары излучателей) не возбуждаются. Таким образом, реализуется формирование до четырех независимых диаграмм направленности, близких в горизонтальной плоскости к круговым.

[37]

На фиг. 6…8 приведены расчетные диаграммы направленности в горизонтальной плоскости для конкретного варианта 8-элементной решетки, предназначенной для работы в полосе частот 100…520 МГц. Низкочастотный диапазон 100…260 МГц и высокочастотный диапазон 200…520 МГц перекрываются в полосе частот 200…260 МГц, т.е. ширина полосы частот перекрытия высокочастотного и низкочастотного диапазонов в данном случае составляет 14% от ширины рабочей полосы частот решетки.

[38]

На частоте 100 МГц (фиг. 6) возбуждаются преимущественно низкочастотные излучатели, на частоте 230 МГц (фиг. 7) возбуждаются как низкочастотные, так и высокочастотные излучатели, а на частоте 520 МГц (фиг. 8) возбуждаются преимущественно высокочастотные излучатели.

[39]

Сплошные кривые на фиг. 6…8 соответствуют синфазному возбуждению всех четырех входов, штриховые - квадратурному возбуждению четырех входов, а пунктирные - синфазному возбуждению двух противоположных входов (остальные два не возбуждаются).

[40]

Результаты расчетов подтверждают достижение поставленной цели - расширение полосы рабочих частот, поскольку квазикруговая форма диаграмм направленности с приемлемой неравномерностью (не хуже ±4 дБ) при синфазном и квадратурном режимах возбуждения обеспечивается во всей полосе частот, включая область частичного перекрытия высокочастотного и низкочастотного диапазонов, а при синфазном возбуждении двух противоположных излучателей - в большей части указанной полосы частот, за исключением относительно небольшого участка в области верхних частот высокочастотного диапазона.

Как компенсировать расходы
на инновационную разработку
Похожие патенты