патент
№ RU 2702551
МПК A01B35/22

Рабочий орган для рыхления почвы

Авторы:
Захаров Антон Михайлович Семенова Галина Андреевна Сергеев Александр Владимирович
Все (4)
Номер заявки
2019112591
Дата подачи заявки
24.04.2019
Опубликовано
08.10.2019
Страна
RU
Как управлять
интеллектуальной собственностью
Чертежи 
3
Реферат

Рабочий орган для рыхления почвы содержит стойку и долото. С противоположной стороны долота жестко прикреплены к стойке с двух ее противоположных сторон два демпфирующих элемента, на которых выполнены по их длине по три отверстия на равном расстоянии друг от друга для крепления крыльев, которые установлены напротив друг друга в одной горизонтальной плоскости. Между стойкой и демпфирующими элементами установлены с двух сторон стойки элементы, регулирующие ширину захвата. Стойка выполнена в виде полосы, фронтальная часть которой от нижней горизонтальной части стойки через носок выполнена в виде пяти участков, сопряженных между собой. Первый участок, имеющий подъем в 30°относительно горизонтальной части стойки, плавно сопряжен со вторым, имеющим подъем в 40° относительно горизонтальной части стойки. Длины первого и второго участков равны. Третий участок вертикальный. Он сопряжен с четвертым участком, имеющим закругление радиусом, равным 1/2 толщины стойки, и высотой 1/4 высоты стойки. Четвертый участок плавно сопряжен с пятым - высотой 1/2 высоты стойки. Задняя часть стойки, длина которой равна 3/4 ее высоты от верхнего ее обреза, выполнена аналогично фронтальной ее части. Нижняя 1/4 часть стойки – вертикальная. Долото выполнено в виде фигурной полосы, нижний горизонтальный участок которой переходит в первый верхний участок с подъемом в 20°, второй верхний участок с подъемом в 30° и третий верхний участок с подъемом в 40°относительно горизонтального участка. Длины этих участков равны 1/3 верхней длины долота каждый. Соотношение длин участков нижней части долота и длины нижней горизонтальной его части - 1:2:1,3. Нижний горизонтальный участок долота расположен в одной плоскости с крыльями. Обеспечивается повышение качества обработки почвы при различных ее физико-механических характеристиках, исключение сбора сорных растений и их корней в месте перехода от долота к стойке, снижение сопротивления при обработке почвы на глубине более 60 мм. 4 ил.

Формула изобретения

Рабочий орган для рыхления почвы, содержащий стойку, долото, с противоположной стороны которого жестко прикреплены к стойке с двух ее противоположных сторон два демпфирующих элемента, на которых выполнены по их длине по три отверстия на равном расстоянии друг от друга для крепления крыльев, которые установлены напротив друг друга в одной горизонтальной плоскости, при этом между стойкой и демпфирующими элементами установлены с двух сторон стойки регулирующие ширину захвата элементы, отличающийся тем, что стойка выполнена в виде полосы, фронтальная часть которой от нижней горизонтальной части стойки через носок выполнена в виде пяти участков, сопряженных между собой: первый участок, имеющий подъем в 30° относительно горизонтальной части стойки, плавно сопряжен со вторым, имеющим подъем в 40° относительно горизонтальной части стойки, при этом длины первого и второго участков равны, третий участок вертикальный, сопряжен с четвертым участком, имеющим закругление радиусом, равным 1/2 толщины стойки, и высотой 1/4 высоты стойки, четвертый участок плавно сопряжен с пятым - высотой ½ высоты стойки, задняя часть стойки, длина которой равна 1/2 ее высоты от верхнего ее обреза, выполнена аналогично фронтальной ее части, нижняя 1/4 часть стойки - вертикальная, долото выполнено в виде фигурной полосы, нижний горизонтальный участок которой переходит в первый верхний участок с подъемом в 20°, второй верхний участок с подъемом в 30°и третий верхний участок с подъемом в 40°относительно горизонтального участка, при этом длины этих участков равны 1/3 верхней длины долота каждый, соотношение длин участков нижней части долота и длины нижней горизонтальной его части - 1:2:1,3, при этом нижний горизонтальный участок долота расположен в одной плоскости с крыльями.

Описание

[1]

Изобретение относится к сельскохозяйственному машиностроению, в частности к рабочим органам для обработки почвы.

[2]

Известен рабочий орган для рыхления почвы (патент РФ №169104 А 01 В 35/20, А 01 В 35/12, А 01 В 39/20, А 01 В 35/22), содержащий стойку с долотом, жестко закрепленным на башмаке, с которым жестко связан демпфирующий элемент. На демпфирующем элементе жестко закреплены крылья стрельчатой лапы, которые разнесены друг относительно друга: одно крыло закреплено за башмаком, а другое – в конце демпфирующего элемента, выполненного в виде полосы из пружинной стали.

[3]

Недостатками данного рабочего органа для рыхления почвы являются:

[4]

1. Невозможность регулирования ширины захвата рабочего органа в допустимых пределах;

[5]

2. Применение одного демпфирующего элемента в виде полосы из пружинистой стали способствует увеличению габаритных размеров рабочего органа;

[6]

3. Применение одного демпфирующего элемента с двумя крылами при различной плотности почв и увеличении нагрузки на одно из крыльев, второе будет реагировать аналогично, из-за жесткого крепления их к одному демпфирующему элементу.

[7]

Наиболее близким по технической сущности к заявляемому устройству относится рабочий орган для рыхления почвы (патент РФ №182130 A 01 B 35/22), содержащий стойку с долотом, к стойке, с противоположной стороны долота жестко крепятся с двух ее противоположных сторон два демпфирующих элемента. На демпфирующих элементах по их длине выполнены по три пары отверстий, на равном расстоянии друг от друга для жесткого крепления своего крыла. Крылья установлены друг напротив друга в одной горизонтальной плоскости. Между стойкой и демпфирующими элементами установлены с двух сторон стойки элементы регулирующие ширину захвата.

[8]

Недостатки известного рабочего органа для рыхления почвы:

[9]

1. Из-за постоянного значения угла крошения (200) долота не обеспечивается качественная обработка почвы при различных ее физико-механических характеристиках (влажности, плотности и т.д.).

[10]

2. Из-за отсутствия плавного перехода почвы с долота на стойку, на стойке собираются сорные растения и их корни, что приводит к увеличению тягового усилия и, как следствие, расхода топлива.

[11]

3. При обработке почвы на глубине более 60 мм стойка рабочего органа создает дополнительное сопротивление.

[12]

Техническая задача изобретения – повышение качества обработки почвы при различных ее физико-механических характеристиках, исключение сбора сорных растений и их корней в месте перехода от долота к стойке, снижение сопротивления при обработке почвы на глубине более 60 мм.

[13]

Вышеуказанный технический результат достигается тем, что у рабочего органа для рыхления почвы, содержащего стойку, долото, с противоположной стороны которого жестко прикреплены к стойке с двух ее противоположных сторон два демпфирующих элемента, на которых выполнены по их длине по три отверстия на равном расстоянии друг от друга для крепления крыльев, которые установлены напротив друг друга в одной горизонтальной плоскости, при этом между стойкой и демпфирующими элементами установлены с двух сторон стойки регулирующие ширину захвата элементы, согласно изобретению, стойка выполнена в виде полосы, фронтальная часть которой от нижней горизонтальной части стойки через «Носок» выполнена в виде пяти участков сопряженных между собой: первый участок имеющий подъем в 300 относительно горизонтальной части стойки, плавно сопряжен со вторым, имеющим подъем в 400 относительно горизонтальной части стойки, при этом длины первого и второго участков равны, третий участок вертикальный, сопряжен с четвертым участком, имеющим закругление радиусом равным ½ толщины стойки, и высотой 1/4 высоты стойки, четвертый участок плавно сопряжен с пятым - высотой ½ высоты стойки, задняя часть стойки, длина которой равна ¾ ее высоты от верхнего ее обреза, выполнена аналогично фронтальной ее части, нижняя 1/4 часть стойки - вертикальная, долото выполнено в виде фигурной полосы, нижний горизонтальный участок которого переходит в первый верхний участок с подъемом в 200, второй верхний участок с подъемом в 300и третий верхний участок с подъемом в 400относительно горизонтального участка, при этом длины этих участков равны 1/3 верхней длины долота каждый, соотношение длин участков нижней части долота к длине нижней горизонтальной его части - 1:2:1,3, при этом нижний горизонтальный участок долота расположен в одной плоскости с крыльями.

[14]

Изобретение поясняется чертежами.

[15]

На фиг. 1 схематично изображен рабочий орган для рыхления почвы (вид сбоку); на фиг. 2 - рабочий орган для рыхления почвы (вид сверху); на фиг. 3 – стойка рабочего органа для рыхления почвы; на фиг 4 – долото рабочего органа для рыхления почвы.

[16]

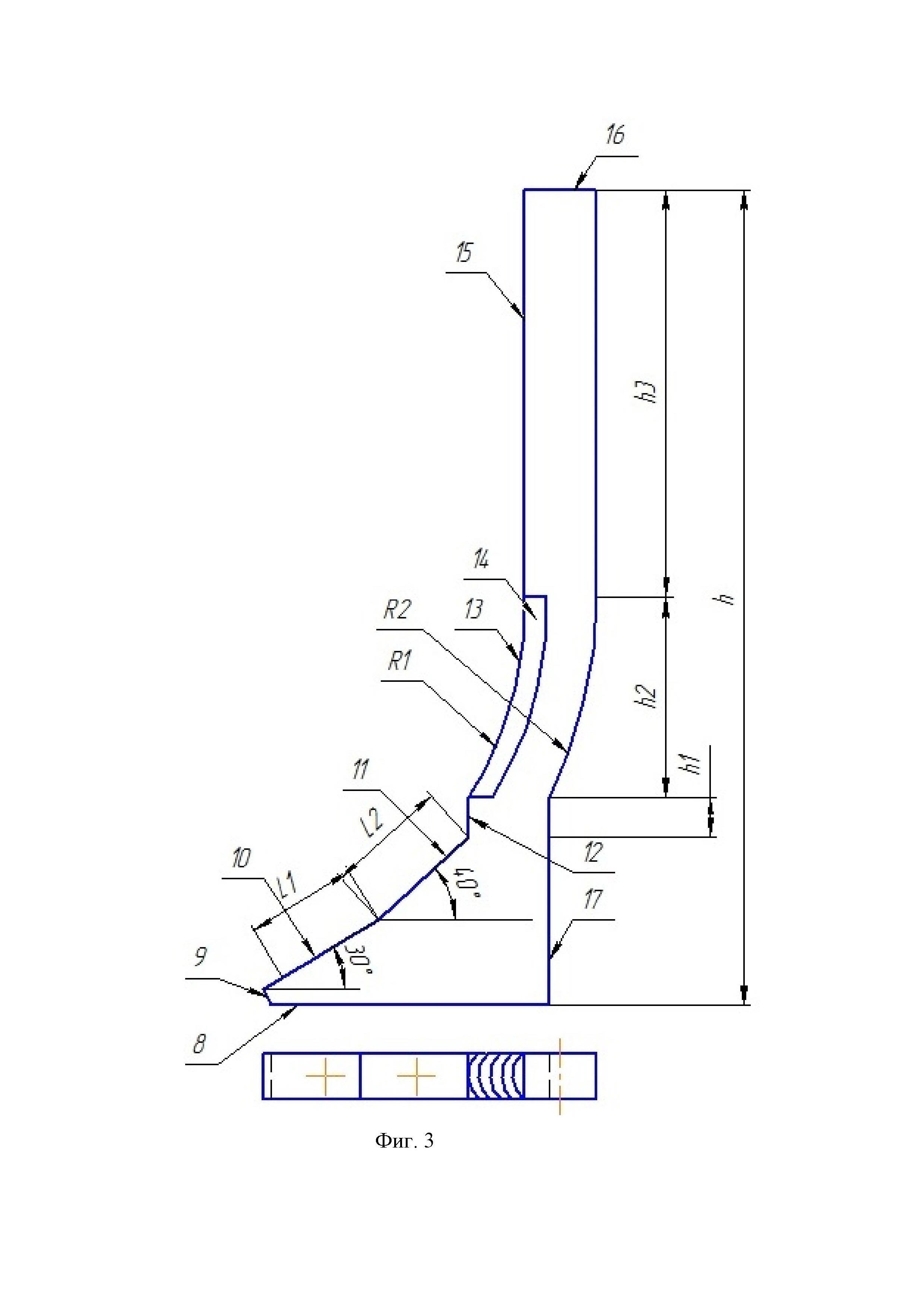
Рабочий орган для рыхления почвы содержит стойку 1, долото 2, с противоположной стороны которого жестко крепятся к стойке 1 с двух ее противоположных сторон два демпфирующих элемента 3, на которых выполнены по их длине по три отверстия 4 на равном расстоянии друг от друга для крепления крыльев 5, которые установлены напротив друг друга в одной горизонтальной плоскости. Между стойкой 1 и демпфирующими элементами 3 установлены с двух сторон стойки 1 регулирующие ширину захвата элементы 6. Стойка 1 выполнена в виде полосы одинаковой толщины, фронтальная часть 7 которой от нижней горизонтальной части 8 стойки 1 через «Носок» 9 выполнена в виде пяти участков сопряженных между собой: первой верхней частью 10 стойки 1 имеет подъем в 300 относительно горизонтальной 8 части стойки 1 и длиной L1 сопрягается с ней второй верхней частью 11, имеющей подъем в 400 относительно горизонтальной 8 части стойки 1 длиной L2. При этом длины этих участков одинаковые L1=L2. Участок 11 переходит в третью вертикальную часть12 стойки 1 высотой h1, сопряженную с четвертой частью 13 стойки 1, имеющей закругление R1, и на которой выполнено закругление 14 радиусом равным ½ толщины стойки 1, и высотой h2=1/4 высоты стойки 1 h. Четверная часть 13 стойки 1 переходит в пятую часть 15 высотой в половину высоты стойки 1 h3=1/2 h, при этом задняя часть стойки 1 от верхнего обреза 16 стойки 1 высотой 3/4 h аналогична фронтальной ее части 13, 15, нижняя четверть 17 стойки 1 – вертикальная. Долото 2 выполнено в виде фигурной полосы, нижний горизонтальный участок 18 которого переходит в первый верхний участок 19 с подъемом в 200 относительно горизонтального участка 18 и длиной L3, сопряженный со вторым верхним участком 20 с подъемом в 300относительно горизонтального участка 18 и длиной L4. Второй участок 20 переходит в третий верхний участок 21 подъемом в 400 относительно горизонтального участка 18 и длиной L5. При этом длины трех участков 9, 20 и 21 равны между собой и составляют 1/3 верхней длинны долота 2. Задняя поверхность долота 22 выполнена под углом 900 относительно горизонтального участка 18. Нижняя часть долота 2 выполнена в виде трех участков: нижнего горизонтального участка 18 и сопряженных с ним и между собой двух участков 23, 24 длиной L6 и L7 соответственно, с углами подъема в 300 и 400относительно горизонтального участка 18, соответственно. Длины участков 18, 23 и 24 нижней части долота 2 соотносятся 1:2:1,3 к длине горизонтальной нижней части 18 долота 2, при этом нижний горизонтальный участок 18 долота 2 расположен в одной горизонтальной плоскости с крыльями 5.

[17]

Долото 2 жестко крепится к стойке 1, при этом его нижняя и задняя 22 поверхности ответны первой 10, второй 11 и третьей 12 частям стойки 1. Верхняя поверхность долота 2 сопрягается заподлицо с поверхностью 13 стойки 1, что приводит к бесступенчатому их соединению и исключает забивание растительными остатками и корневищами.

[18]

Устройство работает следующим образом.

[19]

Рабочий орган заглубляют на заданную глубину и производят рыхление почвы. При встрече рабочего органа с разными по своей плотности и твёрдости слоями почвы, долото 2 имеющее три угла 200, 300, 400 крошения воздействует на нее более эффективно. Эффективность достигается путем ступенчатого, то есть разнонаправленного воздействие на пласт, изменения угла крошения почвы в оптимальных пределах от 200, когда сопротивление почвы резанию минимальное, до 300, за счет плавного, бесступенчатого перехода в месте соединения стойки 1 с долотом 2 и полусферической формы стойки 1 в её фронтальной проекции 13, в месте возможного контакта стойки 1 с почвой обеспечивается снижение сопротивления почвы при обработке её на глубине 60 и более мм.

[20]

Использование рабочего органа позволяет повысить качество обработки почвы при различных ее физико-механических характеристиках, исключить сбор сорных растений и их корней в месте перехода от долота к стойке, снизить сопротивление при обработке почвы на глубине более 60 мм.

Как компенсировать расходы
на инновационную разработку
Похожие патенты