Изобретение относится к электротехнике и может быть использовано в устройствах для электропитания потребителей от системы, содержащей аккумуляторную и фотоэлектрическую батареи, эксплуатируемые длительное время при существенно изменяющихся условиях эксплуатации. Технический результат заключается в упрощении конструкции устройства и повышении надежности для экстремального отбора электрической энергии от солнечной батареи. Технический результат достигается путем расширения диапазона восприятия потока солнечного излучения, оптимизации условий работы солнечной батареи и повышения КПД при дальнейших преобразованиях электрической энергии с целью обеспечения уменьшения ее потерь посредством введения общего измерительного солнечного элемента с транзисторной оптронной парой на выходе, преобразователя напряжение-частота с транзисторной оптронной парой на входе, десятичного счетчика с дешифратором и других элементов, соединенных по определенному алгоритму. 2 ил.
Устройство для экстремального отбора электрической энергии от солнечной батареи, состоящей из последовательно соединенных фотоэлектрических преобразователей, общего аккумулятора и нагрузки, параллельно выходу солнечной батареи включен электрический конденсатор, заряженный до напряжения отбора максимальной мощности солнечной батареи и сообщенный для передачи электрической энергии с преобразователем постоянного напряжения в постоянное, содержащий индуктивность, силовой диод, интегрирующий конденсатор, электронный ключ, генератор прямоугольных импульсов, отличающееся тем, что содержит необходимое количество преобразователей постоянного напряжения в постоянное по числу солнечных батарей, общую измерительную солнечную панель, идентичную по характеристикам основной солнечной батареи, токоограничивающий резистор, преобразователь напряжение-частота, пороговое устройство, дополнительные обратные диоды, резистор для начального смещения, транзисторную оптронную пару, десятичный счетчик с дешифратором, при этом общая измерительная солнечная панель своим выходом последовательно соединена с токоограничивающим резистором и излучающим диодом транзисторной оптронной пары, фототранзистор которой последовательно соединен с резистором начального смещения и источником питания, а общей точкой с входом преобразователя напряжение-частота, который выполнен в виде управляемого линейного генератора прямоугольных импульсов, выход которого соединен со счетным входом десятичного счетчика с дешифратором на выходе, обеспечивающего кольцевое переключение выходов, а выходы этого счетчика с дешифратором соединены с соответствующими входами каждого генератора прямоугольных импульсов каждого преобразователя постоянного напряжения в постоянное, выходы генератора прямоугольных импульсов соединены с затвором полевого транзистора, выполняющего роль электронного ключа, сток этого транзистора соединен с минусом устройства, а исток с первым выводом индуктивности и анодом силового диода, второй вывод индуктивности соединен с общим плюсовым выводом солнечной батареи и электролитического конденсатора большой емкости, катод силового диода соединен с первым выводом интегрирующего конденсатора и анодом обратного диода, а катодами соединены с общим аккумулятором и произвольной нагрузкой.
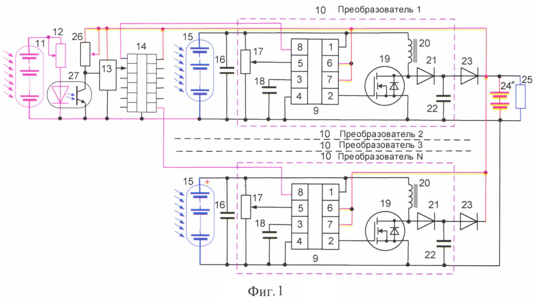
Изобретение относится к электротехнике и может быть использовано в устройствах для электропитания потребителей от системы, содержащей аккумуляторную и фотоэлектрическую батареи, эксплуатируемые длительное время при существенно изменяющихся условиях эксплуатации. Известна «Система электропитания с экстремальным регулированием мощности фотоэлектрической батареи», патент RU №2101831, МПК H02J 7/35. Опубликовано: 10.01.1998. Известная система (фиг. 1) содержит фотоэлектрическую батарею 1, соединенную через последовательный регулятор напряжения 2 с нагрузкой 3, а через зарядное устройство 4 с аккумуляторной батареей 5, подключенной к нагрузке через разрядное устройство 6. Экстремальный регулятор мощности 7 соединен с первым входом первого сумматора 8, второй вход которого подключен к фотоэлектрической батарее, а выход соединен с входом первого усилителя сигнала ошибки 9, выход которого через первый нелинейный элемент 13 соединен с первым входом второго сумматора 11, а через второй нелинейный элемент 20 с входом первого модулятора 14, выход которого подключен к управляющему входу зарядного устройства. Источник опорного напряжения 10 подключен ко второму входу второго сумматора, третий вход которого подключен к нагрузке, а выход через второй усилитель сигнала ошибки 12 и второй модулятор 15 соединен с управляющим входом регулятора напряжения. Текущее напряжение фотоэлектрической батарее UБФ подается на первый сумматор 8, где сравнивается с выходным напряжением экстремального регулятора мощности (UБФОПТ). Сигнал разности (UБФОПТ UБФ) усиливается усилителем сигнала ошибки и поступает на входы нелинейных элементов (в простейшем случае в качестве нелинейных элементов могут быть использованы диоды). Нелинейный элемент 13 пропускает только положительный входной сигнал, а нелинейный элемент 20 только отрицательный. В случае, если мощности, генерируемой фотоэлектрической батареей, достаточно для питания нагрузки, выходное напряжение стабилизирует последовательный регулятор напряжения. Напряжение фотоэлектрической батареи превышает оптимальное значение и определяется текущим балансом мощности в системе, что соответствует оптимальной точке А на ВАХ. Первый сумматор 8, усилитель сигнала ошибки 9 и первый модулятор 14 образуют широтно-импульсный модулятор, управляющий зарядным устройством. Оно стабилизирует напряжение фотоэлектрической батареи в заданном диапазоне. По мнению авторов, при изменении вольтамперной характеристики фотоэлектрической батареи под воздействием дестабилизирующих факторов (температура, старение и т.д.), рабочее (текущее) напряжение поддерживается с помощью силовых устройств, вблизи его оптимального значения, при котором фотоэлектрическая батарея генерирует максимально возможную в данных условиях мощность. Тем самым реализуется режим экстремального регулирования мощности фотоэлектрической батареи. Недостатками данной системы являются низкая надежность и сложность изготовления. Сложность обусловлена наличием большого количества комплектующих аналоговых элементов, которые необходимо настраивать очень точно. Для получения малой погрешности стабилизации напряжения фотоэлектрической батареи в оптимальной точке, величина опорного напряжения должна быть достаточно точной. Низкая надежность обусловлена тем, что даже при достаточно точной настройке аналоговых элементов существует опасность изменения параметров стабилизатора при воздействии дестабилизирующих факторов (температуры, старения, радиации и т.д.). С другой стороны, в описании патента не приведены параметры элементов схемы, что затрудняет повторение такого патента. Наиболее близким к предлагаемому изобретению, взятому за прототип, является «Устройство и способ отбора электрической энергии от солнечной батареи» по патенту РФ №2195754 МПК H02J 7/32, H02J 7/35, Опубл.: 27.12.2002. Бюл. №36. Устройство состоит из солнечной батареи, конденсатора большой емкости, транзисторного ключа, силового диода, индуктивности, интегрирующего конденсатора, аккумуляторной батареи, стабилитрона обратной связи, блока управления, нижнего и верхнего пороговых приспособлений. При необходимости к устройству подсоединялась произвольная нагрузка. В прототипе солнечная батарея (СБ) изготовлена из 15 последовательно-коммутированных фотоэлектрических преобразователей (ФЭП) на основе монокристаллического кремния. При этом максимальные выходные электрические параметры СБ составляли: (без концентрирования) - напряжение холостого хода - 8,1 В; - ток короткого замыкания - 1,6 А; (с концентрированием) - напряжение холостого хода - 8,35 В; - ток короткого замыкания - 6,2 А. В описании патента приводятся типы транзисторного ключа КТ 827 или КТ 829. Это составные транзисторы. Емкость интегрирующего конденсатора во всех случаях составляла 500 мкФ. Стабилитрон обратной связи выбирался из ряда стандартных стабилитронов Д814А - Д814 Г, КС 139, КС147, КС156, КС162, КС170, КС175, КС182, КС 191 таким образом, чтобы напряжение его пробоя равнялось напряжению заряда соответствующего аккумулятора на уровне 90% его зарядной емкости. Блок управления представляет собой генератор прямоугольных импульсов, реализованный на логических элементах серии К561 с к-МОП транзисторными структурами и переходных биполярных транзисторах. Режим работы генератора формируется на основе цифровых сигналов от верхнего и нижнего пороговых устройств, и тока стабилитрона обратной связи. Нижнее и верхнее пороговые устройства представляют собой аналогово-цифровые датчики, реагирующие на величину напряжения и выдающие на выходе соответствующий цифровой сигнал «ноль» или «единица». Пороговые устройства обеспечивают возможность регулирования своих порогов срабатывания в пределах 3-12 В. Ток, потребляемый пороговыми устройствами и блоком управления, зависел от напряжения и составлял соответственно 4-22 мА. В патенте приводится алгоритм работы устройства. При достижении на конденсаторе большой емкости напряжения Uнк срабатывает нижнее пороговое устройство и меняется сигнал на его выходе («единица» на «ноль»). Это изменение сигнала на выходе нижнего порогового устройства не приводит к изменению сигнала на выходе блока управления. При достижении напряжения на конденсаторе большой емкости значения Uвк срабатывает верхнее пороговое устройство, и происходит изменение сигнала на его выходе («единица» на «ноль»). В результате этого на выходе блока управления появляется импульсный сигнал частотой 3,7 кГц, что приводит к поочередному закрыванию и открыванию транзисторного ключа. В открытом состоянии транзисторного ключа энергия конденсатора большой емкости переходит в энергию индуктивности. В закрытом состоянии транзисторного ключа энергия, запасенная индуктивностью, через силовой диод поступает в интегрирующий конденсатор и заряжает его до напряжения, равного или большего, чем напряжение заряда аккумуляторной батареи. Поочередное повторение таких циклов обеспечивает электрическую мощность на выходе преобразователя постоянного напряжения. Если эта мощность приводит к возрастанию напряжения на интегрирующей емкости до напряжения пробоя стабилитрона обратной связи, то ток пробоя стабилитрона приводит к уменьшению длительности открывающих импульсов на выходе блока управления и, соответственно, уменьшению мощности на выходе преобразователя напряжения. Напряжение срабатывания верхнего и нижнего пороговых устройств выбирались равными напряжению точки отбора максимальной мощности солнечной батареи при максимальном и минимальном уровнях освещенности в условиях светового дня и конкретном разрешении солнечной батареи. Недостатки прототипа. 1. Конденсатор большой емкости, соединенный параллельно с солнечной батареей, в процессе эксплуатации снижает свои свойства. У конденсатора снижается емкость и возрастает ток утечки. Это влияет на режим работы солнечной батареи. Изменяется напряжение отбора максимальной мощности и снижается энергия отбора максимальной мощности. 2. Авторы в прототипе в качестве транзисторного ключа рекомендуют транзисторы КТ 827 или КТ 829. Это составные транзисторы с большим коэффициентом усиления тока. Но у них существенный недостаток: в режиме насыщения падение напряжения в цепи коллектор-эмиттер достигает 2-х Вольт. Напряжение солнечной батареи порядка 12-ти вольт и потеря 2-х Вольт в преобразователе напряжения существенно влияет на КПД устройства и эффективность отбора максимальной мощности. 3. Аккумуляторные батареи в зависимости от температуры окружающей среды имеют разную ЭДС холостого хода, поэтому необходимо это учитывать при их зарядке. Рекомендуемые в прототипе стабилитроны обратной связи имеют фиксированные значения напряжения стабилизации и фиксированные значения сигнала обратной связи. Эти факторы не учитывают температурных колебаний, что снижает эффективность отбора максимальной мощности. Техническим результатом заявляемого изобретения является упрощение конструкции устройства и повышение надежности для экстремального отбора электрической энергии от солнечной батареи путем расширения диапазона восприятия потока солнечного излучения, оптимизации условий работы солнечной батареи и повышения КПД при дальнейших преобразованиях электрической энергии, обеспечить уменьшение ее потерь посредством введения общего измерительного солнечного элемента с транзисторной оптронной парой на выходе, преобразователь напряжение-частота с транзисторной оптронной парой на входе, десятичного счетчик с дешифратором и других элементов соединенных по определенному алгоритму. Технический результат достигается тем, что устройство для экстремального отбора электрической энергии от солнечной батареи, состоящей из последовательно соединенных фотоэлектрических преобразователей, общего аккумулятора и нагрузки, параллельно выходу солнечной батареи включенный электрический конденсатор, заряженный до напряжения отбора максимальной мощности солнечной батареи и сообщенный для передачи электрической энергии с преобразователем постоянного напряжения в постоянное, содержащий индуктивность, силовой диод, интегрирующий конденсатор, электронный ключ, генератор прямоугольных импульсов, согласно изобретению, содержит необходимое количество преобразователей постоянного напряжения в постоянное по числу солнечных батарей, общую измерительную солнечную панель, идентичную по характеристикам основной солнечной батареи, токоограничивающий резистор, преобразователь напряжение-частота, пороговое устройство, дополнительные обратные диоды, резистор для начального смещения, транзисторную оптронную пару, десятичный счетчик с дешифратором, при этом общая измерительная солнечная панель своим выходом последовательно соединена с токоограничивающим резистором и излучающим диодом транзисторной оптронной пары, фототранзистор которой последовательно соединен с резистором начального смещения и источником питания, а общей точкой с входом преобразователя напряжение-частота, который выполнен в виде управляемого линейного генератора прямоугольных импульсов, выход которого соединен со счетным входом десятичного счетчика с дешифратором на выходе обеспечивающий кольцевое переключение выходов, а выходы этого счетчика с дешифратором соединены с соответствующими входами каждого генератора прямоугольных импульсов каждого преобразователя постоянного напряжения в постоянное, выходы генератора прямоугольных импульсов соединены с затвором полевого транзистора выполняющего роль электронного ключа, сток этого транзистора соединен с минусом устройства, а исток с первым выводом индуктивности и анодом силового диода, второй вывод индуктивности соединен с общим плюсовым выводом солнечной батареи и электролитического конденсатора большой емкости, катод силового диода соединен с первым выводом интегрирующего конденсатора и анодом обратного диода, а катодами соединены с общим аккумулятором и произвольной нагрузкой. Новизна заявляемого предложения обусловлена тем, что содержит необходимое количество преобразователей постоянного напряжения в постоянное по числу солнечных батарей, дополнительно введены общая измерительная солнечная панель, идентичная по характеристикам основной солнечной батареи, токоограничивающий резистор, преобразователь напряжение-частота, пороговое устройство, дополнительные обратные диоды, резистор для начального смещения, транзисторная оптронная пара, десятичный счетчик с дешифратором, причем общая измерительная солнечная панель своим выходом последовательно соединена с токоограничивающим резистором и излучающим диодом транзисторной оптронной пары, фототранзистор которой последовательно соединен с резистором начального смещения и источником питания, а их общей точкой с входом преобразователя напряжение-частота, который представляет собой управляемый линейный генератор прямоугольных импульсов, (например, типа КР110811111), выход последнего соединен со счетным входом десятичного счетчика с дешифратором на выходе обеспечивающий кольцевое переключение выходов (например, типа К561ИЕ8), а выходы этого счетчика дешифратора соединены с соответствующими входами каждого генератора прямоугольных импульсов (например, К1156ЕУ5А) каждого преобразователя постоянного напряжения в постоянное, выходы генератора прямоугольных импульсов соединены с затвором полевого транзистора выполняющего роль электронного ключа, сток этого транзистора соединен с минусом устройства, а исток с первым выводом индуктивности и анодом силового диода, второй вывод индуктивности соединен с общим плюсовым выводом солнечной батареи и электролитического конденсатора большой емкости, катод силового диода соединен с первым выводом интегрирующего конденсатора и анодом обратного диода, а катодами соединены с общим аккумулятором и произвольной нагрузкой. По данным научно-технической и патентной литературы авторам не известно техническое решение, представляющее собой новую совокупность признаков, направленное на достижение технического результата, и это решение не вытекает с очевидностью из известного уровня техники, что позволяет сделать вывод о соответствии решения изобретательскому уровню. Связь этих технических решений подчеркивает соответствие критерию «изобретательский уровень». Сущность изобретения поясняется чертежом. На фигуре 1 представлена функциональная схема для экстремального отбора электрической энергии от солнечной батареи; на фигуре 2- представлена структурная схема микросхемы КР1156ЕУ5 из книги Кольцова И.Л. Устройство для экстремального отбора электрической энергии от солнечной батареи содержит выводы с 1 по 8 генератора прямоугольных импульсов 9 с широтно импульсной модуляцией (ШИМ), преобразователь постоянного напряжения в постоянное 10, общую измерительную солнечную панель 11, токоограничивающий резистор 12, преобразователь напряжение-частота 13, десятичный счетчик с дешифратором 14, солнечную батарею 15, электролитический конденсатор большой емкости 16, пороговое устройство 17, частотозадающий конденсатор 18, электронный ключ в виде полевого транзистора 19, индуктивность 20, силовой диод 21, интегрирующий конденсатор 22, обратный диод 23, общий аккумулятор 24, нагрузку 25, резистор для начального смещения 26, транзисторную оптронную пару 27. Устройство для экстремального отбора электрической энергии на фигуре 1 содержит несколько преобразователей постоянного напряжения в постоянное: преобразователь 1, преобразователь 2… преобразователь N (по количеству солнечных батарей и выходов десятичного счетчика с дешифратором 14). Общая измерительная солнечная панель 11 своим выходом последовательно соединена с токоограничивающим резистором 12 и излучающим диодом транзисторной оптронной пары 27, фототранзистор которой последовательно соединен с резистором начального смещения 26 и источником питания, а их общей точкой с входом преобразователя напряжение-частота 13, который представляет собой управляемый линейный генератор прямоугольных импульсов, (например, типа КР1108ПП1, КР1143ПП1 или AD654), выход последнего соединен со счетным входом десятичного счетчика 14 с дешифратором на выходе обеспечивающий кольцевое переключение выходов (например, типа К561ИЕ8), а выходы этого счетчика дешифратора соединены с соответствующими входами 8 каждого генератора прямоугольных импульсов 9 (например, К1156ЕУ5А) каждого преобразователя 10 постоянного напряжения в постоянное, выходы 2 генератора 9 прямоугольных импульсов соединены с затвором полевого транзистора 19 выполняющего роль электронного ключа, сток этого транзистора соединен с минусом устройства, а исток с первым выводом индуктивности 20 и анодом силового диода 21, второй вывод индуктивности 20 соединен с общим плюсовым выводом солнечной батареи 15 и электролитического конденсатора большой емкости 16, катод силового диода 21 соединен с первым выводом интегрирующего конденсатора 22 и анодом обратного диода 23, а катодами соединены с общим аккумулятором 24 и произвольной нагрузкой 25. Общая измерительная солнечная панель 11 и солнечная батарея 15 идентичны между собой. Однако измерительная солнечная панель 11 является маломощной и содержит небольшое количество солнечных элементов. Элементы измерительной солнечной панели размещены рядом с солнечной батареей 15 так, чтобы вольтамперные характеристики обеих групп были подобны, и обеспечивалось одинаковое влияние на эти характеристики температуры и освещенности окружающей среды. Токоограничивающий резистор 12, пороговое устройство 17 и резистор начального смещения 26 представляют собой многооборотные резисторы переменные проволочные, например, типа СП5-35. Они обладают высокой разрешающей способностью. Преобразователь напряжение-частота 13 представляет собой управляемый линейный генератор прямоугольных импульсов, например, типа КР1108ПП1, КР1143ПП1 или AD654. Десятичный счетчик с дешифратором 14, например, типа К561ИЕ8 в своей структуре микросхема имеет счетчик Джонсона (пятикаскадный) и дешифратор, позволяющий переводить код в двоичной системе, в электрический сигнал, появляющийся последовательно по «кольцу» на одном из десяти выходов счетчика. Электронный ключ в виде полевого транзистора 19, например типа КП723Г или КП812А. Эти транзисторы имеют малое напряжение насыщения в открытом состоянии, что снижает потери при преобразовании и повышает КПД устройства. Силовой диод 21 работает в импульсном режиме при большой частоте, поэтому уместно применение диода большой мощности с барьером Шоттки, например, КД2998А, КД2998Б или аналогичный. Обратный диод 23 защищает общий аккумулятор 24 от саморазряда и выбирается по номинальному току заряда аккумулятора. Генератор прямоугольных импульсов 9 это интегральная микросхема управления, например, типа К1156ЕУ5А, содержащая основные функции, требуемые для DC/DC конвертеров [http://www.sitsemi.m/kat/1156eu5.pdf|. Предварительные замечания. В книге: Кольцов И.Л. 33 схемы на микросхеме КР1156ЕУ5 / М: АЛЬТЕКС, - 2005, 206 с. (https://radiosovet.ru/book/mikroelectronik/2627-33-shemy-na-mikrocheme-kr1156eu5.html) приведены результаты исследования микросхемы КР1156ЕУ5 в разных режимах. Структурная схема микросхемы КР1156ЕУ5 в этой книги приведена на рисунке 1.2 (страница 8) и на фигуре 2 заявки. Особенность коммутирующего (ключевого) элемента микросхемы состоит в том, что он образован двумя биполярными транзисторами VT1 и VT2. Они могут быть включены по схеме составного транзистора с общим эмиттером (схема Дарлингтона, вывод 2). Требуемый базовый ток выходного транзистора VT1 (вывод 1) обеспечивается с помощью согласующего (предвыходного) транзистора VT2 (вывод 8). Суммарный коэффициент передачи тока в этом случае может достигать 10000 и более. Поэтому даже при максимальном рабочем токе через выходной транзистор (коммутирующий элемент) схема управления нагружается незначительно. В частности в книге показано, что при напряжении на входе (вывод 5) меньше 1,25 В транзисторы VT1 и VT2 закрыты, а при большем значении напряжения они открываются и начинается генерация частоты и преобразование напряжения. Напряжение срабатывания внутреннего компаратора микросхемы (UСРАБ), измеренное в статическом режиме, оказалось в пределах 1,270.-1,280 В, а в динамическом режиме, когда к выводу 3 подключен конденсатор С=10 мкФ, UСРАБ стало 1,293 В. Исходя из этих рекомендаций, настраиваем пороговое устройство 17 таким образом, что бы при максимальной освещенности напряжение на выводе 5 микросхемы было более 1,293 В. Узел общей измерительной солнечной панели 11 предварительно настраивается следующим образом: при начальном солнечном освещении солнечных элементов 11 токоограничивающим резистором 12 устанавливается ток излучающего диода транзисторной оптронной пары 27 таким образом, чтобы фототранзистор 27 был в закрытом (непроводящем) состоянии. Резистором начального смещения 26 устанавливаем начальную частоту преобразователь напряжение-частота 13 на расчетное значение (например, 5,0 кГц). Фототранзистор оптронной пары 27 при этом закрыт. Устройство для экстремального отбора электрической энергии от солнечной батареи, работает следующим образом. По мере возрастания освещенности на поверхности измерительной солнечной панели 11 и солнечной батареи 15 их ЭДС и напряжение растет. При определенном значении этого напряжения преобразователь напряжение-частота 13 начинает генерировать прямоугольные импульсы определенной частоты, которые поступают на счетный вход десятичного счетчика с дешифратором 14. Последний производит пересчет импульсов и выдает последовательность выходных импульсов на выводы 8 (коллектор согласующего (предвыходного) транзистора VT2) генератора прямоугольных импульсов 9 каждого преобразователя с первого по десятый. Преобразование напряжения не происходит, так как напряжение солнечных батарей 15 и конденсаторов 16 мало. На входе (вывод) 5 напряжение ниже критического 1,25 Вольта. При дальнейшем увеличении освещенности растет напряжение на измерительной солнечной панели 11 и солнечной батареи 15. Рост напряжения на измерительной солнечной панели 11 приводит к увеличению тока через токоограничивающий резистор 12, излучающий диод транзисторной оптронной пары 27, который начинает излучать энергию, приоткрывая фототранзистор этой оптронной пары. Потенциал на входе преобразователь напряжение-частота 13 снижается и снижается частота преобразования на его выходе, которая поступает на счетный вход десятичного счетчика с дешифратором 14. Одновременно растет и напряжение на солнечных батареях 15, конденсаторах 16, выходах пороговых устройств 17 и на входах 5 генераторов прямоугольных импульсов 9. Как только это напряжение достигает критического значения 1,293 В, а на вход 8 соответствующей микросхемы 9 поступает разрешающий импульс от десятичного счетчика с дешифратором 14, начинается процесс генерации и преобразования максимальной энергии от солнечной батареи 15 и электролитического конденсатора 16, до тех пор, пока напряжение на входе 5 микросхемы 9 не уменьшится ниже 1,28 В. Происходит поочередной отбор максимальной мощности от каждой солнечной батареи 15, по сигналу от десятичного счетчика с дешифратором 14 и передача этой мощности общей аккумуляторной батареи 24 и нагрузке 25. Включение генераторов прямоугольных импульсов 9 происходит по «кольцу» и каждая солнечная батарея 15 и электролитический конденсатор 16 через электрический ключ 19 в виде полевого транзистора 19 и индуктивности 20 максимально повышает напряжение и через силовой диод 21 заряжает свой интегральный конденсатор 22 и далее через обратные диоды 23 общий аккумулятор 24. Нагрузка 25 может быть постоянного тока или в виде инвертора для работы параллельно с сетью. Таким образом, при низкой освещенности измерительной солнечной панели 11 и солнечной батареи 15 мала запасенная энергия электролитического конденсатора 16. Поэтому переключение преобразователей постоянного напряжения в постоянное 10 происходит чаще. При высокой освещенности солнечной батареи 15 возрастает энергия, запасенная электролитическим конденсатором 16. Увеличивается и время экстремального отбора электрической энергии. Вследствие этого снижается частота переключения солнечных батарей 15 и электролитических конденсаторов 16 для полного извлечения этой энергии.