Полезная модель относится к конструкции верхнего строения железнодорожного пути, в частности к элементу узла промежуточного рельсового скрепления, а именно к карточке пучинной, предназначенной для выравнивания по высоте рельсовых путей. Техническим результатом настоящей полезной модели является повышение надежности крепления карточки пучинной к шпале за счет конструктивных особенностей решения, а также расширение арсенала технических средств. Технический результат достигается при использовании карточки пучинной, выполненной в виде плоской полимерной пластины прямоугольной формы с отверстиями, где ширина пластины соответствует ширине прокладки нашпальной промежуточного рельсового скрепления, под которую она устанавливается, а диаметр каждого отверстия соответствует диаметру элемента крепления, при этом карточка пучинная имеет пять отверстий, причем первое, второе и третье отверстия расположены так, что при установке карточки пучинной на шпалу они размещены с внутренней стороны рельсовой колеи, а четвертое и пятое отверстия расположены так, что при установке карточки пучинной на шпалу они размещены с внешней стороны рельсовой колеи. Первое и второе отверстия расположены на одной линии вдоль короткой стороны карточки пучинной, а третье отверстие расположено между первым и вторым отверстиями, при этом расстояние между третьим и четвертым отверстиями вдоль длинной стороны карточки пучинной больше, чем расстояние между вторым и пятым отверстиями вдоль длинной стороны карточки пучинной. Оси указанных отверстий смещены относительно друг друга и смещены вдоль короткой стороны карточки пучинной. 3 з.п. ф-лы, 3 ил.
1. Карточка пучинная, выполненная в виде плоской полимерной пластины прямоугольной формы с отверстиями, где ширина пластины соответствует ширине прокладки нашпальной, под которую она устанавливается, а диаметр каждого отверстия соответствует диаметру элемента крепления, отличающаяся тем, что карточка пучинная содержит пять отверстий, где первое, второе и третье отверстия расположены так, что при установке карточки пучинной на шпалу они размещены с внутренней стороны рельсовой колеи, а четвертое и пятое отверстия расположены так, что при установке карточки пучинной на шпалу они размещены с внешней стороны рельсовой колеи, причем первое и второе отверстия расположены на одной линии вдоль короткой стороны карточки пучинной, а третье отверстие расположено между первым и вторым отверстиями, расстояние между третьим и четвертым отверстиями вдоль длинной стороны карточки пучинной больше, чем расстояние между вторым и пятым отверстиями вдоль длинной стороны карточки пучинной, а оси указанных отверстий смещены относительно друг друга и смещены вдоль короткой стороны карточки пучинной таким образом, что сначала расположено первое отверстие, затем четвертое, третье, пятое и второе отверстия, при этом первое, второе и пятое отверстия расположены так, чтобы посредством проходящих через них крепежных элементов закрепить к шпале подошву рельса, подкладку и карточку пучинную, а третье и четвертое отверстия расположены так, чтобы посредством проходящих через них крепежных элементов закрепить к шпале подкладку и карточку пучинную. 2. Карточка пучинная по п. 1, отличающаяся тем, что она выполнена с шириной, равной 170±5 мм, и длиной, равной 310±5 мм. 3. Карточка пучинная по п. 1, отличающаяся тем, что диаметр каждого отверстия выполнен равным 25-30 мм. 4. Карточка пучинная по п. 1, отличающаяся тем, что расстояние от первого отверстия до границы боковой части карточки пучинной по ее короткой стороне и расстояние от второго отверстия до противоположного торца карточки пучинной по ее короткой стороне равно 37,5±0,5 мм; расстояние по короткой стороне карточки пучинной между первым и вторым отверстиями равно 95±0,5 мм; расстояние по короткой стороне карточки пучинной между вторым и третьим отверстиями равно 32,5±0,5 мм; расстояние по короткой стороне карточки пучинной между первым и четвертым отверстиями равно 17,5±0,5 мм; расстояние по короткой стороне карточки пучинной между вторым и четверым отверстиями равно 77,5±0,5 мм; расстояние по короткой стороне карточки пучинной между вторым и пятым отверстиями равно 15±0,5 мм; расстояние по короткой стороне карточки пучинной между третьим и пятым отверстиями равно 17,5±0,5 мм; расстояние по короткой стороне карточки пучинной между четвертым и пятым отверстиями равно 62,5±0,5 мм.
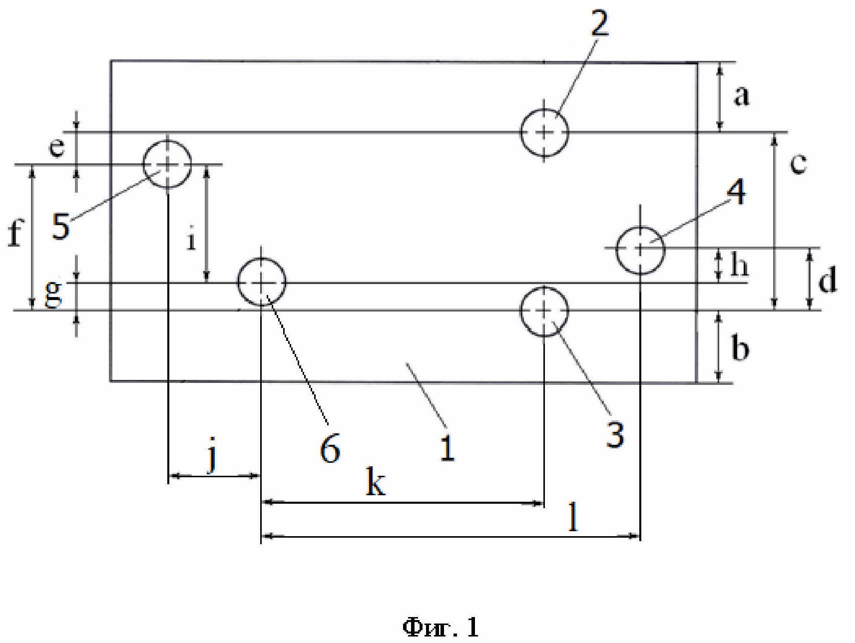
Область техники Полезная модель относится к конструкции верхнего строения железнодорожного пути, в частности к элементу узла промежуточного рельсового скрепления, а именно к карточке пучинной, предназначенной для выравнивания по высоте рельсовых путей. Уровень техники Согласно «Правилам технической эксплуатации железных дорог Российской Федерации», утвержденным приказом Минтранса Российской Федерации от 23.06.2022 г. №250, рельсы на прямых участках должны быть расположены по уровню с нулевым возвышением одной рельсовой нити над другой. Однако в результате замерзания воды, содержащейся в грунтах земляного полотна, происходит сплошное вспучивание полотна или образование на пути отдельных пучин (пучинного горба, пучинной впадины, пучинного перепада, перекосной пучины, односторонней пучины), иногда расположенных вблизи один от другого, но чаще разделенных значительными интервалами. В некоторых случаях пучины образуются только под одним рельсом, что приводит к возникновению угрозы безопасности движения поездов. Наиболее распространенной конструкцией промежуточного рельсового скрепления на пути с деревянными шпалами является костыльное скрепление. Выравнивание железнодорожного пути на пучинистых участках с костыльным скреплением производят посредством использования пучинных подкладок: башмаков, нашпальников, карточек пучинных и т.д. Карточки пучинные укладывают при исправлении пути на пучинах высотой до 25 мм. Рельсы разного типа имеют разную ширину подошвы, грузонапряженность и прочие технические характеристики и предполагают прикрепление к шпале посредством определенного количества крепежных элементов, которые соединяют вместе элементы рельсового скрепления, в том числе подкладку и устанавливаемую под нее карточку пучинную. Известна конструкция карточки пучинной («Инструкция по текущему содержанию железнодорожного пути», утв. Распоряжением ОАО «РЖД» №2288р от 14.11.2016 г., интернет-ресурс https://www.tdesant.ru/info/item/189, просмотрено 28.07.2022 г.), принятая за наиболее близкий аналог к заявляемому решению, представляющая собой плоскую деталь прямоугольной формы, выполненную из листовой стали, древесины или полимерных материалов, при этом карточка пучинная содержит отверстия диаметром 25 мм для ее прикрепления к шпале. Ширина указанной карточки пучинной соответствует ширине нашпальной прокладки, под которую она устанавливается. Диаметр отверстий соответствует диаметру поперечного сечения костылей, с помощью которых карточка пучинная закрепляется к шпале. Рассмотренные карточки пучинные укладывают на прямых и кривых участках пути при исправлении пути на пучинах высотой до 25 мм. Установка карточек пучинных предполагает демонтаж рельсового скрепления и его повторное закрепление к шпале. От расположения отверстий на подкладках и соответственно на карточках пучинных, через которые проходят крепежные элементы для повторного закрепления всего рельсового узла на шпале, зависит качество выравнивания рельсовых путей с учетом состояния почвы местности и природных условий, что в целом отражается на повышении безопасности движения поездов. Технической проблемой заявляемой полезной модели является дальнейшее совершенствование конструкции наиболее близкого аналога, что ведет к необходимости создания карточки пучинной, позволяющей повысить срок эксплуатации рельсошпальной решетки и безопасность движения подвижных составов. Раскрытие сущности полезной модели Техническим результатом настоящей полезной модели является повышение надежности крепления карточки пучинной к шпале за счет конструктивных особенностей решения, а также расширение арсенала технических средств. Технический результат достигается при использовании карточки пучинной, выполненной в виде плоской полимерной пластины прямоугольной формы с отверстиями, где ширина пластины соответствует ширине прокладки нашпальной промежуточного рельсового скрепления, под которую она устанавливается, а диаметр каждого отверстия соответствует диаметру элемента крепления, при этом карточка пучинная имеет пять отверстий, где первое, второе и третье отверстия расположены в одной части карточки пучинной так, что при установке карточки пучинной на шпалу они размещены внутри колеи, а четвертое и пятое отверстия расположены в другой части карточки пучинной так, что при установке карточки пучинной на шпалу они размещены снаружи колеи. Первое и второе отверстия расположены на одной линии вдоль короткой стороны карточки пучинной, а третье отверстие расположено между первым и вторым отверстиями, при этом расстояние между третьим и четвертым отверстиями вдоль длинной стороны карточки пучинной больше, чем расстояние между вторым и пятым отверстиями вдоль длинной стороны карточки пучинной. Оси указанных отверстий смещены относительно друг друга и смещены вдоль короткой стороны карточки пучинной таким образом, что сначала расположено первое отверстие, затем четвертое, третье, пятое и второе отверстия, при этом первое, второе и пятое отверстия карточки пучинной расположены так, чтобы посредством проходящих через них крепежных элементов закрепить к шпале подошву рельса, подкладку и карточку пучинную, а третье и четвертое отверстия карточки пучинной расположены так, чтобы посредством проходящих через них крепежных элементов закрепить к шпале подкладку и карточку пучинную. В частном случае реализации полезной модели карточка пучинная может быть выполнена с шириной, равной 170±5 мм и с длиной, равной 310±5 мм. Диаметр каждого отверстия карточки может быть выполнен равным 25-30 мм В частном случае, расстояние а от первого отверстия до границы боковой части карточки пучинной по ее короткой стороне и расстояние b от второго отверстия до противоположного торца карточки пучинной по ее короткой стороне равно а=b=37,5±0,5 мм; расстояние с по короткой стороне карточки пучинной между первым и вторым отверстиями равно с=95±0,5 мм; расстояние d по короткой стороне карточки пучинной между вторым и третьим отверстиями равно d=32,5±0,5 мм; расстояние е по короткой стороне карточки пучинной между первым и четвертым отверстиями равно е=17,5±0,5 мм; расстояние f по короткой стороне карточки пучинной между вторым и четверым отверстиями равно f=77,5±0,5 мм; расстояние g по короткой стороне карточки пучинной между вторым и пятым отверстиями равно g=15±0,5 мм; расстояние h по короткой стороне карточки пучинной между третьим и пятым отверстиями равно h=17,5±0,5 мм; расстояние i по короткой стороне карточки пучинной между четвертым и пятым отверстиями равно i=62,5±0,5 мм. Расстояния между отверстиями по длинной стороне карточки пучинной могут варьироваться в зависимости от типа используемого рельса - Р50 или Р65, так как указанные рельсы имеют разную ширину подошвы. В частном случае, высота карточки пучинной составляет 1; 1,5; 3,5; 8; 10; 15; 20; 25 мм для возможности выправки пути с различными пучинами. Выполнение у карточки пучинной большего количества отверстий (а именно трех отверстий) на стороне, предназначенной для расположения с внутренней стороны рельсовой колеи по сравнению с количеством отверстий (а именно двух отверстий) на стороне, предназначенной для расположения с внешней стороны рельсовой колеи, способствует более надежной фиксации рельса, так как подвижный состав, проходя по рельсам, стремится «наклонить» их во внешнюю сторону рельсовой колеи. Выполнение у заявляемой карточки пучинной именно трех отверстий с внутренней стороны от рельса и двух отверстий с внешней стороны от рельса обусловлено ее использованием для рельсов типа Р50 и Р65 с шириной подошвы 132 мм и 150 мм соответственно, которые широко используются для стандартных климатических и температурных условий эксплуатации и предназначены для укладки в пути с грузонапряженностью 10-25 миллионов тонно-километров/км в год. Третье и четвертое отверстия расположены относительно рельса типа Р50 или Р65 дальше всех остальных отверстий, так как через указанные отверстия проходят крепежные элементы, которые прикрепляют заявляемую карточку пучинную вместе с подкладкой и нашпальной прокладкой к шпале. Расположение первого и второго отверстий на одной линии вдоль короткой стороны карточки пучинной, а также расположение указанных отверстий ближе к центральной части карточки пучинной позволяет посредством крепежных элементов прикрепить внутреннюю сторону подошвы рельса типа Р50 или Р65 к шпале вместе с подкладкой и нашпальной прокладкой. Расположение пятого отверстия ближе к центральной части карточки пучинной позволяет посредством крепежных элементов прикрепить внешнюю сторону подошвы рельса типа Р50 или Р65 к шпале вместе с подкладкой и нашпальной прокладкой. Смещение осей отверстий карточки пучинной вдоль ее короткой стороны таким образом, что сначала расположено первое отверстие, затем четвертое, третье, пятое и второе отверстия, позволяет более равномерно распределить нагрузку от подвижного состава, которая воздействует на внешнюю и внутреннюю стороны рельса, что в итоге повышает срок службы карточки пучинной и в целом рельсошпальной решетки. Таким образом, за счет размещения в проблемной зоне с пучиной заявляемой карточки пучинной образуется единый узел из надежно связанных между собой всех элементов рельсового скрепления, способных приподнять рельсовую нить типа Р50 или Р65 на необходимую высоту для ее выравнивания и обеспечения высокой эксплуатационной надежности и безопасности движения подвижных составов. Выполнение карточки пучинной из полимерного материала обеспечивает ее больший срок службы и высокую надежность, а также позволяет уменьшить коэффициент трения скольжения по поверхности шпалы при установке такой карточки в состав рельсового скрепления, что дополнительно снижает трудоемкость проведения работ по выравниваю высоты рельсовой нити. В качестве полимерных материалов могут быть использованы армамиды, полиамиды, полиэтилен высокого давления и аналогичные материалы, предназначенные для метода изготовления литьем под давлением. Краткое описание чертежей На фиг. 1 показан вид сверху заявляемой карточки пучинной. На фиг. 2 показан вид сбоку заявляемой карточки пучинной. На фиг. 3 показано рельсовое скрепление с установленной карточкой пучинной. На фигурах приведены следующие обозначения элементов: 1 - карточка пучинная; 2 - первое отверстие карточки пучинной; 3 - второе отверстие карточки пучинной; 4 - третье отверстие карточки пучинной; 5 - четвертое отверстие карточки пучинной; 6 - пятое отверстие карточки пучинной; 7 - подкладка; 8 - нашпальная прокладка; 9 - костыли; 10 - рельс. Заявляемая карточка пучинная 1 (фиг. 1, 2) представляет собой плоскую деталь прямоугольной формы из полимерного материала, которая имеет толщину, выбираемую из ряда от 1 до 25 мм для возможности выправки пути с различными пучинами. При этом она имеет пять отверстий 2, 3, 4, 5, 6 диаметром 25 мм, который соответствует диаметру устанавливаемых крепежных элементов. Первое 2, второе 3, третье 4 отверстия расположены в одной части карточки пучинной 1, при этом при ее установке на шпале указанные отверстия будут расположены с внутренней стороны рельсовой колеи с рельсами типа Р50 или Р65. Четвертое 5 и пятое 6 отверстия расположены в другой части карточки пучинной 1, при этом при ее установке на шпале указанные отверстия будут расположены с внешней стороны рельсовой колеи с рельсами типа Р50 или Р65. Первое отверстие 2 и второе отверстие 3 расположены на одной линии вдоль короткой стороны карточки пучинной 1, а третье отверстие 4 расположено со смещением между указанными отверстиями 1 и 2 так, что в итоге все три отверстия 2, 3, 4 образуют треугольник. Пятое 6 отверстие расположено ниже четвертого отверстия 5 и смещено относительно него в сторону к указанным трем отверстиям 2, 3, 4 так, что по длинной стороне карточки пучинной пятое отверстие 6 и третье отверстие 4 расположены на большем расстоянии, чем отверстия 5 и 2 (или отверстия 5 и 3). Расстояние а от первого 2 отверстия до границы боковой части карточки пучинной по ее короткой стороне и расстояние b от второго 3 отверстия до противоположного торца карточки пучинной по ее короткой стороне равно 37,5 мм. Расстояние с по короткой стороне карточки пучинной между первым 2 и вторым 3 отверстиями равно 95 мм. Расстояние d по короткой стороне карточки пучинной между вторым 3 и третьим 4 отверстиями равно 32,5 мм. Расстояние е по короткой стороне карточки пучинной между первым 2 и четвертым 5 отверстиями равно 17,5 мм. Расстояние f по короткой стороне карточки пучинной между вторым 3 и четверым 5 отверстиями равно 77,5 мм. Расстояние g по короткой стороне карточки пучинной между вторым 3 и пятым 6 отверстиями равно 15 мм. Расстояние h по короткой стороне карточки пучинной между третьим 4 и пятым 6 отверстиями равно 17,5 мм. Расстояние i по короткой стороне карточки пучинной между четвертым 5 и пятым 6 отверстиями равно 62,5 мм. Осуществление полезной модели При обнаружении пучин определяют их размер и изготавливают полимерные карточки пучинные 1 необходимой толщины, выбираемой из ряда 1-25 мм. Производят демонтаж рельсового скрепления. Далее карточку пучинную 1 устанавливают на шпалу под нашпальную прокладку 8, затем устанавливают подкладку 7 (фиг. 3). После чего рельсовое скрепление фиксируют обратно с помощью пяти костылей 9, которые проходят через соответствующие отверстия 2, 3, 4, 5, 6 карточки пучинной 1. За счет костылей 9, проходящих через первое 2, второе 3 и пятое 6 отверстия карточки пучинной 1, одновременно к шпале прикрепляют карточку пучинную 1, подошву рельса 10, подкладку 7 и нашпальную прокладку 8. За счет костылей 9, проходящих через третье 4 и четвертое 5 отверстия карточки пучинной 1, одновременно к шпале прикрепляют карточку пучинную 1, подкладку 7 и нашпальную прокладку 8. Таким образом, карточки пучинные 1 позволяют приподнять рельсы типа Р50 и Р65, выравнивая их по высоте. Образовавшиеся пучины в дальнейшем выправляют подбивкой шпал. После выправки железнодорожного пути рельсовое скрепление вновь разбирают, карточки пучинные вынимают, затем скрепление собирают обратно. Устанавливают карточки пучинные в весенний период, когда от таяния почвы возникают пучины. Пример 1. Для рельсов Р50 с костыльными скреплениям используют карточку пучинную с отверстиями диаметром 25 мм, которую устанавливают на шпалу под нашпальную прокладку 8, затем устанавливают подкладку 7 типа Д50 и СД50 с шириной 170 мм. Карточка пучинная имеет длину 310 мм и ширину 170 мм. Расстояние j по длинной стороне карточки пучинной между четвертым 5 и пятым 6 отверстиями составляет 50 мм. Расстояние к по длинной стороне карточки пучинной между пятым 6 и вторым 3 отверстиями составляет 149 мм. Расстояние 1 по длинной стороне карточки пучинной между пятым 6 и третьим 4 отверстиями составляет 200 мм. Пример 2. Для рельсов Р65 с костыльными скреплениям используют карточку пучинную, которую устанавливают на шпалу под нашпальную прокладку 8, затем устанавливают подкладку 7 типа типа Д65, ДН65 и СД65. Карточка пучинная имеет длину 310 мм, 360 мм, 380 мм и ширину 170 мм. Расстояние j по длинной стороне карточки пучинной между четвертым 5 и пятым 6 отверстиями составляет 56 мм при длине карточки 330 мм и 360 мм. Расстояние j по длинной стороне карточки пучинной между четвертым 5 и пятым 6 отверстиями составляет 76 мм при длине карточки 380 мм. Расстояние k по длинной стороне карточки пучинной между пятым 6 и вторым 3 отверстиями составляет 167 мм. Расстояние l по длинной стороне карточки пучинной между пятым 6 и третьим 4 отверстиями составляет 224 мм.