Полезная модель относится к области электроэнергетики и может использоваться в качестве каналообразующей аппаратуры высокочастотных каналов связи по воздушным и кабельным линиям электропередачи высокого напряжения для передачи и приёма сигналов высокочастотных защит и команд релейной защиты и противоаварийной автоматики при их установке на концах защищаемых участков высоковольтных линий. Техническим результатом полезной модели является возможность автоматического поддержания, в ограниченных пределах, постоянства нормируемого значения запаса по перекрываемому затуханию каналообразующей аппаратуры высокочастотных каналов связи при изменении затухания канала в зависимости от сезона времени года, метеоусловий или напряжения питания аппаратуры. Устройство передачи и приёма сигналов высокочастотных защит и команд релейной защиты и противоаварийной автоматики дополнительно включает фильтр низкой частоты (ФНЧ), детектор переполнения (ДП), раздельные цифровые комплексные гетеродины, генераторы промежуточной частоты (ГЕН. Fгет.1) и (ГЕН. Fгет.2), раздельные каналы обработки команд РЗ и ПА и сигналов ВЧ защит, приёмник сигналов команд РЗ и ПА (ПСК РЗ и ПА), селективные вольтметры контрольного сигнала (СВ КС) и сигнала команд (СВ К) и регулятор-анализатор (БРА). 1 ил.
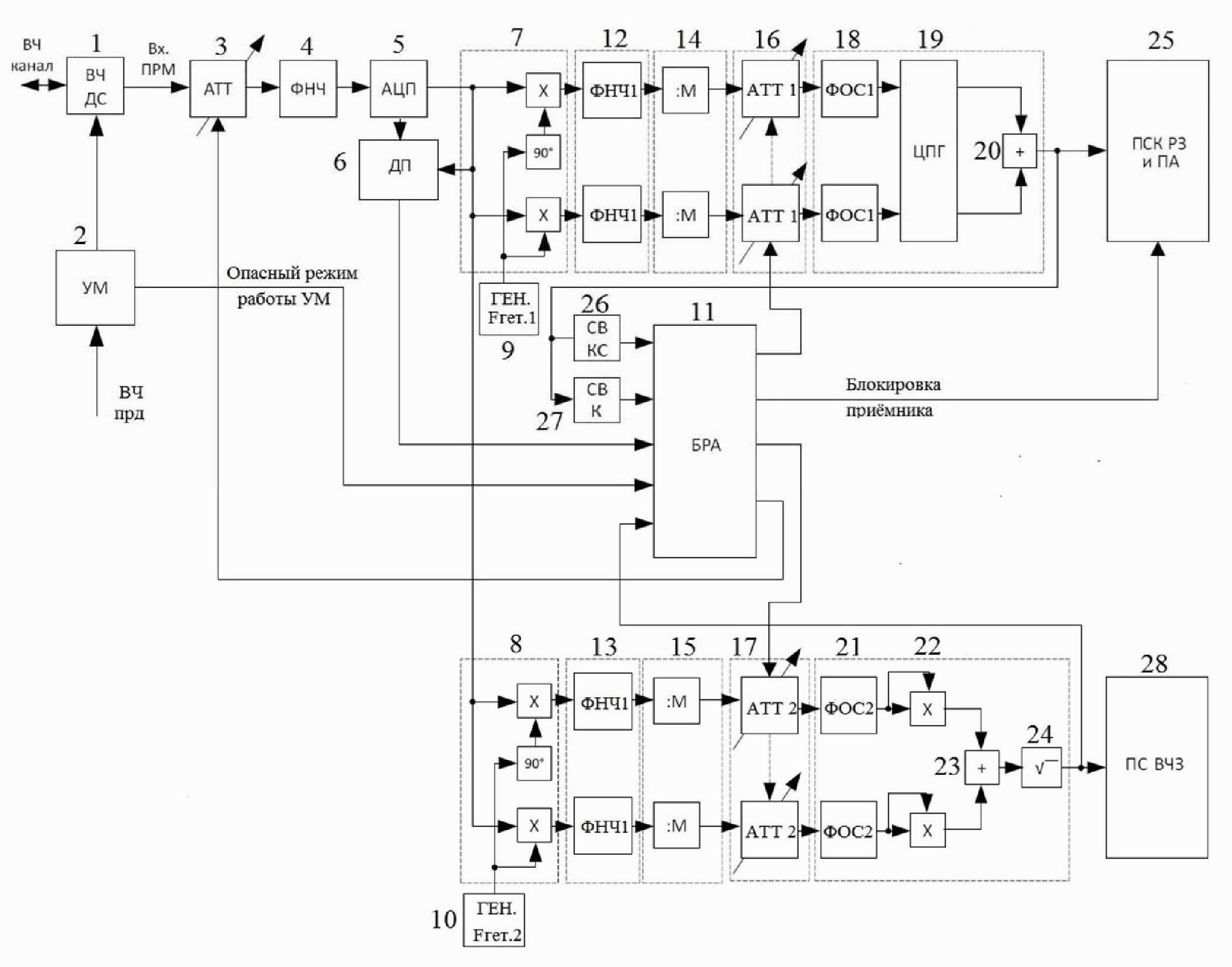
Устройство передачи и приёма сигналов высокочастотных защит и команд релейной защиты и противоаварийной автоматики (РЗ и ПА), имеющее приёмный линейный тракт, содержащий узел высокочастотной дифференциальной системы (ВЧ ДС), на первый вход которого подключен ВЧ-кабелем фильтр присоединения ВЧ-канала связи с передатчиком противоположного конца защищаемого участка линии, а на второй вход - выход усилителя мощности УМ сформированных высокочастотных сигналов передатчика (ВЧ прд), дополнительно между выходом аппаратно и программно регулируемого аттенюатора (АТТ), подключенного своим входом к выходу узла ВЧ ДС, и входом аналого-цифрового преобразователя (АЦП) включен фильтр низкой частоты (ФНЧ), а программный выход АЦП соединен с программным входом детектора переполнения (ДП) АЦП и парными входами раздельных цифровых комплексных гетеродинов, на вторые парные входы которых своими выходами подключены соответствующие генераторы промежуточной частоты (ГЕН. Fгет.1) и (ГЕН. Fгет.2), настроенные каждый на свою фиксированную промежуточную частоту выделенного канала связи для команд РЗ и ПА и сигналов ВЧ защит, причём второй аппаратный выход АЦП подключен к аппаратному входу ДП, а выход ДП к третьему входу регулятора-анализатора (БРА), который своим четвёртым выходом подключен ко второму, управляющему программной регулировкой, входу АТТ, далее парные выходы гетеродинов оцифрованных сигналов связаны с соответствующими парными входами преселекторов-фильтров низких частот (ФНЧ1) своих раздельных каналов обработки команд РЗ и ПА и сигналов ВЧ защит, а парные выходы ФНЧ1 соединены с соответствующими входами пар частотных дециматоров, затем, выходы пар дециматоров включены на первые парные входы соответствующих программно регулируемых аттенюаторов (АТТ1), (АТТ2), а парные выходы АТТ1, АТТ2 на парные входы соответствующих демодуляторов, содержащих в своём составе соответственно фильтры основной селекции (ФОС1), цифровой преобразователь Гилберта (ЦПГ), сумматор и фильтры основной селекции (ФОС2), квадраторы, сумматор, деквадратор, где парные выходы ФОС1 подключены к парным входам ЦПГ, демодулирующего сигналы с одной боковой полосой, парные выходы которого подключены к входам сумматора преобразованных составляющих для команд РЗ и ПА, а парные выходы ФОС2 соединены с входами квадраторов, выходы которых подключены к входам сумматора, связанного своим выходом с входом деквадратора сигналов ВЧ защит, подключенного своим выходом на вход приёмника сигналов ВЧ защит (ПС ВЧЗ) и пятый вход регулятора-анализатора (БРА), причём выход сумматора сигнала команд РЗ и ПА подключен на вход приёмника сигналов команд РЗ и ПА (ПСК РЗ и ПА) и на входы селективных вольтметров контрольного сигнала (СВ КС) и сигнала команд (СВ К), выходы которых подключены к первому и второму входам регулятора-анализатора (БРА), при этом четвёртый вход регулятора-анализатора (БРА) связан с выходом дискретного сигнала опасного режима работы усилителя мощности (УМ) передатчика устройства, регулятор-анализатор (БРА) своим вторым выходом подключен ко второму входу ПСК РЗ и ПА, блокирующему приём команд РЗ и ПА, а первый и третий выходы регулятора-анализатора (БРА) подключены ко вторым парным входам АТТ1 и АТТ2, для программного изменения их затухания, в зависимости от измеренных и декодированных уровней сигналов, поступивших на первый, второй и пятый входы регулятора-анализатора (БРА).
Заявляемая полезная модель относится к области электроэнергетики и может использоваться в качестве каналообразующей аппаратуры высокочастотных каналов связи по воздушным и кабельным линиям электропередачи высокого напряжения для передачи и приёма сигналов высокочастотных защит и команд релейной защиты и противоаварийной автоматики при их установке на концах защищаемых участков высоковольтных линий. Известна аппаратура ООО «Уралэнергосервис» передачи сигналов команд Р3 и ПА АКА «КЕДР», содержащая в составе приёмной части линейного тракта аппаратные аттенюаторы ступенчатой и плавной регулировки чувствительности приёмника, которыми, при первичной наладке канала связи и при дальнейших регламентных профилактических работах, вручную, уменьшая или увеличивая эту чувствительность, по проектным расчётным параметрам, в соответствии со стандартом СТО 56947007-33.060.40.045-2010, жёстко настраивается запас по перекрываемому затуханию. Далее компараторами настраиваются уровни принимаемых сигналов, при снижении до которых срабатывают сигнализации предупреждения или аварии (Руководство по эксплуатации УСК.103.000. 00 - 30 РЭ1 Екатеринбург 2020). Известен приёмопередатчик сигналов и команд релейной защиты и противоаварийной автоматики АВАНТ РЗСК, содержащий приёмный линейный тракт, в состав которого входит дифсистема (ДС), на вход которой подключен ВЧ-кабелем ВЧ-канал, а её выход подключен к входу фильтра приёма (ПФ), осуществляющего предварительную частотную селекцию, выход которого подключен к входу регулируемого аттенюатора приёмника (АТТ), осуществляющему предварительную настройку чувствительности. Выход аттенюатора подключен к входу демодулятора, состоящего из АЦП (аналого-цифрового преобразователя), генератора несущей частоты приёма комплексного умножителя, предварительного широкополосного фильтра (Фильтр ШП). Выход аналого-цифрового преобразователя АЦП подключен к первому входу комплексного умножителя, умножающего принятый ВЧ-сигнал на несущую частоту генератора подключенного своим выходом ко второму входу комплексного умножителя. Выход комплексного умножителя, содержащий сигнал с пониженной частотой, подключен на вход предварительного широкополосного фильтра, в котором осуществляется подавление частот за пределами полосы приёма (Фильтр ШП). Выход широкополосного фильтра одновременно подключен на вход приёмника сигналов защит и вход приёмника команд. На входе приёмника сигналов защит осуществляется регулировка чувствительности защиты путём умножения входного сигнала на коэффициент загрубления. В результате входной сигнал уменьшается на заданную величину. После чего сигнал поступает на вход фильтра блокирующих частот, выделяющего блокирующие частоты и подавляющего все остальные. С выхода этого фильтра сигнал подаётся на выпрямитель-ограничитель, выделяющий огибающую этого сигнала, далее в компаратор (К), где производится сравнение с установленным порогом. При наличии на выходе блокирующего фильтра сигнала блокирующей частоты на выходе компаратора формируется блокирующий сигнал, который подается на согласующее устройство. В согласующем устройстве (СУ) сигнал манипуляции передатчика задерживается на необходимую величину, логически объединяется с сигналом с выхода компаратора приёмника и поступает на выход защит приёмопередатчика. СУ осуществляет компенсацию времени распространения сигнала защиты в тракте. При работе с ВЧБ СУ не используется, сигнал с выхода компаратора приёмника поступает на выходные цепи приёмника защиты, сигналы передатчика не влияют на выходные параметры приёмника. Все регулировки чувствительности и порогов приёмной части этого приёмопередатчика также осуществляются ручной установкой фиксированных значений, соответствующих расчётным, сначала грубо аппаратными средствами регулировки, затем более точно программными уставками, посредством меню человеко-машинного интерфейса (Руководство по эксплуатации. Приёмопередатчик сигналов и команд релейной защиты и противоаварийной автоматики АВАНТ ПБКМ.424325.004.03 РЭ1 с. 36, 37 ООО Прософт-Системы, Екатеринбург). К недостаткам известных устройств следует отнести то, что при увеличении затухания ВЧ-канала и, соответственно, снижении, по каким либо медленно изменяющимся сезонным или погодным условиям, запаса по перекрываемому затуханию, настроенного с загрублением чувствительности приёмника, будет срабатывать сигнализация предупреждения или аварии, но не будет производиться никаких действий по возможной автоматической подстройке, в ограниченных пределах, чувствительности приёмника и поддержке постоянства нормированного значения запаса, хотя имеющееся в некоторых случаях превышение расчётного значения запаса по затуханию над нормируемым позволяет автоматически, в пределах этой разницы, повысить чувствительность приёмника до порога отсечения помех и восстановить нормируемое значение запаса, без ущерба для соотношения сигнал/помеха. Так же и при снижении затухания канала и, соответственно, при увеличении запаса по перекрываемому затуханию необходимо, в соответствии с требованиями стандарта, на всех известных устройствах вручную загрублять приёмник для отсечения приёма увеличивающихся по уровню помех. Ещё одним общим недостатком является отсутствие информации на приёмном конце о величине уровня мощности сигнала передатчика противоположного конца и, следовательно, невозможность отличить увеличение затухания собственно самого канала от снижения уровня выходного сигнала передатчика противоположного конца. Сигнализация снижения уровня выходного сигнала передатчика срабатывает только на приёмопередатчике противоположного конца канала. Технической задачей, на решение которой направлена заявляемая полезная модель, является возможность автоматического поддержания, в ограниченных пределах, постоянства нормируемого значения запаса по перекрываемому затуханию каналообразующей аппаратуры высокочастотных каналов связи при изменении затухания канала в зависимости от сезона времени года, метеоусловий или напряжения питания аппаратуры. Поставленная задача решается за счёт того, что устройство передачи и приёма имеет приёмный линейный тракт, содержащий узел высокочастотной дифференциальной системы (ВЧ ДС), на первый вход которого подключен ВЧ-кабелем фильтр присоединения ВЧ-канала связи с передатчиком противоположного конца защищаемого участка линии, а на второй вход - выход усилителя мощности (УМ) сформированных высокочастотных сигналов своего передатчика (ВЧ прд), дополнительно, между выходом аппаратно и программно регулируемого аттенюатора (АТТ), подключенного своим входом к выходу узла (ВЧ ДС), и входом аналого-цифрового преобразователя (АЦП), включен фильтр низкой частоты (ФНЧ), а программный выход аналогово-цифрового преобразователя (АЦП) соединен с программным входом детектора переполнения (ДП) АЦП и парными входами раздельных цифровых комплексных гетеродинов, на вторые парные входы которых своими выходами подключены соответствующие генераторы промежуточной частоты (ГЕН. Fгет.1) и (ГЕН. Fгет.2), настроенные каждый на свою фиксированную промежуточную частоту выделенного канала связи для команд РЗ и ПА и сигналов ВЧ-защит, причём второй аппаратный выход (АЦП) подключен к аппаратному входу (ДП), а выход (ДП) к третьему входу регулятора-анализатора (БРА), который своим четвёртым выходом подключен ко второму, управляющему программной регулировкой, входу аттенюатора (АТТ), далее парные выходы гетеродинов оцифрованных сигналов связаны с соответствующими парными входами преселекторов-фильтров низких частот (ФНЧ1) своих раздельных каналов обработки команд РЗ и ПА и сигналов ВЧ-защит, а парные выходы (ФНЧ1) соединены с соответствующими входами пар частотных дециматоров (:М), затем, выходы пар дециматоров включены на первые парные входы соответствующих программно регулируемых аттенюаторов (АТТ1), (АТТ2), а парные выходы аттенюаторов (АТТ1), (АТТ2) на парные входы соответствующих демодуляторов, содержащих в своём составе соответственно фильтры основной селекции (ФОС1), цифровой преобразователь Гилберта (ЦПГ), сумматор (+) и (ФОС2), квадраторы (х), сумматор (+), деквадратор (√), где парные выходы (ФОС1) подключены к парным входам (ЦПГ), демодулирующего сигналы с одной боковой полосой, парные выходы которого подключены к входам сумматора (+) преобразованных составляющих для команд РЗ и ПА, а парные выходы (ФОС2) соединены с входами квадраторов (х), выходы которых подключены к входам сумматора (+), связанного своим выходом с входом деквадратора (√) сигналов ВЧ, подключенного своим выходом на вход приёмника сигналов ВЧ-защит (ПС ВЧЗ) и пятый вход регулятора-анализатора (БРА), причём выход сумматора сигнала команд РЗ и ПА подключен на вход приёмника сигналов команд РЗ и ПА (ПСК РЗ и ПА) и на входы селективных вольтметров контрольного сигнала (СВ КС) и сигнала команд (СВ К), выходы которых подключены к первому и второму входам регулятора-анализатора (БРА), при этом четвёртый вход регулятора-анализатора (БРА) связан с выходом дискретного сигнала опасного режима работы усилителя мощности (УМ) своего передатчика комплекса, регулятор-анализатора (БРА) своим вторым выходом подключен ко второму входу приёмника сигналов команд РЗ и ПА (ПСК РЗ и ПА), блокирующему приём команд РЗ и ПА, а первый и третий выходы регулятора-анализатора (БРА) подключены ко вторым парным входам аттенюаторов (АТТ1) и (АТТ2), для программного изменения их затухания, в зависимости от измеренных и декодированных уровней сигналов, поступивших на первый, второй и пятый входы регулятора-анализатора (БРА). Техническим результатом, обеспечиваемым приведённой совокупностью признаков, является автоматическая регулировка чувствительности входных каскадов приёмной части, а соответственно и перекрываемого аппаратурой запаса по затуханию канала, при постоянном, заведомо известном уровне мощности сигнала передатчика на противоположном конце канала, величина которого периодически передаётся в закодированном виде во время постоянной передачи и приёма контрольного сигнала, позволяющая компенсировать влияние на изменение затухания канала связи сезонности времени года и метеоусловий, обеспечивая, таким образом, постоянную нормируемую величину запаса по перекрываемому затуханию канала связи и сигнализацию на приёмном конце канала о снижении уровня выходного сигнала передатчика противоположного конца. Кроме этого, достигается исключение грубых ошибок из-за человеческого фактора, возникающих, например, при настройке чрезмерно высокой чувствительности приёмника при значительном уровне шума в полосе приёма; настройке чрезмерно высокого запаса по перекрываемого затуханию, из-за чего приёмный тракт может работать с искажениями; неправильной настройке расположения рабочей полосы приёма, вследствие чего в полосу приёма могут проникать сигналы собственного передатчика (при сближенных частотах передачи и приёма) или сигналов параллельно работающей в ВЧ-канале ВЧ-аппаратуры. А так же, повышение безопасности работы канала приёма-передачи команд РЗ и ПА за счёт снижения вероятности приёма ложных команд РЗ и ПА, которая существует из-за возможного проникновения в полосу приёма селективных помех со стороны собственного передатчика, со стороны сторонней аппаратуры, и автоматизация процессов при первом включении ВЧ-приёмопередатчика на канал или при выполнении регламентных работ технического обслуживания. Структурная схема приёмной части устройства передачи и приёма сигналов высокочастотных защит и команд релейной защиты и противоаварийной автоматики представлена на чертеже (Фиг.). Все элементы предложенного устройства находятся в общем корпусе, связаны друг с другом конструктивно и функционально посредством монтажных (сборочных) операций. Устройство содержит узел (ВЧ ДС) 1 (высокочастотной дифференциальной системы), на первый вход которого подключен ВЧ-кабелем фильтр присоединения (на схеме не показан) (ВЧ-канала) связи с передатчиком противоположного конца защищаемого участка линии, а на второй вход - выход усилителя мощности (УМ) 2 сформированных высокочастотных сигналов своего передатчика (ВЧ прд). К выходу узла (ВЧ ДС) 1 последовательно подключен аппаратно и программно регулируемый аттенюатор (АТТ) 3, фильтр низкой частоты (ФНЧ) 4, выход которого подключен к входу аналого-цифрового преобразователя (АЦП) 5. Программный выход аналогово-цифрового преобразователя (АЦП) 5 соединен с программным входом детектора переполнения (ДП) 6 АЦП и парными входами раздельных цифровых комплексных гетеродинов 7 и 8, на вторые парные входы которых своими выходами подключены соответствующие генераторы промежуточной частоты (ГЕН. Fгет.1) 9 и (ГЕН. Fгет.2) 10, настроенные каждый на свою фиксированную промежуточную частоту выделенного канала связи для команд РЗ и ПА и сигналов ВЧ-защит. Второй аппаратный выход (АЦП) 5 подключен к аппаратному входу (ДП) 6, а выход (ДП) 6 к третьему входу регулятора-анализатора (БРА) 11, который своим четвёртым выходом подключен ко второму, управляющему программной регулировкой, входу аттенюатора (АТТ) 3. Далее парные выходы гетеродинов 7 и 8 оцифрованных сигналов связаны с соответствующими парными входами преселекторов-фильтров низких частот (ФНЧ1) 12 и 13 своих раздельных каналов обработки команд РЗ и ПА и сигналов ВЧ-защит, а парные выходы (ФНЧ1) 12 и 13 соединены с соответствующими входами пар частотных дециматоров (:М) 14 и 15. Выходы пар дециматоров (:М) 14 и 15 включены на первые парные входы соответствующих программно регулируемых аттенюаторов (АТТ1) 16, (АТТ2) 17, а парные выходы аттенюаторов (АТТ1) 16, (АТТ2) 17 на парные входы соответствующих демодуляторов, содержащих в своём составе соответственно фильтры основной селекции (ФОС1) 18, цифровой преобразователь Гилберта (ЦПГ) 19, сумматор (+) 20 и фильтры основной селекции (ФОС2) 21, парные квадраторы (х) 22, сумматор (+) 23, деквадратор (√) 24, где парные выходы (ФОС1) 18 подключены к парным входам (ЦПГ) 19, демодулирующего сигналы с одной боковой полосой, парные выходы которого подключены к входам сумматора (+) 20 преобразованных составляющих для команд РЗ и ПА, причём выход сумматора (+) 20 сигнала команд РЗ и ПА подключен на вход приёмника сигналов команд РЗ и ПА (ПСК РЗ и ПА) 25 и на входы селективных вольтметров контрольного сигнала (СВ КС) 26 и сигнала команд (СВ К) 27, выходы которых подключены соответственно к первому и второму входам регулятора-анализатора (БРА) 11, а парные выходы (ФОС2) 21 соединены с входами квадраторов (х) 22, выходы которых подключены к входам сумматора (+) 23, связанного своим выходом с входом деквадратора (√) 24 сигналов ВЧ-защит, подключенного своим выходом на вход приёмника сигналов ВЧ-защит (ПС ВЧЗ) 28 и пятый вход регулятора-анализатора (БРА) 11. При этом четвёртый вход регулятора-анализатора (БРА) 11 связан с выходом дискретного сигнала опасного режима работы усилителя мощности (УМ) 2 своего передатчика устройства, регулятор-анализатор (БРА) 11 своим вторым выходом подключен ко второму входу приёмника сигналов команд РЗ и ПА (ПСК РЗ и ПА) 25, блокирующему приём команд РЗ и ПА, а первый и третий выходы регулятора-анализатора (БРА) 11 подключены ко вторым парным входам программной регулировки аттенюаторов (АТТ1) 16 и (АТТ2) 17. Устройство работает следующим образом. При постоянной передаче контрольного сигнала, на выходе высокочастотной части передающего тракта устройства, которое находится на противоположном конце защищаемой линии, измеряется уровень мощности контрольного сигнала и его величина преобразуется в код. Этим кодом периодически методом ВРС (временное разделение сигнала) модулируется сигнал контрольной частоты, и информация об уровне выходного сигнала, таким образом, передаётся приёмной части второго устройства. После приёма модулированного сигнала контрольной частоты происходит его обработка и декодирование, а далее производится сравнение полученной величины уровня выходного сигнала контрольной частоты на противоположном конце канала с уставкой, которая выставляется во время наладки или при проведении регламентных работ, после измерения на приёмном конце уровня принимаемого контрольного сигнала в наилучших условиях. Если они соответствуют, и, при этом, произошло снижение или повышение уровня принимаемого сигнала, то делается вывод, что повысилось или понизилось затухание канала. Тогда активируется алгоритм автоматической регулировки чувствительности приёмника для поддержания постоянства нормируемого значения запаса по перекрываемому затуханию ВЧ-канала. В случае же несовпадения информации о величине уровня выходного сигнала с уставкой и изменении при этом уровня принимаемого сигнала, делается вывод о снижении или увеличении уровня выходного сигнала передатчика устройства противоположного конца канала и, при снижении, активация алгоритма автоматической регулировки чувствительности приёмника блокируется. При этом на приёмном устройстве своего конца канала срабатывает сигнализация о снижении уровня выходного сигнала передатчика устройства противоположного конца канала. При увеличении принимаемого уровня мощности выходного сигнала противоположного передатчика алгоритм автоматической регулировки загрубляет чувствительность приёмника на величину возрастания уровня принимаемого сигнала для улучшения отношения сигнал/помеха. Работа приёмной части линейного ВЧ-тракта осуществляется следующим образом. ВЧ-сигнал с выхода фильтра присоединения (на схеме не показан), ВЧ-кабелем (ВЧ-канал) подается на схему узла (ВЧ-ДС) 1, служащую для подавления сигнала собственного передатчика и согласования выходного сопротивления приёмопередатчика с комплексным сопротивлением ВЧ-канала. С выхода (ВЧ-ДС) 1 ВЧ-сигнал поступает на аппаратно и программно регулируемый ступенчатый аттенюатор (АТТ) 3. С помощью аттенюатора выполняется масштабирование уровней ВЧ-сигналов, действующих на входе приёмопередатчика, к динамическому диапазону АЦП. Аппаратная грубая настройка осуществляется при первом включении приёмопередатчика на канал связи или при выполнении регламентных работ, с целью подстройки чувствительности приёмников команд РЗ и ПА и сигналов ВЧ-защит. Затем с выхода аттенюатора сигнал подаётся на фильтр низкой частоты (ФНЧ) 4, выполняющего функцию преселектора приёмника. (ФНЧ) 4 на входе (АЦП) 5 с частотой среза 1,2 МГц служит для подавления побочных каналов приёма выше частоты дискретизации АЦП по времени. (АЦП) 5 оцифровывает аналоговый ВЧ-сигнал, выполняя дискретизацию по уровню и по времени, обеспечивая дальнейшую обработку отсчётов ВЧ-сигнала в цифровом тракте без искажений, связанных с интерференцией высших гармоник спектра. Искажения ВЧ-сигнала, связанные с возможным переполнением АЦП контролируются с помощью детектора переполнения (ДП) 6. Переполнение АЦП может возникнуть из-за превышения максимального уровня ВЧ-сигнала на входе АЦП. При этом входной ВЧ-сигнал может быть ограничен. Может возникнуть ситуация, когда сигнал собственного передатчика будет полностью подавлять принимаемый сигнал. Или в полосу приёма могут попасть продукты нелинейного искажения ВЧ-сигнала на входе АЦП, что может привести к подавлению контрольного сигнала (КС) на выходе сумматора (+) 20 демодулятора сигналов команд РЗ и ПА или даже к ложному приёму команд. Такая ситуация может возникнуть, например, из-за неверной грубой настройки аттенюатора (АТТ) 3 или из-за расстройки схемы (ВЧ-ДС) 1 (например при резком изменении комплексного сопротивления ВЧ-канала из-за смены внешней нагрузки линии на реактивную), или когда на вход приёмника попадает неослабленный сигнал собственного передатчика. При срабатывании детектора переполнения (ДП) 6, посредством регулятора-анализатора (БРА) 11, происходит программное загрубление входного аттенюатора (АТТ) 3, осуществляется временная блокировка приёмника сигналов команд РЗ и ПА (ПСК РЗ и ПА) 25 до момента прекращения срабатывания детектора переполнения. Далее с выхода (АЦП) 5 оцифрованный ВЧ-сигнал поступает на парные входы комплексных гетеродинов 7 и 8, работающих с использованием алгоритма квадратурного приёма. С парных выходов гетеродинов 7 и 8 оцифрованные квадратурные составляющие спектра сигналов, перенесённые с ВЧ-частоты канала на промежуточные частоты (ПЧ) гетеродинов, задаваемые генераторами (ГЕН.Fгет.1) 9 и (ГЕН.Fгет.2) 10, поступают на соответствующие входы парных преселекторов-фильтров низких частот промежуточной частоты (ФНЧ1) 12 и 13, с помощью которых осуществляется избирательность ВЧ-приёмника по соседнему каналу (подавление частот зеркального канала приёма, прочих побочных каналов приёма в дальней зоне). С парных выходов (ФНЧ1) 12 и 13 квадратурные составляющие сигналов подаются на входы пар частотных дециматоров (:М) 14 и 15, осуществляющих прореживание по времени отсчетов сигналов с выхода преселектора для понижения частоты дискретизации цифровой обработки сигналов. Выходы дециматоров (:М) 14 и 15 подают обработанный цифровой сигнал на программно регулируемые первым и третьим выходами регулятора-анализатора (БРА) 11 аттенюаторы (АТТ1) 16 и (АТТ2) 17, изменяющие чувствительность приёмников команд РЗ и ПА (ПСК РЗ и ПА) 25 и сигналов ВЧ-защит (ПС ВЧЗ) 28. После аттенюаторов (АТТ1) 16 квадратурные составляющие сигнала команд РЗ и ПА подаются на парные входы детектора промежуточной частоты (далее ПЧ) для демодуляции сигналов с одной боковой полосой, состоящего из пары фильтров основной селекции (ФОС1) 18, настроенных на полосу ПЧ, например: 0...2(4) кГц (при синхронном преобразовании) или 6…8(10) кГц (при настройке гетеродинов со смещением), обеспечивающих подавление по соседним каналам приёма и подавление сигнала собственного передатчика, и цифрового преобразователя Гилберта (ЦПГ) 19, осуществляющего сдвиг по фазе на 90° одной из квадратурных составляющих, с дальнейшим их сложением сумматором (+) 20 и появлением на выходе исходных тональных сигналов команд. А с выходов аттенюаторов (АТТ2) 17 квадратурные составляющие сигнала ВЧ-защит поступают на синхронный детектор ПЧ, состоящий из пары фильтров основной селекции (ФОС2) 21, являющихся фильтрами низкой частоты с полосой пропускания 0,4...0,7 кГц, квадраторов (х) 22 и сумматора (+) 23 с деквадратором (√) 24, на выходе которого появляется исходный сигнал ВЧ-защит. Сигнал с выхода сумматора (+) 20 команд РЗ и ПА поступает параллельно на вход приёмника команд РЗ и ПА (ПСК РЗ и ПА) 25, где выполняется декодирование и формирование команд РЗ и ПА, и на входы селективных вольтметров (СВ КС) 26, (СВ К) 27, а сигнал с выхода деквадратора (√) 24 сигналов ВЧ-защит также параллельно поступает на вход приёмника сигналов ВЧ-защит (ПС ВЧЗ) 28, где выполняется демодуляция сигналов ВЧ-защит, и пятый вход регулятора-анализатора (БРА) 11. С целью автоматического контроля канала связи в рабочей полосе частот передатчиком противоположного конца передается контрольный сигнал (КС) с уровнем +34…+40 дБм (уровень передачи регулируется) с частотой вне спектра сигналов ВЧ-защит и сигналов команд. На приёмной стороне оценивается уровень принимаемого сигнала КС с помощью селективного вольтметра КС (СВ КС) 26. Уровень сигнала в спектре передачи сигналов ВЧ-защит и сигналов команд измеряется селективным вольтметром (СВ К) 27. В отсутствие передачи сигналов ВЧ-защит и сигналов команд (СВК) 27 измеряет уровень шума (помех), действующий в полосе приёма. По соотношению измеренных уровней КС и уровня шума (помех) оценивается отношение сигнал/помеха (С/П). Измеренные уровни КС, отношение С/П, декодированный уровень мощности передачи с противоположного конца канала связи, служат входными данными регулятора-анализатора (БРА) 11 для принятия решения об автоматической подстройке чувствительности приёмников сигналов команд РЗ и ПА и сигналов ВЧ-защит или блокировании подстройки. Регулировка осуществляется первым и третьим выходами регулятора-анализатора (БРА) 11, воздействующими на программно регулируемые входы аттенюаторов (АТТ1) 16 и (АТТ2) 17. В штатном режиме работы приёмного тракта, при помощи программных аттенюаторов (АТТ1) 16 и (АТТ2) 17, выполняется регулировка уровней чувствительности приёмников команд РЗ и ПА и сигналов ВЧ-защит с целью поддержания запаса по перекрываемому затуханию. Величина запаса по перекрываемому затуханию задаётся при включении аппаратуры в работу или при выполнении последнего ТО. При увеличении затухания в канале связи требуется уменьшить затухание программного аттенюатора, чтобы компенсировать увеличение затухания в канале. То есть выполняется автоматическое увеличение чувствительности приёмника. Увеличение чувствительности ограничено установленным минимальным соотношением С/П. При уменьшении затухания в канале связи требуется увеличить затухание программного аттенюатора. Увеличение затухания ограничено минимальным запасом по перекрываемому затуханию. При наличии встроенных в усилитель мощности (УМ) 2 своего передатчика измерительных датчиков, с помощью которых выполняется контроль внутренних (напряжение питания, параметры сигнала возбуждения, ток смещения, температура и др.) и выходных параметров (УМ) 2 (ВЧ-ток и напряжение на линейном выходе, комплексное выходное сопротивление, ВЧ-ток и напряжение на выходе выходного каскада УМ), возможно определение опасных режимов работы (УМ) 2 при передаче и приёме на сближенных частотах. Например, при коротком замыкании выхода (УМ) 2 или при обрыве подключенного к приёмопередатчику ВЧ-фидера. В данных случаях характеристики (УМ) 2 в части уровня комбинационных составляющих могут не соответствовать заявленным. Комбинационные частоты могут проникать в полосу приёма с достаточно высоким уровнем, подавляя сигнал КС на ограничителе приёмника команд РЗ и ПА или даже приводя к ложному приёму команд РЗ и ПА. Опасный режим работы (УМ) можно оперативно определить по ухудшению отношения сигнал-помеха. В этом случае формируется дискретный сигнал «Опасный режим работы УМ», подаваемый на четвёртый вход регулятора-анализатора (БРА) 11, и он своим сигналом «Блокировка приёмника» со второго выхода оперативно блокирует работу приёмника сигналов команд РЗ и ПА (ПСК РЗ и ПА) 25.