патент
№ RU 2400812
МПК G06K1/12
Номер заявки
2008140615/09
Дата подачи заявки
13.10.2008
Опубликовано
27.09.2010
Страна
RU
Как управлять
интеллектуальной собственностью
Чертежи 
5
Реферат

Изобретение относится к автоматизированным средствам идентификации узлов или элементов, преимущественно используемых для хранения и транспортировки отработанных тепловыделяющих сборок (ОТВС). Технический результат заключается в повышении надежности распознавания идентификационной маркировки с кольцеобразного участка боковой поверхности после длительного хранения в неблагоприятных условиях, ведущих к повреждению маркировки. Такой результат достигается за счет того, что кольцевую зону с идентификационной маркировкой формируют на многоэлементном фотоприемнике, автоматически обрабатывают это трехракурсное изображение кольцевой зоны с использованием морфологического ориентирно-направленного фильтра, затем математически обрабатывают отфильтрованные изображения фрагментов отверстий. 3 з.п. ф-лы, 5 ил.

Формула изобретения

1. Способ распознавания идентификационной маркировки цилиндрической поверхности, заключающийся в переносе оптического излучения, отраженного с помощью зеркал от трех фрагментов цилиндрической поверхности, содержащей идентификационную маркировку, на неперекрывающиеся участки считывателя, выполненного в виде многоэлементного фоторегистратора, при этом каждый из фрагментов идентификационной маркировки охватывает участок дуги окружности чуть больше 120°, и последующего анализа полученного трехракурсного панорамного изображения, отличающийся тем, что в процессе анализа на полученном трехракурсном изображении идентификационной маркировки в виде n-разрядного бинарного кода, символами которого служат сквозные круглые отверстия, выделяют три пары вертикальных границ каждого из трех ракурсов, по найденным границам формируют изображение, ограниченное областью нанесения бинарного кода, каждый из трех фрагментов обрабатывают морфологическим ориентирно направленным фильтром, сохраняющим фрагменты отверстий и подавляющим фон, производят математическую обработку трех отфильтрованных фрагментов изображения бинарного кода и с учетом стартового репера и заранее заданного шага n - разрядного бинарного кода строят развертку бинарного кода, пригодную для сравнения с исходной.

2. Способ распознавания идентификационной маркировки по п.1, отличающийся тем, что считывание маркировки осуществляют с кольцеобразного участка боковой поверхности крышки ампулы с отработавшими тепловыделяющими сборками.

3. Способ распознавания идентификационной маркировки по п.2, отличающийся тем, что при поиске зоны размещения идентификационной маркировки используют изображение границы ступенчатого изменения диаметра крышки ампулы, вблизи которого нанесен бинарный код.

4. Способ распознавания идентификационного кода цилиндрического объекта по п.2, отличающийся тем, что при поиске стартового репера предварительно выявляют изображение зоны с цифровым номером ампулы, нанесенным непосредственно под стартовым репером и симметрично ему.

Описание

[1]

Изобретение относится к автоматизированным средствам идентификации узлов или элементов, преимущественно используемых для хранения и транспортировки отработанных тепловыделяющих сборок (ОТВС).

[2]

Проблема идентификации элементов ядерной энергетики, в особенности ОТВС, в последнее время приобрела актуальное значение. Это обусловлено все увеличивающимся количеством таких ОТВС и необходимостью обеспечить их длительное хранение до появления возможности надлежащей переработки на специализированных производствах. Как правило, ОТВС, извлеченные из ядерного реактора, имеют разрушенные из-за условий эксплуатации остаточные следы маркировки или идентификационной метки, что затрудняет ее считывание и регистрацию. Поэтому возникает необходимость нанесения новой идентификационной маркировки на такую сборку, обеспечив возможность ее сохранения в течение длительного времени хранения и последующего считывания с высокой достоверностью. Проблема заключается в том, что обычные способы идентификации, применяемые в ядерной энергетике, не обеспечивают приемлемой сохранности метки или кода в процессе длительного хранения в бассейнах выдержки из-за воздействия различных загрязнений и разрушений. Поэтому используются различные приемы, чтобы обеспечить достоверность идентификации сборки после длительного хранения.

[3]

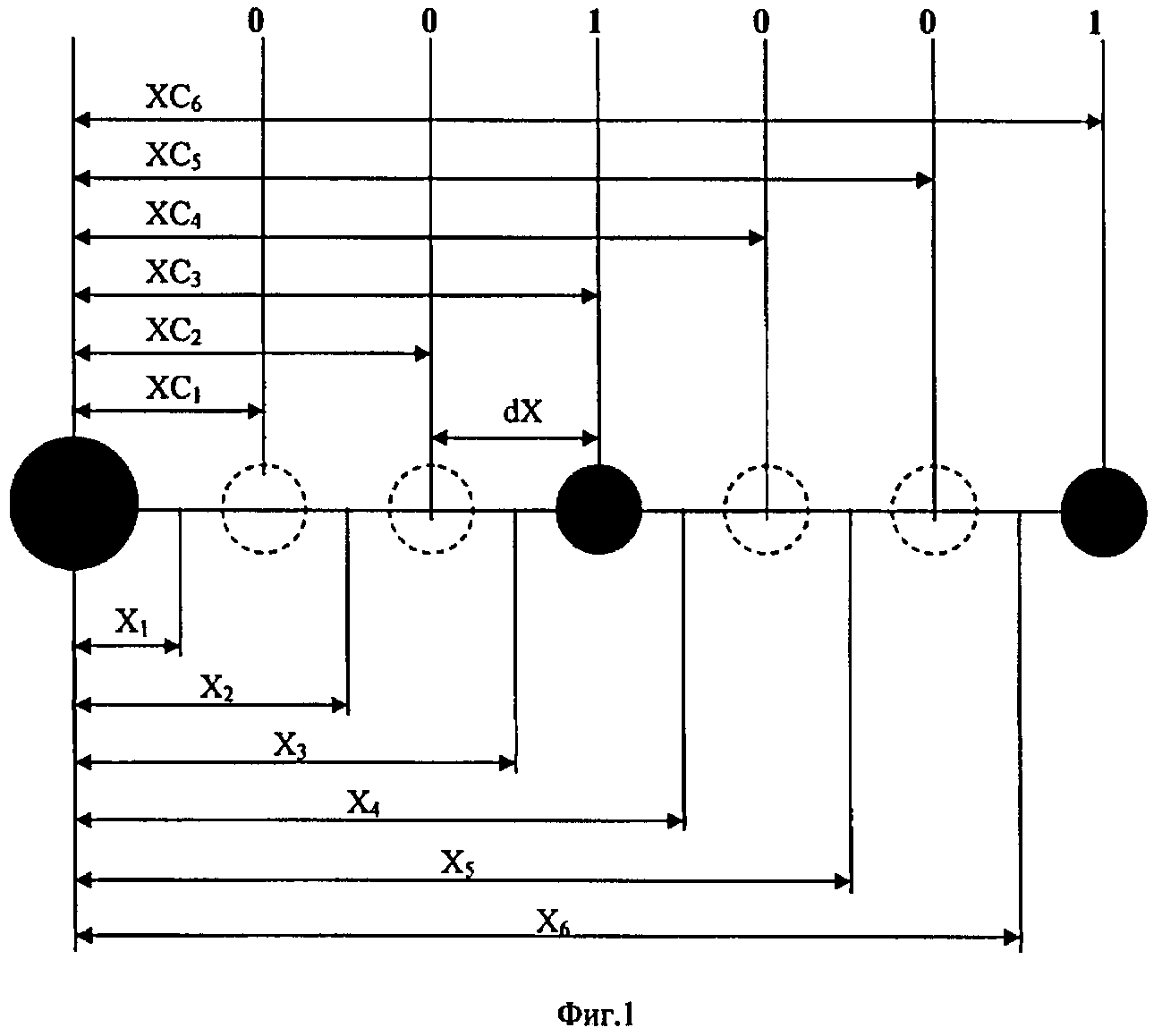
Известна идентификационная маркировка для цилиндрической поверхности, представляющая собой последовательность идентификационных символов в виде простых геометрических фигур, нанесенных по окружности на боковую поверхность детали, выполненной в виде хомута, зафиксированного на ОТВС, при этом в качестве символов использованы сквозные прорези - щели определенной формы (патент РФ №2249265, МПК G21C 17/06 от 21.10.2002). Такая маркировка менее уязвима к жестким условиям хранения по сравнению с широко применяемыми для подобной маркировки штриховыми бар-кодами или цифровыми номерами, наносимыми стойкой краской на цилиндрические поверхности контейнеров для хранения ОТВС. К тому же она пригодна для дистанционного считывания оптическим способом.

[4]

Тем не менее, идентификационные признаки в виде ширины щелей не удобны с точки зрения унификации процесса нанесения символов и не исключают погрешности при считывании кода.

[5]

Более предпочтительным является привычный n - разрядный бинарный код, состоящий из «1» и «0», который удобен как для нанесения, так и для распознавания.

[6]

В качестве прототипа выбран способ распознавания идентификационной маркировки цилиндрического объекта, заключающийся в переносе оптического излучения, отраженного с помощью зеркал от трех фрагментов цилиндрической поверхности, содержащей идентификационную маркировку, на неперекрывающиеся участки считывателя, выполненного в виде многоэлементного фоторегистратора, при этом каждый из фрагментов идентификационной маркировки охватывает участок дуги окружности чуть больше 120 градусов, и последующего анализа полученного трехракурсного панорамного изображения (патент РФ №2 261 434, МПК G01N 21/952 от 17.06.2003). В качестве идентификационной маркировки используется набор маркировочных символов - фигур разнообразной формы и наклона с тем, чтобы такие наборы были отличимы друг от друга и обеспечивали однозначную идентификацию при распознавании маркировки.

[7]

Однако и при использовании бинарного кода со сквозными отверстиями могут возникать определенные сложности в процессе распознавания из-за загрязнений или деформации отверстий в агрессивных условиях длительного хранения.

[8]

Повышение достоверности распознавания описанной выше идентификационной маркировки в виде бинарного кода, используемого предпочтительно для идентификации ампул с ОТВС, является другой задачей настоящего изобретения.

[9]

Задачей настоящего изобретения является распознавание описанного выше бинарного кода.

[10]

Поставленная задача решается тем, что в способе распознавания идентификационной маркировки, нанесенной на цилиндрическую поверхность, заключающемся в переносе оптического излучения, отраженного с помощью зеркал от трех фрагментов цилиндрической поверхности, содержащей идентификационную маркировку, на неперекрывающиеся участки считывателя, выполненного в виде многоэлементного фоторегистратора, при этом каждый из фрагментов идентификационной маркировки охватывает участок дуги окружности чуть больше 120 градусов, и последующего компьютерного анализа полученного трехракурсного панорамного изображения, согласно изобретению, в процессе анализа на полученном трехракурсном изображении идентификационной маркировки в виде n-разрядного бинарного кода, символами которого служат сквозные круглые отверстия с одинаковым диаметром, выделяют три пары вертикальных границ каждого из трех ракурсов, по найденным границам формируют изображение, ограниченное областью нанесения бинарного кода, каждый из трех фрагментов обрабатывают морфологическим ориентирно направленным фильтром, сохраняющим фрагменты отверстий и подавляющим фон, производят математическую обработку трех отфильтрованных фрагментов изображения бинарного кода, с учетом стартового репера и заранее заданного шага n - разрядного бинарного кода строят развертку бинарного кода, пригодную для сравнения с исходной разверткой.

[11]

Технический результат заявляемого способа заключается в применении автоматизированных приемов математической обработки и анализа нечетких изображений идентификационной маркировки и повышении за счет этого надежности распознавания.

[12]

Кроме того, считывание маркировки осуществляют с кольцеобразного участка боковой поверхности крышки ампулы с ОТВС.

[13]

Кроме того, при поиске зоны размещения идентификационной маркировки используют изображение границы ступенчатого изменения диаметра крышки ампулы, вблизи которого нанесен бинарный код. Этот прием облегчает выход на зону нахождения идентификационной маркировки, в любом из трех ракурсов, независимо от четкости изображенных на нем кодовых символов.

[14]

Кроме того, при поиске стартового репера предварительно выявляют изображение зоны с цифровым номером ампулы, нанесенным непосредственно под стартовым репером и симметрично ему. Это обеспечивает дополнительную уверенность в правильной идентификации стартового репера, если он утратил первоначальный вид.

[15]

На фиг.1 приведена развертка исходного бинарного кода с указанием координат ХСi центров символов «1» и «0», шага dX кодовой последовательности и координат Xi середин между символами «1» и «0». Затемненный круг большого диаметра - стартовая позиция, затемненные круги меньшего диаметра - сквозные отверстия, служат символами «1», круги, очерченные штриховой линией - нетронутые участки, служат символами «0».

[16]

На фиг.2 показана схема переноса изображений идентификационных символов бинарного кода на многоэлементный фоторегистратор, где 1 - цилиндрическая поверхность детали упаковки с идентификационным кодом, 2 - система зеркал для переноса отраженного от тыльных участков цилиндрической поверхности 1 светового излучения на фоторегистратор 3, 4 - элемент переноса отраженного от зеркал и непосредственно от цилиндрической поверхности 1 оптического излучения на фоторегистратор 3. Всего на фоторегистраторе 3 регистрируются три фрагмента поверхности с дугой чуть более 120 градусов.

[17]

На фиг.3 приведено трехракурсное панорамное изображение крышки ампулы с ОТВС, выполненной со ступенчатым изменением диаметра, где 5 - вертикальные границы ракурсов, 6 - граница ступенчатого изменения диаметра, 7 - цифровой номер ампулы, служащий дополнительным репером.

[18]

На фиг.4 показаны три ракурса P1, P2, Р3 изображения, ограниченного областью нанесения бинарного кода.

[19]

На фиг.5 показаны фрагменты изображения бинарного кода после обработки морфологическим ориентирно - направленным фильтром.

[20]

Бинарный код (фиг.1) наносится высверливанием отверстий по окружности на цилиндрической поверхности крышки ампулы с ОТВС с помощью накладываемой на деталь развертки - ленты. Отверстия, являющиеся составной частью бинарного кода, имеют одинаковые диаметры, а стартовый репер - относительно больший диаметр. При этом центральную линию кодовой последовательности располагают над цифровым номером упаковки таким образом, чтобы стартовый репер высверливался непосредственно над цифровым номером и симметрично ему. Если крышка выполнена со ступенчатым изменением диаметра, то бинарный код и цифровой номер, наносят по окружности на участок с большим диаметром в непосредственной близости от границы ступенчатого изменения диаметров.

[21]

В процессе распознавания предварительно получают изображение трех ракурсов цилиндрической поверхности 1 крышки ампулы со ступенчатым изменением диаметра, перенесенное с помощью системы зеркал 2 и элемента 4 переноса на фоторегистратор 3 (фиг.3). Алгоритм способа распознавания начинается с выделения трех ракурсов изображения, ограниченного областью нанесения кода. Для этого для каждого из трех ракурсов изображения выделяют три пары вертикальных границ 5. При необходимости поиска области размещения идентификационной маркировки находят линию ступенчатого изменения диаметра 6, которая служит своеобразным ориентиром местонахождения маркировки. Если стартовый репер в силу повреждения не имеет ярко выраженного отличия от кодовых символов, находят на одном из трех изображений зону нанесенного цифрового номера 7, над которым симметрично должен располагаться стартовый репер - отверстие с большим диаметром. Таким образом, формируют изображения P1, P2, Р3, в которых присутствуют только зоны нанесения бинарного кода, что уменьшает вероятность ложного распознавания за счет снижения влияния фона. Полученные изображения обрабатывают морфологическим ориентирно - направленным фильтром, в результате чего подавляется фон, а фрагменты дырок остаются (фиг.5). В отфильтрованных изображениях Р1Ф, Р2Ф, Р3Ф в каждой строке находят среднее арифметическое значение:

[22]

[23]

p1, p2, p3 - вектора среднеарифметических значений по строкам изображений Р1Ф, Р2Ф, Р3Ф, соответственно.

[24]

i - номер строки в матрице изображения Р1Ф, Р2Ф, Р3Ф;

[25]

j - номер столбца в матрице изображения Р1Ф, Р2Ф, Р3Ф;

[26]

N - количество строк в матрицах Р1Ф, Р2Ф, Р3Ф.

[27]

Полученные вектора р1, p2, p3 «сглаживают» - уменьшают разброс между соседними значениями в векторах.

[28]

Находят координаты центров дырок (XC1, XC2, …) и середин (X1, Х2, …) между ними, используя найденный репер стартовой позиции и изначально заданное одинаковое расстояние dX между центрами двух соседних дырок, (фиг.1).

[29]

Формируют вектора рез1, рез2, рез3, являющиеся разностью векторов р1, p2, p3 и соответствующих им фоновых векторов рф1, рф2, рф3 (рис.8), полученных линейной аппроксимацией точек, являющихся средними арифметическими значениями фона в интервалах [Xk-I/2, Xk+I/2], где k - порядковый номер позиции бинарного кода (всего К), а I - заранее заданная величина.

[30]

Анализируют значения Sk, (k=1, 2, …, K), соответственно равные средним арифметическим значениям векторов рез1, рез2, рез3 в интервалах [Xk-r, Xk+r], где r - радиус дырки:

[31]

- при Sk больше порогового значения, позиции номера присваивается значение 1;

[32]

- при Sk меньше порогового значения, позиции номера присваивается значение 0.

[33]

Таким образом формируется развертка бинарного кода, которая может подвергаться окончательной идентификации путем сравнения с исходной.

[34]

Весь алгоритм распознавания заложен в компьютерную программу и осуществляется автоматически.

Как компенсировать расходы
на инновационную разработку
Похожие патенты