патент
№ RU 2679829
МПК G05F1/38

Способ управления напряжением на нагрузке в регуляторе с регулируемым преобразователем напряжения

Авторы:
Асташев Михаил Георгиевич
Номер заявки
2018121108
Дата подачи заявки
07.06.2018
Опубликовано
13.02.2019
Страна
RU
Как управлять
интеллектуальной собственностью
Чертежи 
1
Реферат

Изобретение относится к области электротехники и электроэнергетики и может быть использовано в электрических сетях для гибкого регулирования и стабилизации напряжения электрической сети и направлено на расширение диапазона регулирования напряжения на нагрузке. Техническим результатом является расширение диапазона регулирования напряжения на нагрузке. Способ управления напряжением на нагрузке в регуляторе с регулируемым преобразователем напряжения включает задание диапазона регулирования напряжения на выходе регулируемого преобразователя напряжения, измерение напряжения на нагрузке датчиком напряжения, сравнение измеренного значения напряжения на нагрузке с требуемым напряжением на нагрузке в блоке управления регулируемого преобразователя напряжения и формирование сигнала управления на выходе блока управления, устанавливающего напряжение на выходе регулируемого преобразователя напряжения, обеспечивающего требуемое напряжение на нагрузке; в блоке управления сравнивают требуемое значение напряжения на нагрузке с диапазоном регулирования выходного напряжения регулируемого преобразователя напряжения и, если требуемое значение напряжения на нагрузке не превышает диапазон регулирования выходного напряжения регулируемого преобразователя напряжения, то ветвь, состоящую из последовательного соединения нагрузки и выходных зажимов регулируемого преобразователя напряжения, замыкают накоротко, а если требуемое значение напряжения на нагрузке превышает диапазон регулирования выходного напряжения регулируемого преобразователя напряжения, то ветвь, состоящую из последовательного соединения нагрузки и выходных зажимов регулируемого преобразователя напряжения, подключают к зажимам источника питания. 2 ил.

Формула изобретения

Способ управления напряжением на нагрузке в регуляторе с регулируемым преобразователем напряжения, входные зажимы которого подключены к зажимам источника питания, а выходные зажимы включены последовательно с нагрузкой, системой управления, содержащей датчик напряжения, включенный параллельно нагрузке, блок управления, подключенный к управляющему входу регулируемого преобразователя напряжения, и блок задания уровня напряжения нагрузки, включающий задание диапазона регулирования напряжения на выходе регулируемого преобразователя напряжения, измерение напряжения на нагрузке датчиком напряжения, сравнение измеренного значения напряжения на нагрузке с требуемым напряжением на нагрузке в блоке управления регулируемого преобразователя напряжения и формирование сигнала управления на выходе блока управления, устанавливающего напряжение на выходе регулируемого преобразователя напряжения, обеспечивающего требуемое напряжение на нагрузке, отличающийся тем, что в блоке управления сравнивают требуемое значение напряжения на нагрузке с диапазоном регулирования выходного напряжения регулируемого преобразователя напряжения и, если требуемое значение напряжения на нагрузке не превышает диапазон регулирования выходного напряжения регулируемого преобразователя напряжения, то ветвь, состоящую из последовательного соединения нагрузки и выходных зажимов регулируемого преобразователя напряжения, замыкают накоротко, а если требуемое значение напряжения на нагрузке превышает диапазон регулирования выходного напряжения регулируемого преобразователя напряжения, то ветвь, состоящую из последовательного соединения нагрузки и выходных зажимов регулируемого преобразователя напряжения, подключают к зажимам источника питания.

Описание

[1]

Изобретение относится к области электротехники и электроэнергетики и может быть использовано в электрических сетях для гибкого регулирования и стабилизации напряжения электрической сети.

[2]

Известен способ регулирования напряжения на нагрузке (Миловзоров В.П., Мусолин А.К. «Дискретные стабилизаторы и формирователи напряжения», М. Энергоатомиздат, 1986, рис. 1.2, стр. 8) с применением автотрансформатора с отпайками (РПН), вход которого подключен к источнику питания, а выход к нагрузке. Согласно способу регулирование напряжения осуществляют с помощью системы управления по входному сигналу на систему управления, задающему требуемый уровень напряжения на нагрузке и осуществляют путем переключения отпаек у автотрансформатора. При этом при регулировании напряжения на нагрузке в диапазоне от 0 до номинального напряжения источника питания мощность автотрансформатора должна быть равна номинальной мощности нагрузки.

[3]

Недостатком настоящего технического решения являются малая дискретность регулирования уровней напряжения на нагрузке, низкое быстродействие, связанное с длительным временем переключения отпаек трансформатора электромеханическим путем, а также большая установленная мощность автотрансформатора, вызывающая увеличение массогабаритных и стоимостных показателей устройств, реализующих данный способ управления.

[4]

Наиболее близким по технической сущности к предлагаемому изобретению является способ управления напряжением на нагрузке, описанный в патенте RU на изобретение №2398342, публ. 27.08.2010, МПК Н02М 5/12 «Способ управления тиристорным регулятором напряжения трансформатора», согласно которому управление напряжением на нагрузке осуществляют по входному сигналу на систему управления, задающему требуемое значение напряжения на нагрузке, путем управления напряжением на выходных зажимах регулируемого преобразователя напряжения, включенных последовательно с нагрузкой. Для областей применения, где требуется широкий диапазон регулирования напряжения на нагрузке, от нуля до номинального напряжения сети, использование данного способа приводит к необходимости увеличения установленной мощности оборудования регулятора (трансформатора преобразователя и его полупроводниковых ключей). При этом установленная мощность оборудования регулятора становится соизмеримой с мощностью нагрузки.

[5]

Недостатками способа - прототипа являются малая дискретность управления напряжением на нагрузке, а также высокая стоимость и громоздкость аппаратной реализации способа.

[6]

Технической задачей предлагаемого изобретения является увеличение дискретности регулирования напряжения на нагрузке при снижении массогабаритных и стоимостных показателей аппаратной реализации способа.

[7]

Технический результат заключается в расширении диапазона регулирования напряжения на нагрузке и расширении области применения способа с обеспечением невысокой стоимости его реализации.

[8]

Это достигается тем, что в известном способе управления напряжением на нагрузке в регуляторе с регулируемым преобразователем напряжения, входные зажимы регулируемого преобразователя напряжения подключены к зажимам источника питания, а выходные зажимы регулируемого преобразователя напряжения включены последовательно с нагрузкой, системой управления, содержащей датчик напряжения, включенный параллельно нагрузке, блок управления, подключенный к управляющему входу регулируемого преобразователя напряжения и блок задания уровня напряжения нагрузки, включающий задание диапазона регулирования напряжения на выходе регулируемого преобразователя напряжения, измерение напряжения на нагрузке датчиком напряжения, сравнение измеренного значения напряжения на нагрузке с требуемым напряжением на нагрузке в блоке управления регулируемого преобразователя напряжения и формирование сигнала управления на выходе блока управления, устанавливающего напряжение на выходе регулируемого преобразователя напряжения, обеспечивающего требуемое напряжение на нагрузке, в блоке управления сравнивают требуемое значение напряжения на нагрузке с диапазоном регулирования выходного напряжения регулируемого преобразователя напряжения и если требуемое значение напряжения на нагрузке не превышает диапазон регулирования выходного напряжения регулируемого преобразователя напряжения то ветвь, состоящую из последовательного соединения нагрузки и выходных зажимов регулируемого преобразователя напряжения замыкают накоротко, а если требуемое значение напряжения на нагрузке превышает диапазон регулирования выходного напряжения регулируемого преобразователя напряжения, то ветвь, состоящую из последовательного соединения нагрузки и выходных зажимов регулируемого преобразователя напряжения подключают к зажимам источника питания.

[9]

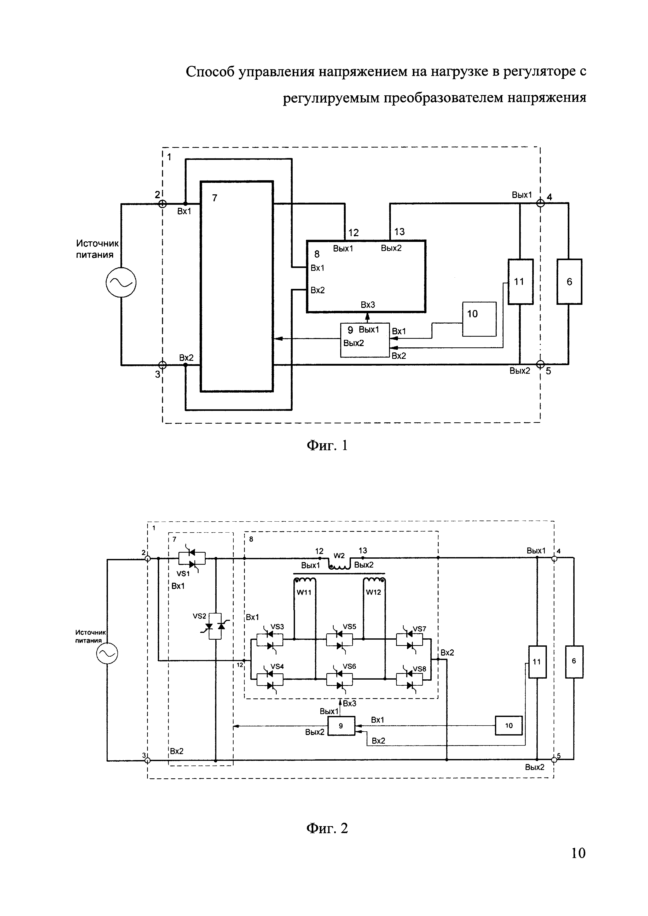
Сущность изобретения поясняется чертежами, где на фиг. 1 представлена структура регулятора напряжения, реализующего предлагаемый способ управления напряжением на нагрузке, на фиг. 2 приведен пример схемы регулятора переменного напряжения с синусоидальной формой вольтодобавочного напряжения, позволяющей реализовать предлагаемый способ управления в сетях переменного напряжения.

[10]

Регулятор напряжения 1, подключенный своими первым 2 и вторым 3 входными зажимами к источнику питания, а своими первым 4 и вторым 5 выходными зажимами к нагрузке 6, содержит блок коммутатора 7, регулируемый преобразователь напряжения 8, систему управления, включающую блок управления 9, блок задания уровня напряжения нагрузки 10 и датчик напряжения 11. Входные зажимы блока коммутатора 7 подключены к первому 2 и второму 3 входным зажимам регулятора напряжения 1, а его выходные зажимы подключены к ветви, состоящей из последовательного соединения первого 12 и второго 13 выходных зажимов регулируемого преобразователя напряжения 8 и нагрузки 6. Первый и второй входы регулируемого преобразователя напряжения 8 подключены к источнику питания. К третьему входу регулируемого преобразователя напряжения 8, являющемуся управляющим, подключен первый выход блока управления 9, а второй выход блока управления 9 подключен к входу блока коммутатора 7. Первый вход блока управления 9 подключен к выходу блока задания уровня напряжения нагрузки 10. Параллельно нагрузке 6 включен датчик напряжения 11, выход которого соединен со вторым входом блока управления 9.

[11]

Реализация представленным регулятором напряжения предлагаемого способа управления напряжением на нагрузке осуществляется следующим образом.

[12]

Блок управления 9 по сигналу, поступающему на него с блока задания уровня напряжения нагрузки 10, управляет процессом регулирования напряжения на нагрузке 6 за счет управления блоком коммутатора 7 и регулируемым преобразователем напряжения 8. Наличие блока коммутатора 7 в регуляторе напряжения 1 позволяет формировать напряжение на нагрузке 6 с помощью двух различных схем. Реализацию первой схемы блок коммутатора 7 обеспечивает путем подключения ветви, состоящей из последовательного соединения первого 12, второго 13 выходных зажимов регулируемого преобразователя напряжения 8 и нагрузки 6 к источнику питания. В этой схеме напряжение на нагрузке 6 определяется как алгебраическая сумма напряжения источника питания и напряжения на выходе регулируемого преобразователя напряжения 8. Напряжение на выходе регулируемого преобразователя напряжения 8 может как складываться, так и вычитаться из напряжения источника питания. Реализация второй схемы формирования напряжения на нагрузке 6 обеспечивается блоком коммутатора 7 за счет отключения ветви с последовательным соединением первого 12, второго 13 выходных зажимов регулируемого преобразователя напряжения 8 и нагрузки 6 от источника питания и замыкания концов этой ветви накоротко. В этой схеме напряжение на нагрузке 6 определяется только напряжением на выходе регулируемого преобразователя напряжения 8. При этом первый и второй входы регулируемого преобразователя напряжения 8, как и в первой схеме, остаются подключенными к источнику питания. Это обеспечивает возможность регулирования напряжения на первом 12 и втором 13 выходных зажимах регулируемого преобразователя напряжения 8 под управлением сигнала с выхода блока управления 9 в двух рассматриваемых схемах.

[13]

Согласно способу-прототипу формирование напряжения на нагрузке 6 осуществляется только на основе первой схемы. Поэтому для получения низких уровней напряжения на нагрузке 6 напряжение на выходе регулируемого преобразователя напряжения 8 должно быть соизмеримо с величиной напряжения источника питания, что увеличивает установленную мощность регулируемого преобразователя напряжения 8 и приводит к увеличению его массогабаритных показателей и стоимости. При этом дискретность уровней регулирования напряжения не высока.

[14]

Процесс переключения схем согласно предлагаемому способу осуществляют с помощью блока управления 9, где проводят сравнение задаваемого блоком задания уровня напряжения нагрузки 10 требуемого значения напряжения на нагрузке 6, с выбранным диапазоном регулирования напряжения на выходе (первый 12 и второй 13 выходные зажимы) регулируемого преобразователя напряжения 8. Если требуемое значение напряжения на нагрузке 6 не превышает диапазон регулирования выходного напряжения регулируемого преобразователя напряжения 8, что позволяет осуществлять регулирование напряжения на нагрузке непосредственно с выхода регулируемого преобразователя напряжения 8, то по сигналу с блока управления 9 блок коммутатора 7 замыкает накоротко последовательное соединение первого 12, второго 13 выходных зажимов регулируемого преобразователя напряжения 8 и нагрузки 6. В этом случае регулируемое напряжение на нагрузке 6 будет определяться напряжением на выходных зажимах регулируемого преобразователя напряжения 8 (напряжение на первом 12 и втором 13 выходных зажимах). Если требуемое напряжение на нагрузке 6, задаваемое блоком задания уровня напряжения 10, превышает выбранный диапазон регулирования напряжения регулируемого преобразователя напряжения 8, то блок коммутатора 7 под действием сигнала управления с блока управления 9 подключает последовательное соединение первого 12, второго 13 выходных зажимов регулируемого преобразователя напряжения 8 и нагрузки 6 к источнику питания. В этом случае напряжение на нагрузке 6 будет определяться как алгебраическая сумма напряжения источника питания и напряжения на первом 12 и втором 13 выходных зажимах регулируемого преобразователя напряжения 8. В процессе работы регулятора напряжения 1 блок управления 9 постоянно отслеживает отмеченные выше условия, по соотношению требуемого напряжения на нагрузке 6 и заданного диапазона регулирования выходного напряжения регулируемого преобразователя напряжения 8 и осуществляет необходимое управление блоком коммутатора 7.

[15]

При любых состояниях блока коммутатора 7 при поступлении сигнала с выхода блока задания уровня напряжения нагрузки 10 на изменение напряжения на нагрузке 6, блок управления 9 формирует на своем первом выходе сигнал управления регулируемым преобразователем напряжения 8 с учетом сигнала, поступающего на его второй вход с датчика напряжения 11 на нагрузке 6.

[16]

На фиг. 2 приведен пример реализации регулятора переменного синусоидального напряжения, осуществляющий предлагаемый способ управления.

[17]

В качестве блока коммутатора 7 выступают два управляемых ключа VS1 и VS2, каждый из которых представляет собой встречно-параллельное включение тиристоров. Регулируемый преобразователь напряжения 8, содержащий вольтодобавочный трансформатор с сериесной обмоткой W2 и шунтовыми обмотками W11 и W12, и управляемые ключи. За счет управления состояниями управляемых ключей VS3-VS8, формируют на своем выходе преобразователя 8 (первый 12 и второй 13 выходные зажимы) различные по величине дискретные значения синусоидальных напряжений. Каждый управляемый ключ построен на основе встречно-параллельно включенных тиристоров.

[18]

При включенном управляемом ключе VS2 и выключенном управляемом ключе VS1 напряжение на нагрузке 6 определяется только напряжением на выходе регулируемого преобразователя напряжения 8. При противоположных состояниях управляемых ключей VS1 и VS2, когда управляемый ключ VS1 находится во включенном состоянии, а управляемый ключ VS2 в выключенном состоянии, напряжение на нагрузке 6 определяется из алгебраической суммы напряжения источника питания и напряжения на выходе регулируемого преобразователя напряжения 8.

[19]

Управляя подключением шунтовых обмоток W11, W12, имеющих различное количество витков, к источнику питания, на сериесной обмотке W2 возможно сформировать 7 различных уровней напряжения. Так например, при выбранных коэффициентах трансформации шунтовых обмоток W11 и W12 равных 2.2 и 3.3 на сериесной обмотке W2 возможно получить следующие значения напряжений: +/- (18%, 30% и 45%) и 0 от напряжения источника питания. Наличие блока коммутатора 7 позволяет сформировать на нагрузке 6 следующие 10 различных значений напряжений: 18%, 30%, 45%, 55%, 70%, 82%, 100%, 118%, 130%, 145% относительно напряжения источника питания, что увеличивает диапазон регулирования напряжения на нагрузке 6. При этом следует отметить, что диапазон изменения выходного напряжения регулируемого преобразователя напряжения 8 составляет всего лишь 45% от напряжения источника питания. Как было отмечено ранее, диапазон изменения выходного напряжения регулируемого преобразователя напрямую связан с установленной мощностью и, следовательно, с массогабаритными его показателями. Как видно из пояснения принципа работы рассматриваемого примера, при выборе 45% диапазона изменения выходного напряжения регулируемого преобразователя напряжения можно получить диапазон изменения напряжения на нагрузке от нуля до 145% относительно напряжения на нагрузке. Следует еще раз подчеркнуть, что при трех уровнях дискретности изменения напряжений на выходе регулируемого преобразователя напряжения 8 на нагрузке 6 можно обеспечивать 10 различных уровней напряжения.

[20]

Таким образом, использование предлагаемого способа управления напряжением на нагрузке в регуляторах напряжения, выполненных на основе регулируемых преобразователей напряжения, позволяет расширить диапазон регулирования напряжения на нагрузке и область применения способа при уменьшенной установленной мощности преобразователя по сравнению с прототипом, что обеспечивает снижение стоимости реализации способа.

Как компенсировать расходы
на инновационную разработку
Похожие патенты