патент
№ RU 2505763
МПК F25J3/02

СПОСОБ ДЕГИДРАТАЦИИ ГАЗА, СОДЕРЖАЩЕГО CO

Номер заявки
2011142608/06
Дата подачи заявки
21.10.2011
Опубликовано
27.01.2014
Страна
RU
Как управлять
интеллектуальной собственностью
Чертежи 
7
Реферат

Изобретение может быть использовано в установках, предназначенных для дегидратации газов, содержащих углекислый газ. Способ дегидратации газа, содержащего CO, основан на получении двухфазной смеси при ее расширении и выделении из смеси жидкой фазы в сепараторе. Сырой газ охлаждают, подмешивая к нему жидкий COс растворенной в нем водой, полученную смесь разделяют на газовую фазу и жидкую фазу, содержащую воду, газовую фазу расширяют с получением жидкости, содержащей жидкий COи воду, жидкость частично или полностью направляют на смешение с сырым газом, при этом расширение проводят до температуры ниже температуры гидратообразования. Техническим результатом является обеспечение глубокой степени дегидратации газа. 8 з.п. ф-лы, 8 ил., 1 табл.

Формула изобретения

1. Способ дегидратации газа, содержащего СО2, основанный на получении двухфазной смеси при расширении газа и выделении из смеси жидкой фазы в сепараторе, отличающийся тем, что сырой газ охлаждают, подмешивая к нему жидкий СО2 с растворенной в нем водой, полученную смесь разделяют на газовую фазу и жидкую фазу, содержащую воду, газовую фазу расширяют с получением жидкости, содержащей жидкий СО2 и воду, жидкость частично или полностью направляют на смешение с сырым газом, при этом расширение проводят до температуры ниже температуры гидратообразования.

2. Способ по п.1, отличающийся тем, что в процессе расширения газ пропускают через дроссельный клапан.

3. Способ по п.1, отличающийся тем, что в процессе расширения газ пропускают через турбодетандер.

4. Способ по п.3, отличающийся тем, что осушенный или сырой газ сжимают в компрессоре, установленном на одном валу с турбодетандером.

5. Способ по п.1, отличающийся тем, что газ расширяют во вращающемся потоке в канале циклонного сепаратора.

6. Способ по п.1, отличающийся тем, что газ расширяют во вращающемся потоке в канале вихревой трубы.

7. Способ по п.3, отличающийся тем, что процесс расширения проводят, по крайней мере, в две стадии, причем в одной из стадий расширение проводится в циклонном сепараторе и/или в дроссельном клапане.

8. Способ по п.1, отличающийся тем, что двухфазную смесь, полученную после расширения, сепарируют на осушенный газ и двухфазный поток, из которого выделяют жидкость в дополнительном сепараторе, газ из дополнительного сепаратора сжимают, охлаждают и смешивают с сырым газом.

9. Способ по п.1 или 8, отличающийся тем, что газ и/или смесь, образовавшуюся после смешения газа с жидкостью, содержащей воду, охлаждают.

Описание

[1]

Настоящее изобретение может быть использовано в установках, предназначенных для дегидратации газов, содержащих углекислый газ.

[2]

Известен способ дегидратации углекислого газа (см. патент СА 325811, 1932), в котором газ сжимается последовательно в двух компрессорах, после каждого компрессора газ охлаждают в аппаратах воздушного охлаждения (АВО) и направляют в трап, в котором из газа удаляют сконденсировавшуюся влагу. Газ из трапа далее поступает в адсорбер, где за счет процесса поглощения паров воды адсорбентами происходит окончательная дегидратация углекислого газа.

[3]

Недостатком данного способа являются большие габариты установок, реализующих этот способ, обусловленные наличием адсорберов, а также необходимость подвода энергии при регенерации адсорбента.

[4]

Ближайшим аналогом является способ дегидратации высоконапорного газа (JP 63074908, 1988), обогащенного углекислым газом, в котором газ, содержащий СО2, охлаждается при помощи аппарата АВО, охлажденный газ расширяется в дроссельном клапане или турбине. Вода, образовавшаяся после расширения, отделяется от газа в сепараторе, газ из сепаратора сжимается в компрессоре, охлаждается с помощью АВО и направляется к потребителю газа.

[5]

Существенным недостатком описанного способа является невозможность обеспечения глубокой дегидратации газа, из-за невозможности обеспечения низких температур газа в процессе его расширения.

[6]

Целью технического решения по настоящему изобретению является обеспечение высокой степени дегидратации газа, содержащего СО2, путем охлаждения газа до низких температур, при которых происходит образование жидкого СО2 с растворенной в нем водой.

[7]

Поставленная цель достигается тем, что в предлагаемом способе дегидратации газа, содержащего СО2, основанном на получении двухфазной смеси при ее расширении и выделении из смеси жидкой фазы в сепараторе, согласно изобретению, сырой газ охлаждают, подмешивая к нему жидкий СО2 с растворенной в нем водой, полученную смесь разделяют на газовую фазу и жидкую фазу, содержащую воду, газовую фазу расширяют с получением жидкости, содержащей жидкий СО2 и воду, жидкость частично или полностью направляют на смешение с сырым газом, при этом расширение проводят до температуры ниже температуры гидратообразования.

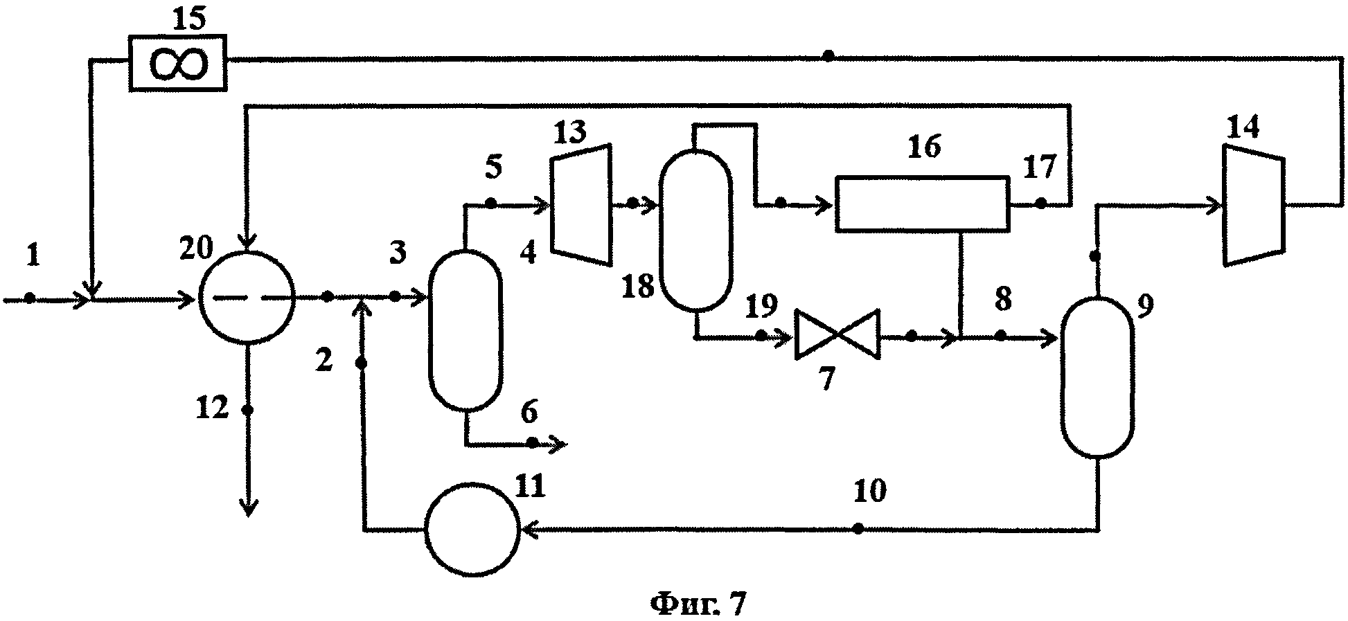
[8]

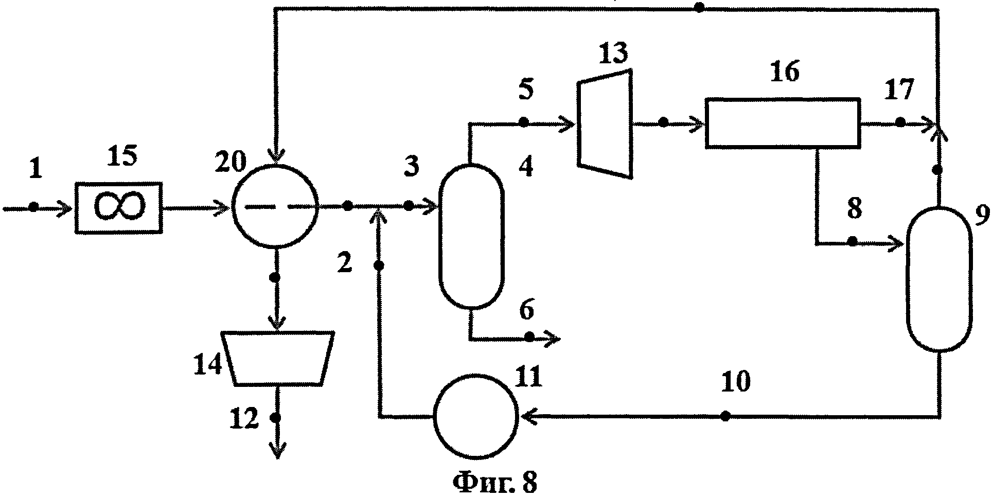
В процессе расширения газ могут пропускать через дроссельный клапан или турбодетандер.

[9]

В случае расширения газа в турбодетандере осушенный или сырой газ можно сжимать в компрессоре, установленном на одном валу с турбодетандером.

[10]

Газ могут расширять также во вращающемся потоке в канале циклонного сепаратора или в канале вихревой трубы.

[11]

Процесс расширения можно проводить, по крайней мере, в две стадии, причем в одной из стадий расширение проводится в циклонном сепараторе и/или в дроссельном клапане.

[12]

Двухфазную смесь, полученную после расширения, можно сепарировать на осушенный газ и двухфазный поток, из которого выделять жидкость в дополнительном сепараторе, газ из дополнительного сепаратора сжимать, охлаждать и смешивать с сырым газом.

[13]

Газ и/или смесь, образовавшуюся после смешения газа с жидкостью, содержащей воду, можно охлаждать.

[14]

На Фиг.1 представлена принципиальная схема установки для осуществления предлагаемого способа низкотемпературной дегидратации газа, содержащего СО2.

[15]

Установка работает следующим образом.

[16]

Сырой газ 1, содержащий СО2, охлаждают, подмешивая к нему поток 2, содержащей жидкий СО2 и воду, полученную смесь 3 разделяют в сепараторе 4 на газовую фазу 5 и жидкую фазу 6, содержащую воду. Жидкая фаза 6 может содержать воду в свободном виде, в растворенном виде, и в виде гидратов. Газовую фазу 5 расширяют в дроссельном клапане 7 с получением двухфазной смеси 8, из которой в сепараторе 9 отделяют жидкость 10, содержащую жидкий СО2 и воду. При помощи насоса 11 эту жидкость или ее часть направляют на смешение с сырым газом 1. Осушенный газ 12 подвергают при необходимости, дальнейшей обработке, или сразу направляют к потребителю газа. Расширение газа в дроссельном клапане 7 проводят до температуры ниже температуры гидратообразования.

[17]

Для определения температуры гидратообразования в потоке после дросселя используют широко известные программные комплексы, такие как HYSYS и.т.п. Условие достижения температуры потока ниже температуры гидратообразования обеспечивается посредством выбора достаточной степени расширения газа.

[18]

В описанной установке дегидратация газа осуществляется за счет охлаждения газа при расширении его в дроссельном клапане 7, при этом образующуюся жидкость 10, содержащую жидкий СО2 и воду, направляют в сырой газ 1. Воду отделяют из жидкой фазы, образовавшейся после смешения сырого газа 1 и потока 2, содержащего жидкий СО2 и воду. Следует отметить, что за счет смешения сырого газа 1 с потоком 2, содержащем жидкий СО2 и воду, газ сильно охлаждается за счет испарения жидкого СО2.

[19]

Расширение газа до температуры ниже температуры гидратообразования позволяет увеличить эффективность процесса дегидратации газа. При этом образующиеся в процессе расширения кристаллогидраты растворяются в жидком СО2, образующемся при расширении.

[20]

В некоторых случаях, когда в потоке есть свободная вода и температура смеси 3 ниже температуры гидратообразования, в сепараторе 4 сепарируют гидраты воды, которые разрушают путем их нагрева, или путем впрыска ингибиторов гидратообразования (метанола, гликоля, и.т.п.).

[21]

Для увеличения степени дегидратации газа, можно осуществлять более сильное захолаживание газа при помощи турбодетандера. Турбодетандер 13 можно устанавливать вместо дроссельного клапана, при этом компрессор 14, установленный на одном валу с турбодетандером, можно установить либо в осушенном газе, либо в сыром газе (см. Фиг.2 и 3).

[22]

На Фиг.2 компрессор 14 установлен в осушенном газе.

[23]

На Фиг.3 компрессор 14 установлен в сыром газе. Для снижения температуры сырого газа после компрессора 14 целесообразно устанавливать аппарат воздушного охлаждения 15.

[24]

Расчетные параметры основных потоков в установке, приведенной на Фиг.2, показаны в таблице 1.

[25]

В рассматриваемом случае сырой газ состоит в основном из углекислого газа. Входное давление сырого газа равно 60 атм., температура 40°С. Выходное давление осушенного газа равно 30 атм.

[26]

Предлагаемый способ можно использовать также для дегидратации газов содержащих кроме СО2углеводородные газы, такие как метан, этан, пропан, бутан, пентан и т.д, а также сероводород. В этом случае установка дегидратации, выполненная по данному способу, может быть частью комплекса извлечения из газа СО2.

[27]

В некоторых случаях для сокращения капитальных и эксплуатационных затрат вместо турбодетандера может быть установлен циклонный сепаратор или вихревая труба. В этих случаях за счет достижения в процессе расширения газа в канале циклонного сепаратора или вихревой трубы более низких давлений, чем на выходе из этих устройств, удается достичь более низких температур газа, и соответственно увеличить эффективность процесса дегидратации газа.

[28]

Один из возможных примеров установки циклонного сепаратора или вихревой трубы показан на Фиг.4. Позиция 16 обозначает циклонный сепаратор или вихревую трубу.

[29]

В некоторых случаях в вихревой трубе или циклонном сепараторе качественно отсепарировать газовый поток от жидкости не представляется возможным. Тогда двухфазную смесь 8; вытекающую из циклонного сепаратора или вихревой трубы, направляют в сепаратор 9, где газ отделяют от жидкости 10, направляемой на смешение с сырым газом 1, а газ смешивают с потоком 17 осушенного газа из циклонного сепаратора (см. Фиг.5).

[30]

Для обеспечения возможности управления параметрами работы установки в широком диапазоне параметров, расширение может проводиться, по крайней мере, в две стадии, причем в одной из стадий расширение проводится в циклонном сепараторе и/или в дроссельном клапане.

[31]

Один из вариантов реализации установки с двухступенчатым расширением газа показан на Фиг.6. В этом варианте газ сначала расширяется в турбодетандере 13, а затем в канале циклонного сепаратора (или вихревой трубы) 16.

[32]

Двухфазную смесь, полученную после расширения, можно сепарировать на осушенный газ и двухфазный поток, из которого выделять жидкость в дополнительном сепараторе, газ из дополнительного сепаратора можно сжимать, охлаждать и смешивать с сырым газом. На Фиг.7 показан пример реализации такого способа. После расширения газа в турбодетандере 13 газ расширяется дополнительно в канале циклонного сепаратора (или вихревой трубы) 16. Перед подачей газа в циклонный сепаратор (или вихревую трубу) в сепараторе 18 от газа отделяется конденсат 19. Двухфазный поток из циклонного сепаратора (вихревой трубы) вместе с продуктами дросселирования конденсата 19 направляется в сепаратор 9, Жидкость из этого сепаратора направляют в сырой газ, а газ сжимают в компрессоре 14, охлаждают в аппарате воздушного охлаждения 15 и смешивают с сырым газом. Полученную смесь охлаждают в рекуперативном теплообменнике 20 за счет нагрева осушенного газа, поступающего из циклонного сепаратора (или вихревой трубы).

[33]

Для более сильного охлаждения газа, и соответственно понижения точки росы по воде осушенного газа, сырой газ, и/или смесь, образовавшуюся после смешения сырого газа с жидкостью, содержащей воду в растворенном виде, можно охладить.

[34]

На Фиг.8 показан пример реализации такого охлаждения. Сырой газ в данном варианте охлаждают последовательно в аппарате воздушного охлаждения 15 и рекуперативном теплообменнике 20, в котором в качестве хладоагента используют газ, полученный при смешении потока осушенного газа из циклонного сепаратора с потоком осушенного газа из дополнительного сепаратора 9.

[35]

Во всех приведенных вариантах реализации предлагаемого способа предполагается возможность добавления жидкости, содержащей свободную воду, в сырой газ до его расширения, при этом эта жидкость может быть дополнительно охлаждена.

[36]

Примеры реализации способа по пунктам 1-9 формулы изобретения приводятся на Фиг.1-8.

[37]

На Фиг.1 показана схема установки, реализующей заявленный способ по п.1 формулы, в соответствии с п.2 формулы расширение газа осуществляется в клапане Джоуля-Томсона.

[38]

На Фиг.2 - схема установки, в которой расширение газа осуществляется в турбодетандере 13, в компрессоре 14, установленном на одном валу с турбодетандером, осуществляется сжатие осушенного газа.

[39]

НаФиг.3 - схема установки по п.4 формулы изобретения, в которой в компрессоре 14, установленном на одном валу с турбодетандером 13 сжимают сырой газ 1, после сжатия газ охлаждают в аппарате воздушного охлаждения (АВО) 15.

[40]

На Фиг.4 - схема установки, в которой реализуется способ по п.5, 6, в которой расширение газа осуществляется в циклонном сепараторе 16 (или вихревой трубе).

[41]

НаФиг.5 - схема реализации способа по п.5, 6, в которой двухфазный поток, истекающий из циклонного сепаратора (или вихревой трубы) направляют в дополнительный сепаратор 9, где происходит сепарация жидкости 10, направляемой на смешение с сырым газом..

[42]

На Фиг.6 - схема реализации способа по п.7 с двухступенчатым расширением газа: сначала в турбодетандере 13, потом в циклонном сепараторе 16.

[43]

НаФиг.7 - схема реализации способа по п.8, в которой из потока смеси после турбодетандера 13 в сепараторе 18 сепарируется конденсат 19, который дросселируется и вместе с двухфазной смесью 8 из циклонного сепаратора 16 (или вихревой трубы) направляется в дополнительный сепаратор 9. Газ из сепаратора 9 сжимается в компрессоре 14, охлаждается в АВО 15 и смешивается с сырым газом 1, а осушенный газ 17 из циклонного сепаратора нагревается в теплообменнике 20 за счет охлаждения сырого газа и отправляется потребителю.

[44]

На Фиг.8 - схема реализации способа по п.9, в которой газ охлаждают сначала в АВО 15, а затем охлаждают в теплообменнике 20 за счет нагрева газа, полученного при смешении потока 17 осушенного газа из циклонного сепаратора с потоком осушенного газа из дополнительного сепаратора 9.

[45]

Таблица 1
1235681012
Температура, С40,00-27,8615,4615,4615,46-30,23-30,2331,52
Давление(кРа)5066,255066,255066,255066,255066,251400,001400,002985,85
Расход (kg/h)300410529373533473378941545333789452930284965
Расход растворенной воды (kg/h)4101593251601651601591
Расход свободной воды (kg/h)002440244000
Содержание CO2, в мольных долях0,97680,99210,97910,98110,93500,98110,99210,9791
Содержание N2, в мольных долях0,01990,00060,01700,01770,00280,01770,00060,0209
Содержание Н20, в мольных долях0,00330,00730,00390,00110,06220,00110,00730,0000*
- значение 0.0000 в содержание Н20 указывает на то, что доля Н20 меньше чем 0.0001

Как компенсировать расходы
на инновационную разработку
Похожие патенты