патент
№ RU 2660321
МПК G01L23/26

Устройство регистрации параметров быстропротекающих процессов

Авторы:
Абрамов Сергей Алексеевич Себряков Герман Георгиевич Мужичек Сергей Михайлович
Все (7)
Номер заявки
2017132320
Дата подачи заявки
15.09.2017
Опубликовано
05.07.2018
Страна
RU
Как управлять
интеллектуальной собственностью
Чертежи 
5
Реферат

Изобретение относится к измерительной технике и может быть использовано для определения параметров ударно-волнового и теплового полей, возникающих в окружающей среде в результате взрыва заряда взрывчатого вещества. В устройство регистрации параметров быстропротекающих процессов, содержащее информационный датчик и блок измерения, выход информационного датчика соединен с первым входом блока измерения, второй выход блока измерения является выходом устройства, в устройство дополнительно введены блок обмена данными, блок обработки и документирования, блок питания, причем первый выход блока измерения соединен с входом блока обмена данными, выход блока обмена данными соединен с входом блока измерения, выход блока обмена данными соединен с входом блока обработки и документирования, выход блока обработки и документирования соединен с входом блока обмена данными, выход блока питания соединен с вторым входом блока измерения. Техническим результатом изобретения является повышение информативности, точности и удобства эксплуатации устройства, а также автоматизация процессов измерений, обработки и документирования результатов быстропротекающих процессов. 6 з.п. ф-лы, 5 ил.

Формула изобретения

1. Устройство регистрации параметров быстропротекающих процессов, содержащее информационный датчик и блок измерения, выход информационного датчика соединен с первым входом блока измерения, второй выход блока измерения является вторым выходом устройства отличающееся тем, что в устройство дополнительно введены блок обмена данными, блок обработки и документирования, блок питания, причем первый выход блока измерения соединен с входом блока обмена данными, выход блока обмена данными соединен с входом блока измерения, выход блока обмена данными соединен с входом блока обработки и документирования, выход блока обработки и документирования соединен с входом блока обмена данными, выход блока питания соединен с вторым входом блока измерения.

2. Устройство по п. 1, в котором информационный датчик содержит n датчиков избыточного давления и n датчиков температуры, группа выходов n датчиков избыточного давления и группы выходов n датчиков температуры соединены с группой входов блока измерения.

3. Устройство по п. 1, в котором блок измерения содержит цепи согласования сигналов, n усилителей напряжения, n - канальный АЦП, прецизионный источник опорного напряжения для АЦП, супервизор канала давлений, кварцевый задающий генератор, микроконтроллер канала давлений, com-порт, n преобразователей "Термопара - Цифра" с компенсацией температуры холодного спая, схему гальваноразвязки и преобразования уровней напряжений сигналов, микроконтроллер канала температур, супервизор канала температур, модуль отладки, радиотрансивер, группа входов блока измерения, соединенная с группой выходов n датчиков давления, соединена через цепи согласования сигналов с входами n усилителей заряда, выходы которых соединены с n входами n-канального АЦП, выход прецизионного источника опорного напряжения для АЦП соединен с входом многоканального АЦП, выход многоканального АЦП соединен с входом микроконтроллера канала давлений, выход супервизора канала давлений соединен с входом микроконтроллера канала давлений, первый выход кварцевого задающего генератора соединен с входом микроконтроллера канала давлений, второй выход кварцевого задающего генератора соединен с входом микроконтроллера канала температур, выход микроконтроллера канала давлений соединен с входом многоканального АЦП, входы n преобразователей "Термопара - Цифра" с компенсацией температуры холодного спая соединены с группой выходов n датчиков температуры, выходы n преобразователей "Термопара - Цифра" с компенсацией температуры холодного спая соединены в n входами схемы гальваноразвязки и преобразования уровней напряжений сигналов, выходы которых соединены с входами микроконтроллера канала температур, выход супервизора канала температур соединен с входом микроконтроллера канала температур, первый выход модуля отладки соединен с входом микроконтроллера канала давлений, второй выход модуля отладки соединен с входом микроконтроллера канала температур, выход модуля отладки соединен с входом блока обработки и документирования, выход блока обработки и документирования соединен с входом модуля отладки, выход микроконтроллера канала температур соединен с входом схемы гальваноразвязки и преобразования уровней напряжений сигналов, выход микроконтроллера канала давлений соединен с входом радиотрансивера, выход микроконтроллера канала давлений соединен с входом com-порта,

выход микроконтроллера канала давлений соединен с входом микроконтроллера канала температур, выход микроконтроллера канала температур соединен с входом микроконтроллера канала давлений, выход микроконтроллера канала температур соединен с входом радиотрансивера, выход микроконтроллера канала температур соединен с входом соm-порта, выход радиотрансивера соединен с входом блока обмена данными.

4. Устройство по п. 1, в котором блок обмена данными содержит приемопередатчик данных, модуль метеодатчиков, управляющую микроЭВМ, преобразователь, выход радиотрансивера соединен с входом приемопередатчика данных, выход приемопередатчика данных соединен с входом радиотрансивера блока измерений, выход приемопередатчика данных соединен с входом управляющей микроЭВМ, выход управляющей микроЭВМ соединен с входом приемопередатчика данных, выход модуля метеодатчиков соединен с входом управляющей микроЭВМ, выход управляющей микроЭВМ соединен с входом преобразователя, выход преобразователя соединен со входом управляющей микроЭВМ, выход преобразователя является выходом блока обмена данными.

5. Устройство по п. 1, в котором блок обработки и документирования содержит персональную ЭВМ и устройство документирования, выход персональной ЭВМ соединен с входом устройства документирования, выход устройства документирования соединен с входом персональной ЭВМ, вход персональной ЭВМ соединен с выходом блока обмена данными, выход персональной ЭВМ соединен с входом блока обмена данными, выход устройства документирования является первым выходом устройства.

6. Устройство по п. 1, в котором блок питания содержит аккумулятор и преобразователи напряжения аккумулятора в питающие напряжения блока измерения, выход аккумулятора соединен с входами преобразователей напряжения аккумулятора в питающие напряжения блока измерения, выходы преобразователей напряжения аккумулятора в питающие напряжения блока измерения являются выходами блока питания.

7. Устройство по п. 2 отличающееся тем, что информационный датчик содержит n объединенных датчиков избыточного давления и температуры, группа выходов которых соединена с группой входов блока измерения.

Описание

[1]

Изобретение относится к измерительной технике и может быть использовано при проведении испытаний объектов, формирующих в окружающей среде быстропротекающие процессы.

[2]

Известен автономный измеритель давления, содержащий информационный (пьезоэлектрический) датчик давления и блок измерения, который состоит из аналого-цифрового преобразователя, блока памяти, элемента записи номера блока, причем выход пьезоэлектрического датчика соединен с входом аналого-цифрового преобразователя, цифровой выход которого соединен с цифровым входом блока памяти, цифровой выход которого является выходом автономного измерителя давления [1].

[3]

Недостатками данного автономного измерителя давления является недостаточная информативность из-за отсутствия возможности измерения профиля ударной волны на заданной поверхности, отсутствие возможности неконтактного съема показаний, недостаточная функциональность из-за невозможности определения скорости движения ударной волны и температуры окружающей среды после прохождения ударной волны.

[4]

Наиболее близким к изобретению является автономный измеритель давления, содержащий информационный датчик и блок измерения, который содержит аналого-цифровой преобразователь и блок памяти, при этом информационный датчик содержит n датчиков избыточного давления, аналого-цифровой преобразователь является n-канальным, n программируемых усилителей заряда, блок измерения содержит микроЭВМ, задатчик эталонных напряжений, блок параметров окружающей среды и текущего времени, блок контроля, супервизор, радиотрансивер и com-порт, при этом группа выходов n датчиков избыточного давления через программируемые усилители заряда соединена с первой группой n входов аналого-цифрового преобразователя, цифровой выход которого соединен с первым входом микроЭВМ, первый выход которой соединен с входом блока памяти, а второй выход - с входом радиотрансивера, первый выход блока контроля соединен со вторыми входами n программируемых усилителей заряда, а второй выход - с входом задатчика эталонных напряжений, выход которого соединен со вторым входом аналого-цифрового преобразователя, выход супервизора соединен со вторым входом микроЭВМ, выход блока памяти соединен с третьим входом микроЭВМ, выход блока параметров окружающей среды и текущего времени соединен с четвертым входом микроЭВМ, вход com-порта связан с микроЭВМ с возможностью считывания информации о результатах экспериментов при возникновении необходимости или отказе радиотрансивера, а его выход является вторым выходом блока измерений, выход радиотрансивера является первым выходом блока измерений [2].

[5]

Недостатками данного автономного измерителя давления является недостаточная функциональность из-за невозможности определения скорости движения фронта ударной волны, а также зависимости изменения скорости движения ударной волны от расстояния до источника ее возникновения, недостаточная функциональность из-за невозможности определения температуры нестационарного газового потока, теплового импульса потока, скорости движения фронта теплового возмущения, зависимости скорости движения фронта теплового возмущения от расстояния до источника его возникновения, а также недостаточная автоматизация процесса измерений, обработки и документирования результатов измерений.

[6]

Технической задачей изобретения является повышение информативности устройства за счет измерения в одном опыте одним прибором параметров полей давления и температуры, возникающих в окружающей среде в результате подрыва заряда взрывчатого вещества, а также автоматизация процесса измерений, обработки и документирования результатов измерений.

[7]

Решение технической задачи достигается тем, что в устройстве регистрации параметров быстропротекающих процессов, содержащем информационный датчик и блок измерения, выход информационного датчика соединен с первым входом блока измерения, второй выход блока измерения является вторым выходом устройства, в устройство дополнительно введены блок обмена данными, блок обработки и документирования, блок питания, причем первый выход блока измерения соединен с входом блока обмена данными, выход блока обмена данными соединен с входом блока измерения, выход блока обмена данными соединен с входом блока обработки и документирования, выход блока обработки и документирования соединен с входом блока обмена данными, выход блока питания соединен с вторым входом блока измерения.

[8]

Кроме того, информационный датчик содержит n датчиков избыточного давления и n датчиков температуры, группа выходов n датчиков избыточного давления и группы выходов n датчиков температуры соединены с группой входов блока измерения. При этом, информационный датчик может содержать n объединенных датчиков избыточного давления и температуры, группа выходов которых соединена с группой входов блока измерения.

[9]

Кроме того, блок измерения содержит цепи согласования сигналов, n усилителей напряжения, n - канальный АЦП, прецизионный источник опорного напряжения для АЦП, супервизор канала давлений, кварцевый задающий генератор, микроконтроллер канала давлений, com-порт, n преобразователей "Термопара - Цифра" с компенсацией температуры холодного спая, схему гальваноразвязки и преобразования уровней напряжений сигналов, микроконтроллер канала температур, супервизор канала температур, модуль отладки, радиотрансивер, группа входов блока измерения, соединенная с группой выходов n датчиков давления, соединена через цепи согласования сигналов с входами n усилителей заряда, выходы которых соединены с n входами n - канального АЦП, выход прецизионного источника опорного напряжения для АЦП соединен с входом многоканального АЦП, выход многоканального АЦП соединен с входом микроконтроллера канала давлений, выход супервизора канала давлений соединен с входом микроконтроллера канала давлений, первый выход кварцевого задающего генератора соединен с входом микроконтроллера канала давлений, второй выход кварцевого задающего генератора соединен с входом микроконтроллера канала температур, выход микроконтроллера канала давлений соединен с входом многоканального АЦП, входы n преобразователей "Термопара - Цифра" с компенсацией температуры холодного спая соединены с группой выходов n датчиков температуры, выходы n преобразователей "Термопара - Цифра" с компенсацией температуры холодного спая соединены в n входами схемы гальваноразвязки и преобразования уровней напряжений сигналов, выходы которых соединены с входами микроконтроллера канала температур, выход супервизора канала температур соединен с входом микроконтроллера канала температур, первый выход модуля отладки соединен с входом микроконтроллера канала давлений, второй выход модуля отладки соединен с входом микроконтроллера канала температур, выход модуля отладки соединен с входом блока обработки и документирования, выход блока обработки и документирования соединен со входом модуля отладки, выход микроконтроллера канала температур соединен с входом схемы гальваноразвязки и преобразования уровней напряжений сигналов, выход микроконтроллера канала давлений соединен с входом радиотрансивера, выход микроконтроллера канала давлений соединен с входом com-порта, выход микроконтроллера канала давлений соединен с входом микроконтроллера канала температур, выход микроконтроллера канала температур соединен с входом микроконтроллера канала давлений, выход микроконтроллера канала температур соединен с входом радиотрансивера, выход микроконтроллера канала температур соединен с входом com-порта, выход радиотрансивера соединен с входом блока обмена данными.

[10]

Кроме того, блок обмена данными содержит приемопередатчик данных, модуль метеодатчиков, управляющую микроЭВМ, преобразователь, выход радиотрансивера соединен с входом приемопередатчика данных, выход приемопередатчика данных соединен с входом радиотрансивера блока измерений, выход приемопередатчика данных соединен с входом управляющей микроЭВМ, выход управляющей микроЭВМ соединен со входом приемопередатчика данных, выход модуля метеодатчиков соединен с входом управляющей микроЭВМ, выход управляющей микроЭВМ соединен с входом преобразователя, выход преобразователя соединен со входом управляющей микроЭВМ, выход преобразователя является выходом блока обмена данными.

[11]

Кроме того, блок обработки и документирования содержит персональную ЭВМ и устройство документирования, выход персональной ЭВМ соединен с входом устройства документирования, выход устройства документирования соединен с входом персональной ЭВМ, вход персональной ЭВМ соединен с выходом блока обмена данными, выход персональной ЭВМ соединен с входом блока обмена данными, выход устройства документирования является первым выходом устройства.

[12]

Кроме того, блок питания содержит аккумулятор и преобразователи напряжения аккумулятора в питающие напряжения блока регистрации, выход аккумулятора соединен с входами преобразователей напряжения аккумулятора в питающие напряжения блока регистрации, выходы преобразователей напряжения аккумулятора в питающие напряжения блока регистрации являются выходами блока питания.

[13]

Новыми элементами, обладающими существенными отличиями по устройству, являются: блок обмена данными, блок обработки и документирования, блок питания, n датчиков давления (n ≥ 4) и n датчиков температуры (n ≥ 4) информационного датчика размещены попарно перпендикулярно направлению движения фронта ударной волны на равных расстояниях R друг от друга, а также связи между известными и новыми признаками, то есть новая схема устройства.

[14]

На фиг. 1 приведена функциональная схема устройства регистрации параметров быстропротекающих процессов, на фиг. 2 - функциональная схема информационного датчика, на фиг. 3 - функциональная схема блока измерения, на фиг. 4 - функциональная схема блока обмена данными, на фиг. 5 - функциональная схема блока питания.

[15]

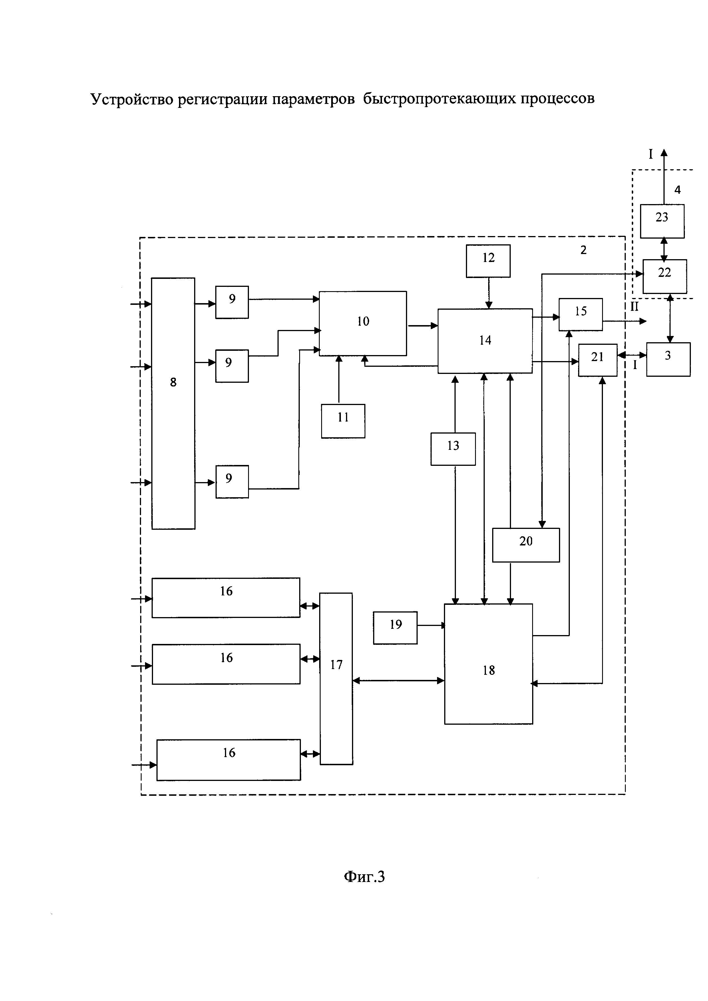
Устройство регистрации параметров быстропротекающих процессов содержит информационный датчик 1, блок 2 измерения, выход информационного датчика 1 соединен с первым входом блока 2 измерения, второй выход блока 2 измерения является вторым выходом устройства, в устройство дополнительно введены блок 3 обмена данными, блок 4 обработки и документирования, блок 5 питания, причем первый выход блока 2 измерения соединен с входом блока 3 обмена данными, выход блока 3 обмена данными соединен с входом блока 2 измерения, выход блока 3 обмена данными соединен с входом блока 4 обработки и документирования, выход блока 4 обработки и документирования соединен с входом блока 3 обмена данными, выход блока 5 питания соединен с вторым входом блока 2 измерения. Информационный датчик 1 содержит n датчиков избыточного давления и n датчиков температуры, группа выходов n датчиков избыточного давления и группы выходов n датчиков температуры соединены с группой входов блока 2 измерения. Блок 2 измерения содержит цепи 8 согласования сигналов, n усилителей 9 напряжения, n - канальный АЦП 10, прецизионный источник 11 опорного напряжения для АЦП, супервизор 12 канала давлений, кварцевый задающий генератор 13, микроконтроллер 14 канала давлений, com-порт 15, n преобразователей 16 "Термопара - Цифра" с компенсацией температуры холодного спая, схему 17 гальваноразвязки и преобразования уровней напряжений сигналов, микроконтроллер 18 канала температур, супервизор 19 канала температур, модуль 20 отладки, радиотрансивер 21, группа входов блока 2 измерения, соединенная с группой выходов n датчиков давления, соединена через цепи 8 согласования сигналов с входами n усилителей 9 заряда, выходы которых соединены с n входами n - канального АЦП 10, выход прецизионного источника 11 опорного напряжения для АЦП соединен с входом многоканального АЦП 10, выход многоканального АЦП 10 соединен с входом микроконтроллера 14 канала давлений, выход супервизора 12 канала давлений соединен с входом микроконтроллера 14 канала давлений, первый выход кварцевого задающего генератора 13 соединен с входом микроконтроллера 14 канала давлений, второй выход кварцевого задающего генератора 13 соединен с входом микроконтроллера 18 канала температур, выход микроконтроллера 14 канала давлений соединен с входом многоканального АЦП 10, входы n преобразователей 16 "Термопара - Цифра" с компенсацией температуры холодного спая соединены с группой выходов n датчиков температуры, выходы n преобразователей 16 "Термопара - Цифра" с компенсацией температуры холодного спая соединены с n входами схемы 17 гальваноразвязки и преобразования уровней напряжений сигналов, выходы которых соединены с входами микроконтроллера 18 канала температур, выход супервизора 19 канала температур соединен с входом микроконтроллера 18 канала температур, первый выход модуля 20 отладки соединен с входом микроконтроллера 14 канала давлений, второй выход модуля 20 отладки соединен с входом микроконтроллера 18 канала температур, выход модуля 20 отладки соединен с входом блока 4 обработки и документирования, выход блока 4 обработки и документирования соединен с входом модуля 20 отладки, выход микроконтроллера 18 канала температур соединен с входом схемы 17 гальваноразвязки и преобразования уровней напряжений сигналов, выход микроконтроллера 14 канала давлений соединен с входом радиотрансивера 21, выход микроконтроллера 14 канала давлений соединен с входом com-порта 15, выход микроконтроллера 14 канала давлений соединен с входом микроконтроллера 18 канала температур, выход микроконтроллера 18 канала температур соединен с входом микроконтроллера 14 канала давлений, выход микроконтроллера 18 канала температур соединен с входом радиотрансивера 21, выход микроконтроллера 18 канала температур соединен с входом com-порта 15, выход радиотрансивера 21 соединен с входом блока 3 обмена данными.

[16]

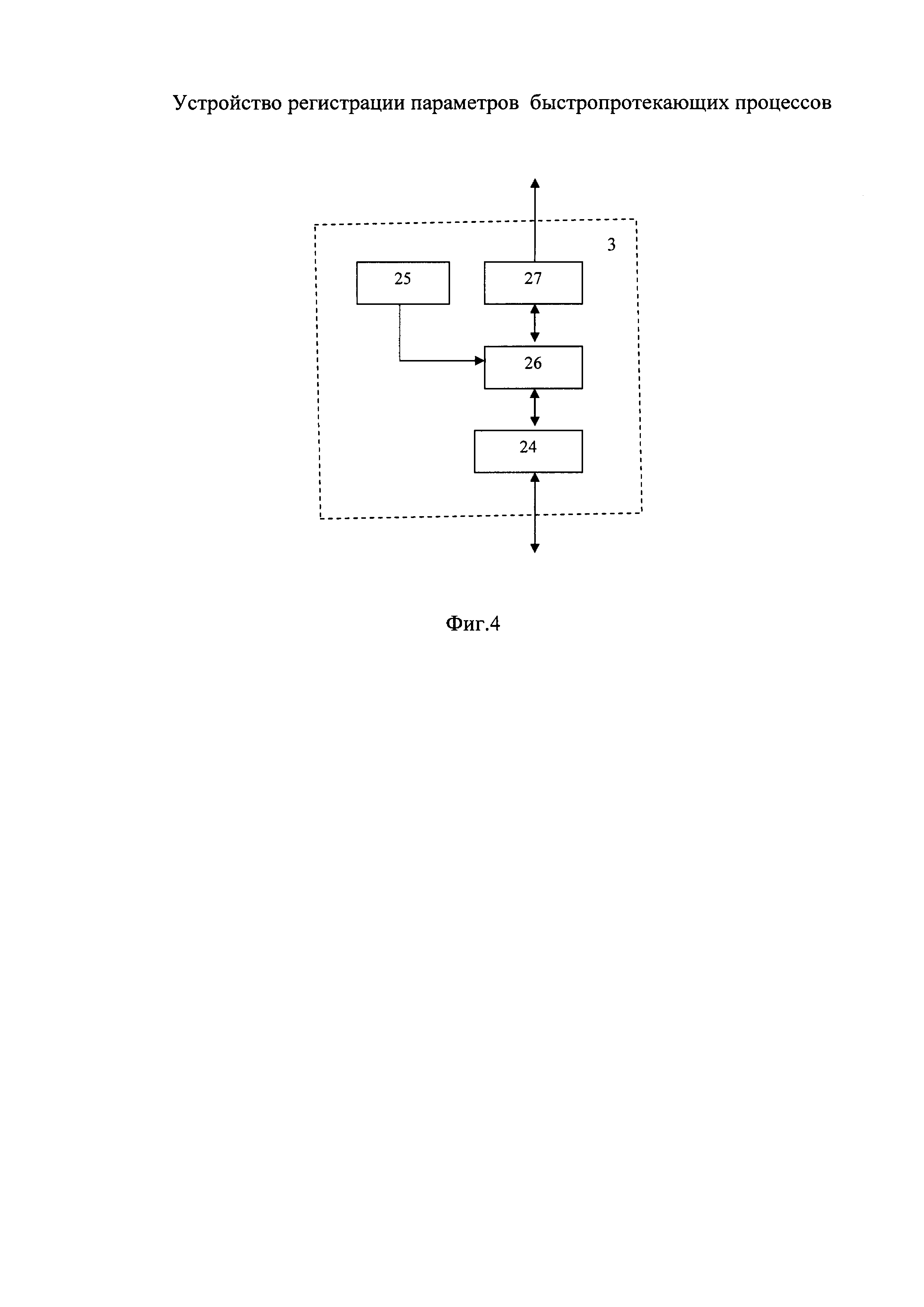
Блок 3 обмена данными содержит приемопередатчик 24 данных, модуль метеодатчиков 25, управляющую микроЭВМ 26, преобразователь 27, выход радиотрансивера 21 соединен с входом приемопередатчика 24 данных, выход приемопередатчика 24 данных соединен с входом радиотрансивера 21 блока измерений, выход приемопередатчика 24 данных соединен с входом радиотрансивера 21, выход приемопередатчика 24 данных соединен с входом управляющей микроЭВМ 26, выход управляющей микроЭВМ 26 соединен с входом приемопередатчика 24 данных, выход модуля метеодатчиков 25 соединен с входом управляющей микроЭВМ 26, выход управляющей микроЭВМ 26 соединен с входом преобразователя 27, выход преобразователя 27 соединен с входом управляющей микроЭВМ 26, выход преобразователя 27 является выходом блока 3 обмена данными.

[17]

Блок 4 обработки и документирования содержит персональную ЭВМ 22 и устройство 23 документирования, выход персональной ЭВМ 22 соединен с входом устройства 23 документирования, выход устройства 23 документирования соединен с входом персональной ЭВМ 22, вход персональной ЭВМ 22 соединен с выходом блока 3 обмена данными, выход персональной ЭВМ 22 соединен с входом блока 3 обмена данными, выход устройства 23 документирования является первым выходом устройства.

[18]

Блок 5 питания содержит аккумулятор 28 и преобразователи 29 напряжения аккумулятора 28 в питающие напряжения блока 2 измерения, выход аккумулятора 28 соединен с входами преобразователей 29 напряжения аккумулятора 28 в питающие напряжения блока 2 измерения, выходы преобразователей 29 напряжения аккумулятора 28 в питающие напряжения блока 2 измерения являются выходами блока 5 питания.

[19]

Устройство регистрации параметров быстропротекающих процессов работает следующим образом.

[20]

Во время проведения измерений параметров ударно-волнового и теплового полей заряда взрывчатого вещества происходит воздействие ударной волны на информационный датчик 1 устройства, то есть на n датчиков 6 давления и n датчиков 7 температуры, размещенных попарно перпендикулярно направлению движения фронта ударной волны на равных расстояниях R друг от друга, сигналы с выходов которых поступают на вход блока 2 измерения, где осуществляется их обработка. Обработанные данные по давлению и температуре поступают на вход радиотрансивера 21 и вход com-порта 15 блока 2 измерения. С выхода радиотрансивера 21 данные по радиоканалу поступают на вход приемопередатчика 24 данных блока 3 обмена данными. В случае отказа радиоканала передачи данных, результаты измерений снимаются с com-порта 15 блока 2 измерения и далее обрабатываются установленным порядком.

[21]

С выхода приемопередатчика 24 данных данные поступают на вход управляющей микроЭВМ 26, на другой вход которой поступают сигналы метеодатчиков 25 об атмосферном давлении, температуре, влажности окружающей среды и текущем времени во время проведения опыта.

[22]

Далее обобщенные данные об эксперименте поступают на вход персональной ЭВМ 22 блока 4 обработки и документирования, где осуществляется их дополнительная обработка. В результаты этой обработки определяется давление на фронте ударной волны, импульс ударной волны, скорость движения фронта ударной волны, профиль ударной волны, зависимость изменения скорости движения ударной волны от расстояния до источника ее возникновения, температура нестационарного газового потока, тепловой импульс нестационарного газового потока, скорость движения фронта теплового возмущения, профиль теплового поля, зависимость скорости движения фронта теплового возмущения от расстояния до источника его возникновения и другие параметры.

[23]

Скорость движения фронта ударной волны определяется следующим образом. Персональная ЭВМ 22 обрабатывает результаты эксперимента и определяет для каждого из n датчиков давления величину давления на фронте ударной волны, импульс ударной волны. Кроме того, с учетом расположения n датчиков давления относительно источника ударной волны и расстояния между ними R, а также времени t прохождения фронтом ударной волны расстояния R, по формуле она рассчитывает скорость V движения фронта ударной волны на участке от R1 до R2, R2 до R3, R3 до R4 и т.д. Так как датчиков давления должно быть n ≥ 4, то в результате расчетов получается набор скоростей V1, V2 V3, … Vn-1, из анализа которого определяется зависимость изменения скорости движения фронта ударной волны от расстояния до источника ударной волны.

[24]

Скорость движения теплового фронта определяется следующим образом. Персональная ЭВМ 22 обрабатывает результаты эксперимента и определяет для каждого из n датчиков температуры величину температуры на фронте теплового возмущения, импульс теплового возмущения. Кроме того, с учетом расположения n датчиков температуры относительно источника теплового возмущения и расстояния R между ними, а также времени t прохождения фронтом теплового возмущения расстояния R, по формуле она рассчитывает скорость V движения фронта теплового возмущения на участке от R1 до R2, R2 до R3, R3 до R4 и т.д. Так как датчиков температуры должно быть n ≥ 4, то в результате расчетов получается набор скоростей V1, V2 V3, … Vn-1, из анализа которого определяется зависимость скорости движения фронта теплового возмущения от расстояния до источника его возникновения.

[25]

Затем все параметры, определяемые в ходе эксперимента, документируются с помощью устройства 23 документирования.

[26]

Рассмотрим более подробно работу канала измерения давления блока 2 измерения. Для измерения давления используются пьезоэлектрические (или другие) датчики давления. Для согласования сигналов с выходов датчиков с входами АЦП 10 служат цепи 8 согласования сигналов и усилители 9 напряжения с высоким входным сопротивлением. Нормированные сигналы с выходов усилителей 9 напряжения подаются на входы многоканального АЦП 10 с высокой частотой выборок. Каждый вход АЦП 10 имеет отдельный усилитель выборки и хранения, что позволяет сохранить фазовые соотношения сигналов по всем каналам регистрации давлений. Данные с АЦП 10 выдаются по стандартному параллельному интерфейсу в микроконтроллер 14 канала давлений. Микроконтроллер 14 канала давлений осуществляет формирование всех необходимых для нормальной работы АЦП 10 управляющих сигналов, запускает начало преобразования АЦП 10 и считывает данные в свое ОЗУ после окончания преобразования по n каналам.

[27]

Работа микроконтроллера 14 канала давлений синхронизируется кварцевым генератором 13 на заданной частоте. Система прерываний и таймеры микроконтроллера 14 канала давлений обеспечивают строгие временные характеристики сигналов управления АЦП 10.

[28]

Супервизор 12 канала давлений служит для надежного запуска микроконтроллера 14 канала давлений при подаче на него питания и в случае его пропадания на короткое время. Накопленные замеры давлений по запросу от микроконтроллера 18 канала температур передаются в радиотрансивер 21 для передачи данных в персональную ЭВМ 22 блока 4 обработки и документирования. Микроконтроллеры 14 канала давлений и 18 канала температур взаимодействуют между собой по программно-управляемому интерфейсу в соответствии с заложенным алгоритмом функционирования устройства.

[29]

Накопление значений давлений начинается в момент превышения сигналом с датчика 6 давления установленного порога значения давления и заканчивается после истечения заданного времени наблюдения. При необходимости частоту выборок и их количество можно задавать программно от персональной ЭВМ 22 перед началом эксперимента. Одновременно с началом выборок по давлению происходит накопление данных о температуре по n каналам. Период и количество отсчетов задаются от ПК с учетом характеристик используемых датчиков температуры.

[30]

Рассмотрим более подробно работу канала измерения температуры блока 2 измерения. В качестве датчиков 7 температуры используются термопары К - типа из сверхтонких проводников или другие датчики температуры. Сигнал с термопар 7 подается на специализированные интегральные микросхемы, например преобразователи "термопара - цифра" типа MAX31855KASA+. Они предназначены для преобразования в цифровую форму сигналов с термопар K - типов и обеспечивают компенсацию их опорных спаев. Преобразователи "термопара - цифра" имеют цифровой, SPI-совместимый интерфейс, функционирующий в режиме чтения данных в знаковом, 14-ти разрядном формате.

[31]

Преобразователи "термопара - цифра" позволяют проводить измерения, как при низких (от -270°С), так и высоких температурах (до +1800°С) и обеспечивают точность в ±2°С в температурном диапазоне от -200°С до +700°С для термопар К-типа без необходимости проведения дополнительной калибровки.

[32]

Преобразователи "термопара - цифра" имеют в своем составе все необходимые функциональные узлы: прецизионный усилитель, АЦП, датчик температуры для компенсации опорного спая термопары, узел контроля состояния цепей датчика температуры и 3-х проводной интерфейс. В состав преобразователей "термопара - цифра" входят электронные ключи, с помощью которых выявляются замыкания проводов термопары на шину питания или общую шину, а также разрыв в измерительной цепи.

[33]

Применение преобразователей "термопара - цифра" в измерительных каналах температуры позволяет получить действительные значения температуры непосредственно в градусах Цельсия, представленные в двоичном виде.

[34]

Работой всех каналов измерений температуры управляет микроконтроллер 18 канала температур, который сохраняет значения температур в своей оперативной памяти ОЗУ. После окончания процесса регистрации данных по запросу от персональной ЭВМ 22 через блок 3 обмена данными, накопленные данные о давлениях и температурах по радиоканалу передаются в персональную ЭВМ 22.

[35]

Блок 3 обмена данными предназначен для передачи команд управления от персональной ЭВМ 22 в блок 2 измерения по радиоканалу и для приема накопленных данных от блока 2 измерения с целью преобразования их и передачи в персональную ЭВМ 22. Модуль метеодатчиков 25 включает миниатюрный электронный датчик атмосферного давления, температуры и влажности типа ВМЕ280. Датчик обеспечивает измерения давления, температуры и влажности окружающей среды с достаточной точностью. Также модуль включает в свой состав схему электронного хронометра ХМ повышенной точности на базе интегральной схемы DS3231 с кварцевым генератором и температурной компенсацией его работы. Модуль питается от отдельного аккумулятора, входящего в его состав и обеспечивающего долгосрочную точность хронометража. При передаче накопленных данных от блока 2 измерения в персональную ЭВМ 22 также передаются данные о температуре, давлении, влажности окружающей среды, а также времени проведения эксперимента. Микроконтроллер управляющей микроЭВМ 26 блока 3 обмена данными управляет приемопередатчиком 24 для мониторинга электромагнитной обстановки окружающей среды с целью обеспечения надежной связи по радиоканалу между блоком 2 измерения и блоком 3 обмена данными. Преобразователь интерфейса 27 служит для обеспечения связи персональной ЭВМ 22 через интерфейс с микроконтроллером управляющей микроЭВМ 26 блока 3 обмена данными.

[36]

Следует отметить, что блок 2 измерения размещается в месте проведения эксперимента. Блоки 3 и 4 устройства располагаются на рабочем месте оператора и питаются от интерфейса USB персональной ЭВМ 22, входящей в состав блока 4 обработки и документирования.

[37]

Для питания блока 2 измерения применяется необслуживаемый аккумулятор, например, типа GP6120 (6 В х12 Ач), емкости которого хватает на 10 часов непрерывной работы блока. Перед использованием в составе устройства аккумулятор помещается в металлический герметичный блок, отвечающий требованиям IP66, оснащенный разъемом и размыкателем питания. Заряд аккумулятора осуществляется стандартным зарядным устройством, например, типа ChAPb-220-6-1800 с комбинированным методом заряда от сети 220В.

[38]

Использование предлагаемого технического решения позволяет повысить информативность, точность и удобство эксплуатации устройства, а также автоматизировать процесс измерений, обработки и документирования результатов быстропротекающих процессов.

[39]

Источники информации

[40]

1. Автономный измеритель давления. АИДА-М. Техническое описание и инструкция по эксплуатации.

[41]

2. Мужичек С.М., Яковлев А.А., Ефанов В.В. Патент РФ на изобретение №2367919, 2009 (прототип).

Как компенсировать расходы
на инновационную разработку
Похожие патенты