патент
№ RU 2413293
МПК G06F11/16
Номер заявки
2008126121/08
Дата подачи заявки
11.12.2006
Опубликовано
27.02.2011
Страна
RU
Как управлять
интеллектуальной собственностью
Чертежи 
1
Реферат

Изобретение относится к системам сбора и обработки информации для интегрированных систем безопасности объекта. Техническим результатом является обеспечение того, что одиночный отказ сервера, компьютера автоматизированного рабочего места, компонента компьютерной сети, управляющего компьютера, многопортового устройства или преобразователя интерфейса не скажется на работе системы, при отказе приемопередающего устройства, или обрыве линии связи с периферийным устройством происходит потеря связи только с одним периферийным устройством. Система сбора и обработки информации для интегрированных систем безопасности объекта содержит управляющие компьютеры, компьютеры автоматизированных рабочих мест и серверы, объединенные компьютерной сетью Ethernet. Управляющие компьютеры снабжены многопортовыми устройствами, одноименные порты которых попарно подсоединены через преобразователи интерфейса к группам приемопередатчиков, связанных с преобразователями интерфейса. Приемопередатчики соединены линиями связи с периферийными устройствами. 8 з.п. ф-лы, 2 ил.

Формула изобретения

1. Система сбора и обработки информации для интегрированной системы безопасности объекта, содержащая серверы, компьютеры автоматизированных рабочих мест, управляющие компьютеры, объединенные отказоустойчивой сетью Ethernet, а также многопортовые устройства и периферийные контроллеры, причем каждый управляющий компьютер соединен со своим многопортовым устройством, отличающаяся тем, что для каждого управляющего компьютера и соединенного с ним многопортового устройства введены резервные управляющий компьютер и связанное с ним многопортовое устройство, к каждому порту многопортового устройства подключен преобразователь интерфейса, при этом основной и резервный преобразователи интерфейса, подключенные к одноименным портам соответственно основного и резервного многопортовых устройств, соединены с каждым приемопередатчиком из одной группы приемопередатчиков, а каждый приемопередатчик соединен линией связи с периферийным контроллером.

2. Система по п.1, отличающаяся тем, что приемопередатчики выполнены с аналоговыми сумматорами сигналов основного и резервного преобразователей интерфейса, а входы преобразователя интерфейса выполнены с аналоговыми сумматорами сигналов от группы приемопередатчиков.

3. Система по п.1 или 2, отличающаяся тем, что в качестве преобразователя интерфейса использован преобразователь сигналов интерфейса RS-232 в биполярный фазоманипулированный код с нулевой постоянной составляющей.

4. Система по п.3, отличающаяся тем, что на входах и выходах приемопередатчиков и на входах преобразователей интерфейсов введены развязывающие конденсаторы.

5. Система по п.4, отличающаяся тем, что приемопередатчики имеют трансформаторную гальваническую развязку с линией связи.

6. Система по п.5, отличающаяся тем, что в приемопередатчиках выходная обмотка трансформатора гальванической развязки с линией связи выполнена с отводом от середины.

7. Система по п.1, отличающаяся тем, что в приемопередатчик введен двухполюсник согласования с линией связи в необходимом диапазоне частот.

8. Система по п.1, отличающаяся тем, что в приемопередатчики введены каскады подавления на входах приемников передаваемых сигналов.

9. Система по п.1, отличающаяся тем, что в приемопередатчики введены каскады амплитудно-частотной коррекции принимаемого сигнала.

Описание

[2]

Область техники

[3]

Изобретение относится к системам сбора и обработки информации для интегрированных систем безопасности объектов.

[4]

Предшествующий уровень техники

[5]

Важной составной частью системы безопасности больших объектов является система сбора и обработки информации. В общем случае она содержит серверы, компьютеры автоматизированных рабочих мест, управляющие компьютеры и разнообразные периферийные устройства. К периферийным устройствам относятся, например, контроллеры доступа и охранной сигнализации, непосредственно взаимодействующие со средствами обнаружения, устройствами идентификации и исполнительными устройствами.

[6]

Обмен информацией между компьютерами, входящими в систему, осуществляется через локальную сеть Ethernet. Периферийные устройства, как правило, подключаются к управляющим компьютерам через магистрали с интерфейсом RS-485. К одной магистрали могут быть подключены ограниченное число периферийных устройств, обычно не более 32. Если компьютер имеет достаточное количество портов RS-485, то магистрали могут подключаться непосредственно к этим портам. Если же таких портов нет или их недостаточно, - компьютер может быть снабжен многопортовым устройством с необходимым количеством портов нужного типа. Многопортовое устройство может быть связано с компьютером через последовательный порт, через системную шину или через сеть Ethernet. На больших объектах количество периферийных устройств может достигать нескольких сотен и даже тысяч, поэтому используются многопортовые устройства.

[7]

Важной характеристикой системы сбора и обработки информации, предназначенной для системы безопасности, является способность выполнять свои функции при отказах компонентов системы, в том числе линий связи с периферийными устройствами, т.е. ее живучесть. Живучесть - свойство объекта сохранять ограниченную работоспособность при наличии дефектов или повреждений определенного вида, а также при отказе некоторых компонентов (ГОСТ 27.002-89. Надежность в технике. Основные понятия. Термины и определения.) Известным способом повышения живучести является резервирование.

[8]

Существуют такие системы, как система сбора и обработки информации АС-СаД32, выпускаемая АО "АЛГОНТ", г.Калуга, Россия, http://www.algont.ru.; или подсистема сбора и обработки информации интегрированной системы безопасности, изготавливаемая фирмой "ЭВС", г.Санкт-Петербург, Россия, www.evs.ru. В таких системах для повышения надежности функционирования системы используется резервирование части компонентов. Обычно это серверы и компьютеры АРМ, связанные сетью Ethernet. Для построения отказоустойчивой сети Ethernet используются типовые схемы на основе стандартного оборудования.

[9]

Недостатками упомянутых систем можно считать то, что в системе фирмы ЭВС периферийные контроллеры (до 32 шт.) подключены к магистралям с интерфейсом RS-485. Такие неисправности, как отказ преобразователя интерфейса или короткое замыкание линии связи приводит к потере связи со всеми периферийными контроллерами, подключенными к магистрали.

[10]

В системе АССаД32 периферийные контроллеры также подключены к магистралям с интерфейсом RS-485. Кроме того, контроллеры, управляющие магистралями, также соединены с управляющим компьютером магистралью RS-485. Неисправность в этой магистрали приводит к потере связи со всеми периферийными контроллерами.

[11]

Наиболее близкой к предлагаемой системе является система сбора и обработки информации «Кедр», фирмы «Дедал», г.Дубна, Московская обл., Россия, http://www.dedal.ru. Она выбрана в качестве прототипа. Система содержит серверы, компьютеры автоматизированных рабочих мест, управляющие компьютеры (магистральные контроллеры), снабженные многопортовыми устройствами с 4 портами RS-485, и периферийные контроллеры. Серверы, компьютеры автоматизированных рабочих мест и управляющие компьютеры соединены сетью Ethernet. Серверы и компьютеры автоматизированных рабочих мест резервированы. Управляющие компьютеры через многопортовые устройства соединены с периферийными контроллерами магистралями с интерфейсом RS-485. К одной магистрали может подключаться до 32 периферийных контроллеров. При отказе сервера или компьютера АРМ вместо него начинает работать резервный.

[12]

Недостатком прототипа является ее низкая живучесть, а именно: если отказывает управляющий компьютер или многопортовое устройство, то нарушается связь со всеми 124 периферийными контроллерами. Отказ порта, обрыв или замыкание подключенной к этому порту магистральной линии связи, а также некоторые неисправности периферийных устройств, подключенных к магистральной линии связи, приводят к потере из наблюдения всех периферийных контроллеров, подключенных к этой линии связи. Если это контроллеры, обеспечивающие работу охранной сигнализации, то придется компенсировать потерю наблюдения с центрального пульта охраняемых объектов с помощью персонала охраны. Компенсация заключается в выставлении постов у объектов, не наблюдаемых с центрального пульта. Но если связь потеряна с большим количеством контроллеров, то численности персонала охраны может просто не хватить для организации необходимого количества постов. Для системы безопасности это неприемлемо. Иными словами, критичность вышеперечисленных отказов и видов неисправностей слишком высока. В соответствии с ГОСТ 27.002-89 «Надежность в технике. Основные понятия. Термины и определения», критичность отказа - совокупность признаков, характеризующая последствия отказа.

[13]

Раскрытие изобретения

[14]

Задачей настоящего изобретения является создание системы сбора и обработки информации для интегрированной системы безопасности объекта с повышенной живучестью и пониженной критичностью последствий отказов, при минимизации резервирования.

[15]

Технический результат изобретения заключается в том, что одиночный отказ сервера, компьютера автоматизированного рабочего места, компонента компьютерной сети, управляющего компьютера, многопортового устройства или преобразователя интерфейса совсем не сказывается на работе системы. При отказе приемопередающего устройства или обрыве линии связи с периферийным устройством происходит потеря связи только с одним периферийным устройством.

[16]

Для получения указанного технического результата в системе сбора и обработки информации для интегрированной системы безопасности объекта, содержащей серверы, компьютеры автоматизированных рабочих мест, управляющие компьютеры (магистральные контроллеры), объединенные отказоустойчивой сетью Ethernet, а также многопортовые устройства и периферийные контроллеры, причем каждый управляющий компьютер соединен со своим многопортовым устройством, согласно изобретению для каждого управляющего компьютера и соединенного с ним многопортового устройства введены резервный управляющий компьютер и связанное с ним многопортовое устройство, к каждому порту многопортового устройства подключен преобразователь интерфейса, преобразователи интерфейса, подключенные к одноименным портам основного и резервного многопортовых устройств, соединены с группой приемопередатчиков, а каждый приемопередатчик соединен линией связи с периферийным контроллером.

[17]

Такое выполнение схемы позволяет достигнуть заявленного технического результата и при минимальном резервировании получить максимальную жизнестойкость системы и минимальную критичность последствий отказов.

[18]

Приемопередатчики могут быть выполнены с аналоговыми сумматорами сигналов основного и резервного преобразователей интерфейса, а входы преобразователя интерфейса с аналоговыми сумматорами сигналов от группы приемопередатчиков.

[19]

В качестве преобразователя интерфейса может быть использован преобразователь сигналов интерфейса RS-232 в биполярный фазоманипулированный код с нулевой постоянной составляющей.

[20]

На входах и выходах приемопередатчиков и на входах преобразователей интерфейсов могут быть введены развязывающие конденсаторы для сохранения работоспособности преобразователей интерфейса и приемопередатчиков при неисправностях, приводящих к появлению на выходах постоянных потенциалов.

[21]

Приемопередатчики могут иметь трансформаторную гальваническую развязку с линией связи для повышения помехоустойчивости.

[22]

В одном из вариантов в приемопередатчиках выходная обмотка трансформатора гальванической развязки с линией связи выполнена с отводом от середины для обеспечения возможности подачи питания на периферийные терминалы через линию связи.

[23]

В приемопередатчик может быть введен двухполюсник для согласования с линией связи в необходимом диапазоне частот.

[24]

В приемопередатчики могут быть введены каскады подавления на входах приемников передаваемых сигналов для обеспечения дуплексного режима работы по одной двухпроводной линии связи.

[25]

В приемопередатчики могут быть введены каскады амплитудно-частотной коррекции принимаемого сигнала для увеличения максимально допустимой длины линии связи и скорости передачи информации.

[26]

Программное обеспечение управляющих компьютеров обеспечивает отображение на их мониторах информации и управление с них периферийными устройствами при неисправностях, нарушающих работу компьютеров автоматизированных рабочих мест операторов.

[27]

Краткое описание фигур чертежа

[28]

Изобретение поясняется чертежом, приведенным на фиг.1, 2, где:

[29]

на фиг.1 представлена структурная схема системы сбора и обработки информации для интегрированной системы безопасности объекта;

[30]

на фиг.2 представлена схема соединения пар преобразователей интерфейса с группой приемопередатчиков.

[31]

Варианты осуществления изобретения

[32]

Структура системы сбора и обработки информации для интегрированной системы безопасности объекта представлена на фиг.1. Система содержит резервированные управляющие компьютеры 1, резервированные серверы 2 и резервированные компьютеры автоматизированных рабочих мест 3, объединенные отказоустойчивой сетью Ethernet 4.

[33]

Структура компьютерной сети построена по одной из стандартных схем, обеспечивающих обмен информацией между компьютерами 1 при одиночном отказе любого компонента сетевого оборудования.

[34]

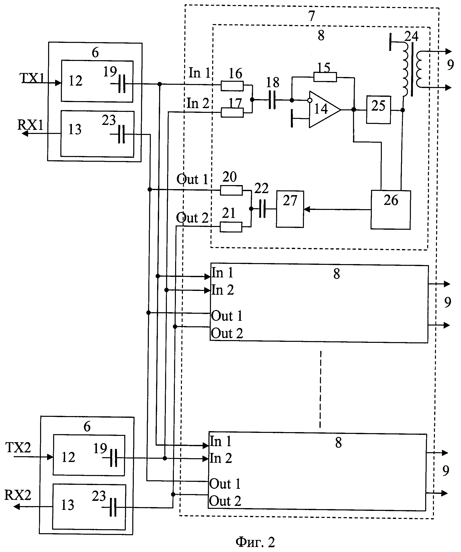
Управляющие компьютеры 1 в количестве одной или нескольких пар снабжены многопортовыми устройствами 5. В каждой такой паре один компьютер 1 может рассматриваться как основной, а другой - как резервный. Поскольку основной и резервный компьютеры полностью идентичны, на фиг.1 они обозначены одинаковыми цифрами. То же справедливо и для многопортовых устройств 5. К каждому порту многопортового устройства 5 подключен преобразователь интерфейса 6 RS-232/Манчестер-II. Каждая пара преобразователей интерфейса 6, подключенных к портам многопортового устройства 5 с одинаковыми номерами, подсоединена к группе 7 приемопередатчиков 8, имеющих два входа и два выхода для связи с преобразователями интерфейса 6. Каждый приемопередатчик 8 соединен линией связи 9 с периферийным устройством 10. Пары управляющих компьютеров 1 с подключенными к ним многопортовыми устройствами 5, преобразователями интерфейса 6 и приемопередатчиками 8 образуют управляющие сегменты 11 системы, обеспечивающие обмен информацией с периферийными устройствами 10 и управление периферийными устройствами 10.

[35]

Схема соединения пар преобразователей интерфейса 6 с группой 7 приемопередатчиков 8 представлена на фиг.2. Преобразователь интерфейса 6 состоит из кодера 12 и декодера 13. Если бы выходы кодеров 12 или входы декодеров 13 были соединены между собой, то неисправности в одном устройстве 8 из группы 7, приводящие к появлению постоянного потенциала в общей цепи, не давали бы возможность работать и другим устройствам 8 из той же группы 7. Благодаря тому, что приемопередатчики 8 имеют два входа In1, In2 и два выхода Out1, Jut2, такого объединения нет. Это повышает живучесть и понижает критичность последствий отказов системы сбора и обработки информации для интегрированной системы безопасности объекта.

[36]

Входной каскад приемопередатчика 8 на операционном усилителе 14, охваченном параллельной отрицательной обратной связью через резистор 15, является аналоговым сумматором, на который с входов подаются сигналы через резисторы 16 и 17. Резисторы 16 и 17 исключают возможность шунтирования выходной цепи исправного кодера 12 выходной цепью неисправного кодера 12. Использование для связи с периферийными устройствами 10 кода Манчестер-11, или другого кода с нулевой постоянной составляющей позволяет ввести развязывающий конденсатор 18, обеспечивающий сохранение работоспособности приемопередатчика 8 при неисправностях кодера 12, приводящих к появлению постоянного потенциала на его выходе. Для снижения вероятности появления постоянного потенциала на выходе кодера 12 введен конденсатор 19.

[37]

Входной каскад преобразователя интерфейса 6, на который подаются сигналы от приемопередатчиков 8, также является аналоговым сумматором.

[38]

Чтобы неисправности в приемопередатчике 8, а также на входе декодера 13 (короткое замыкание или появление постоянного потенциала), не нарушали работоспособность других приемопередатчиков и другого декодера 13, введены резисторы 20, 21 и конденсаторы 22 и 23.

[39]

Приемопередатчик 8 может содержать (см. фиг.2):

[40]

- трансформатор 24 для гальванической развязки с линией связи 9;

[41]

- двухполюсник 25, обеспечивающий согласование с линией связи 9 в необходимом диапазоне частот;

[42]

- каскад подавления 26 на входе приемника сигналов, передаваемых в линию связи 9 (для обеспечения связи с периферийным устройством в дуплексном режиме);

[43]

- каскад амплитудно-частотной коррекции 27 для восстановления амплитуды и формы принимаемого сигнала для увеличения длины линии связи и скорости передачи информации.

[44]

Дополнительным полезным свойством может быть возможность подачи питания на периферийные устройства 10 по линии связи 9. Для этой цели трансформатор 24 может быть выполнен с отводом от середины обмотки, подключенной к линии связи 9, через который подается питание на периферийные устройства 10.

[45]

Работает система следующим образом. В каждом управляющем сегменте 11 один из компьютеров 1 является активным и обеспечивает обмен информацией с периферийными устройствами 10, подключенными к этому сегменту 11, а второй компьютер 1 является резервным. В случае выхода из строя преобразователя интерфейса 6, подключенного к i-му порту многопортового устройства 5 или самого этого порта, обмен информацией с группой периферийных устройств 10, связанных с i-ым портом, может осуществляться через второй управляющий компьютер 1 этого сегмента 11, i-й порт подключенного к нему многопортового устройства 5 и соответствующий преобразователь интерфейса 6. При полном отказе 1-го управляющего компьютера 1 или многопортового устройства 5 для связи с периферийными устройствами 10 будет использоваться второй управляющий компьютер 1 сегмента 11 со своим многопортовым устройством 5 и преобразователями интерфейса 6. Нарушение связи с периферийным устройством 10 произойдет только при отказе приемопередатчика 8 или линии связи 9. Но такие одиночные неисправности ведут к потере связи только с одним периферийным устройством 10, что можно считать допустимым, и достаточно низким показателем критичности последствий отказа системы. Использование в системе двух серверов 2 и нескольких компьютеров автоматизированных рабочих мест 3, а также отказоустойчивой сети Ethernet 4, обеспечивающей связь между всеми компьютерами системы при любой одиночной неисправности компонентов сети 4, позволяет гарантировать выполнение всех функций системы при отказе любого компьютера 1-3. Прикладное программное обеспечение построено так, что любой из компьютеров 1-3 может быть использован в качестве любого автоматизированного рабочего места 3.

[46]

Программное обеспечение компьютеров может быть построено таким образом, что при исправности всех компьютеров 1-3 управляющие компьютеры 1 служат только для обмена информацией с периферийными устройствами 10, а компьютеры автоматизированных рабочих мест 3 выполняют функции отображения информации и управления. При выходе из строя одного из компьютеров 3, отображающих информацию, его функции могут выполнять другие компьютеры 3, а также управляющие компьютеры 1, одновременно продолжая обмен информацией с периферийными устройствами 10.

[47]

Промышленная применимость

[48]

Изобретение найдет применение в системах сбора и обработки информации интегрированных систем физической защиты объектов. Испытания макета системы сбора и обработки информации, построенного в соответствии с изобретением, подтвердили его работоспособность.

Как компенсировать расходы
на инновационную разработку
Похожие патенты