патент
№ RU 2658549
МПК B64C1/36

СПОСОБ ОПРЕДЕЛЕНИЯ ПЕРЕХЛЕСТА БУКСИРУЕМОЙ ДВУХТРОСОВОЙ САМОЛЕТНОЙ АНТЕННЫ И УСТРОЙСТВО ДЛЯ ЕГО ОСУЩЕСТВЛЕНИЯ

Авторы:
Шаповалов Александр Георгиевич
Номер заявки
2017124317
Дата подачи заявки
07.07.2017
Опубликовано
21.06.2018
Страна
RU
Как управлять
интеллектуальной собственностью
Чертежи 
3
Реферат

Группа изобретений относится к способу и устройству для определения перехлеста буксируемой двухтросовой антенны. Для определения перехлеста на тросы передают сигнал с приемо-передающего высоковольтного радиотехнического устройства, подключенного к бортовой сети. Длинный трос отсоединяют от приемо-передающего высоковольтного радиотехнического устройства и подключают его к блоку управления, определяют факт касания тросов, определяют зону эксплуатации антенны вне режимов перехлеста. Устройство содержит тросы, управляемые лебедками, установленными на самолете, блок управления, световую и звуковую сигнализацию. Блок управления содержит реле-ограничитель тока. Обеспечивается определение диапазона безопасной эксплуатации буксируемой двухтросовой антенны, ограничивая режимы, приводящие к перехлесту тросов. 2 н.п. ф-лы, 4 ил.

Формула изобретения

1. Способ определения перехлеста буксируемой двухтросовой самолетной антенны, заключающийся в том, что на тросы, управляемые лебедками, поступает сигнал приемо-передающего высоковольтного радиотехнического устройства, подключенного к бортовой электросети, отличающийся тем, что длинный трос антенны отсоединяют от приемо-передающего высоковольтного радиотехнического устройства и подключают его к блоку управления, работающему от бортовой электросети, затем выполняют полеты с заданными параметрами и многократно регистрируют факт касания тросов срабатыванием блока управления, при этом определяют зону эксплуатации антенны вне режимов перехлеста.

2. Устройство для определения перехлеста буксируемой двухтросовой самолетной антенны, содержащее тросы, управляемые установленными на самолете лебедками, отличающееся тем, что оно снабжено блоком управления, содержащим реле-ограничитель тока, многократно фиксирующим факт касания тросов, при этом кратковременно включающим световую и звуковую сигнализацию.

Описание

[1]

Изобретение относится к области авиации, а именно к осуществлению сверхдальней связи (СДВ - диапазона) с использованием антенны большой протяженности.

[2]

Известно, что в ВМФ РФ (СССР) эксплуатируется самолет ТУ-142 MP, в нижней части фюзеляжа которого установлен барабан с выпускной буксируемой антенной большой протяженности (https://ru.wikipedia.org/wiki/ Связь_с_подводными_ _лодками).

[3]

Также известен самолет Е-4А, созданный на базе самолета Боинг-747 (США), буксирующий тросовую антенну длиной около 8 км (https://ru.wikipedia.org/wiki/ / Связь_с_подводными_лодками).

[4]

Применение на аналогах однотросовой антенны не позволяет полностью обеспечить всевозрастающие требования потенциальных заказчиков, вследствие чего возникает необходимость дальнейшего совершенствования антенных устройств.

[5]

В связи с развитием и дальнейшим совершенствованием средств сверхдальней связи наметилась тенденция к использованию двухтросовой антенны, которая позволяет расширить технические возможности применения СДВ-диапазона.

[6]

Наиболее близким техническим решением, выбранным в качестве прототипа, является самолет США Б-6В "Меркурий", который имеет антенную систему, состоящую из основного троса, выпускаемого из центральной части фюзеляжа и имеющего длину 7925 м и груз массой 495 кг, и вспомогательного троса длиной 1219 м, выпускаемого из хвостового обтекателя самолета и служащего в качестве диполя (фиг. 1). На концах тросов имеются стабилизирующие аэродинамические конусы массой 41 кг. Благодаря наличию груза массой 495 кг, длинный трос в режиме дежурства самолета располагается в пространстве близко к вертикальному положению (~50°÷60°) (www.pentagonus.ru/load/zhurnaly//zvo/zarubezhnoe_woennoe_obozrenie_11_2008/56-1-0158).

[7]

Одной из важных проблем, влияющих на надежную работу буксируемой антенны, как механизма, является перехлест тросов двухтросовой антенны, образование которого зависит от следующих причин:

[8]

- влияния направления свивки прядей тросов и их увод от плоскости движения самолета-буксировщика вследствие проявления "эффекта Магнуса" при обтекании витых тросов набегающим потоком;

[9]

- отклонения поперечного сечения тросов от кругового вследствие деформации при прохождении через поворотные шкивы механизмов выпуска и уборки и последующего смещения сдеформированных сечений относительно друг друга в зависимости от вытяжки тросов под воздействием нагрузки от массовых и аэродинамических сил;

[10]

- маневрирования самолета-буксировщика антенны по курсу и тангажу (Издательский отдел ЦАГИ. Обзоры, №489, 1976 г. «Тросовые системы в потоке жидкости», стр. 2).

[11]

У прототипа эта проблема решается при помощи почти полутонного груза, разводящего тросы на удаление друг от друга с упомянутыми выше недостатками: увеличением веса и аэродинамического сопротивления антенны.

[12]

Решая задачу расширения арсенала технических средств в данной области техники, предлагается вариант двухтросовой антенны, в котором длинный трос размещен в нижней части фюзеляжа, а короткий - под одной из консолей крыла самолета-буксировщика (фиг. 2, 3). Такая компоновка двухтросовой антенны не предполагает применения груза в 495 кг, как у прототипа, а ограничивается применением двух аэродинамических грузов массой по 45 кг.

[13]

Это позволяет иметь некоторый выигрыш в массе антенны и ее аэродинамическом сопротивлении по сравнению с прототипом, поскольку буксировка тросов антенн производится под сравнительно малыми углами атаки по отношению к набегающему потоку ~9°÷10°.

[14]

Техническим результатом предлагаемого изобретения является определение диапазона безопасной эксплуатации буксируемой двухтросовой антенны и внесение его в Руководство по летной эксплуатации (РЛЭ), ограничивая режимы, приводящие к перехлесту тросов антенны.

[15]

Технический результат достигается отсоединением троса антенны от приемо-передающего высоковольтного радиотехнического устройства, подключением к бортовой электросети и последующим выполнением полетов с заданными параметрами. При этом многократно регистрируют факт касания тросов срабатыванием блока управления, определяют зону эксплуатации антенны вне режимов перехлеста тросов.

[16]

Таким образом, заявляемое изобретение соответствует критерию "новизна". Сравнение заявляемого решения с прототипом и другими защищенными патентами техническими решениями в данной области техники позволяет сделать вывод о соответствии критерию "изобретательский уровень". Заявляемое решение пригодно к осуществлению промышленным путем.

[17]

Сущность изобретения поясняется чертежами:

[18]

фиг. 1 - схема буксировки антенны прототипа;

[19]

фиг. 2 - схема буксировки антенны предлагаемого изобретения (вид сбоку);

[20]

фиг. 3 - схема буксировки антенны предлагаемого изобретения (вид сверху);

[21]

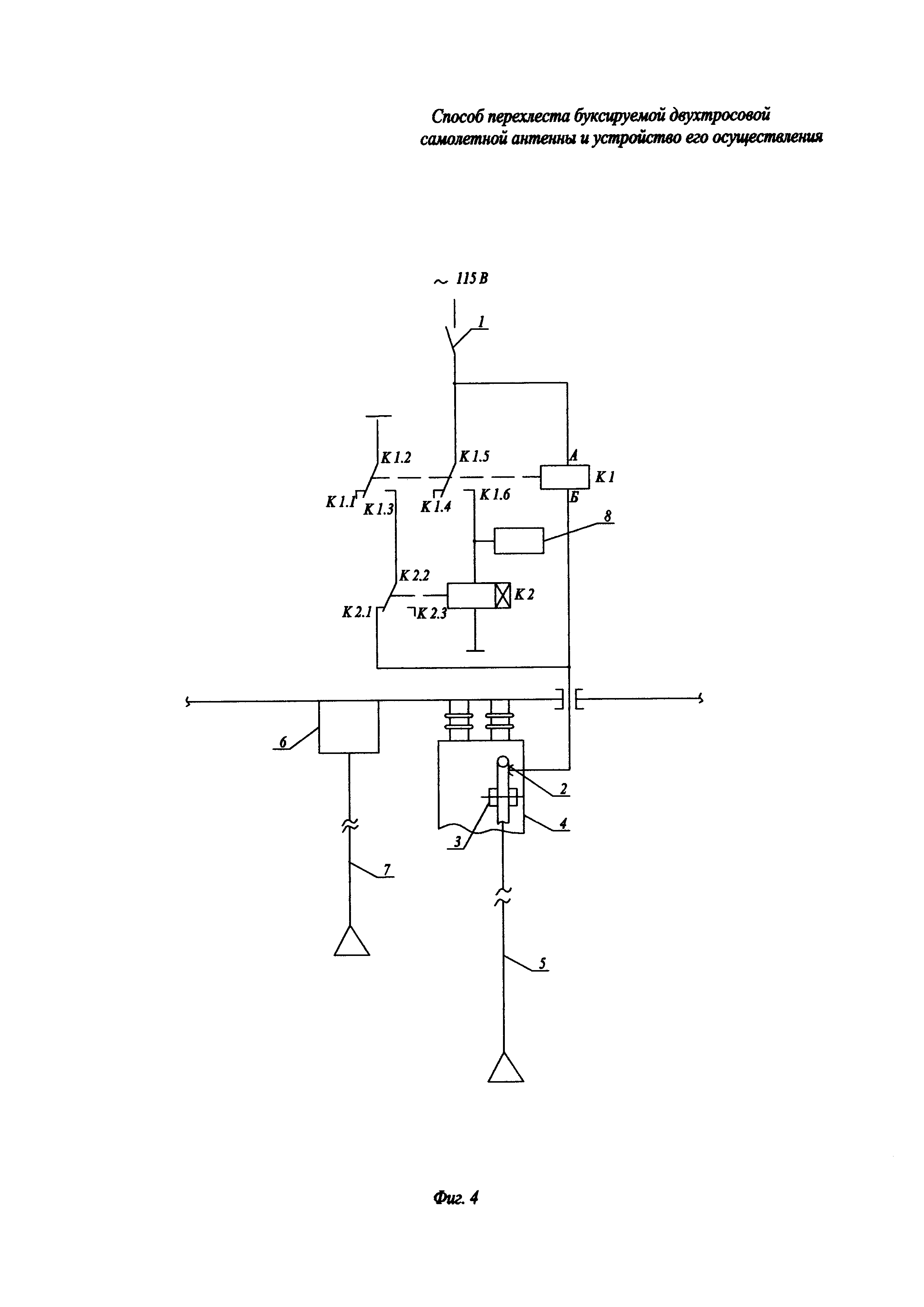
фиг. 4 - принципиальная схема устройства для определения перехлеста буксируемой двухтросовой самолетной антенны.

[22]

При осуществлении варианта двухтросовой антенны с разнесенной установкой тросов "фюзеляж - консоль крыла" предлагается способ определения перехлеста тросов двухтросовой антенны, заключающийся в отсоединении длинного троса антенны от приемо-передающего высоковольтного радиотехнического устройства, в подключении его к бортовой электросети напряжением 115 В и выполнении полетов с заданными параметрами движения самолета-буксировщика: скоростью Vкp, высотой Н, креном γ, углом скольжения β, а также параметрами длин тросов и , которые определяются программой испытаний, вплоть до режимов полета, предполагающих перехлест тросов. В случае перехлеста тросов антенны возникает замыкание цепи, которое будет зарегистрировано специальным устройством, принципиальная схема которого изображена на фиг. 4.

[23]

Устройство содержит блок управления с выключателем 1, через который он подсоединен к бортовой сети ~115 В переменного тока. К выключателю 1 подсоединены клеммы К1.5 и А реле-ограничителя тока К1.

[24]

Клемма Б обмотки реле-ограничителя тока К1 подключена к токосъемнику 2, установленному на шкиве 3 лебедки 4, изолированной от корпуса самолета, с тросом 5 и лебедки 6, не изолированной от корпуса самолета, с тросом 7.

[25]

Устройство работает следующим образом. При выпущенных с помощью лебедок 4 и 6 тросах 5 и 7 на длины, определяемые полетным заданием, и при совершении эволюции в эксплуатационном диапазоне скоростей и высот возможно касание тросов. В этом случае напряжение 115 В с троса 5 поступает на трос 7 и через него на корпус самолета, так как трос 7 и его лебедка 6 не изолированы от корпуса самолета, что приведет к протеканию тока через обмотку и срабатыванию реле-ограничителя тока К1 блока управления.

[26]

Через замкнутые контакты К1.2 и К1.3 реле-ограничителя тока К1 и контакты К2.1-К2.2 реле времени К2, реле-ограничитель тока К1 становится на блокировку - реле-ограничитель тока К1 остается включенным. Через контакты К1.5-К1.6 реле-ограничителя тока К1 выдается сигнал для записи на контрольно-записывающую аппаратуру (КЗА) 8 и включается реле времени К2. В течение нормированной временной задержки (2÷3 секунды) от реле К2 в режиме он-лайн также оповещается экипаж световым, звуковым сигналом или их комбинацией. Через 2÷3 секунды реле времени срабатывает, контактами К2.1-К2.2 разрывает цепь блокировки реле-ограничителя тока К1, которое при этом выключается, снимается сигнал с КЗА 8. Устройство готово к фиксации повторного касания тросов.

[27]

Отличительной особенностью предлагаемого устройства является наличие блока управления, содержащего реле-ограничитель тока К1, которое, вследствие заданной величины сопротивления обмотки реле-ограничителя тока К1, понижает ток замыкания электрической цепи и предохраняет тросы антенны от подгорания, что позволяет использовать предлагаемое устройство многократно.

[28]

Предлагаемые способ и устройство фактически делают самолет-буксировщик двухтросовой антенны летающей лабораторией, так как позволяют определить диапазон эксплуатационных возможностей двухтросовой буксируемой антенны:

[29]

- по скорости буксировки, так как прочность тросов ограничена по сравнению с прочностью самолета-буксировщика;

[30]

- по углам крена влево, вправо;

[31]

- по условиям набора высоты и снижения,

[32]

и определить ресурс каждого из тросов.

[33]

Анализ материалов испытаний двухтросовой антенны позволяет определить для всех перечисленных условий эксплуатации антенны безопасные режимы с точки зрения перехлеста тросов и внести их в Руководство по летной эксплуатации (РЛЭ).

[34]

После окончания работы устройство должно быть демонтировано и самолет-буксировщик может эксплуатироваться по прямому назначению как ретранслятор радиосигналов.

Как компенсировать расходы
на инновационную разработку
Похожие патенты