патент
№ RU 2677862
МПК H02J3/18

Способ управления тиристорно-переключаемой конденсаторной группой и устройство для его реализации

Авторы:
Красноперов Роман Николаевич Панфилов Дмитрий Иванович Рожков Александр Николаевич
Все (5)
Номер заявки
2018112473
Дата подачи заявки
06.04.2018
Опубликовано
22.01.2019
Страна
RU
Как управлять
интеллектуальной собственностью
Чертежи 
4
Реферат

Изобретение относится к области электротехники и силовой электроники и может быть использовано для управления источниками реактивной мощности в энергосистемах. Техническим результатом, на получение которого направлено предлагаемое техническое решение, является увеличение КПД, уменьшение массогабаритных показателей и стоимости тиристорно-переключаемых конденсаторных групп. Технический результат достигается тем, что управление тиристорно-переключаемой конденсаторной группой осуществляют с помощью управления состоянием тиристоров в моменты достижения синусоидального напряжения на управляемой конденсаторной группе нулевого значения, при этом при поступлении запроса на изменение емкости тиристорно-переключаемой конденсаторной группы прекращают формирование текущего значения емкости путем снятия импульсов управления с тиристоров, осуществляют рекуперацию накопленной в конденсаторах энергии в питающую сеть с помощью управления тиристорами и затем обеспечивают формирование требуемого значения емкости тиристорно-переключаемой конденсаторной группы путем переключения тиристоров в новое состояние. Устройство управления тиристорно-переключаемой конденсаторной группой состоит из блока измерения синусоидального напряжения питающей сети, блока синхронизации, блока управления тиристорами, блока задания величины емкости тиристорно-переключаемой конденсаторной группы, блока задания набора включаемых тиристоров, блока завершения формирования текущего значения емкости тиристорно-переключаемой конденсаторной группы, блока определения полярности напряжения питающей сети, блока управления рекуперативным разрядом конденсаторов. 2 н.п. ф-лы, 4 ил.

Формула изобретения

1. Способ управления тиристорно-переключаемой конденсаторной группой, состоящей из токоограничивающего реактора, тиристоров, конденсаторов и устройства управления, использующий переключение конденсаторов с помощью тиристоров синхронизировано с синусоидальным напряжением питающей сети, отличающийся тем, что управление тиристорами осуществляется в моменты времени достижения напряжением питающей сети нулевого уровня, при этом при поступлении запроса на изменение емкости тиристорно-переключаемой конденсаторной группы прекращают формирование текущего значения емкости путем снятия импульсов управления с тиристоров, осуществляют рекуперацию накопленной в конденсаторах энергии в питающую сеть с помощью управления тиристорами и затем обеспечивают формирование требуемого значения емкости тиристорно-переключаемой конденсаторной группы путем переключения тиристоров в новое состояние.

2. Устройство управления тиристорно-переключаемой конденсаторной группой, состоящее из подключенного параллельно тиристорно-переключаемой конденсаторной группе блока измерения синусоидального напряжения питающей сети, выход которого соединен с входом блока синхронизации, выход которого, в свою очередь, соединен с первым входом блока управления тиристорами, при этом выход блока задания величины емкости тиристорно-переключаемой конденсаторной группы соединен с входом блока задания набора включаемых тиристоров, выход которого, в свою очередь, соединен со вторым входом блока управления тиристорами, отличающееся тем, что в устройство введены блок завершения формирования текущего значения емкости тиристорно-переключаемой конденсаторной группы, блок управления рекуперативным разрядом конденсаторов и блок определения полярности напряжения питающей сети, причем с первым и вторым входами блока завершения формирования текущего значения емкости тиристорно-переключаемой конденсаторной группы соединены соответственно выход блока синхронизации и дополнительный второй выход блока задания величины емкости тиристорно-переключаемой конденсаторной группы, при этом вход блока определения полярности напряжения питающей сети соединен с выходом блока измерения синусоидального напряжения питающей сети, а его выход соединен с дополнительным вторым входом блока задания набора включаемых тиристоров и первым входом блока управления рекуперативным разрядом конденсаторов, второй и третий входы которого соединены соответственно с выходом блока синхронизации и с выходом блока завершения формирования текущего значения емкости тиристорно-переключаемой конденсаторной группы, причем выход блока управления рекуперативным разрядом конденсаторов и выход блока завершения формирования текущего значения емкости тиристорно-переключаемой конденсаторной группы соединены соответственно с дополнительными третьим и четвертым входам блока управления тиристорами.

Описание

[1]

Изобретение относится к области электротехники и силовой электроники и может быть использовано для управления тиристорно-переключаемой конденсаторной группой с целью обеспечения управления реактивной мощностью в точке ее подключения. Такая технология реализуется в различных устройствах силовой электротехники, применяемых в электроэнергетике, электроприводе, электротермии, электролизе, преобразовательной технике, для компенсации реактивной мощности нагрузки.

[2]

Известен способ управления реактивным сопротивлением устройства компенсации реактивной мощности, основанный на дискретном регулировании сопротивления реактивного элемента, использующий синхронизацию управления относительно приложенного к нему синусоидального напряжения. Способ применим к управлению сопротивлением индуктивного характера управляемого шунтирующего реактора. (Патент на изобретение №2641643 от 19.01.2018 «Способ управления управляемым шунтирующим реактором и устройство для его осуществления»).

[3]

Известен способ управления тиристорно-переключаемой конденсаторной группой, основанный на дискретном регулировании емкости конденсаторной группы, также использующий синхронизацию управления относительно приложенного к конденсаторной группе синусоидального напряжения. Способ предполагает изменение состояния тиристоров в момент максимума приложенного к тиристорно-переключаемой конденсаторной группе синусоидального напряжения, при этом начальное напряжение на конденсаторной группе должно быть равно максимальному напряжению питающей сети. Это обеспечивает отсутствие скачка тока в тиристорно-переключаемой конденсаторной группе в момент изменения состояния тиристоров. (Энергосбережение в системах промышленного электроснабжения: Справочно-методическое издание / Под редакцией Э.А. Киреевой. - М.: «Интехэнерго-Издат», «Теплоэнергетик», 2014, 304 с. Стр. 137).

[4]

Известна также тиристорно-переключаемая конденсаторная группа, состоящая из токоограничивающих реакторов, тиристоров, конденсаторов и устройства управления, использующая переключение конденсаторов с помощью тиристоров синхронизировано с синусоидальным напряжением питающей сети. Устройство управления обеспечивает переключение тиристоров в моменты максимума переменного синусоидального напряжения питающей сети, приложенного к тиристорно-переключаемой конденсаторной группе. Устройство управления состоит из блока измерения синусоидального напряжения питающей сети, блока синхронизации, блока задания величины емкости тиристорно-переключаемой конденсаторной группы, блока задания набора включаемых тиристоров, блока управления тиристорами. (Энергосбережение в системах промышленного электроснабжения: Справочно-методическое издание / Под редакцией Э.А. Киреевой. - М.: «Интехэнерго-Издат», «Теплоэнергетик», 2014, 304 с. Стр. 137, рис 5.10)

[5]

К недостаткам указанных выше способа и устройства следует отнести необходимость обеспечения начального напряжения на конденсаторах тиристорно-переключаемой конденсаторной группы на момент их переключения на уровне максимального напряжения, прикладываемого к тиристорно-переключаемой конденсаторной группе. Это приводит к усложнению схемы построения устройства и увеличению его массо-габаритных показателей за счет введения в устройство дополнительных элементов, например, токоограничивающих реакторов. Кроме этого, при выключении тиристоров, на конденсаторах тиристорно-переключаемой конденсаторной группы будут присутствовать остаточные напряжения, которые необходимо устранять, что требует введения дополнительных элементов в устройство, и также приводит к его усложнению, увеличению массо-габаритных показателей, снижению надежности и уменьшению коэффициента полезного действия (КПД).

[6]

Техническим результатом, на получение которого направлено предлагаемое техническое решение, является увеличение КПД, уменьшение массо-габаритных показателей и стоимости тиристорно-переключаемых конденсаторных групп.

[7]

Технический результат достигается тем, что в способе управления тиристорно-переключаемой конденсаторной группой, состоящей из токоограничивающего реактора, тиристоров, конденсаторов и устройства управления, использующем переключение конденсаторов с помощью тиристоров синхронизировано с синусоидальным напряжением питающей сети, осуществляют управление тиристорами в моменты времени достижения напряжением питающей сети нулевого уровня, при этом при поступлении запроса на изменение емкости тиристорно-переключаемой конденсаторной группы прекращают формирование текущего значения емкости путем снятия импульсов управления с тиристоров, осуществляют рекуперацию накопленной в конденсаторах энергии в питающую сеть с помощью управления тиристорами и затем обеспечивают формирование требуемого значения емкости тиристорно-переключаемой конденсаторной группы путем переключения тиристоров в новое состояние, а в устройство управления тиристорно-переключаемой конденсаторной группой, состоящее из подключенного параллельно тиристорно-переключаемой конденсаторной группе блока измерения синусоидального напряжения питающей сети, выход которого соединен с входом блока синхронизации, выход которого, в свою очередь, соединен с первым входом блока управления тиристорами, при этом выход блока задания величины емкости тиристорно-переключаемой конденсаторной группы, соединен с входом блока задания набора включаемых тиристоров, выход которого, в свою очередь, соединен с вторым входом блока управления тиристорами, введены блок завершения формирования текущего значения емкости тиристорно-переключаемой конденсаторной группы, блок управления рекуперативным разрядом конденсаторов и блок определения полярности напряжения питающей сети, причем с первым и вторым входами блока завершения формирования текущего значения емкости тиристорно-переключаемой конденсаторной группы соединены соответственно выход блока синхронизации и дополнительный второй выход блока задания величины емкости тиристорно-переключаемой конденсаторной группы, при этом вход блока определения полярности напряжения питающей сети соединен с выходом блока измерения синусоидального напряжения питающей сети, а его выход соединен с дополнительным вторым входом блока задания набора включаемых тиристоров и первым входом блока управления рекуперативным разрядом конденсаторов, второй и третий входы которого соединены соответственно с выходом блока синхронизации и с выходом блока завершения формирования текущего значения емкости тиристорно-переключаемой конденсаторной группы, причем выход блока управления рекуперативным разрядом конденсаторов и выход блока завершения формирования текущего значения емкости тиристорно-переключаемой конденсаторной группы соединены соответственно с дополнительными третьим и четвертым входами блока управления тиристорами.

[8]

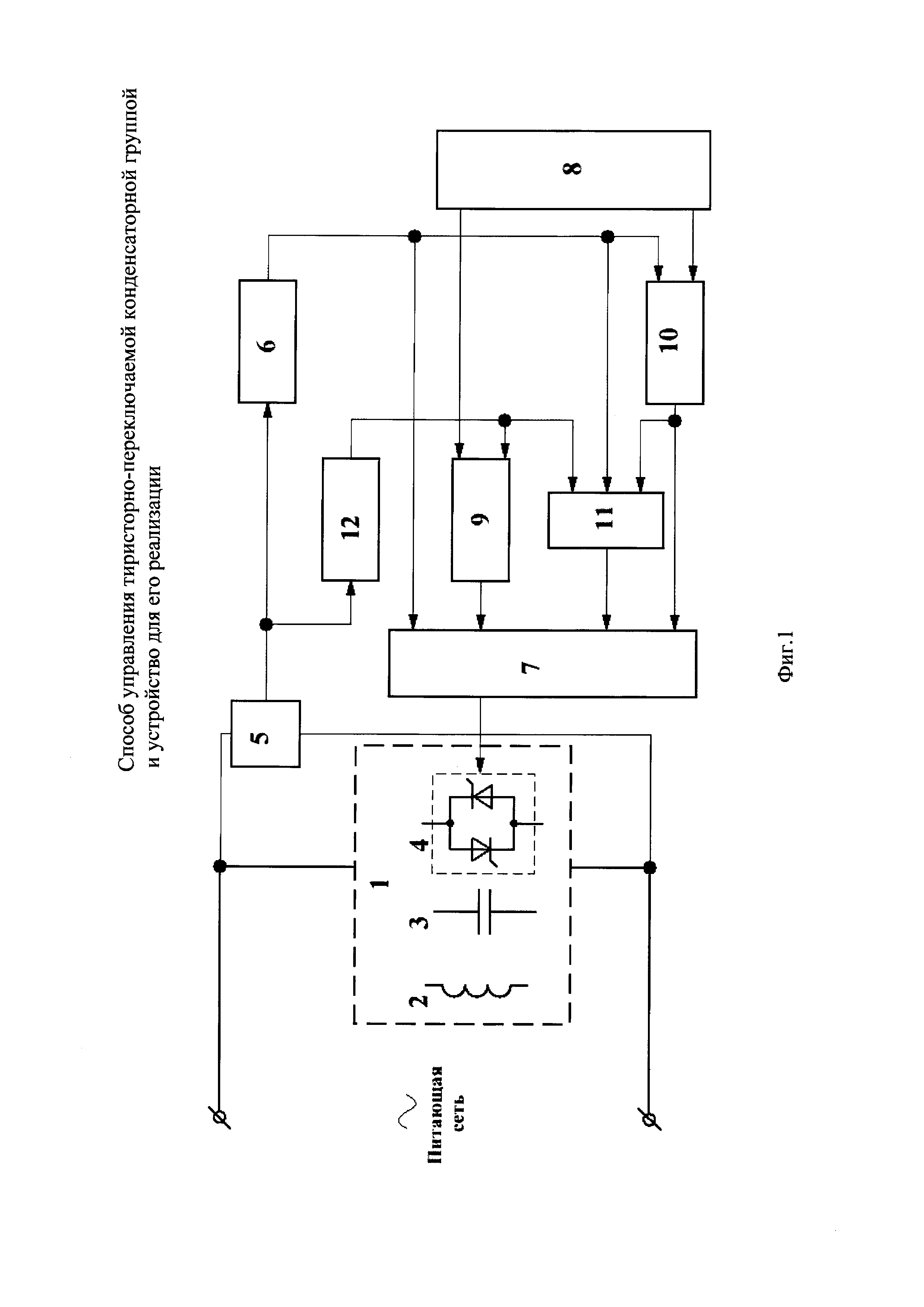
Сущность предлагаемых способа и устройства управления тиристорно-переключаемой конденсаторной группой поясняется фиг. 1, на которой представлена блок-схема, поясняющая способ и устройство управления тиристорно-переключаемой конденсаторной группой.

[9]

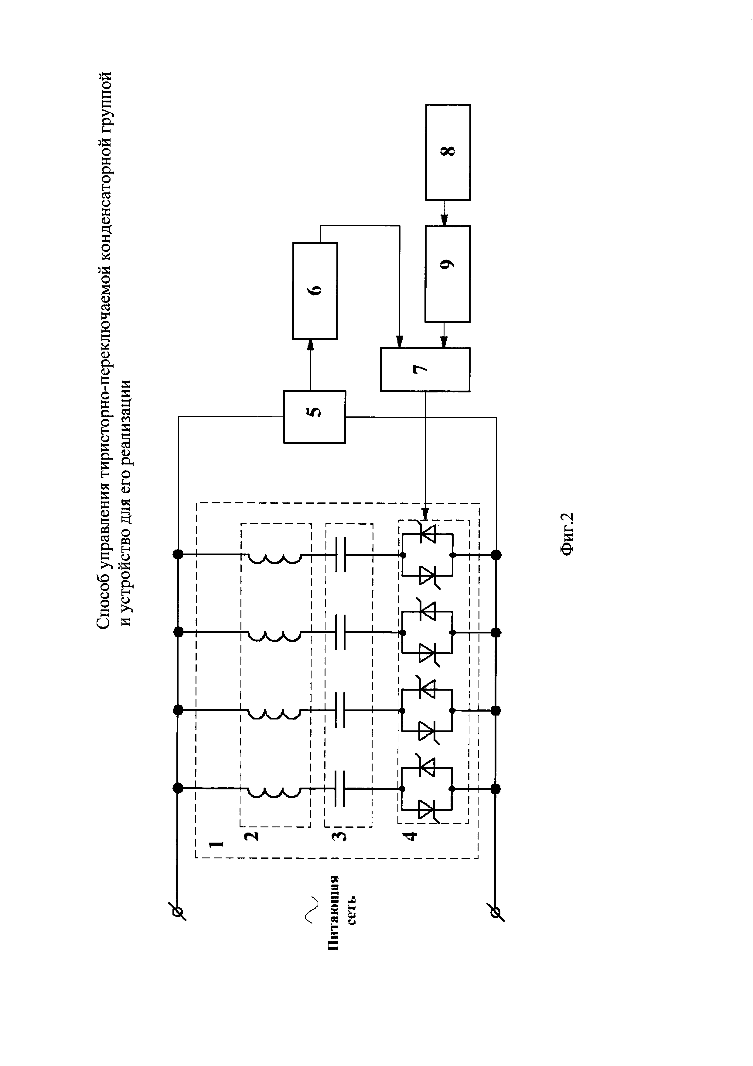
На фиг. 2 представлена блок-схема прототипа тиристорно-переключаемой конденсаторной группы, поясняющая работу способа и устройства управления тиристорно-переключаемой конденсаторной группой прототипа.

[10]

Принцип действия предлагаемых способа и устройства управления тиристорно-переключаемой конденсаторной группой поясняется на фиг. 3 и фиг. 4, где на фиг. 3 приведено устройство управления и одна из схем построения тиристорно-переключаемой конденсаторной группы, построенная на основе четырех конденсаторов, одного токоограничивающего реактора и пяти пар встречно-параллельно включенных тиристоров, а на фиг. 4 представлены временные диаграммы, поясняющие алгоритм работы устройства фиг. 3 при управлении емкостью тиристорно-переключаемой конденсаторной группы с помощью переключения тиристоров.

[11]

В соответствии с фиг. 1, тиристорно-переключаемая конденсаторная группа 1 отображает схемы компенсаторов реактивной мощности, построенные на основе токоограничивающих реакторов 2, конденсаторов 3 и пар встречно-параллельно включенных тиристоров 4. Устройство управления тиристорно-переключаемой конденсаторной группой 1 включает в себя подключенный параллельно тиристорно-переключаемой конденсаторной группе 1 блок 5 измерения синусоидального напряжения питающей сети, выход которого соединен с входом блока синхронизации 6, выход которого, в свою очередь, соединен с первым входом блока 7 управления тиристорами. Выход блока 8 задания величины емкости тиристорно-переключаемой конденсаторной группы соединен с входом блока 9 задания набора включаемых тиристоров, выход которого, в свою очередь, соединен с вторым входом блока 7 управления тиристорами. По сравнению с прототипом в устройство управления введены блок 10 завершения формирования текущего значения емкости тиристорно-переключаемой конденсаторной группы, блок 11 управления рекуперативным разрядом конденсаторов и блок 12 определения полярности напряжения питающей сети, причем с первым и вторым входами блока 10 завершения формирования текущего значения емкости тиристорно-переключаемой конденсаторной группы соединены соответственно выход блока синхронизации 6 и дополнительный второй выход блока 8 задания величины емкости тиристорно-переключаемой конденсаторной группы, при этом вход блока 12 определения полярности напряжения питающей сети соединен с выходом блока 5 измерения синусоидального напряжения питающей сети, а его выход соединен с дополнительным вторым входом блока 9 задания набора включаемых тиристоров и первым входом блока 11 управления рекуперативным разрядом конденсаторов, второй и третий входы которого соединены соответственно с выходом блока синхронизации бис выходом блока 10 завершения формирования текущего значения емкости тиристорно-переключаемой конденсаторной группы, причем выход блока 11 управления рекуперативным разрядом конденсаторов и выход блока 10 завершения формирования текущего значения емкости тиристорно-переключаемой конденсаторной группы соединены соответственно с дополнительными третьим и четвертым входами блока 7 управления тиристорами.

[12]

В соответствии с фиг. 2, прототип тиристорно-переключаемой конденсаторной группы 1 представляет из себя параллельное включение ветвей, каждая из которых состоит из последовательного включения реактора из группы реакторов 2, конденсатора из группы конденсаторов 3 и пары встречно-параллельно включенных тиристоров из группы пар встречно-параллельно включенных тиристоров 4. Управление прототипом осуществляется устройством управления, состоящим из подключенного параллельно тиристорно-переключаемой конденсаторной группе 1 блока 5 измерения синусоидального напряжения питающей сети, выход которого соединен с входом блока синхронизации 6, выход которого, в свою очередь, соединен с первым входом блока 7 управления тиристорами, при этом выход блока 8 задания величины емкости тиристорно-переключаемой конденсаторной группы соединен с входом блока 9 задания набора включаемых тиристоров, выход которого, в свою очередь, соединен с вторым входом блока 7 управления тиристорами. Для обеспечения требуемого значения емкости тиристорно-переключаемой конденсаторной группы 1 на выходе блока 8 задания величины емкости тиристорно-переключаемой конденсаторной группы формируют сигнал, соответствующий требуемому значению емкости. Этот сигнал подают на вход блока 9 задания набора включаемых тиристоров, в котором с помощью таблицы соответствия выбирается набор тиристоров, которые требуется включить, для обеспечения значения емкости, заданной блоком 8 задания величины емкости тиристорно-переключаемой конденсаторной группы. Сигнал, содержащий информацию о включаемых тиристорах подается на блок 7 управления тиристорами, который при поступлении на него сигнала синхронизации с блока синхронизации 6 о достижении напряжением питающей сети, измеренным с помощью блока 5 измерения синусоидального напряжения питающей сети, амплитудного значения, подает импульсы управления на тиристоры, выбранные в блоке 9 задания набора включаемых тиристоров, тем самым обеспечивая формирование требуемого значения емкости тиристорно-переключаемой конденсаторной группы 1, заданное в блоке 8 задания величины емкости тиристорно-переключаемой конденсаторной группы. Для обеспечения нового значения емкости тиристорно-переключаемой конденсаторной группы блок 8 задания величины емкости тиристорно-переключаемой конденсаторной группы вырабатывает новый сигнал, соответствующий новому значению емкости. С помощью блока 9 задания набора включаемых тиристоров выбирается новый набор включаемых тиристоров, на которые будут поданы импульсы управления с блока 7 управления тиристорами при поступлении на него сигнала с блока синхронизации 6 о достижении напряжением питающей сети амплитудного значения.

[13]

Предлагаемые способ и устройство управления тиристорно-переключаемой конденсаторной группой, поясняются фиг. 3 на примере управления тиристорно-переключаемой конденсаторной группой 1, подключаемой к питающей сети, и состоящей из реактора 2, последовательно включенного с параллельными ветвями, состоящими из последовательного соединения конденсатора из группы конденсаторов 3 и пары встречно-параллельно включенных тиристоров из группы пар встречно-параллельно включенных тиристоров 4, а также одной ветви, включающей в себя только пару встречно-параллельно включенных тиристоров. Устройство управления тиристорно-переключаемой конденсаторной группой фиг. 3 по своему составу и назначению аналогично устройству управления тиристорно-переключаемой конденсаторной группой, приведенному на фиг. 1.

[14]

Предлагаемые способ и устройство управления тиристорно-переключаемой конденсаторной группой работают следующим образом.

[15]

Способ использует измерение напряжения, приложенного к тиристорно-переключаемой конденсаторной группе 1 с помощью блока 5 измерения синусоидального напряжения питающей сети. С помощью блока синхронизации 6 осуществляют синхронизацию процессов изменения состояния тиристоров из состава группы пар встречно-параллельно включенных тиристоров 4 в моменты времени достижения напряжением на тиристорно-переключаемой конденсаторной группе 1 нулевого уровня. При этом, по заданию требуемой величины емкости тиристорно-переключаемой конденсаторной группы с выхода блока 8 задания величины емкости тиристорно-переключаемой конденсаторной группы и текущей полярности напряжения питающей сети, информация о которой поступает с выхода блока 12 определения полярности напряжения питающей сети, блок 9 задания набора включаемых тиристоров определяет состояние тиристоров из состава группы пар встречно-параллельно включенных тиристоров 4, соответствующее заданному значению величины емкости тиристорно-переключаемой конденсаторной группы. Блок 7 управления тиристорами осуществляет изменение состояния тиристоров из состава группы пар встречно-параллельно включенных тиристоров 4 тиристорно-переключаемой конденсаторной группы 1 синхронизировано с приложенным к ней синусоидальным напряжением питающей сети в моменты времени достижения напряжения питающей сети нулевого уровня.

[16]

Одной из отличительных особенностей предлагаемых способа и устройства является организация рекуперации накопленной в конденсаторах энергии перед каждым изменением величины емкости тиристорно-переключаемой конденсаторной группы 1, в питающую сеть с помощью управления тиристорами из состава группы пар встречно-параллельно включенных тиристоров 4. При поступлении сигнала с блока 8 задания величины емкости тиристорно-переключаемой конденсаторной группы на блок 10 завершения формирования текущего значения емкости тиристорно-переключаемой конденсаторной группы о необходимости изменения емкости тиристорно-переключаемой конденсаторной группы 1, блок 10 завершения формирования текущего значения емкости тиристорно-переключаемой конденсаторной группы инициирует процесс завершения текущего значения емкости тиристорно-переключаемой конденсаторной группы 1 путем подачи сигнала на четвертый вход блока 7 управления тиристорами и третий вход блока 11 управления рекуперативным разрядом конденсаторов. После чего, по сигналу синхронизации с блока синхронизации 6, блок 7 управления тиристорами снимает импульсы управления со всех тиристоров, завершая формирование текущего значения емкости. Блок 11 управления рекуперативным разрядом конденсаторов, по сигналу от блока 10 завершения формирования текущего значения емкости тиристорно-переключаемой конденсаторной группы, а также по сигналу синхронизации блока синхронизации 6, задает необходимые наборы тиристоров, включаемых при рекуперации накопленной в конденсаторах энергии в питающую сеть, причем необходимые наборы тиристоров задаются сигналом с выхода блока 12 определения полярности напряжения питающей сети. В процессе рекуперации блок 7 управления тиристорами осуществляет изменение состояния тиристоров из состава группы пар встречно-параллельно включенных тиристоров 4 синхронизировано с приложенным к тиристорно - переключаемой конденсаторной группе 1 синусоидальным напряжением питающей сети в моменты времени достижения напряжением питающей сети нулевого уровня по сигналу с выхода блока синхронизации 6, а также в соответствии с необходимыми наборами тиристоров, информация о которых поступает в блок 7 управления тиристорами с выхода блока 11 управления рекуперативным разрядом конденсаторов. После рекуперации энергии со всех конденсаторов в питающую сеть, на следующем этапе в очередной момент синхронизации управления тиристорами происходит формирование требуемого нового значения емкости тиристорно-переключаемой группы 1.

[17]

Временные диаграммы, поясняющие работу схемы фиг. 3, приведены на фиг. 4, где до момента t1 имеется запрос на изменение емкости тиристорно-переключаемой конденсаторной группы 1. При достижении напряжением на тиристорно-переключаемой конденсаторной группе 1 нулевого уровня (момент времени t1 на фиг. 4) блок 7 управления тиристорами по сигналу запроса на завершение формирования текущего значения емкости тиристорно-переключаемой конденсаторной группы, поступающего на четвертый вход блока 7 управления тиристорами с выхода блока 10 завершения формирования текущего значения емкости тиристорно-переключаемой конденсаторной группы, снимает импульсы управления со всех тиристоров группы пар встречно-параллельно включенных тиристоров 4. До момента t2 токи в тиристорно-переключаемой конденсаторной группе 1 будут продолжать протекать через тиристоры, через которые ранее протекал ток конденсаторов группы конденсаторов 3. В момент времени t2 ток в проводивших ранее тиристорах спадает к 0, тиристоры выключаются, и напряжение на конденсаторах, участвующих в формировании эквивалентной емкости тиристорно-переключаемой конденсаторной группы 1 достигнет максимального значения, равного максимальному значению приложенного к тиристорно-переключаемой конденсаторной группе 1 напряжения питающей сети.

[18]

В момент времени t3, когда приложенное синусоидальное напряжение питающей сети к тиристорно-переключаемой конденсаторной группе 1 достигнет в очередной раз нулевого уровня, инициализируют процесс рекуперации энергии конденсаторов.

[19]

Процесс рекуперации можно пояснить на примере заряженного до максимального значения напряжения питающей сети конденсатора 13 в схеме фиг. 3. Полярность напряжения на конденсаторе 13 указана на фиг. 3. В момент времени t4 блок 7 управления тиристорами подает импульсы управления на все правые тиристоры, входящие в группу пар встречно-параллельно включенных тиристоров 4. На интервале времени t4-t5 происходит колебательный процесс разряда конденсатора 13 по контуру: правое плечо пары встречно-параллельно включенных тиристоров 14, токоограничивающий реактор 2, питающая сеть. При этом правый тиристор пары встречно-параллельно включенных тиристоров 15 заперт отрицательным для него напряжением на конденсаторе 13. В момент времени t5, когда напряжение на конденсаторе 13 достигает нулевого уровня, начинает проводить ток тиристор правого плеча пары встречно-параллельно включенных тиристоров 15, фиксируя при этом напряжение на конденсаторе 13 на нулевом уровне. При этом на интервале времени t5-t6 запасенная в токоограничивающем реакторе 2 энергия будет передаваться в питающую сеть по контуру: токоограничивающий реактор 2, питающая сеть, тиристор, образующий правое плечо пары встречно-параллельно включенных тиристоров 15. В момент времени спада тока в токоограничивающем реакторе 2 к 0 (момент времени t6 на фиг. 4) тиристор правого плеча пары встречно-параллельно включенных тиристоров 15 запирается и процесс рекуперации накопленной в конденсаторе энергии в питающую сеть прекращается. С момента времени t6 тиристорно-переключаемая конденсаторная группа 1 готова к переключению тиристоров в новое состояние, соответствующее новому требуемому значению эквивалентной емкости тиристорно-переключаемой конденсаторной группы 1.

[20]

В момент времени t7, когда напряжение на тиристорно-переключаемой конденсаторной группе 1 достигает нулевого уровня, блок 7 управления тиристорами принимает информацию на своем входе с выхода блока 9 задания набора включаемых тиристоров и отключает его дополнительный третий вход, связанный с выходом блока 11 управления рекуперативным разрядом конденсаторов. С момента времени t7 тиристорно-переключаемая конденсаторная группа 1 переходит в состояние, соответствующее новому заданному значению емкости тиристорно-переключаемой конденсаторной группы 1. При этом все конденсаторы тиристорно-переключаемой конденсаторной группы 1, не участвующие в формировании эквивалентной емкости тиристорно-переключаемой конденсаторной группы 1 будут иметь нулевое начальное напряжение.

[21]

Подводя итог вышесказанному, следует подчеркнуть, что процесс изменения емкости тиристорно-переключаемой конденсаторной группы 1 синхронизируется в моменты времени достижения напряжения на тиристорно-переключаемой конденсаторной группе 1 нулевого уровня и состоит из двух этапов. На первом этапе (интервал времени t2-t7) происходит подготовка тиристорно-переключаемой конденсаторной группы 1 к изменению эквивалентной емкости и осуществляется рекуперация запасенной в конденсаторах энергии в питающую сеть. На втором этапе (момент времени t7) осуществляется переключение тиристоров из группы пар встречно-параллельно включенных тиристоров 4 тиристорно-переключаемой конденсаторной группы 1 в новое состояние, соответствующее новому значению эквивалентной емкости тиристорно-переключаемой конденсаторной группы 1, при отсутствии начальных напряжений на конденсаторах тиристорно-переключаемой конденсаторной группы 1.

[22]

Таким образом, наличие одного токоограничивающего реактора 2 позволяет с одной стороны ограничивать токи в группе конденсаторов 3, протекающие в них при смене состояния тиристорно-переключаемой конденсаторной группы 1, а с другой стороны, при наличии ветви, осуществляющей последовательное подключение реактора 2 к питающей сети, позволяет обеспечивать нулевое напряжение на всех конденсаторах к моменту формирования нового значения эквивалентной емкости тиристорно-переключаемой конденсаторной группы 1. Это обеспечивает достижение технического результата, направленного на увеличение КПД, упрощение устройства, уменьшение его массо-габаритных показателей и стоимости.

Как компенсировать расходы
на инновационную разработку
Похожие патенты