Изобретение относится к области радиотехники и может использоваться как для создания приемо-передающей аппаратуры, так и для измерения электрофизических характеристик среды распространения сигнала. Технический результат - повышение КПД излучения сигнала и стойкости к внешним электромагнитным возмущениям. Для этого в устройство введены первый (2) и второй (3) резисторы, формирователь ФМН (1) содержит последовательно соединенные источник сигнала несущей частоты (1.1) и первый резистор формирователя (1.4), вывод которого подключен к инвертирующему входу операционного усилителя (1.3) и через второй резистор формирователя (1.8) - к выходу операционного усилителя (1.3), который соединен со стоком второго МОП-транзистора (1.7), выход источника сигнала несущей частоты (1.1) подсоединен к стоку первого МОП-транзистора (1.6), истоки обоих МОП-транзисторов объединены и являются выходом формирователя ФМн (1), при этом выход формирователя ПСП (1.2) подсоединен к затвору первого МОП-транзистора (1.6) и входу инвертора (1.5), инвертирующий выход которого соединен с затвором второго МОП-транзистора (1.7), кроме того, неинвертирующий вход операционного усилителя (1.3) соединен с общей шиной, при этом согласующее устройство (6) выполнено из материала, диэлектрическая проницаемость которого находится в диапазоне 200…230. 4 ил.
Передающее устройство фазоманипулированных сигналов, содержащее формирователь фазоманипулированных сигналов (ФМн), усилитель мощности, последовательно соединенные датчик тока, согласующее устройство и антенну, отличающееся тем, что введены первый и второй резисторы, причем первый резистор включен между неинвертирующим входом усилителя мощности и общей шиной, а второй резистор - между инвертирующим входом усилителя мощности и входом согласующего устройства, другой вход которого соединен с выходом усилителя мощности, кроме того, формирователь ФМН содержит последовательно соединенные источник сигнала несущей частоты и первый резистор формирователя, вывод которого подключен к инвертирующему входу операционного усилителя и через второй резистор формирователя - к выходу операционного усилителя, который соединен со стоком второго МОП-транзистора, выход источника сигнала несущей частоты подсоединен к стоку первого транзистора, истоки обоих МОП-транзисторов объединены и являются выходом формирователя ФМн, при этом выход формирователя ПСП подсоединен к затвору первого МОП-транзистора и входу инвертора, инвертирующий выход которого соединен с затвором второго МОП-транзистора, кроме того, неинвертирующий вход операционного усилителя соединен с общей шиной, при этом согласующее устройство выполнено из материала, диэлектрическая проницаемость которого находится в диапазоне 200…230.
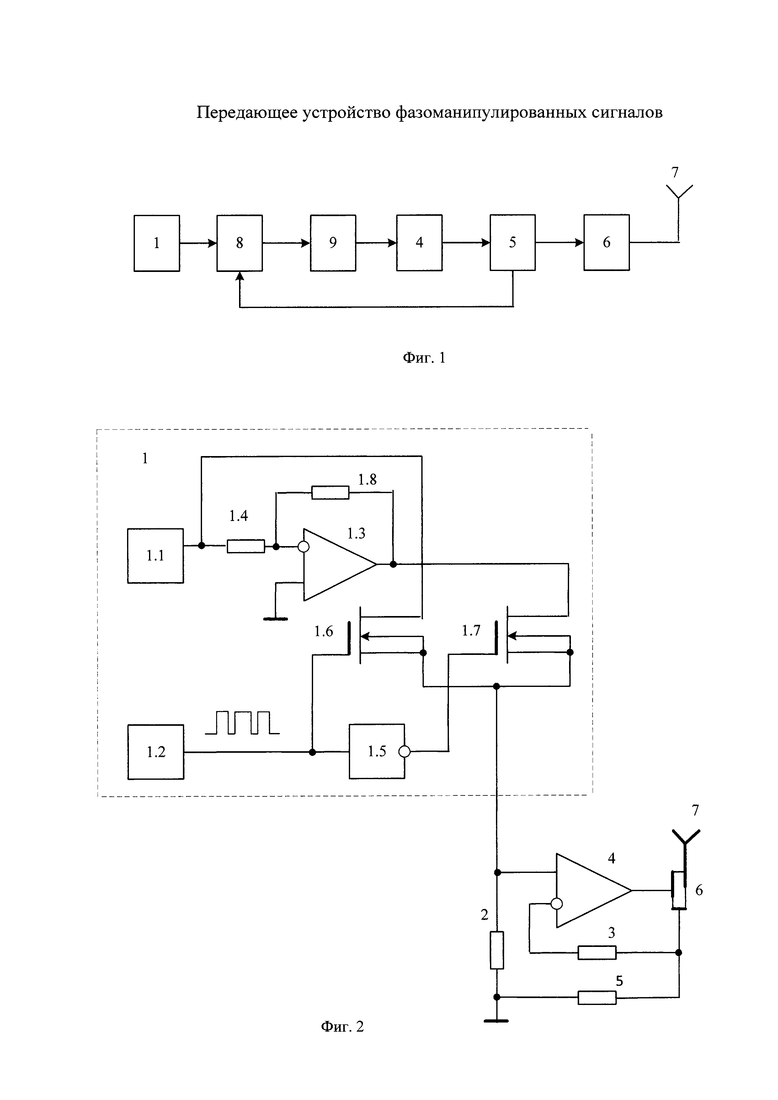
Изобретение относится к области передачи дискретной информации и может быть использовано в системах связи, как с неподвижными, так и с подвижными объектами. Для обеспечения надежной связи в условиях воздействия различных помех, а также для радиолокации и многостанционного доступа преимущественно используется широкополосные сигналы, разновидностью которых являются фазоманипулированные сигналы. Спектр фазоманипулированного сигнала занимает полосу частот более широкую по сравнению с полосой, минимально необходимой для передачи информации; однако используемые полосовые фильтры, узкополосные антенные устройства и нелинейные активные элементы приводят к искажению передаваемого сигнала, снижению КПД канала связи. Для борьбы с линейными и нелинейными искажениями используют различные способы. Известны устройства генерации фазоманипулированных сигналов для осуществления связи с различными объектами. См., например, книгу Борисова В.И. и др. Помехозащищенность систем радиосвязи с расширением спектра сигналов модуляцией несущей псевдослучайной последовательностью. М.: Радио и связь. 2003, 27 с., рис. 1.4, патент РФ №2165677, Н04В 1/10 «Линия связи дискретной информации с широкополосными сигналами», патент РФ №2143780, Н04В 1/04 «Передающее устройство фазоманипулированных сигналов». Упомянутые устройства обычно имеют достаточно сложную структуру, формируемые сигналы отличаются значительными частотными и нелинейными искажениями, низким КПД, особенно в низкочастотном диапазоне. Наиболее близким аналогом к предлагаемому является устройство, описанное в патенте РФ №2269868, Н04В 1/04 «Передающее устройство фазоманипулированных сигналов», принятое за прототип. Функциональная схема устройства-прототипа представлена на фиг. 1, где приняты следующие обозначения: 1 - формирователь фазоманипулированных сигналов (ФМн); 4 - ключевой усилитель мощности, 5 - датчик тока, 6 - согласующее устройство, 7 - передающая антенна; 8 - вычитатель; 9 - квантователь на три уровня. Устройство-прототип содержит последовательно соединенные формирователь фазоманипулированных сигналов 1, вычитатель 8, квантователь на три уровня 9, ключевой усилитель мощности 4, датчик тока 5, согласующее устройство 6, передающую антенну 7, причем второй выход датчика тока 5 соединен со вторым входом вычитателя 8. Следует заметить, что формирователь фазоманипулированных сигналов 1 представляет собой устройство перемножения несущей частоты с псевдослучайной последовательностью (ПСП), в которой записывается передаваемая информация. Согласующее устройство 6 совместно с антенной 7, имеющей преимущественно реактивное сопротивление, образует высокодобротную колебательную систему. Устройство-прототип работает следующим образом. Подаваемый на первый вход вычитателя 8 фазоманипулированный сигнал имеет гармоническую несущую, модулируемую ПСП, а на второй вход вычитателя 8 поступает сигнал с датчика тока 5, пропорциональный мгновенному значению тока усилителя мощности 4. Разностный сигнал с выхода вычитателя 8 подается на вход квантователя 9. Если сигнал вычитателя 8 не превышает шага квантователя 9, то выходной сигнал квантователя 9 равен нулю. В противном случае квантователь 9 выдает сигнал фиксированной амплитуды с полярностью, определяемой полярностью сигнала вычитателя 8. В ключевом усилителе мощности 4 при нулевом уровне сигнала на входе и выходе также нулевой сигнал. При этом выходные контакты усилителя мощности 4 для тока колебательной системы представляют собой короткозамкнутую цепь. При ненулевом входном сигнале усилителя мощности 4 его выходной сигнал имеет фиксированный уровень и полярность, определяемую полярностью входного сигнала. Сигнал на выходе квантователя 9 и, соответственно, на выходе усилителя мощности 4 появляется, если мгновенное значение выходного сигнала датчика тока 5 отличается от сигнала формирователя 1 на величину, большую шага квантования квантователя 9. Усилитель мощности 4 подает в согласующее устройство 6 не усиленный входной сигнал формирователя 1, а квантованный на три уровня усиленный разностный сигнал между реальными колебаниями в системе и сигналом формирователя 1. Если сигнал формирователя 1 совпадает по форме с собственными колебаниями системы «согласующее устройство 6 плюс антенна 7», то устройство работает в установившемся режиме, когда энергия расходуется на компенсацию потерь собственных колебаний. Если такого совпадения нет, то устройство работает в переходном режиме, осуществляя изменение фазы и амплитуды колебаний. При изменении фазы или амплитуды сигнала формирователя 1 возникают значительные различия с током в согласующем устройстве 6. При этом усилитель мощности 4 выдает вначале импульсы соответствующей большой длительности, фаза колебаний в согласующем устройстве постепенно изменяется и становится равной фазе сигнала формирователя 1. Длительность импульсов усилителя мощности 4 по мере уменьшения различий также уменьшается. В режиме изменения фазы колебаний через ключи усилителя мощности 4 проходят обратные токи, которые при соответствующем схемном решении могут возвращать электроэнергию в источник питания (рекуперация). Наличие переходных процессов, связанных с фазовыми и амплитудными искажениями формируемого фазоманипулированного сигнала приводит к искажению передаваемого сигнала и снижению КПД устройства (даже при учете рекуперации). Таким образом, недостатками устройства-прототипа является наличие значительных искажений передаваемого сигнала и низкий КПД. Задачей предлагаемого устройства является уменьшение искажений передаваемого сигнала и повышение КПД. Для решения поставленной задачи в передающее устройство фазоманипулированных сигналов, содержащее формирователь фазоманипулированных сигналов (ФМн), усилитель мощности, последовательно соединенные датчик тока, согласующее устройство и антенну, согласно изобретению, введены первый и второй резисторы, причем первый резистор включен между неинвертирующим входом усилителя мощности и общей шиной, а второй резистор - между инвертирующим входом усилителя мощности и входом согласующего устройства, другой вход которого соединен с выходом усилителя мощности, кроме того, формирователь ФМН содержит последовательно соединенные источник сигнала несущей частоты и первый резистор формирователя, вывод которого подключен к инвертирующему входу операционного усилителя и через второй резистор формирователя - к выходу операционного усилителя, который соединен со стоком второго МОП-транзистора, выход источника сигнала несущей частоты подсоединен к стоку первого транзистора, истоки обоих МОП-транзисторов объединены и являются выходом формирователя ФМн, при этом выход формирователя ПСП подсоединен к затвору первого МОП-транзистора и входу инвертора, инвертирующий выход которого соединен с затвором второго МОП-транзистора, кроме того, неинвертирующий вход операционного усилителя соединен с общей шиной, при этом согласующее устройство выполнено из материала, диэлектрическая проницаемость которого находится в диапазоне 200…230. Функциональная схема заявляемого передающего устройства фазоманипулированных сигналов приведена на фиг. 2, где обозначено: 1 - формирователь фазоманипулированных сигналов (ФМн); 1.1 - источник сигнала несущей частоты; 1.2 - формирователь ПСП (информационного сигнала); 1.3 - операционный усилитель; 1.4, 1.8 - резисторы формирователя; 1.5 - инвертор; 1.6, 1.7 - первый и второй МОП-транзисторы (с n-каналами); 2, 3 - первый и второй резисторы; 4 - усилитель мощности; 5 - резистор (датчик тока); 6 - согласующее устройство; 7 - антенна. Предлагаемое устройство содержит последовательно соединенные формирователь ФМн 1, усилитель мощности 4, согласующее устройство 6 и антенну 7. Кроме того, инвертирующий вход усилителя мощности 4 через второй резистор 3 подключен к другому входу согласующего устройства 6, и выводу резистора 5, используемого в качестве датчика тока, другой вывод которого соединен с общей шиной и одним выводом первого резистора 2, другой вывод которого подсоединен к неинвертирующему входу усилителя мощности 4. Формирователь ФМн 1 содержит источник сигнала несущей частоты 1.1, выход которого через один резистор формирователя 1.4 соединен с инвертирующим входом операционного усилителя 1.3, выход которого через другой резистор формирователя 1.8 соединен с инвертирующим входом операционного усилителя 1.3 и со стоком второго МОП-транзистора 1.7. Неинвертирующий вход операционного усилителя 1.3 подключен к общей шине. Выход формирователя ПСП 1.2 соединен с затвором первого МОП-транзистора 1.6. и входом инвертора 1.5, инвертирующий выход которого соединен с затвором второго МОП-транзистора 1.7. Истоковые выводы МОП-транзисторов 1.6 и 1.7 объединены и являются выходом формирователя ФМн 1. При этом выход источника сигнала несущей частоты 1.1 соединен с затвором первого МОП-транзистора 1.6. Заявляемое устройство работает следующим образом. Источник сигнала несущей частоты 1.1 генерирует сигнал синусоидальной формы на несущей частоте. Этот сигнал поступает на вход операционного усилителя 1.3, коэффициент усиления которого равен -1. В результате на его выходе формируется синусоидальный сигнал той же частоты и амплитуды, что на входе операционного усилителя 1.3, но сдвинутый по фазе на полпериода. Входной и выходной сигналы поступают на стоковые выводы первого 1.6 и второго 1.7 МОП-транзисторов соответственно. С выхода формирователя ПСП 1.2 сигнал поступает на вход инвертора 1.5, на выходе которого формируется информационная последовательность, аналогичная входной, но обратной полярности. Эти сигналы поступают на затворы соответствующих МОП-транзисторов 1.6 и 1.7, с объединенных истоков которых сигнал подается на выход источника сигнала несущей частоты 1.1. В результате на резисторе 2 формируется фазоманипулированный сигнал, показанный на фиг. 3 (верхняя кривая). При этом сигнал на выходе инвертора 1.3 показан нижней ломаной линией. Применение указанной схемы формирования фазоманипулированного сигнала практически исключает нелинейные и частотные искажения, что подтверждается формой приведенной верхней кривой фиг. 3. Сигнал с резистора 2 поступает на усилитель мощности 4, охваченный отрицательной обратной связью по току, что обеспечивает прохождение тока через согласующее устройство 6 по форме практически совпадающей с напряжением на резисторе 2. Соответствующий подбор номиналов резисторов 3 и 5 обеспечивает заданный уровень радиосигнала, излучаемого антенной 7. На фиг. 4 представлена схема устройства со схемой замещения согласующего устройства 6 и антенны 7 в виде последовательно соединенных конденсатора С и резистора R (аналогична приведенной в описании прототипа), остальные обозначения идентичны обозначениям фиг. 2. Максимум входного сопротивления антенны при согласовании достигается при значении параметра р=11, который определяется из выражения где λ - длина волны сигнала несущей частоты; σ - удельная электропроводность среды, См/м; ƒ - собственная частота среды, определяемая по формуле: ε ε0=(36π⋅109)-1, Ф/м; ε - относительная диэлектрическая проницаемость. Учитывая, что р=11, и подставляя формулу (1) в выражение (2), получим, что максимум излучения достигается при Этому значению относительной диэлектрической проницаемости е соответствует наивысший КПД, который может быть достигнут для схемы замещения согласующего устройства 6 и антенны 7 (фиг. 2). Следует отметить, что наилучшее согласование достигается при относительной диэлектрической проницаемости материала согласующего устройства в диапазоне 200…230. При этом входное сопротивление согласующего устройства достигает максимума. В качестве материала может быть использована, например, титаносо-держащая керамика, обладающая высокими значениями диэлектрической проницаемости. Перспективным выглядит использование керамики СВТ (стронций-висмут-титанат), для которой характерна электронно-релаксационная поляризация, у которой тангенс угла потерь на порядок ниже, чем у сегнетоэлектриков, и отсутствует точка Кюри (Ренне В.Т. Электрические конденсаторы. М: Л.: Госэнергоиздат, 1959, с. 604). Кроме того высокую диэлектрическую проницаемость имеют некоторые полупроводниковые соединения (например, теллуриды металлов, имеющие относительную диэлектрическую проницаемость более 400, как указывается в статье Жемчужина Е.А. и др. Свойства p-n-переходов в теллуриде свинца // Радиотехника и электроника. 1970, С. 546-550). Таким образом, предлагаемое устройство позволяет повысить КПД излучения сигнала и снизить нелинейные и частотные искажения излучаемых фазоманипулированных сигналов. Кроме того, приводит к повышению стабильности работы передающего устройства фазоманипулированных сигналов, а также предоставляет возможность создания экономичных излучателей радиосигнала в интегральном (миниатюрном) исполнении.

