патент
№ RU 2579406
МПК B64G1/24

СПОСОБ КОРРЕКЦИИ И УСТРОЙСТВО ОРБИТАЛЬНОГО ГИРОКОМПАСА ДЛЯ УПРАВЛЕНИЯ УГЛОВЫМ ДВИЖЕНИЕМ КОСМИЧЕСКОГО АППАРАТА

Авторы:
Абезяев Илья Николаевич
Номер заявки
2014144448/11
Дата подачи заявки
06.11.2014
Опубликовано
10.04.2016
Страна
RU
Как управлять
интеллектуальной собственностью
Чертежи 
4
Реферат

Изобретение относится к космической технике и может быть использовано для управления космическим аппаратом (КА). Устройство орбитального гирокомпаса (ОГК) для управления угловым движением КА содержит прибор ориентации по Земле (ПОЗ), сумматоры, интеграторы, вновь введенные сумматоры и интеграторы, модули коррекции, модули компенсации взаимовлияний каналов, гироскопический блок измерителей угловых скоростей (БИУС). Измеряют разность сигналов ПОЗ и выходного сигнала ОГК в каналах крена, добавляют сигнал автокомпенсации, определяемый в зависимости от нового и старого сигналов коррекции, сигнала ПОЗ по крену, выходного сигнала ОГК по крену, коэффициентов интегрирования, корректируют показания БИУС одновременно в каналах крена и курса, осуществляют построение ориентации КА в каналах крена и курса. Изобретение позволяет повысить точность управления угловым движением КА. 2 н.п. ф-лы, 4 ил.

Формула изобретения

1. Способ коррекции орбитального гирокомпаса (ОГК) для управления угловым движением космического аппарата (КА), заключающийся в том, что для построения ориентации КА в каналах крена и курса измеряют разность сигналов прибора ориентации по Земле (ПОЗ) и выходного сигнала ОГК в каналах крена - εγ, по которой корректируют показания блока гироскопических измерителей угловых скоростей (БИУС) одновременно в каналах крена и курса, отличающийся тем, что в разностный сигнал εγ добавляют сигнал автокомпенсации µγ, при этом новый сигнал коррекции uγ определяют в соответствии с формулами
uγγγ;


где uγ - новый сигнал коррекции;
εγ - старый сигнал коррекции;
µγ - сигнал автокомпенсации;
γпоз - сигнал ПОЗ по крену;
Δγ - выходной сигнал ОГК по крену;
a1, a2, …, an - коэффициенты интегрирования;
n - степень, n не ограничивается.

2. Устройство ОГК для управления угловым движением КА по п.1, содержащее ПОЗ, выход которого по каналу крена подключен к последовательно соединенным первому сумматору, первому модулю коррекции (МК), второму сумматору, третьему сумматору, первому интегратору, выход которого образует выход ОГК по каналу крена, выход первого же сумматора по каналу курса подключен к последовательно соединенным второму МК, четвертому сумматору, пятому сумматору, второму интегратору, выход которого образует выход ОГК по каналу курса, выход ПОЗ по каналу тангажа подключен к последовательно соединенным шестому сумматору, третьему МК, седьмому сумматору и третьему интегратору, выход которого образует выход ОГК по каналу тангажа, а также первый и второй модули компенсации взаимовлияний каналов (МКВК) и гироскопический блок измерителей угловой скорости (БИУС), при этом второй вход первого сумматора подключен к выходу первого интегратора, второй вход шестого сумматора подключен к выходу третьего интегратора, а вторые входы второго, четвертого и седьмого сумматоров подключены к выходам БИУС соответственно по крену, курсу и тангажу, а вторые входы третьего и пятого сумматоров подключены соответственно к выходам первого и второго МКВК, входы которых соединены с выходами второго и первого интеграторов соответственно, отличающееся тем, что в цепь первого сумматора введены n последовательно соединенных сумматоров, а также n последовательно соединенных интеграторов, при этом вход первого из n введенных сумматоров подключен к выходу первого сумматора, а выход n-го по счету сумматора подключен одновременно ко входу вновь введенного n-го по счету интегратора и входам первого и второго МК, а каждые выходы введенных интеграторов, начиная с n-го интегратора, подключены ко вторым входам соответствующих по номерам вновь введенных сумматоров.

Описание

[1]

Предлагаемое изобретение относится к области космической техники и может быть использовано для повышения точности угловой ориентации космического аппарата (КА) с использованием орбитального гирокомпаса (ОГК).

[2]

В качестве аналога могут быть приняты способ и устройство ОГК КА (см. «Система ориентации и стабилизации изд. 14Ф133. Эскизный проект», с.122-124, рис. 19.7. ФГУП «НИИЭМ»). В этом решении в канале коррекции ОГК по курсу используют изодром, на вход которого подают измеренную разность сигналов прибора ориентации по Земле (ПОЗ) и ОГК в канале крена. При таком способе и устройстве коррекции ОГК устраняют ошибку ориентации КА в канале курса, но вместе с этим в канале крена происходит ухудшение точности - ошибка ориентации ОГК и вместе с ним ошибка ориентации КА увеличивается и становится равной ошибке ПОЗ в канале крена.

[3]

Известен также способ и устройство, в которых измерят и накапливают ошибки ориентации ОГК (КА) по крену и курсу и вводят их в контур стабилизации КА как поправки на ориентацию КА в виде постоянных смещений (Системы управления космических комплексов на базе орбитальной станции «Алмаз». Эскизный проект. Система ориентации, с. 6, 72, 188. «НПО Машиностроения». 1990 г.). Суть компенсации заключается в том, что в сигнале коррекции ОГК от ПМВ имеется информация об указанных ошибках в пропорциях, поддающихся простому масштабированию. В соответствии с этим сигнал коррекции измеряют и запоминают. В счетно-решающем приборе запомненный сигнал коррекции масштабируют пропорционально ошибкам в каналах курса и крена и подключают к соответствующим входам исполнительных органов КА, что приводит к смещению углов стабилизации КА по курсу и крену и компенсации, таким образом, ошибок ориентации. Указанный способ и реализующее его устройство имеет следующие существенные недостатки:

[4]

- ошибки ориентации не автокомпенсируются, а накапливаются и вводятся как смещения в контур стабилизации КА по крену и тангажу относительно ОГК при переводе ОГК в режим орбитальной гиропамяти;

[5]

- компенсируются не ошибки ОГК, а порождаемые ими ошибки КА, в указанном режиме эффект компенсации достигается только на коротком промежутке времени - несколько минут, потом ошибки начинают возрастать и через половину периода орбитального движения первоначальные ошибки ориентации КА удваиваются;

[6]

- система ориентации не чувствительна к медленноменяющимся ошибкам ПОЗ.

[7]

Наиболее близким аналогом может служить техническое решение, представленное в статье авторов Кэмпбел, Коффи «Цифровые системы отсчета углов». Журнал «Вопросы ракетной техники», 1971 г., №11, с. 63÷88. В нем рассматривается способ и устройство для управления угловым движением КА с использованием ОГК, в состав которого входит бесплатформенный гироскопический измеритель угловой скорости (БИУС), прибор ориентации по Земле (ПОЗ) и вычислитель.

[8]

В данном решении применяется способ коррекции ОГК для управления угловым движением КА, заключающийся в том, что для построения ориентации КА в каналах крена и курса измеряют разность сигналов ПОЗ и выходного сигнала ОГК в каналах крена - εγ, которую используют для коррекции показаний БИУС одновременно в каналах крена и курса.

[9]

Недостатком такого способа и связанного с ним устройства является то, что он не позволяет скомпенсировать ошибки ОГК по курсу и крену и соответствующие им ошибки ориентации КА по курсу и крену, возникающие из-за детерминированной ошибки ПОЗ по крену. Указанные ошибки ориентации будут составлять:

[10]

где α, β - ошибки построения ОСК по крену и курсу соответственно, к1, к2 - коэффициенты коррекции ОГК в каналах курса и крена соответственно, Ω - орбитальная угловая скорость, Δγпоз - суммарная детерминированная и медленноменяющаяся ошибка ПОЗ в канале крена.

[11]

Целью предлагаемого решения является устранение указанных недостатков, т.е. создание способа коррекции и устройства ОГК повышенной точности для управления угловым движением КА с автоматической компенсацией (автокомпенсацией) ошибок ОГК как в канале курса, так и в канале крена относительно ОСК, вызванных детерминированными и медленноменяющимися ошибками ПОЗ по крену, включая ошибки установки ПОЗ на КА по крену относительно связанных осей.

[12]

Отличие предлагаемого решения заключается в том, что применяют новый способ коррекции ОГК в каналах крена и курса, при котором непосредственно в разностный (корректирующий) сигнал εγ - ПОЗ и ОГК в канале крена вводят сигнал автокомпенсации µγ, при этом новый сигнал коррекции ОГК uγ определяют в соответствии с формулами

[13]

;

[14]

;

[15]

[16]

где uγ - новый сигнал коррекции;

[17]

εγ - старый сигнал коррекции;

[18]

µγ - сигнал автокомпенсации;

[19]

γпоз - сигнал ПОЗ по крену;

[20]

Δγ - выходной сигнал ОГК по крену;

[21]

a1,…an - коэффициенты интегрирования;

[22]

n - степень, n не ограничивается.

[23]

Рассмотрим предлагаемое устройство, позволяющее реализовать новый способ коррекции ОГК.

[24]

Согласно решению в устройство угловой ориентации КА с использованием орбитального гирокомпаса по п.1, которое содержит ПОЗ, выход которого по каналу крена подключен к последовательно соединенным первому сумматору, первому модулю коррекции (МК), второму сумматору, третьему сумматору, первому интегратору, выход которого образует выход ОГК по каналу крена, выход первого же сумматора по каналу курса подключен к последовательно соединенным второму МК, четвертому сумматору, пятому сумматору, второму интегратору, выход которого образует выход ОГК по каналу курса, выход ПОЗ по каналу тангажа подключен к последовательно соединенным шестому сумматору, третьему МК, седьмому сумматору и третьему интегратору, выход которого образует выход ОГК по каналу тангажа, а также первый и второй модули компенсации взаимовлияний каналов (МКВК) и гироскопический блок измеритель угловой скорости (БИУС), при этом второй вход первого сумматора подключен к выходу первого интегратора, второй вход шестого сумматора подключен к выходу третьего интегратора, а вторые входы второго, четвертого и седьмого сумматоров подключены к выходам БИУС соответственно по крену, курсу и тангажу, а вторые входы третьего и пятого сумматоров подключены соответственно к выходам первого и второго МКВК, входы которых соединены с выходами второго и первого интеграторов соответственно, дополнительно в цепь первого сумматора введены n последовательно соединенных сумматоров, а также n последовательно соединенных интеграторов, при этом вход первого из n введенных сумматоров подключен к выходу первого сумматора, а выход n-го по счету сумматора подключен одновременно ко входу вновь введенного n-го по счету интегратора и входам первого и второго МК, а каждые выходы введенных интеграторов, начиная с n-ого интегратора, подключены ко вторым входам соответствующих по номерам вновь введенных сумматоров.

[25]

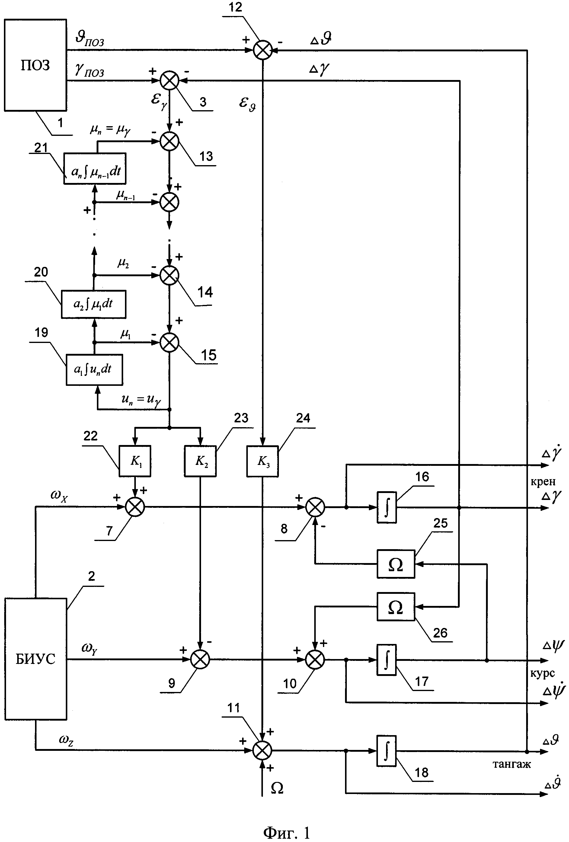
На фиг.1 показан пример реализации устройства. На приведенной структурно-функциональной схеме обозначено:

[26]

1 - ПОЗ с выходами по крену γПОЗ и тангажу ϑПОЗ соответственно;

[27]

2 - БИУС с измерительными осями угловых скоростей КА в проекциях на собственные оси: продольная ось X (по крену) - ωX, вертикальная ось Y (по курсу) - ωY и ось Z (по тангажу) тангажу - ωZ;

[28]

3-12 - сумматоры;

[29]

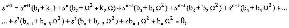
13-15 - вновь введенные сумматоры:, 13-й - первый, 15 - n-ый;

[30]

16-18 - интеграторы;

[31]

19-21 - вновь введенные интеграторы: 19-й - 1-й, …, 21-й - n-ый;

[32]

22-23 - модули коррекции (МК);

[33]

24-25 - модули компенсации взаимовлияний каналов (МКВК);

[34]

Δγ, , Δψ, , Δϑ, - выходы СО по углам и угловым скоростям соответственно по крену, курсу и тангажу, поступающие в контур стабилизации КА;

[35]

γПОЗ, ϑПОЗ - сигналы ПОЗ по крену и тангажу;

[36]

εγ, εϑ - сигналы коррекции ОГК по крену и тангажу соответственно;

[37]

µγ - сигнал автокомпенсации;

[38]

ωX, ωY, ωZ - сигналы БИУС, соответствующие проекциям абсолютной угловой скорости КА на связанные оси по крену, курсу и тангажу;

[39]

K1, K2, K3 - коэффициенты коррекции;

[40]

а1an - коэффициенты автокомпенсации;

[41]

Ω - орбитальная угловая скорость КА.

[42]

Сигналы БИУС 2 интегрируются на интеграторах 16, 17, 18 и поступают в контур стабилизации КА по крену - Δγ, по курсу - Δψ и по тангажу - Δϑ. Для приведения КА к местной вертикали по крену и тангажу сигналы гироскопического датчика необходимо корректировать. С этой целью сигналы ПОЗ 1 и интегралы от угловых скоростей БИУС в каналах крена - Δγ и тангажа - Δϑ сравниваются на сумматорах 3 и 12, откуда разностные сигналы - εγ и εϑ через модули коррекции 22 и 23 соответственно поступают на сумматоры 7 и 9, где корректируют показания БИУС 2. Приведение ИСЗ по курсу в плоскость орбиты производится в режиме гирокомпасирования. Для этого разностный сигнал εγ (построителя вертикали ПОЗ 1 по крену и интегратора 16 - выход ОГК по крену) подается на модуль коррекции 23 в канале курса. Усиленный сигнал сравнивается с сигналом БИУС 2 на сумматоре 9 и подается на интегратор 17, на выходе которого формируется сигнал стабилизации ИСЗ по каналу курса - Δψ и осуществляется приведение КА в плоскость орбиты. В процессе приведения КА к орбитальной системе координат блоки МКВК 25 и 26 устраняют взаимовлияния каналов курса и крена (соответственно) вследствие возникающих проекций орбитальной угловой скорости на связанные оси крена и курса КА в процессе стабилизации КА по углам Δψ и Δγ.

[43]

Вновь введенные элементы - интеграторы 19, 20, 21, и сумматоры 13, 14, 15, и новые связи - позволяют полностью компенсировать указанные выше ошибки ОГК по курсу и крену и соответствующие им ошибки ориентации КА путем выработки сигнала автокомпенсации - µγ. Причем происходит это автоматически, т.е. ошибки автокомпенсируются.

[44]

Покажем это на примере. В соответствии с фиг.1 линеаризованные уравнения движения ОГК имеют вид:

[45]

;

[46]

;

[47]

[48]

;

[49]

;

[50]

[51]

[52]

где uγ - новый сигнал коррекции ОГК по крену;

[53]

εγ - старый сигнал коррекции ОГК по крену;

[54]

µγ - сигнал автокомпенсации;

[55]

γПОЗ - сигнал ПОЗ по крену;

[56]

Δγ - выходной сигнал ОГК по крену;

[57]

а1an - коэффициенты интегрирования;

[58]

n - степень системы коррекции;

[59]

εϑ - сигнал коррекции ОГК по тангажу.

[60]

;

[61]

;

[62]

;

[63]

;

[64]

;

[65]

;

[66]

;

[67]

,

[68]

где дополнительно обозначено:

[69]

ψ, ϑ, γ, , , - углы и угловые скорости КА относительно ОСК по курсу, тангажу и крену соответственно;

[70]

α, θ, β - ошибки ориентации ОГК относительно ОСК по курсу, тангажу и крену соответственно;

[71]

ΔγПОЗ, ΔϑПОЗ - детерминированные инструментальные ошибки ПОЗ в каналах крена и тангажа соответственно, включая также ошибки установки ПОЗ на КА относительно связанных осей по крену и тангажу.

[72]

На фиг.2, 3 показаны результаты моделирования полных уравнений движения КА (в качестве исполнительных органов использовались двигатели-маховики).

[73]

На фиг.2 показано движение и установившиеся ошибки КА без элементов автокомпенсации (коэффициенты коррекции а1an=о), при этом:

[74]

, , , ΔγПОЗ=ΔϑПОЗ=0,5°=30 угл. мин.

[75]

Из приведенного графика видно, что при нулевых начальных условиях ориентации:

[76]

[77]

система ориентации после завершения переходных процессов (t→∞) под влиянием ошибки ПОЗ в канале крена ΔγПОЗ накапливает большие ошибки в каналах курса ψ и крена γ, аналитический вид которых и числовые значения следующие (канал тангажа является независимым и в дальнейшем не рассматривается):

[78]

[79]

[80]

При этом в канале курса ошибка ориентации КА составляет примерно половину ошибки ПОЗ по крену, а в канале крена ошибка ориентации КА практически равна полной ошибке ПОЗ по крену.

[81]

На фиг. 3 показаны графики ошибок КА с включенной автокомпенсацией . Здесь для простоты взят случай для а2an=0, т.е. степень астатизма системы равна 1.

[82]

Из приведенного графика видно, что накопленные ранее ошибки (см. фиг. 2) после включения автокомпенсации стремятся к нулю в обоих каналах (крена и курса) и по завершению переходных процессов (t→∞) принимают нулевые значения:

[83]

ψ=α=0 угл. мин;

[84]

γ=β=0 угл. мин.

[85]

Таким образом, достигается полная и автоматическая компенсация детерминированных ошибок ориентации КА не только в канале курса, но и в канале крена.

[86]

Рассмотренный пример дан для n=1. С увеличением степени n улучшается амплитудно-частотная характеристика контура коррекции, но при этом усложняется синтез системы.

[87]

ОГК в режиме автокомпенсации абсолютно устойчив, что подтверждается теоретическими расчетами и приведенным моделированием на интервале времени 86400 с, что соответствует 16 виткам или 24 часам орбитального полета КА.

[88]

В общем случае характеристическое уравнение системы имеет вид:

[89]

[90]

где оператор Лапласа,

[91]

.

[92]

В соответствии с критерием Рауса-Гурвица система коррекции устойчива при любой степени - n, т.к. из характеристического уравнения непосредственно следует положительность всех коэффициентов при степенях s, при этом определители Рауса-Гурвица можно всегда подобрать положительными, т.к. коэффициенты bn=а1an выбираются и назначаются произвольно, т.е. они не обременены собственными свойствами системы коррекции ОГК. В этой связи интересен случай, когда а1an выбираются настолько малыми, что контур коррекции ОГК будет работать, практически не замечая влияния µγ на динамику движения. Тем не менее, автокомпенсация ошибок в каналах крена и курса со временем произойдет.

[93]

Ввиду того, что система чувствительна к детерминированным ошибкам ПОЗ в канале крена, включая ошибку установки ПОЗ относительно связанных осей КА, то будут автокомпенсироваться и медленноменяющиеся ошибки с периодами изменения значительно большими времени переходного процесса в контуре автокомпенсации, что вполне достаточно для практических целей. На фиг. 4 иллюстрируется автокомпенсация ошибок СО для случая медленноменяющейся гармонической ошибки ПОЗ, амплитуду которой положим раной 10% (0,05°) от начального значения (0,5°) детерминированной ошибки ПОЗ: ,

[94]

т.е. в данном примере ПОЗ имеет постоянную и медленноменяющуюся (с частотой изменения в 10 раз меньшей частоты орбитального движения) ошибки.

[95]

Из результатов моделирования видно, что автокомпенсация воздействует на обе ошибки ориентации КА - по курсу и крену, полностью компенсирует постоянные составляющие ошибок и практически полностью устраняет их медленноменяющиеся составляющие.

Как компенсировать расходы
на инновационную разработку
Похожие патенты