патент
№ RU 2686592
МПК H03H5/00

Активная пьезорезонаторная частотно-селективная система

Авторы:
Яковлев Андрей Николаевич
Номер заявки
2018102767
Дата подачи заявки
24.01.2018
Опубликовано
29.04.2019
Страна
RU
Как управлять
интеллектуальной собственностью
Чертежи 
3
Реферат

[19]

Изобретение относится к радиоэлектронике и может быть использовано для селекции сигналов. Технический результат заключается в расширении арсенала средств активной пьезорезонаторной частотно-селективной системы, выполняющей роль фазовращательного звена. Система содержит входную и выходную потенциальные клеммы, общую шину, операционный усилитель, имеющий два входа и один выход, соединенный с выходной потенциальной клеммой, первый и второй двухполюсники, соединенные первыми выводами с потенциальной входной клеммой, а вторыми - с соответствующим входом операционного усилителя, у которого выход соединен с выходной потенциальной клеммой. Первый двухполюсник выполнен в виде соединенных последовательно катушки индуктивности и двухполюсника, содержащего соединенные параллельно два пьезорезонатора и конденсатор, второй двухполюсник выполнен в виде соединенных параллельно катушки индуктивности, конденсатора и двух пьезорезонаторов. 3 ил.

Формула изобретения

Активная пьезорезонаторная частотно-селективная система, содержащая входную и выходную потенциальные клеммы, общую шину, операционный усилитель, имеющий два входа и один выход, соединенный с выходной потенциальной клеммой, первый и второй двухполюсники, соединенные первыми выводами с потенциальной входной клеммой, а вторыми - с соответствующим входом операционного усилителя, у которого выход соединен с выходной потенциальной клеммой, отличающаяся тем, что первый двухполюсник выполнен в виде соединенных последовательно катушки индуктивности и двухполюсника, содержащего соединенные параллельно два пьезорезонатора и конденсатор, второй двухполюсник выполнен в виде соединенных параллельно катушки индуктивности, конденсатора и двух пьезорезонаторов.

Описание

[1]

Изобретение относится к радиоэлектронике и может быть использовано в качестве фазового контура.

[2]

В радиоэлектронике используются фазовращающее фильтры, которые не оказывают влияния на величину передающего тока и напряжения, т.е. при любой частоте затухание не наступает. Изменяется только фаза. Фазовращающее звенья выполняют только получение требуемой фазочастотной характеристики.

[3]

Известна активная пьезорезонаторная частотно-селективная система, содержащая входную и выходную потенциальные клеммы, общую шину, операционный усилитель, имеющий два входа и один выход, соединенный с выходной потенциальной клеммой, первый и второй двухполюсники соединенные первыми выводами с потенциальной входной клеммой, а вторыми - с соответствующим входом операционного усилителя, у которого выход соединен с выходной потенциальной клеммой, при этом первый и второй двухполюсники выполнены в виде пьезоэлектрических резонаторов.

[4]

Известная частотно-селективная система является активным пьезоэлектрическим полосовым фильтром [1].

[5]

Это устройство может быть принято в качестве прототипа.

[6]

Задача изобретения - расширение арсенала технических средств в области активных пьезорезонаторных частотно-селективных систем.

[7]

Технический результат - получение активной пьезорезонаторной частотно-селективной системы, выполняющей роль фазовращательного звена.

[8]

Технический результат достигается тем, что активная пьезорезонаторная частотно-селективная система, содержащая входную и выходную потенциальные клеммы, общую шину, операционный усилитель, имеющий два входа и один выход, соединенный с выходной потенциальной клеммой, первый и второй двухполюсники соединенные первыми выводами с потенциальной входной клеммой, а вторыми - с соответствующим входом операционного усилителя, у которого выход соединен с выходной потенциальной клеммой, согласно изобретению, первый двухполюсник выполнен в виде соединенных последовательно катушки индуктивности и двухполюсника, содержащего соединенные параллельно два пьезорезонатора и конденсатор, второй двухполюсник выполнен в виде соединенных параллельно катушки индуктивности, конденсатора и двух пьезорезонаторов.

[9]

Сущность изобретения состоит в том, что у активной пьезорезонаторной частотно-селективной системы, содержащей входную и выходную потенциальные клеммы, общую шину, операционный усилитель, имеющий два входа и один выход, соединенный с выходной потенциальной клеммой, первый и второй двухполюсники соединенные первыми выводами с потенциальной входной клеммой, а вторыми - с соответствующим входом операционного усилителя, у которого выход соединен с выходной потенциальной клеммой, первый двухполюсник выполнен в виде соединенных последовательно катушки индуктивности и двухполюсника, содержащего соединенные параллельно два пьезорезонатора и конденсатор, второй двухполюсник выполнен в виде соединенных параллельно катушки индуктивности, конденсатора и двух пьезорезонаторов.

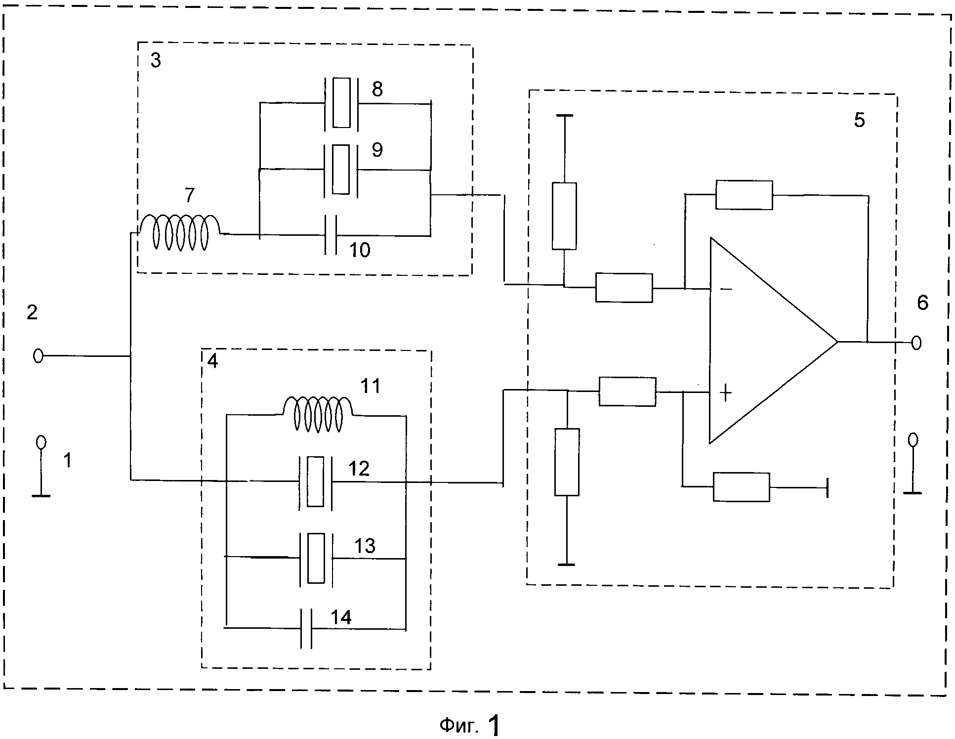
[10]

На фиг. 1 приведена электрическая схема активной пьезорезонаторной частотно-селективной системы, на фиг. 2 приведены исходная и эквивалентная дифференциально-мостовая схемы активной пьезорезонаторной частотно-селективной системы, выполняющей роль фазовращающего фильтра, на фиг. 3 приведены распределения резонансных частот плеч мостового звена фазовращающего фильтра.

[11]

Активная пьезорезонаторная частотно-селективная система (см. фиг. 1) содержит общую шину 1, входную потенциальную клемму 2, к которой подключены первые выводы двухполюсников 3 и 4. Второй вывод двухполюсника 3 подключен к первому входу операционного усилитель 5. Второй вывод двухполюсника 4 подключен ко второму входу операционного усилителя 5, у которого выход соединен с выходной потенциальной клеммой 6. Многоэлементный двухполюсник 3 содержит катушку индуктивности 7, у которой первый вывод соединен с входной потенциальной клеммой 2, а второй - соединен с первыми выводами пьезорезонаторов 8 и 9, и конденсатора 10. Вторые выводы пьезорезонаторов 8 и 9, и конденсаиора 10 соединены с первым входом операционного усилителя 5. Многоэлементный двухполюсник 4 соединенные параллельно катушку индуктивности 11, пьезорезонаторы 12 и 13, и конденсатор 14, у которых первые выводы соединены с входной потенциальной клеммой 2, а вторые - соединены со вторым входом операционного усилителя 5.

[12]

На фиг. 2 приведены исходная и эквивалентная дифференциально-мостовая схема активной пьезорезонаторной частотно-селективной системы, которая выполняет роль фазовращательного звена.

[13]

На фиг. 3 приведены распределения резонансных частот плеч мостового фазовращающего звена

[14]

Между двумя точками резонанса мостиковой ветви в фазовращающем звене всгда происходит сдвиг фазы на величину π.

[15]

Между внешними точками резонансов и в интервале частот от нуля до бесконечности происходит еще сдвиг фазы на величину π.

[16]

Предлагаемое устройство выполняет функцию фазового контура, у которого фаза является функцией частоты, а затухание - частотно независимо. Подобные устройства находят широкое применение для синтеза линий задержки, в качестве корректоров фазовых искажений электрических фильтров и каналов связи, для синтеза фильтров согласованных со спектром сигнала и в целом ряде других случаев.

[17]

Источники информации

[18]

1. В.А. Аржанов, И.М. Ясинский Электрические фильтры и линии задержки. Учеб. Пособие. - Омск. Изд. ОмГТУ, 2000, с. 255, рис. 8.8а

Как компенсировать расходы
на инновационную разработку
Похожие патенты