патент
№ RU 2577183
МПК H03F3/34

ОПЕРАЦИОННЫЙ УСИЛИТЕЛЬ

Авторы:
Хромов Сергей Сергеевич Харин Вадим Анатольевич Адамов Андрей Анатольевич
Все (4)
Номер заявки
2015111085/08
Дата подачи заявки
27.03.2015
Опубликовано
10.03.2016
Страна
RU
Как управлять
интеллектуальной собственностью
Чертежи 
1
Реферат

Изобретение относится к области радиотехники и связи. Техническим результатом является увеличение ширины полосы пропускания операционного усилителя (ОУ), а также повышение быстродействия ОУ при импульсных входных сигналах. ОУ содержит два входных транзистора, два последовательно соединенных прямосмещенных р-n-перехода, два токостабилизирующих двухполюсника, две шины источника питания, два промежуточных транзистора, два вспомогательных источника напряжения питания, два токостабилизирующих резистора и два токовых зеркала. 1 з.п. ф-лы, 2 ил.

Формула изобретения

1. Операционный усилитель содержит первый и второй входные транзисторы, базы которых соединены с неинвертирующим входом устройства, первый и второй последовательно соединенные прямосмещенные р-n-переходы, включенные между эмиттерами первого и второго входных транзисторов, причем общий узел указанных переходов соединен с инвертирующим входом устройства, первый токостабилизирующий двухполюсник, включенный между эмиттером первого входного транзистора и первой шиной источника питания, второй токостабилизирующий двухполюсник, включенный между эмиттером второго входного транзистора и второй шиной источника питания, первый промежуточный транзистор, база которого соединена с первым вспомогательным источником напряжения питания, а эмиттер соединен с коллектором второго входного транзистора и через первый токостабилизирующий резистор связан с первой шиной источника питания, второй промежуточный транзистор, база которого соединена со вторым вспомогательным источником напряжения питания, а эмиттер соединен с коллектором первого входного транзистора и через второй токостабилизирующий резистор связан со второй шиной источника питания, причем коллектор первого вспомогательного транзистора соединен с первым выходом второго токового зеркала, а коллектор второго вспомогательного транзистора соединен с первым выходом первого токового зеркала, вторые выходы первого и второго токовых зеркал соединены с токовым выходом устройства.

2. Операционный усилитель по п. 1, отличающийся тем, что токовый выход устройства соединен с входом дополнительного буферного каскада, выход которого является потенциальным выходом устройства.

Описание

[1]

Изобретение откосится к области радиотехники и связи и может быть использовано в качестве устройства усиления аналоговых сигналов в схемах приемопередатчиков мультиплексного канала передачи данных, драйверах кабельных модемов, буферах АЦП и ЦАП, активных фильтрах и т.п.

[2]

Известны схемы операционных усилителей (ОУ) с входными каскадами на основе двухтактных эмиттерных повторителей на комплементарных биполярных транзисторах, связанных с промежуточным каскадом, реализованным на основе двух токовых зеркал [1-10]. Более высокочастотными являются ОУ, в которых во входных каскадах используется каскодная схема [11-13].

[3]

Прототипом (фиг. 1) заявляемого устройства является операционный усилитель, описанный в патент US 7479831, fig. 7 [11], содержащий первый 1 и второй 2 входные транзисторы, эмиттеры которых соединены с неинвертирующим входом 3 устройства, первый 4 и второй 5 последовательно соединенные прямосмещенные р-n переходы, включенные между базами первого 1 и второго 2 входных транзисторов, инвертирующий 6 вход устройства, первый 7 токостабилизирующий двухполюсник, включенный между базой первого 1 входного транзистора и первой 8 шиной источника питания, второй 9 токостабилизирующий двухполюсник, включенный между базой второго 2 входного транзистора и второй 10 шиной источника питания, первый 11 выходной транзистор, база которого соединена с первым 12 вспомогательным источником напряжения питания, а эмиттер соединен с коллектором первого 1 входного транзистора и через первый 13 токостабилизирующий резистор связан с первой 8 шиной источника питания, второй 14 выходной транзистор, база которого соединена со вторым 15 вспомогательным источником напряжения питания, а эмиттер соединен с коллектором второго 2 входного транзистора и через второй 16 токостабилизирующий резистор связан со второй 10 шиной источника питания, причем коллекторы первого 11 и второго 14 выходных транзисторов связаны с токовым выходом устройства.

[4]

Существенный недостаток известного ОУ состоит в том, что он характеризуется невысоким быстродействием при импульсных входных сигналах и низким значением ширины полосы пропускания сигнала. Это обусловлено повышенной склонностью этого ОУ к возбуждению, для препятствования чему необходимо существенно увеличивать емкость коррекции, что приводит к снижению быстродействия ОУ.

[5]

Основная задача предлагаемого изобретения состоит в создании операционного усилителя с улучшенными динамическими свойствами входного каскада, что обеспечивается созданием дополнительных каналов преобразования входного напряжения в выходной ток ОУ, повышающих при прочих равных условиях крутизну усиления входного каскада.

[6]

Технический результат - увеличение ширины полосы пропускания и повышение быстродействия при импульсных входных сигналах.

[7]

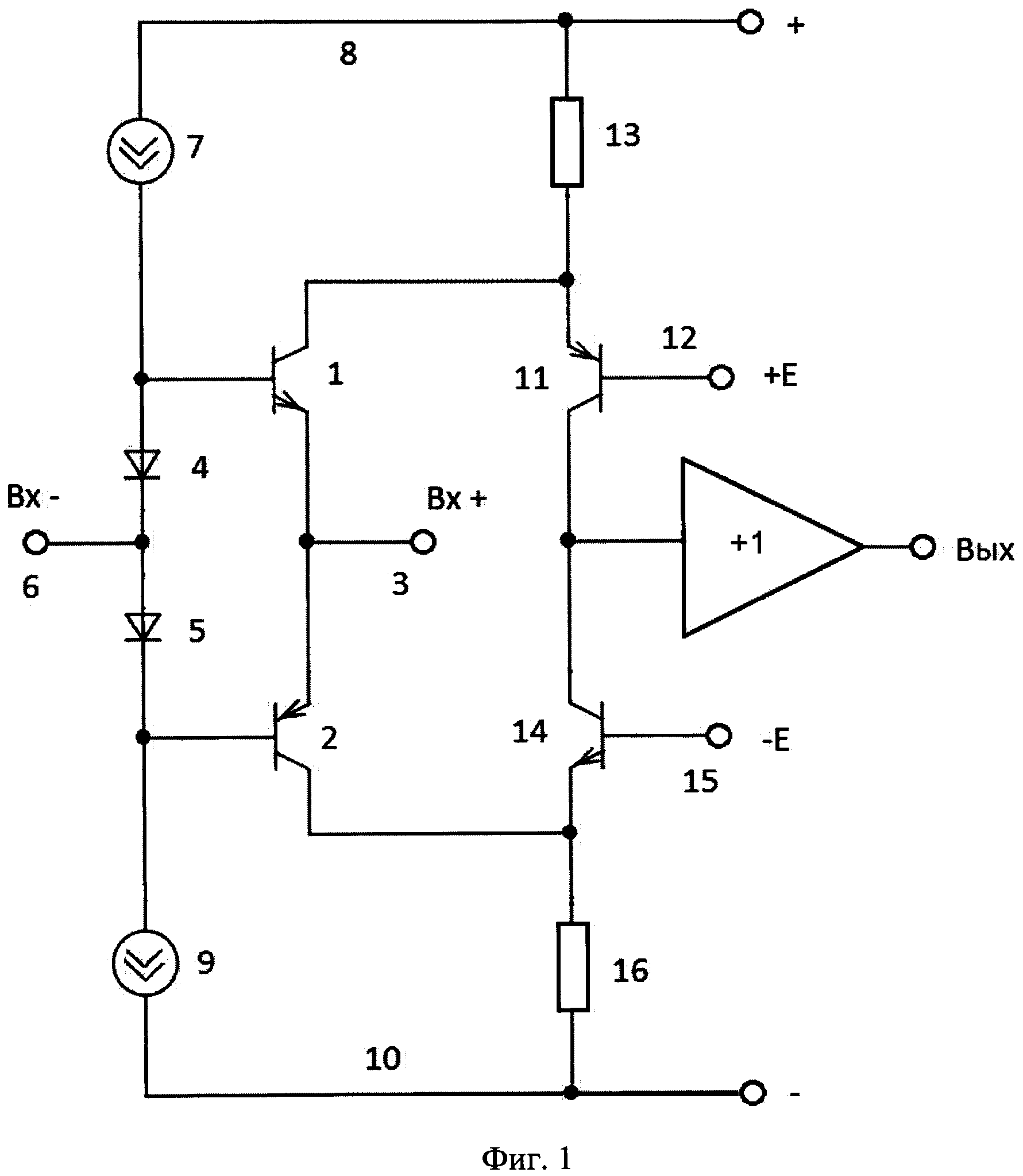
Поставленная задача достигается тем, что операционный усилитель содержит первый (1) и второй (2) входные транзисторы, базы которых соединены с неинвертирующим входом (3) устройства, первый (4) и второй (5) последовательно соединенные прямосмещенные р-n переходы, включенные между эмиттерами первого (1) и второго (2) входных транзисторов, причем общий узел указанных прямосмещенных р-n переходов соединен с инвертирующим (6) входом устройства, первый (7) токостабилизирующий двухполюсник, включенный между эмиттером первого (1) входного транзистора и первой (8) шиной источника питания, второй (9) токостабилизирующий двухполюсник, включенный между эмиттером второго (2) входного транзистора и второй (10) шиной источника питания, первый (11) промежуточный транзистор, база которого соединена с первым (12) вспомогательным источником напряжения питания, а эмиттер соединен с коллектором второго (2) входного транзистора и через первый (13) токостабилизирующий резистор связан с первой (8) шиной источника питания, второй (14) промежуточный транзистор, база которого соединена со вторым (15) вспомогательным источником напряжения питания, а эмиттер соединен с коллектором первого (1) входного транзистора и через второй (16) токостабилизирующий резистор связан со второй (10) шиной источника питания, причем коллектор первого (11) вспомогательного транзистора соединен с первым выходом (20) второго (22) токового зеркала, а коллектор второго (14) вспомогательного транзистора соединен с первым выходом (17) первого (19) токового зеркала, вторые выходы (18 и 21) первого (19) и второго (22) токовых зеркал соединены с токовым выходом устройства.

[8]

Частным существенным признаком является то, что токовый выход устройства соединен с входом дополнительного буферного каскада (23), выход которого является потенциальным выходом устройства.

[9]

Сущность изобретения поясняется фиг. 2, на которой представлена схема заявляемого устройства, соответствующая пп. 1 и 2 формулы изобретения.

[10]

Операционный усилитель содержит первый (1) и второй (2) входные транзисторы, базы которых соединены с неинвертирующим входом (3) устройства, первый (4) и второй (5) последовательно соединенные прямосмещенные р-n-переходы, включенные между базами эмиттерами первого (1) и второго (2) входных транзисторов и соединенные с инвертирующим (6) входом устройства, первый (7) токостабилизирующий двухполюсник, включенный между эмиттером первого (1) входного транзистора и первой (8) шиной источника питания, второй (9) токостабилизирующий двухполюсник, включенный между эмиттером второго (2) входного транзистора и второй (10) шиной источника питания, первый (11) промежуточный транзистор, база которого соединена с первым (12) вспомогательным источником напряжения питания, а эмиттер соединен с коллектором второго (2) входного транзистора и через первый (13) токостабилизирующий резистор связан с первой (8) шиной источника питания, второй (14) промежуточный транзистор, база которого соединена со вторым (15) вспомогательным источником напряжения питания, а эмиттер соединен с коллектором первого (1) входного транзистора и через второй (16) токостабилизирующий резистор связан со второй (10) шиной источника питания, причем коллектор первого (11) вспомогательного транзистора соединен с первым выходом (20) второго (22) токового зеркала, а коллектор второго (14) вспомогательного транзистора соединен с первым выходом (17) первого (19) токового зеркала, второй выход (18) первого (19) токового зеркала и второй выход (21) второго (22) токового зеркала соединены с токовым выходом устройства.

[11]

В соответствии с п. 2 формулы изобретения токовый выход устройства Вых (i) соединен со входом дополнительного буферного канала (23), выход которого является потенциальным выходом устройства Вых (u).

[12]

При нарастающем напряжении входного сигнала на неинвертирующем входе (3) при включении ОУ без отрицательной обратной связи (ООС) напряжение база-эмиттер транзистора (1) будет уменьшаться, а напряжение база-эмиттер транзистора (2) увеличиваться. Это приведет к уменьшению тока базы транзистора (1) и, следовательно, к уменьшению токов эмиттера и коллектора, а на транзисторе (2) эти токи увеличатся. Так как токи токостабализирующих двухполюсников (7) и (9) остаются практически неизменными, то уменьшение тока эмиттера транзистора (1) приводит к увеличению тока прямосмещенного р-n перехода (4) на ту же величину, а ток прямосмещенного р-n перехода (5), соответственно, уменьшится. Это приводит к появлению тока ошибки на инвертирующем входе (6). Уменьшение тока коллектора транзистора (1) вызывает уменьшение падения напряжению на резисторе (16) и, следовательно, к увеличению напряжения база-эмиттер транзистора (14) и увеличению его тока коллектора, что приводит к увеличению токов на входах (17) и (18) токового зеркала (19). На симметричной половине схемы ОУ будут происходить противоположные процессы, т.е. ток на входах (20) и (21) токового зеркала (22) уменьшится. Это приведет к возрастанию напряжения на выходах Вых (i) и Вых (u). При включении ОУ с ООС через резистор обратной связи, включенный между Вых (и) и инвертирующим входом (6), происходит компенсация тока ошибки так, чтобы результирующий ток через неинвертирующий вход (3) стремился к нулю, т.е. ООС будет компенсировать погрешность усилителя.

[13]

Результаты моделирования показывают существенно лучшие динамические характеристики при одинаковых режимах и способе включения схемы: скорость нарастания выходного напряжения составляет 1800 и 300 В/мкс для заявляемой схемы и схемы-прототипа соответственно, а малосигнальная ширина полосы пропускания - 760 и 290 МГц соответственно. Кроме того, схема-прототип склонна к возбуждению, что проявляется в виде затухающих колебаний выходного сигнала при импульсном воздействии и в виде пика на амплитудно-частотной характеристике.

[14]

БИБЛИОГРАФИЧЕСКИЙ СПИСОК

[15]

1. Патент US 4502020.

[16]

2. Патент US 5003269.

[17]

3. Патент US 5537079.

[18]

4. Патент US 5742154.

[19]

5. Патент US 5623232.

[20]

6. Патент US 5789982.

[21]

7. Патент US 5977829.

[22]

8. Патент US 6710654.

[23]

9. Патент US 6710655.

[24]

10. Патент US 6724260.

[25]

11. Патент US 7479831.

[26]

12. Патент RU 2391768.

[27]

13. Патент RU 2474952.

Как компенсировать расходы
на инновационную разработку
Похожие патенты