патент
№ RU 2641460
МПК G06F13/38

Устройство передачи телеметрической и видеоинформации с частотно-временным уплотнением радиоканала и аналого-цифровым методом частотной (фазовой) модуляции несущей частоты

Авторы:
Грибков Владимир Николаевич
Номер заявки
2017109488
Дата подачи заявки
21.03.2017
Опубликовано
17.01.2018
Страна
RU
Как управлять
интеллектуальной собственностью
Чертежи 
3
Реферат

Изобретение относится к системам радиотелеметрии, в частности к устройствам передачи телеметрической информации в космической отрасли. Технический результат заключается в повышении количества передаваемой видеоинформации в полосе частот используемого радиоканала. Технический результат достигается за счет устройства передачи телеметрической и видеоинформации с частотно-временным уплотнением радиоканала и аналого-цифровым методом частотной (фазовой) модуляции несущей частоты, содержащего генератор тактовых частот, первый коммутатор, первый сумматор, блок фазовой автоподстройки частоты, усилитель мощности, видеокамеру, формирователь видеомаркера, второй коммутатор и дискретизатор видеоинформации, в которое введены мультиплексор и первый, и второй блоки уплотнения строк, состоящие каждый из ключа, первой линии задержки, схемы попарного сравнения, формирователя среднеарифметических значений, регистра, цифроаналогового преобразователя, второго сумматора и второй линии задержки. 1 з.п. ф-лы, 3 ил.

Формула изобретения

1. Устройство передачи телеметрической и видеоинформации с частотно-временным уплотнением радиоканала и аналого-цифровым методом частотной (фазовой) модуляции несущей частоты, содержащее последовательно соединенные генератор тактовых частот, первый коммутатор, имеющий L информационных входов, первый сумматор, блок фазовой автоподстройки частоты, второй вход которого соединен со вторым выходом генератора тактовых импульсов, и усилитель мощности, подключенные ко второму входу первого сумматора последовательно соединенные видеокамеру, формирователь видеомаркера и второй коммутатор, дискретизатор видеоинформации, связанный первым входом с выходом видеокамеры, а вторым входом с выходом формирователя видеомаркера, третий выход генератора тактовых импульсов подключен ко второму входу формирователя видеомаркера и второму входу второго коммутатора, отличающееся тем, что в него введены мультиплексор и блок уплотнения строк, первый вход блока уплотнения строк соединен с выходом формирователя видеомаркера, второй вход соединен с выходом дискретизатора видеоинформации, третий вход соединен с четвертым выходом генератора тактовых частот, четвертый вход объединен с третьим выходом генератора тактовых частот и первым входом мультиплексора, выход блока уплотнения строк подключен ко второму входу мультиплексора, выход мультиплексора подключен к третьему входу второго коммутатора, блок уплотнения строк содержит последовательно соединенные ключ, первый вход которого является вторым входом блока уплотнения строк, первую линию задержки и схему попарного сравнения, второй вход которой связан со вторым выходом ключа через формирователь среднеарифметических значений, третий вход схемы попарного сравнения соединен с третьим входом ключа и является первым входом блока уплотнения строк, N выходов схемы попарного сравнения подключены через последовательно соединенные регистр, цифроаналоговый преобразователь, второй вход которого соединен с четвертым входом схемы попарного сравнения и является четвертым входом блока уплотнения строк, и второй сумматор - с выходом блока уплотнения строк, а также вторую линию задержки, первый вход которой соединен со вторым входом первой линии задержки и является третьим входом блока уплотнения строк, второй вход соединен с выходом формирователя среднеарифметических значений, а выход соединен со вторым входом второго сумматора.

2. Устройство по п. 1, отличающееся тем, что в него введен второй блок уплотнения строк, первый, третий и четвертый входы которого соединены соответственно с первым, третьим и четвертым входами первого блока уплотнения строк, а второй вход подключен ко второму выходу дискретизатора видеоинформации, причем во втором блоке уплотнения строк первый и второй выходы ключа подключены соответственно к входу формирователя среднеарифметических значений и первому входу первой линии задержки, а выход второго блока уплотнения строк связан с третьим входом мультиплексора.

Описание

[1]

Изобретение относится к системам радиотелеметрии, в частности к устройствам передачи телеметрической информации в космической отрасли.

[2]

Известно устройство для передачи информации по двум параллельным каналам, содержащее опорный генератор, два управляемых генератора, два фазовых детектора, умножитель, смеситель, дифференцирующий элемент, фильтр, управляющий элемент, два усилителя, формирователь сигналов управления, блок памяти, модулятор и два усилителя мощности (а.с. СССР №938417, 1982).

[3]

Однако применение такого устройства в телеметрии потребовало бы использования неоправданно большой полосы частот в эфире и применения большого числа приемных трактов, что сложно и дорого. Также невозможно передать видеоинформацию о процессах на удаленном от земли объекте наблюдения.

[4]

Известно также устройство передачи телеметрической информации с частотно-временным уплотнением радиоканала и аналого-цифровым методом модуляции несущей частоты, содержащее генератор тактовых частот, делитель частоты, формирователь маркерного импульса, ключ, коммутаторы тактовых частот, частотные модуляторы, фазовые детекторы, управляемые генераторы, опорный генератор, усилители мощности и сумматор мощности (Патент РФ №2236754, 2004).

[5]

Недостатком этого технического решения является то, что оно не позволяет передать видеоизображение в полосе частот используемого радиоканала без значительного расширения числа каналов и усложнения аппаратуры.

[6]

Наиболее близким по технической сущности к заявляемому устройству является устройство, содержащее генератор тактовых частот, делитель частоты, формирователь маркерного импульса, фазовый детектор, частотный модулятор, управляемый генератор, усилитель мощности, опорный генератор несущих частот, два коммутатора, сумматор, формирователь частотной «подставки», видеокамеру, селектор видеосинхроимпульсов, формирователь видеомаркера и дискретизатор видеоинформации (Патент РФ №2571731, 2015).

[7]

Недостатком этого технического решения является ограниченная информативность телеметрической видеоинформации, передаваемой по радиоканалу, подвергающемуся активному воздействию помех.

[8]

Ожидаемым техническим результатом устройства передачи телеметрической и видеоинформации с частотно-временным уплотнением радиоканала и аналого-цифровым методом частотной (фазовой) модуляции несущей частоты является возможность повысить количество передаваемой видеоинформации в полосе частот используемого радиоканала.

[9]

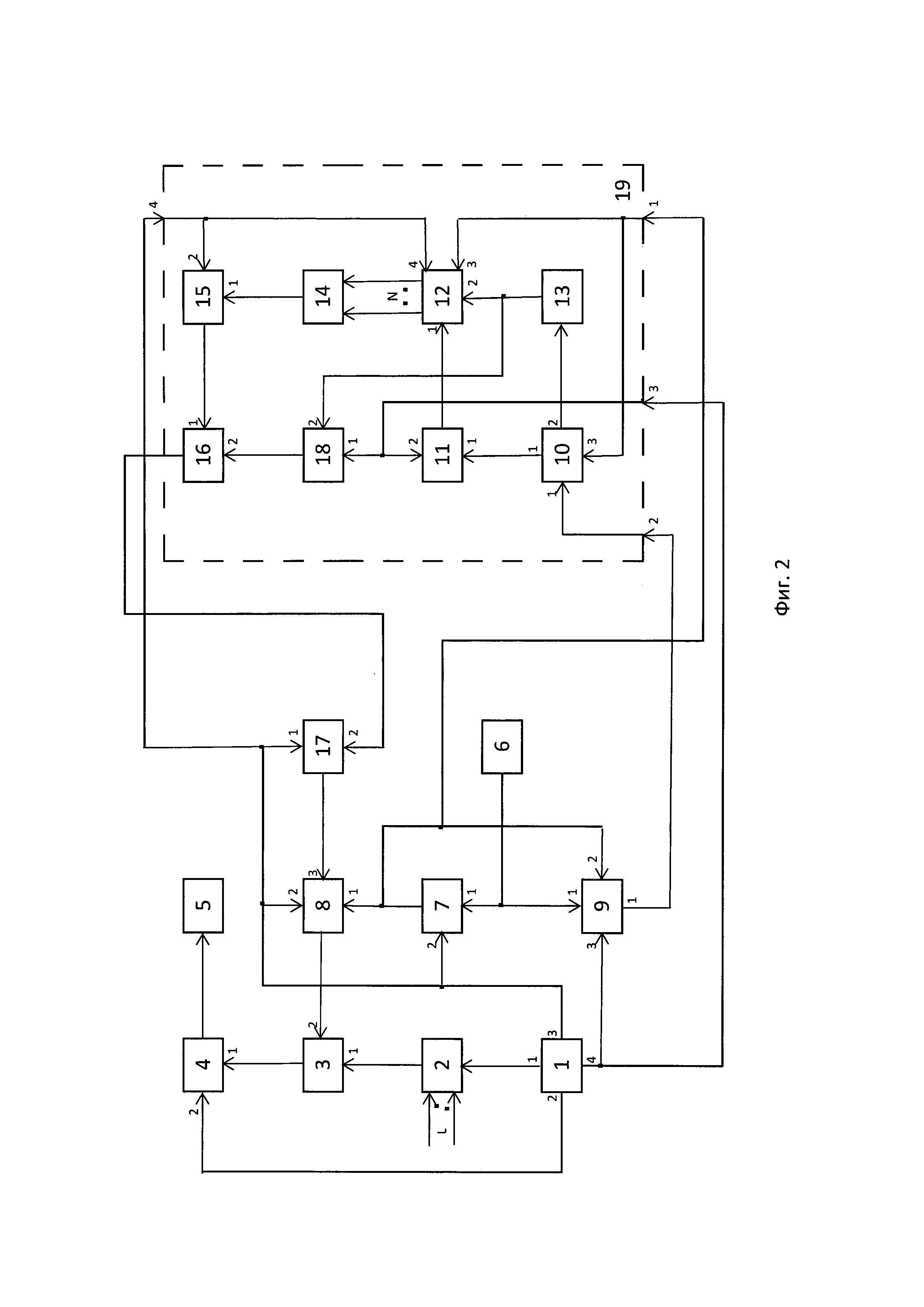
Для этого в устройство передачи телеметрической и видеоинформации с частотно-временным уплотнением радиоканала и аналого-цифровым методом частотной (фазовой) модуляции несущей частоты, содержащее последовательно соединенные генератор тактовых частот (1), первый коммутатор (2), имеющий L информационных входов, первый сумматор (3), блок фазовой автоподстройки частоты (4), второй вход которого соединен со вторым выходом генератора тактовых импульсов (1), и усилитель мощности (5), подключенные ко второму входу первого сумматора (3) последовательно соединенные видеокамеру (6), формирователь видеомаркера (7) и второй коммутатор (8), дискретизатор видеоинформации (9), связанный первым входом с выходом видеокамеры (6), а вторым входом - с выходом формирователя видеомаркера (7), третий выход генератора тактовых импульсов (1) подключен ко второму входу формирователя видеомаркера (7) и второму входу второго коммутатора (8), введены мультиплексор (17) и блок уплотнения строк (19).

[10]

Первый вход блока уплотнения строк (19) соединен с выходом формирователя видеомаркера (7), второй вход соединен с выходом дискретизатора видеоинформации (9), третий вход соединен с четвертым выходом генератора тактовых частот (1), четвертый вход объединен с третьим выходом генератора тактовых частот (1) и первым входом мультиплексора (17). Выход блока уплотнения строк подключен ко второму входу мультиплексора (17). Выход мультиплексора 17 подключен к третьему входу второго коммутатора (8).

[11]

Блок уплотнения строк (19) содержит последовательно соединенные ключ (10), первый вход которого является вторым входом блока уплотнения строк (19), первую линию задержки (11) и схему попарного сравнения (12), второй вход которой связан со вторым выходом ключа (10) через формирователь среднеарифметических значений (13), третий вход схемы попарного сравнения соединен с третьим входом ключа (10) и является первым входом блока уплотнения строк (19), N выходов схемы попарного сравнения (12) подключены через последовательно соединенные регистр (14), цифроаналоговый преобразователь (15), второй вход которого соединен с четвертым входом схемы попарного сравнения (12) и является четвертым входом блока уплотнения строк (19), и второй сумматор (16) с выходом блока уплотнения строк (19), а также вторую линию задержки (18), первый вход которой соединен со вторым входом первой линии задержки (11) и является третьим входом блока уплотнения строк (19), второй вход соединен с выходом формирователя среднеарифметических значений (13), а выход соединен со вторым входом второго сумматора (16).

[12]

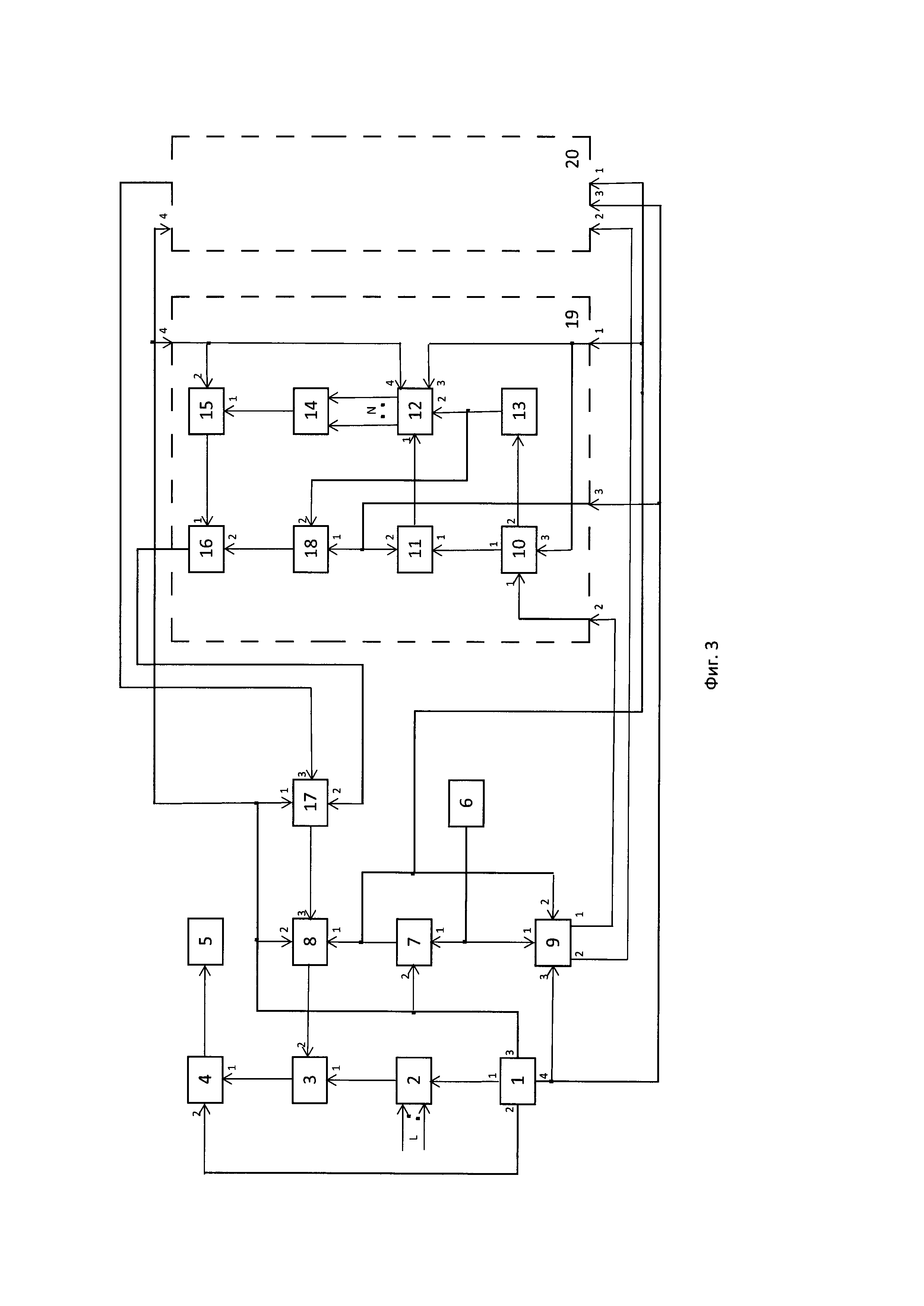
Дополнительное улучшение качества передаваемого сигнала может быть достигнуто при раздельной обработке четных и нечетных строк. Для этого в устройство передачи телеметрической и видеоинформации с частотно-временным уплотнением радиоканала и аналого-цифровым методом частотной (фазовой) модуляции несущей частоты введен второй блок уплотнения строк (20), первый, третий и четвертый входы которого соединены соответственно с первым, третьим и четвертым входами первого блока уплотнения строк (19), а второй вход подключен ко второму выходу дискретизатора видеоинформации (7), причем во втором блоке уплотнения строк (20) первый и второй выходы ключа (10) подключены соответственно к входу формирователя среднеарифметических значений (13) и первому входу первой линии задержки (11), а выход второго блока уплотнения строк связан с третьим входом мультиплексора.

[13]

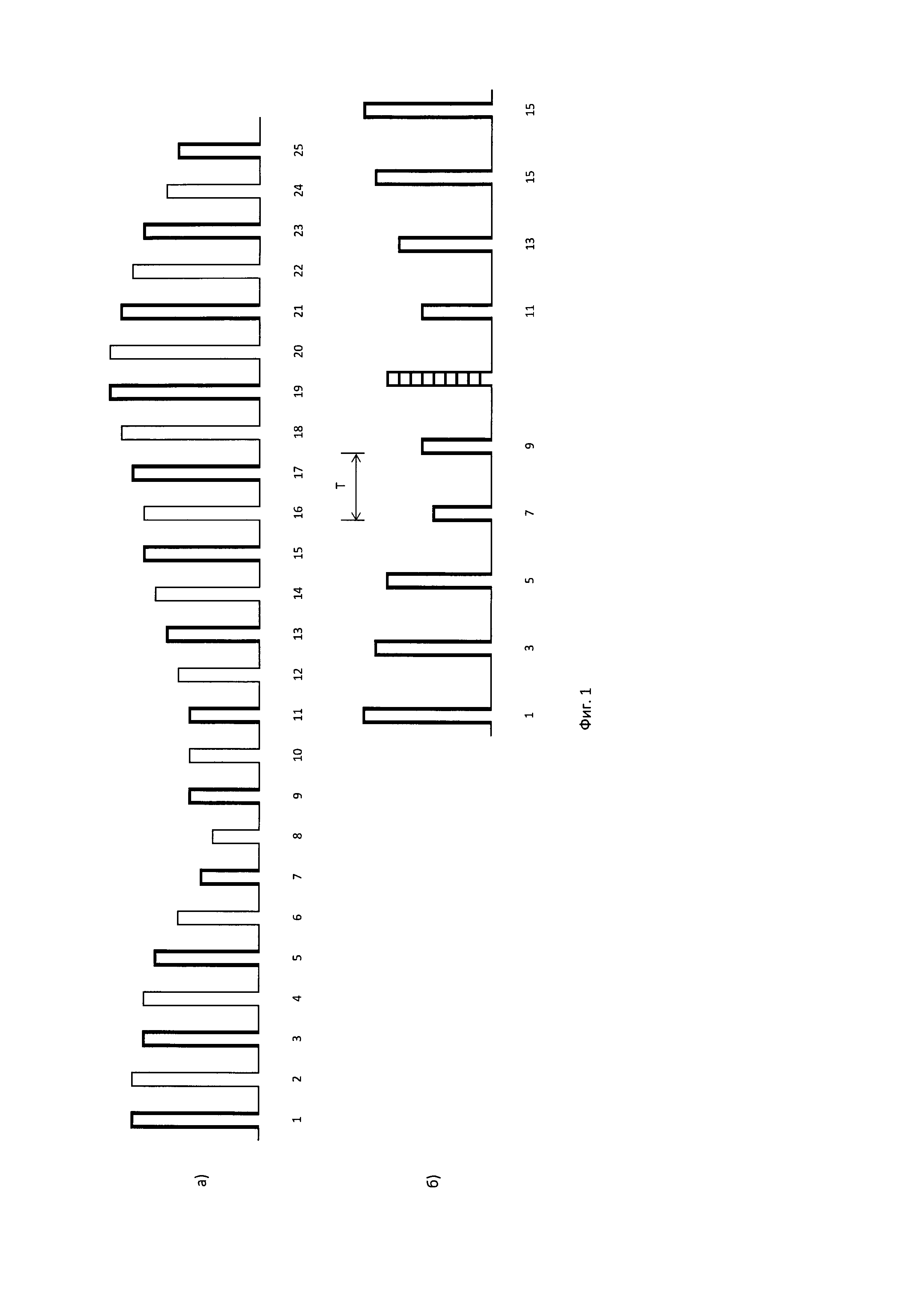
На фиг. 1 приведена структура сигналов при уплотнении видеоинформации, в том числе:

[14]

а) сигналы видеоинформации (в виде аналоговых импульсов) с выхода дискретизатора видеоинформации;

[15]

б) сигналы видеоинформации (после прореживания в блоке уплотнения строк) на входе мультиплексора.

[16]

На фиг. 2 приведена схема по п. 1 устройства передачи телеметрической и видеоинформации с частотно-временным уплотнением радиоканала и аналого-цифровым методом частотной (фазовой) модуляции несущей частоты.

[17]

На фиг. 3 приведена схема по п. 2 устройства передачи телеметрической и видеоинформации с частотно-временным уплотнением радиоканала и аналого-цифровым методом частотной (фазовой) модуляции несущей частоты.

[18]

Устройство работает следующим образом: коммутатор (2) осуществляет сбор измерительной информации от L датчиков, формируя первый поток (телеметрической) информации, который представляет собой последовательно скоммутированные сигналы от измерительных датчиков и служебные сигналы (маркерный импульс, калибровка). Коммутатор (8) осуществляет прием видеоинформации от видеокамеры (9). Оба коммутатора (2, 8) синхронизируются от одного генератора тактовых частот (1), работающего на частоте Fтак.

[19]

Высокочастотная и высокоинформативная видеоинформация поступает на дискретизатор видеоинформации (7). Видеоинформация при помощи последовательности тактовых импульсов с частотой F=(2N/(N+1))×Fтак и синхронизирующих импульсов, выделенных из видеоинформации, оптимизируется с учетом последующего сжатия под допустимую информативность частотой (2N/(N+1))×J радиоканала, согласно соотношению

[20]

J=P×H×G×K, где

[21]

Р - количество пикселей в строке видеокадра,

[22]

Н - количество строк в видеокадре,

[23]

G - количество кадров,

[24]

K - число информационных каналов в потоке.

[25]

Сжатие видеоинформации осуществляется в блоке (19) (фиг. 2) или отдельно по четным и нечетным строкам в блоках (19, 20) (фиг. 3). Рассмотрим работу одного такого блока. Оптимизированные после дискретизатора видеоинформации (7) видеоимпульсы разделяются ключом (10) на последовательности четных и нечетных видеоимпульсов. Из каждой пары последовательно следующих нечетных видеоимпульсов формирователь среднеарифметических значений (13) формирует среднеарифметическое значение и подает на схему попарного сравнения (12). На другой вход схемы попарного сравнения (12) поступают задержанные четные видеоимпульсы и сравниваются со среднеарифметическим значением окружающих их нечетных видеоимпульсов.

[26]

Количество пар сравниваемых видеоимпульсов (N) соответствует разрядности регистра (14) и определяется допустимым уровнем шумов используемого радиоканала. Этот код с помощью цифроаналогового преобразователя (15) преобразуется в аналоговый вид и суммируется на втором сумматоре (16) с последовательностью нечетных видеоимпульсов, задержанных второй линией задержки (18) на время этого преобразования. Таким образом, вместо посылки 2×N видеоимпульсов, мы имеем посылку N+1 видеоимпульсов, не потеряв существенно видеоинформацию. Это позволяет при тех же параметрах радиоканала передать видеоинформацию либо с большим разрешением, либо с большей частотой кадров. Далее видеоимпульсы четных и нечетных строк с помощью мультиплексора (17) подаются на второй коммутатор (8), где формируется второй (видеотелеметрический) поток.

[27]

Блок фазовой автоподстройки частоты (4) обеспечивает подстройку несущей частоты потока по уровню маркерного импульса, значение которого соответствует середине измерительной шкалы потока и номинальному значению несущей частоты излучаемого сигнала. Работа блока фазовой автоподстройки частоты (4) обеспечивает привязку несущих частот потоков 1 и 2 между собой.

[28]

Таким образом, предлагаемое устройство позволяет увеличить почти в 2 раза количество передаваемой видеоинформации в полосе частот используемого радиоканала, что позволит увеличить либо разрешение видеоизображения, либо частоту видеокадров.

Как компенсировать расходы
на инновационную разработку
Похожие патенты