Изобретение относится к вычислительной технике и может быть использовано при анализе результативности системы менеджмента качества продукции научно-технических организаций для повышения ее конкурентоспособности. Техническим результатом является повышение эффективности работы организаций по результативности выполнения требований системы менеджмента качества разрабатываемой научно-технической продукции. Устройство содержит группы входных регистров, входные регистры, группу блоков логарифмирования, группу элементов задержки, группы блоков умножения, группу накопительных сумматоров, группу блоков деления, накопительный сумматор, блок деления, выходной регистр, блок индикации, генератор тактовых импульсов и распределитель импульсов. 3 ил., 4 табл.
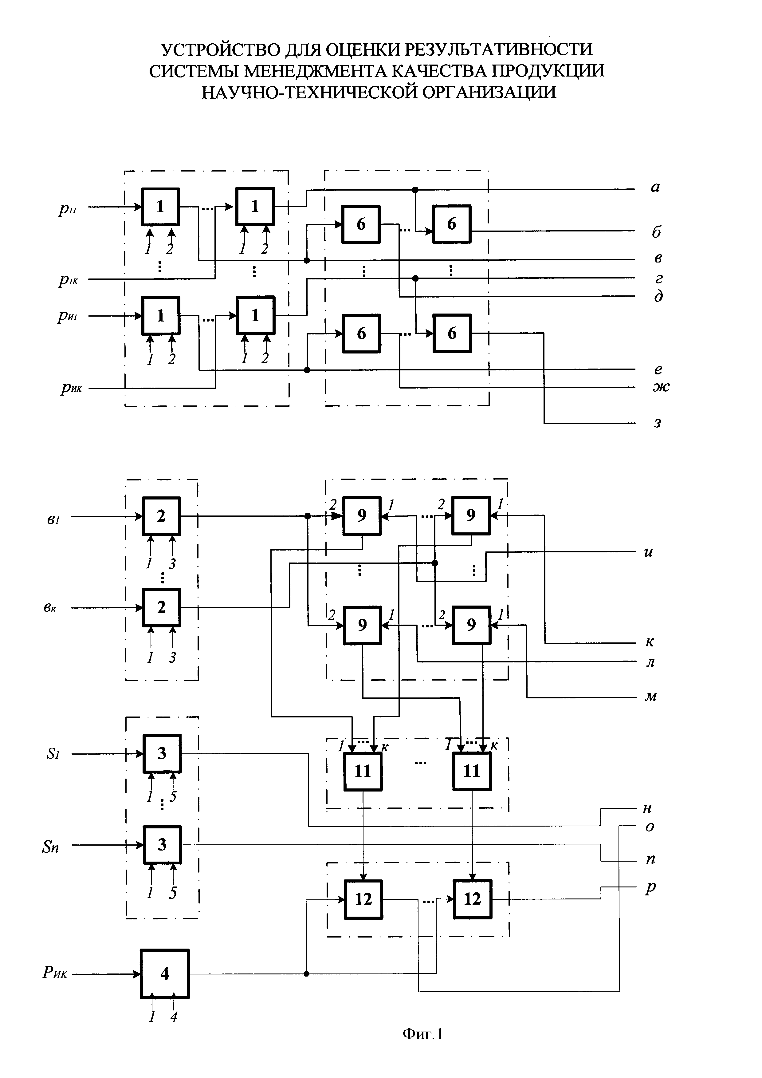
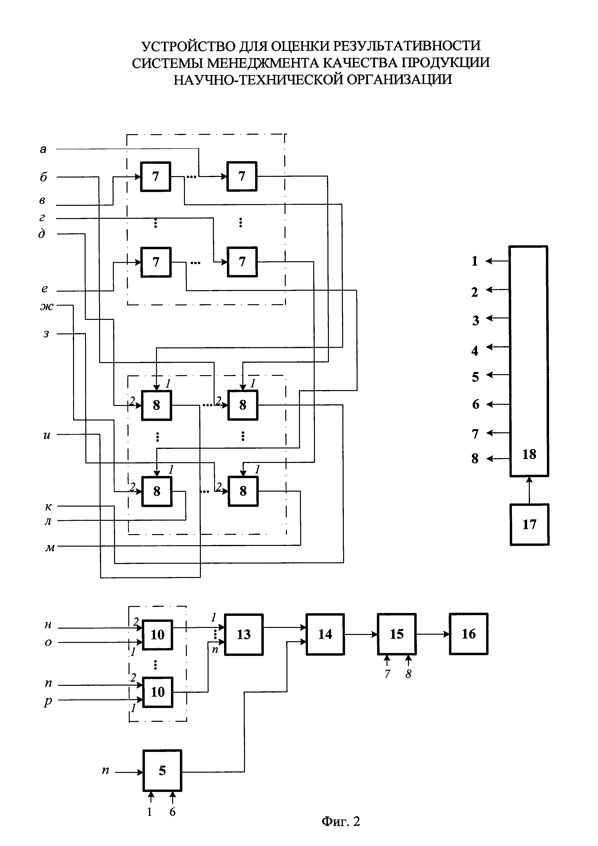
Устройство для оценки результативности системы менеджмента качества продукции научно-технической организации, содержащее первую группу входных регистров, состоящую из k×n элементов, вторую группу входных регистров, состоящую из k элементов, третью группу входных регистров, состоящую из n элементов, первый и второй входные регистры, группу блоков логарифмирования, состоящую из k×n элементов, группу элементов задержки (ЭЗ), состоящую из k×n элементов, первую и вторую группы блоков умножения, каждая из которых состоит из k×n элементов, третью группу блоков умножения, состоящую из n элементов, группу накопительных сумматоров, состоящую из n элементов, группу блоков деления, состоящую из n элементов, накопительный сумматор, блок деления, выходной регистр, блок индикации, генератор тактовых импульсов и распределитель импульсов (РИ), тактовый вход которого соединен с выходом генератора тактовых импульсов, первый выход РИ с входами записи первой, второй и третьей групп входных регистров, а также с входами записи первого и второго входных регистров, второй выход с входами считывания первой группы входных регистров, третий выход с входами считывания второй группы входных регистров, четвертый выход с входом считывания первого входного регистра, пятый выход с входами считывания третьего входного регистра, шестой выход с входом считывания второго входного регистра, седьмой и восьмой выходы - с входами соответственно записи и считывания выходного регистра, информационные входы первой группы входных регистров являются входами задания исходной информации, на которые поступают значения pij, характеризующие вероятность результативности i-го показателя системы менеджмента качества (СМК) по мнению j-го эксперта, информационные входы второй группы входных регистров являются входами задания исходной информации, на которые поступают значения bj, характеризующие коэффициент, учитывающий квалификацию (компетентность) j-го эксперта, информационные входы третьей группы входных регистров являются входами задания исходной информации, на которые поступают значения Si, характеризующие значимость i-го показателя результативности СМК, информационные входы первого и второго входных регистров являются входами задания исходной информации, на которые поступают соответственно значение k, характеризующее число экспертов, и значение n, характеризующее количество показателей результативности, выходы элементов первой группы входных регистров соединены с входами соответствующих элементов группы блоков логарифмирования и элементов группы ЭЗ, выходы которых подключены к первым входам соответствующих элементов первой группы блоков умножения, вторые входы которых соединены с выходами соответствующих элементов группы блоков логарифмирования, а выходы - с первыми входами соответствующих элементов второй группы блоков умножения, вторые входы каждого элемента из n столбцов которой подключены к выходам соответствующих элементов, с первого по k-й, второй группы входных регистров, а выходы каждого элемента из k строк - к входам, с первого по k-ый, соответствующих элементов, с первого по n-й, группы накопительных сумматоров, выходы которых соединены с входами делимого соответствующих элементов группы блоков деления, входы делителя которых подключены к выходу первого входного регистра, а выходы - к первым входам соответствующих элементов третьей группы блоков умножения, вторые входы которых соединены с выходами соответствующих элементов третьей группы входных регистров, а выходы - с входами, с первого по n-ый, накопительного сумматора, выход которого подключен к входу делимого блока деления, вход делителя которого соединен с выходом второго входного регистра, а выход - с информационным входом выходного регистра, выход которого подключен к входу блока индикации.
Изобретение относится к вычислительной технике и может быть использовано при анализе результативности системы менеджмента качества продукции научно-технических организаций для повышения ее конкурентоспособности. Заявителям неизвестно о том, чтобы такая техническая задача решалась подобным образом. Это объясняется тем, что отсутствуют числовые методы содержательного анализа результативности системы менеджмента качества продукции научно-технической организации. Техническим результатом заявленного решения является повышение эффективности работы организаций по результативности выполнения требований системы менеджмента качества (СМК) разрабатываемой научно-технической продукции. Это позволит создать конкурентоспособную продукцию с заданными параметрами и характеристиками в условиях располагаемых ресурсов. Основным показателем результативности научно-технической организации является выполнение НИОКР в заданные сроки: в конечном счете - создание конкурентоспособной продукции с заданными параметрами и характеристиками в условиях располагаемых ресурсов. Результативность СМК организаций, выполняющих НИОКР, определяется по результатам выполнения отдельных процессов с учетом результативности функционирования СМК. Основными показателями оценки результативности СМК являются: 1) соответствие результатов выполнения НИОКР техническим требованиям Заказчика; 2) выполнение требований стандартов по СМК (по отдельным пунктам); 3) удовлетворенность Заказчика качеством выполнения НИОКР; 4) выполнение НИОКР в заданные сроки; 5) выполнение НИОКР по заданным объемам финансирования. Оценку показателей результативности СМК можно осуществить следующим образом. Определяется величина энтропии Rij относительно i-го показателя i=1, …, n; j=1, …, k, где pij - вероятность результативности i-го показателя СМК по мнению j-го эксперта; bj - коэффициент, учитывающий квалификацию (компетентность); j-го эксперта; n - количество показателей результативности; k - число экспертов. Далее определяется усредненная величина энтропии Ri для i-го показателя результативности зтем определяется обобщенная количественная оценка результативности СМК где Ri - оценка усредненной величины энтропии i-го показателя результативности, определенная по формуле (2); Si - значимость i-го показателя результативности СМК. Степень результативности СМК определяется согласно «Методики оценки результатов менеджмента качества организации». Система добровольной сертификации «Военный регистр», 2012: Для иллюстрации рассмотрим конкретный пример для случая, когда n=5, k=4. В таблице 1 приведено значение Rij, определяемое по формуле (1), в таблице 2 - величина Ri, в соответствии с формулой (2), в таблице 3 - значение bj, а в таблице 4 - значимость показателей результативности Si. По формуле (3) определяем количественную оценку результативности СМК - R=0,67. Согласно значению (5) степень результативности СМК организации - допустимая. Технический результат достигается тем, что устройство для оценки результативности менеджмента качества продукции научно-технической организации содержит первую группу входных регистров, состоящую из k×n элементов, вторую группу входных регистров, состоящую из k элементов, третью группу входных регистров, состоящую из n элементов, первый и второй входные регистры, группу блоков логарифмирования, состоящую из k×n элементов, группу элементов задержки (ЭЗ), состоящую из k×n элементов, первую и вторую группы блоков умножения, каждая из которых состоит из k×n элементов, третью группу блоков умножения, состоящую из n элементов, группу накопительных сумматоров, состоящую из n элементов, группу блоков деления, состоящую из n элементов, накопительный сумматор, блок деления, выходной регистр, блок индикации, генератор тактовых импульсов и распределитель импульсов (РИ), тактовый вход которого соединен с выходом генератора тактовых импульсов, первый выход РИ - с входами записи первой, второй и третьей групп входных регистров, а также с входами записи первого и второго входных регистров, второй выход - с входами считывания первой группы входных регистров, третий выход - с входами считывания второй группы входных регистров, четвертый выход - с входом считывания первого входного регистра, пятый выход - с входами считывания третьего входного регистра, шестой выход с входом считывания второго входного регистра, седьмой и восьмой выходы - с входами соответственно записи и считывания выходного регистра, информационные входы первой группы входных регистров являются входами задания исходной информации, на которые поступают значения pij, характеризующие вероятность результативности i-го показателя системы менеджмента качества (СМК) по мнению j-го эксперта, информационные входы второй группы входных регистров являются входами задания исходной информации, на которые поступают значения bj, характеризующие коэффициент, учитывающий квалификацию (компетентность) j-го эксперта, информационные входы третьей группы входных регистров являются входами задания исходной информации, на которые поступают значения Si, характеризующие значимость i-го показателя результативности СМК, информационные входы первого и второго входных регистров являются входами задания исходной информации, на которые поступают соответственно значение k, характеризующее число экспертов, и значение n, характеризующее количество показателей результативности, выходы элементов первой группы входных регистров соединены с входами соответствующих элементов группы блоков логарифмирования и элементов группы ЭЗ, выходы которых подключены к первым входам соответствующих элементов первой группы блоков умножения, вторые входы которых соединены с выходами соответствующих элементов группы блоков логарифмирования, а выходы - с первыми входами соответствующих элементов второй группы блоков умножения, вторые входы каждого элемента из n столбцов которой подключены к выходам соответствующих элементов, с первого по k-й, второй группы входных регистров, а выходы каждого элемента из k строк - к входам, с первого по k-й, соответствующих элементов, с первого по n-й, группы накопительных сумматоров, выходы которых соединены с входами делимого соответствующих элементов группы блоков деления, входы делителя которых подключены к выходу первого входного регистра, а выходы - к первым входам соответствующих элементов третьей группы блоков умножения, вторые входы которых соединены с выходами соответствующих элементов третьей группы входных регистров, а выходы - с входами, с первого по n-й, накопительного сумматора, выход которого подключен к входу делимого блока деления, вход делителя которого соединен с выходом второго входного регистра, а выход - с информационным входам выходного регистра, выход которого подключен к входу блока индикации. На фиг. 1 и 2 представлена функциональная схема устройства для оценки результативности менеджмента качества продукции научно-технической организации (для ликвидации связи громоздкости связи между РИ и управляющими входами соответствующих блоков показаны не полностью, а обозначены путем нумерации входов и выходов); на фиг. 3 изображена циклограмма работы заявленного устройства (на оси ординат обозначены номера выходов РИ, а по оси абсцисс - число тактов), причем длительность различных вычислительных операций (сложение - один такт, умножение - восемь тактов, деление - двенадцать тактов, логарифмирование - двадцать тактов) в верхней части фиг. 3. Для возможности реализации построения циклограммы принято n=5, k=4. Устройство для оценки результативности менеджмента качества продукции научно-технической информации (фиг. 1 и 2) содержит первую группу 1 входных регистров, состоящую из k×n элементов, вторую группу 2 входных регистров, состоящую из k элементов, третью группу 3 входных регистров, состоящую из n элементов, первый 4 и второй 5 входные регистры, группу 6 блоков логарифмирования, состоящую из k×n элементов, группу 7 ЭЗ, состоящую из k×n элементов, первую 8 и вторую 9 группы блоков умножения, состоящие из k×n элементов, третью группу 10 блоков умножения, состоящую из n элементов, группу 11 накопительных сумматоров, состоящую из n элементов, группу 12 блоков деления, состоящую из n элементов, накопительный сумматор 13, блок 14 деления, выходной регистр 15, блок 16 индикации, генератор 17 тактовых импульсов и распределитель 18 импульсов. Устройство для оценки результативности системы менеджмента качества продукции научно-технической организации работает следующим образом. На информационные входы каждого элемента первой группы 1 входных регистров (фиг. 1 и 2) засылаются величины p1k, …, pn1, … pnk, соответствующие вероятностям результативности показателей СМК по мнению j-го эксперта. На информационные входы каждого элемента второй группы 2 входных регистров подаются величины b1, …, bk, соответствующие коэффициентам, учитывающим компетентность экспертов. На информационные входы каждого элемента третьей группы 3 входных регистров направляются величины S1, …, Sn, соответствующие значимостям показателей результативности показателей СМК. На информационные входы первого 4 и второго 5 входных регистров засылаются соответственно величины k и n. При этом управляющий сигнал на входы записи всех элементов этих групп входных регистров и входных регистров подается с первого выхода РИ 18, темп работы которого задается генератором 17 тактовых импульсов. По сигналу со второго выхода РИ 18 на входы считывания каждого элемента первой группы 1 входных регистров величины pij с ее выходов направляются на входы соответствующих элементов группы 6 блоков логарифмирования и группы 7 ЭЗ, с выходов которой значения pij засылаются на первые входы соответствующих элементов первой группы 8 блоков умножения. На вторые входы каждого элемента этой группы с выходов соответствующих элементов группы 6 логарифмирования подаются величины lnpij. С выходов группы 8 значения pij⋅(lnpij) направляются на первые входы соответствующих элементов второй группы 9 блоков умножения, на вторые входы которой, по сигналу с третьего выхода РИ 18 на входы считывания второй группы 2 входных регистров, с выходов этой группы засылаются величины bj. Причем значение b1 подается на вторые входы всех элементов первого столбца группы 9, а величина bk - на вторые входы всех элементов k-го столбца второй группы 9 умножения. Следовательно, с выходов i-й строки значения pij⋅(lnpij)⋅bj, определяемые по формуле (1), направляются на входы, с первого по k-й, с первого по n-й элементы группы 11 накопительных сумматоров. С выхода каждого элемента группы 11 величина По сигналу с шестого выхода РИ 18 на вход считывания второго входного регистра 5 с выхода этого регистра значение n засылается на вход делителя блока 14, с выхода которого обобщенная количественная оценка результативности СМК R, определяемая по формуле (3) подается на информационный вход выходного регистра 15, управляющий сигнал на вход записи которого направляется с седьмого выхода РИ 18. По сигналу с восьмого выхода РИ 18 на вход считывания блока 15 значение R засылается на вход блока 16 индикации для наглядного отображения. Порядок функционирования блоков устройства представлен на циклограмме его работы (фиг. 3). Таким образом, технический результат достигается не за счет математического аппарата, а за счет технических средств (блоков и элементов), упомянутых в процессе описания работы устройства, осуществляющего повышение эффективности работы организацией по результативности выполнения требований СМК разрабатываемой научно-технической продукции. Промышленная применимость изобретения обосновывается тем, что оно может быть использовано в разных областях (отраслях) при расчетах, связанных с анализом результативности системы менеджмента качества продукции научно-технических организаций для повышения ее конкурентоспособности.









засылается на входы делимого соответствующих элементов группы 12 блоков деления, на входы делителя которой, по сигналу с четвертого выхода РИ 18 на вход считывания первого входного регистра 4, с выхода этого регистра подается значение k. С выходов группы 12 значения усредненной величины энтропии Ri, вычисляемые по формуле (2), направляются на первые входы третьей группы 10 блоков умножения. По сигналу с пятого выхода РИ 18 на входы считывания третьей группы 3 входных регистров с выходов этой группы на вторые входы группы 10 засылаются величины Si. С выходов этой группы значения RiSi подаются на входы, с первого по n-й, накопительного сумматора 13, с выхода которого величина
направляется на вход делимого блока 14.